К началу документа
Epica
На предыдущую страницу На следующую страницу
Главная страница GMDE Загрузить нединамическое оглавление Загрузить динамическое оглавление Помощь



3. КОНТРОЛЛЕР ДВИГАТЕЛЯ (ECM, SIM2K-D160)

1) ЦЕПЬ ЭЛЕКТРОПИТАНИЯ, МАССЫ, ИНДИКАТОРНОЙ ЛАМПЫ НЕИСПРАВНОСТИ, ДИАГНОСТИКИ

L8B15052.png
Показать иллюстрациюПеревод текста в иллюстрациях


а. ИНФОРМАЦИЯ О РАЗЪЁМЕ

№ РАЗЪЁМА
(№ И ЦВЕТ КОНТАКТА)
СОЕДИНИТЕЛЬНЫЙ ЖГУТ ПРОВОДОВ ПОЛОЖЕНИЕ РАЗЪЁМА
С102 (контакт 68, серый) Двигатель - блок предохранителей в моторном отсеке Блок предохранителей в моторном отсеке
С103 (контакт 68, белый) Кузов - блок предохранителей в моторном отсеке Блок предохранителей в моторном отсеке
С201 (контакт 76, черный) Приборная панель - блок предохранителей на приборной панели БЛОК ПРЕДОХРАНИТЕЛЕЙ НА ПРИБОРНОЙ ПАНЕЛИ
C204 (контакт 22, белый) Приборная панель - кузов Коробка разъемов внизу левой передней стойки
C205 (контакт 23, белый) Приборная панель - кузов Коробка разъемов внизу левой передней стойки
G103 Двигатель Передняя и центральная часть блока цилиндров двигателя

б. УСЛОВНОЕ ОБОЗНАЧЕНИЕ & И НАХОЖДЕНИЕ НОМЕРА КОНТАКТА

L8B1P003.png
Показать иллюстрациюПеревод текста в иллюстрациях


в. РАСПОЛОЖЕНИЕ РАЗЪЁМОВ И СОЕДИНЕНИЙ МАССЫ

L7B12004.png
Показать иллюстрациюПеревод текста в иллюстрациях


L7B12005.png
Показать иллюстрациюПеревод текста в иллюстрациях


L8B12104.png
Показать иллюстрациюПеревод текста в иллюстрациях


2) ЦЕПЬ ДАТЧИКОВ ДАННЫХ ДВИГАТЕЛЯ (cts, mat, map, maf)

L8B15001.png
Показать иллюстрациюПеревод текста в иллюстрациях


а. ИНФОРМАЦИЯ О РАЗЪЁМЕ

№ РАЗЪЁМА
(№ И ЦВЕТ КОНТАКТА)
СОЕДИНИТЕЛЬНЫЙ ЖГУТ ПРОВОДОВ ПОЛОЖЕНИЕ РАЗЪЁМА
С102 (контакт 68, серый) Двигатель - блок предохранителей в моторном отсеке Блок предохранителей в моторном отсеке
С103 (контакт 68, белый) Кузов - блок предохранителей в моторном отсеке Блок предохранителей в моторном отсеке
C106 (контакт 12, черный) Двигатель - впуск Спереди внизу головки цилиндров
C205 (контакт 23, белый) Приборная панель - кузов Коробка разъемов внизу левой передней стойки

б. УСЛОВНОЕ ОБОЗНАЧЕНИЕ & И НАХОЖДЕНИЕ НОМЕРА КОНТАКТА

L8B1P004.png
Показать иллюстрациюПеревод текста в иллюстрациях


в. РАСПОЛОЖЕНИЕ РАЗЪЁМОВ И СОЕДИНЕНИЙ МАССЫ

L7B12004.png
Показать иллюстрациюПеревод текста в иллюстрациях


L7B12005.png
Показать иллюстрациюПеревод текста в иллюстрациях


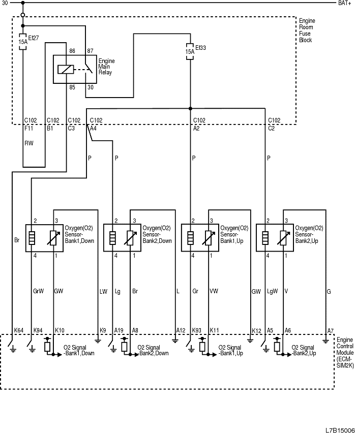
3) ЦЕПЬ КИСЛОРОДНЫХ ДАТЧИКОВ

L7B15006.png
Показать иллюстрациюПеревод текста в иллюстрациях


а. ИНФОРМАЦИЯ О РАЗЪЁМЕ

№ РАЗЪЁМА
(№ И ЦВЕТ КОНТАКТА)
СОЕДИНИТЕЛЬНЫЙ ЖГУТ ПРОВОДОВ ПОЛОЖЕНИЕ РАЗЪЁМА
С102 (контакт 68, серый) Двигатель - блок предохранителей в моторном отсеке Блок предохранителей в моторном отсеке

б. УСЛОВНОЕ ОБОЗНАЧЕНИЕ & И НАХОЖДЕНИЕ НОМЕРА КОНТАКТА

L8B1P005.png
Показать иллюстрациюПеревод текста в иллюстрациях


в. РАСПОЛОЖЕНИЕ РАЗЪЁМОВ И СОЕДИНЕНИЙ МАССЫ

L7B12004.png
Показать иллюстрациюПеревод текста в иллюстрациях


L7B12006.png
Показать иллюстрациюПеревод текста в иллюстрациях


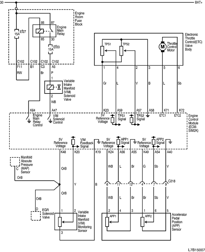
4) ЦЕПЬ ДРОССЕЛЬНОГО КЛАПАНА И СИСТЕМЫ РЕГУЛИРУЕМОГО ВПУСКА

L7B15007.png
Показать иллюстрациюПеревод текста в иллюстрациях


а. ИНФОРМАЦИЯ О РАЗЪЁМЕ

№ РАЗЪЁМА
(№ И ЦВЕТ КОНТАКТА)
СОЕДИНИТЕЛЬНЫЙ ЖГУТ ПРОВОДОВ ПОЛОЖЕНИЕ РАЗЪЁМА
С102 (контакт 68, серый) Двигатель - блок предохранителей в моторном отсеке Блок предохранителей в моторном отсеке
C218 (контакт 15, белый) Двигатель - кузов Коробка разъемов внизу правой передней стойки

б. УСЛОВНОЕ ОБОЗНАЧЕНИЕ & И НАХОЖДЕНИЕ НОМЕРА КОНТАКТА

L8B1P006.png
Показать иллюстрациюПеревод текста в иллюстрациях


в. РАСПОЛОЖЕНИЕ РАЗЪЁМОВ И СОЕДИНЕНИЙ МАССЫ

L7B12004.png
Показать иллюстрациюПеревод текста в иллюстрациях


L7B12006.png
Показать иллюстрациюПеревод текста в иллюстрациях


L7B12009.png
Показать иллюстрациюПеревод текста в иллюстрациях


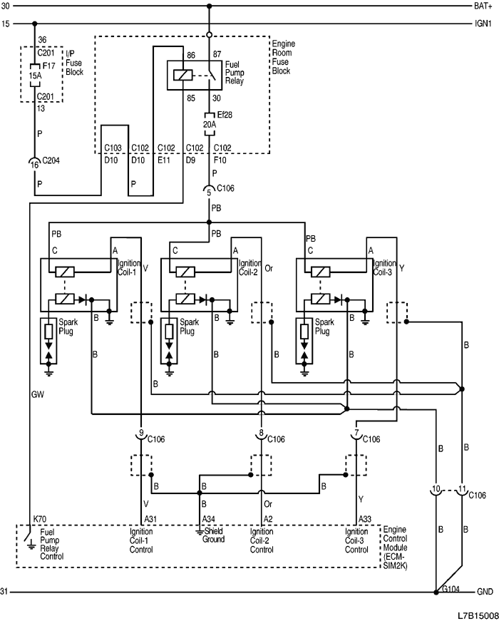
5) ЦЕПЬ КАТУШЕК ЗАЖИГАНИЯ (1, 2 И 3)

L7B15008.png
Показать иллюстрациюПеревод текста в иллюстрациях


а. ИНФОРМАЦИЯ О РАЗЪЁМЕ

№ РАЗЪЁМА
(№ И ЦВЕТ КОНТАКТА)
СОЕДИНИТЕЛЬНЫЙ ЖГУТ ПРОВОДОВ ПОЛОЖЕНИЕ РАЗЪЁМА
С102 (контакт 68, серый) Двигатель - блок предохранителей в моторном отсеке Блок предохранителей в моторном отсеке
С103 (контакт 68, белый) Кузов - блок предохранителей в моторном отсеке Блок предохранителей в моторном отсеке
C106 (контакт 12, черный) Двигатель - впуск Спереди внизу головки цилиндров
С201 (контакт 76, черный) Приборная панель - блок предохранителей на приборной панели БЛОК ПРЕДОХРАНИТЕЛЕЙ НА ПРИБОРНОЙ ПАНЕЛИ
C204 (контакт 22, белый) Приборная панель - кузов Коробка разъемов внизу левой передней стойки
G104 Двигатель Передняя и центральная часть блока цилиндров двигателя

б. УСЛОВНОЕ ОБОЗНАЧЕНИЕ & И НАХОЖДЕНИЕ НОМЕРА КОНТАКТА

L8B1P007.png
Показать иллюстрациюПеревод текста в иллюстрациях


в. РАСПОЛОЖЕНИЕ РАЗЪЁМОВ И СОЕДИНЕНИЙ МАССЫ

L7B12004.png
Показать иллюстрациюПеревод текста в иллюстрациях


L7B12005.png
Показать иллюстрациюПеревод текста в иллюстрациях


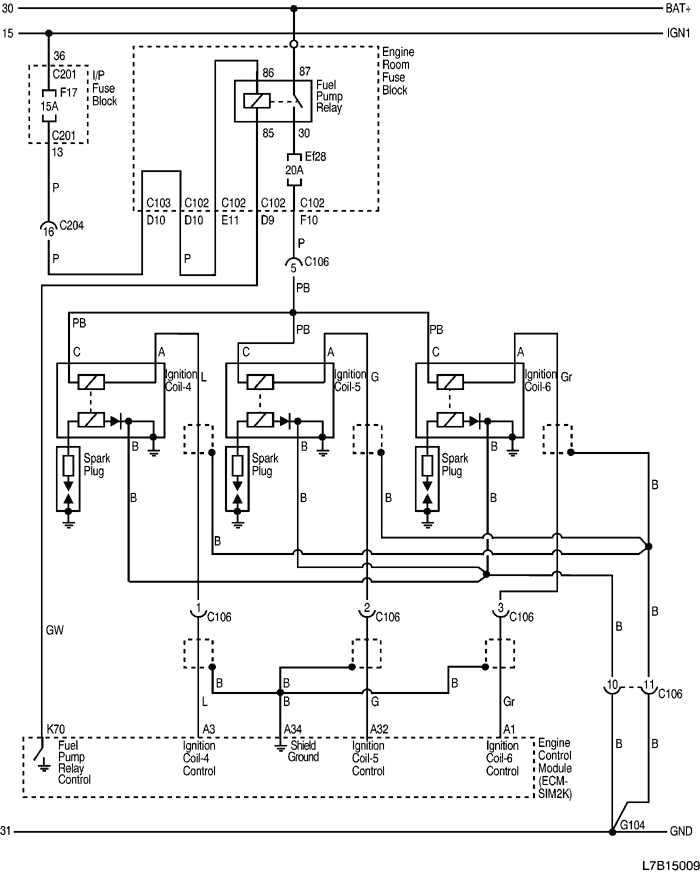
6) ЦЕПЬ КАТУШЕК ЗАЖИГАНИЯ (4, 5 И 6)

L7B15009.png
Показать иллюстрациюПеревод текста в иллюстрациях


а. ИНФОРМАЦИЯ О РАЗЪЁМЕ

№ РАЗЪЁМА
(№ И ЦВЕТ КОНТАКТА)
СОЕДИНИТЕЛЬНЫЙ ЖГУТ ПРОВОДОВ ПОЛОЖЕНИЕ РАЗЪЁМА
С102 (контакт 68, серый) Двигатель - блок предохранителей в моторном отсеке Блок предохранителей в моторном отсеке
С103 (контакт 68, белый) Кузов - блок предохранителей в моторном отсеке Блок предохранителей в моторном отсеке
C106 (контакт 12, черный) Двигатель - впуск Спереди внизу головки цилиндров
С201 (контакт 76, черный) Приборная панель - блок предохранителей на приборной панели БЛОК ПРЕДОХРАНИТЕЛЕЙ НА ПРИБОРНОЙ ПАНЕЛИ
C204 (контакт 22, белый) Приборная панель - кузов Коробка разъемов внизу левой передней стойки
G104 Двигатель Передняя и центральная часть блока цилиндров двигателя

б. УСЛОВНОЕ ОБОЗНАЧЕНИЕ & И НАХОЖДЕНИЕ НОМЕРА КОНТАКТА

L8B1P008.png
Показать иллюстрациюПеревод текста в иллюстрациях


в. РАСПОЛОЖЕНИЕ РАЗЪЁМОВ И СОЕДИНЕНИЙ МАССЫ

L7B12004.png
Показать иллюстрациюПеревод текста в иллюстрациях


L7B12005.png
Показать иллюстрациюПеревод текста в иллюстрациях


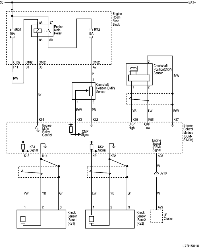
7) ЦЕПЬ ДАТЧИКА УПРАВЛЕНИЯ ЗАЖИГАНИЕМ (ckp, cmp, ks1, ks2)

L7B15010.png
Показать иллюстрациюПеревод текста в иллюстрациях


а. ИНФОРМАЦИЯ О РАЗЪЁМЕ

№ РАЗЪЁМА
(№ И ЦВЕТ КОНТАКТА)
СОЕДИНИТЕЛЬНЫЙ ЖГУТ ПРОВОДОВ ПОЛОЖЕНИЕ РАЗЪЁМА
С102 (контакт 68, серый) Двигатель - блок предохранителей в моторном отсеке Блок предохранителей в моторном отсеке
C216 (контакт 20, белый) Двигатель - приборная панель Возле коробки разъемов внизу правой передней стойки

б. УСЛОВНОЕ ОБОЗНАЧЕНИЕ & И НАХОЖДЕНИЕ НОМЕРА КОНТАКТА

L8B1P009.png
Показать иллюстрациюПеревод текста в иллюстрациях


в. РАСПОЛОЖЕНИЕ РАЗЪЁМОВ И СОЕДИНЕНИЙ МАССЫ

L7B12004.png
Показать иллюстрациюПеревод текста в иллюстрациях


L7B12005.png
Показать иллюстрациюПеревод текста в иллюстрациях


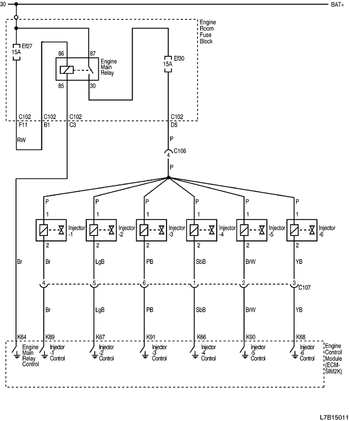
8) ЦЕПЬ ФОРСУНКИ

L7B15011.png
Показать иллюстрациюПеревод текста в иллюстрациях


а. ИНФОРМАЦИЯ О РАЗЪЁМЕ

№ РАЗЪЁМА
(№ И ЦВЕТ КОНТАКТА)
СОЕДИНИТЕЛЬНЫЙ ЖГУТ ПРОВОДОВ ПОЛОЖЕНИЕ РАЗЪЁМА
С102 (контакт 68, серый) Двигатель - блок предохранителей в моторном отсеке Блок предохранителей в моторном отсеке
C106 (контакт 12, черный) Двигатель - впуск Спереди внизу головки цилиндров
C107 (контакт 6) Двигатель - впуск Спереди внизу головки цилиндров

б. УСЛОВНОЕ ОБОЗНАЧЕНИЕ & И НАХОЖДЕНИЕ НОМЕРА КОНТАКТА

L8B1P010.png
Показать иллюстрациюПеревод текста в иллюстрациях


в. РАСПОЛОЖЕНИЕ РАЗЪЁМОВ И СОЕДИНЕНИЙ МАССЫ

L7B12004.png
Показать иллюстрациюПеревод текста в иллюстрациях


L7B12005.png
Показать иллюстрациюПеревод текста в иллюстрациях


9) ЦЕПЬ МОДУЛЯ ТОПЛИВНОГО НАСОСА

L8B15002.png
Показать иллюстрациюПеревод текста в иллюстрациях


а. ИНФОРМАЦИЯ О РАЗЪЁМЕ

№ РАЗЪЁМА
(№ И ЦВЕТ КОНТАКТА)
СОЕДИНИТЕЛЬНЫЙ ЖГУТ ПРОВОДОВ ПОЛОЖЕНИЕ РАЗЪЁМА
С102 (контакт 68, серый) Двигатель - блок предохранителей в моторном отсеке Блок предохранителей в моторном отсеке
С103 (контакт 68, белый) Кузов - блок предохранителей в моторном отсеке Блок предохранителей в моторном отсеке
С201 (контакт 76, черный) Приборная панель - блок предохранителей на приборной панели БЛОК ПРЕДОХРАНИТЕЛЕЙ НА ПРИБОРНОЙ ПАНЕЛИ
C204 (контакт 22, белый) Приборная панель - кузов Коробка разъемов внизу левой передней стойки
C205 (контакт 23, белый) Приборная панель - кузов Коробка разъемов внизу левой передней стойки
C216 (контакт 20, белый) Двигатель - приборная панель Возле коробки разъемов внизу правой передней стойки
C218 (контакт 15, белый) Двигатель - кузов Коробка разъемов внизу правой передней стойки
C404 (контакт 12, белый) Кузов - топливный насос Под серединой задней поперечины
G303 Кузов Возле задней полки левой задней стойки

б. УСЛОВНОЕ ОБОЗНАЧЕНИЕ & И НАХОЖДЕНИЕ НОМЕРА КОНТАКТА

L8B1P011.png
Показать иллюстрациюПеревод текста в иллюстрациях


в. РАСПОЛОЖЕНИЕ РАЗЪЁМОВ И СОЕДИНЕНИЙ МАССЫ

L7B12004.png
Показать иллюстрациюПеревод текста в иллюстрациях


L7B12016.png
Показать иллюстрациюПеревод текста в иллюстрациях


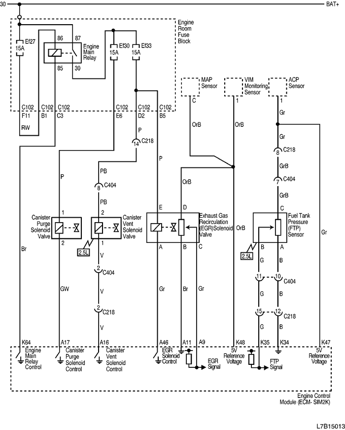
10) ЦЕПЬ УПРАВЛЕНИЯ ОТРАБОТАВШИМ ГАЗОМ

L7B15013.png
Показать иллюстрациюПеревод текста в иллюстрациях


а. ИНФОРМАЦИЯ О РАЗЪЁМЕ

№ РАЗЪЁМА
(№ И ЦВЕТ КОНТАКТА)
СОЕДИНИТЕЛЬНЫЙ ЖГУТ ПРОВОДОВ ПОЛОЖЕНИЕ РАЗЪЁМА
С102 (контакт 68, серый) Двигатель - блок предохранителей в моторном отсеке Блок предохранителей в моторном отсеке
C218 (контакт 15, белый) Двигатель - кузов Коробка разъемов внизу левой передней стойки
C404 (контакт 12, белый) Кузов - топливный насос Под серединой задней поперечины

б. УСЛОВНОЕ ОБОЗНАЧЕНИЕ & И НАХОЖДЕНИЕ НОМЕРА КОНТАКТА

L8B1P012.png
Показать иллюстрациюПеревод текста в иллюстрациях


в. РАСПОЛОЖЕНИЕ РАЗЪЁМОВ И СОЕДИНЕНИЙ МАССЫ

L7B12004.png
Показать иллюстрациюПеревод текста в иллюстрациях


L7B12006.png
Показать иллюстрациюПеревод текста в иллюстрациях


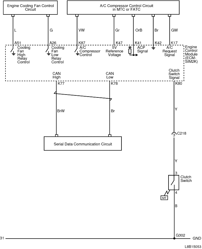
11) ЦЕПЬ КОНТРОЛИРУЕМЫХ И УПРАВЛЯЕМЫХ ПОДСИСТЕМ, ПОСЛЕДОВАТЕЛЬНОЙ ПЕРЕДАЧИ ДАННЫХ

L8B15053.png
Показать иллюстрациюПеревод текста в иллюстрациях


а. ИНФОРМАЦИЯ О РАЗЪЁМЕ

№ РАЗЪЁМА
(№ И ЦВЕТ КОНТАКТА)
СОЕДИНИТЕЛЬНЫЙ ЖГУТ ПРОВОДОВ ПОЛОЖЕНИЕ РАЗЪЁМА
C218 (контакт 15, белый) Двигатель - кузов Коробка разъемов внизу правой передней стойки
G302 Кузов На правой поперечине передней панели пола

б. УСЛОВНОЕ ОБОЗНАЧЕНИЕ & И НАХОЖДЕНИЕ НОМЕРА КОНТАКТА

L8B1P013.png
Показать иллюстрациюПеревод текста в иллюстрациях


в. РАСПОЛОЖЕНИЕ РАЗЪЁМОВ И СОЕДИНЕНИЙ МАССЫ

L7B12004.png
Показать иллюстрациюПеревод текста в иллюстрациях


L8B12104.png
Показать иллюстрациюПеревод текста в иллюстрациях


На предыдущую страницу На следующую страницу


https://vnx.su/ 🛠 Руководства по ремонту и эксплуатации для автомобилей

Поиск по сайту

Остались вопросы или пожелания? Пишите на почту: support@vnx.su

Карта Сайта