К началу документа
Epica
На предыдущую страницу На следующую страницу
Главная страница GMDE Загрузить нединамическое оглавление Загрузить динамическое оглавление Помощь



2. СИСТЕМА ОХЛАЖДЕНИЯ ДВИГАТЕЛЯ

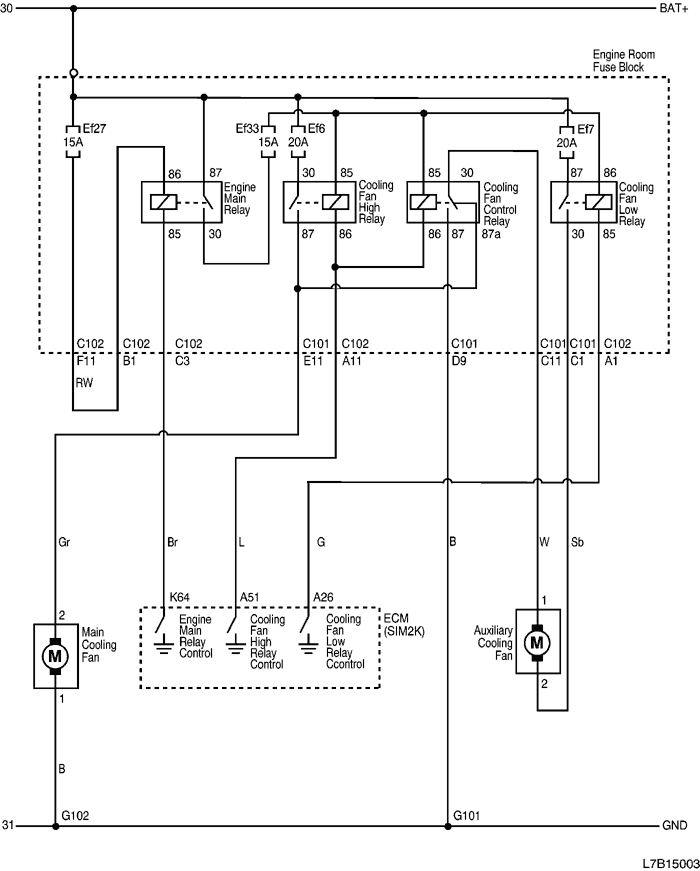
1) ЦЕПЬ УПРАВЛЕНИЯ ВЕНТИЛЯТОРОМ ОХЛАЖДЕНИЯ ДВИГАТЕЛЯ

L7B15003.png
Показать иллюстрациюПеревод текста в иллюстрациях


а. ИНФОРМАЦИЯ О РАЗЪЁМЕ

№ РАЗЪЁМА
(№ И ЦВЕТ КОНТАКТА)
СОЕДИНИТЕЛЬНЫЙ ЖГУТ ПРОВОДОВ ПОЛОЖЕНИЕ РАЗЪЁМА
C101 (контакт 68, черный) Передняя часть - блок предохранителей в моторном отсеке Блок предохранителей в моторном отсеке
С102 (контакт 68, серый) Двигатель - блок предохранителей в моторном отсеке Блок предохранителей в моторном отсеке
G101 ПЕРЕДНЯЯ ЧАСТЬ За левой фарой
G102 ПЕРЕДНЯЯ ЧАСТЬ За правой фарой

б. УСЛОВНОЕ ОБОЗНАЧЕНИЕ & И НАХОЖДЕНИЕ НОМЕРА КОНТАКТА

L8B1P002.png
Показать иллюстрациюПеревод текста в иллюстрациях


в. РАСПОЛОЖЕНИЕ РАЗЪЁМОВ И СОЕДИНЕНИЙ МАССЫ

L7B12003.png
Показать иллюстрациюПеревод текста в иллюстрациях


L7B12004.png
Показать иллюстрациюПеревод текста в иллюстрациях


На предыдущую страницу На следующую страницу


https://vnx.su/ 🛠 Руководства по ремонту и эксплуатации для автомобилей

Поиск по сайту

Остались вопросы или пожелания? Пишите на почту: support@vnx.su

Карта Сайта