К началу документа
Epica
На предыдущую страницу На следующую страницу
Главная страница GMDE Загрузить нединамическое оглавление Загрузить динамическое оглавление Помощь



25. АУДИОСИСТЕМА

1) ЦЕПЬ ЭЛЕКТРОПИТАНИЯ, МАССЫ, ВЫКЛЮЧАТЕЛЯ ДИСТАНЦИОННОГО УПРАВЛЕНИЯ И АНТЕННЫ

L8B15345.png
Показать иллюстрациюПеревод текста в иллюстрациях


а. ИНФОРМАЦИЯ О РАЗЪЁМЕ

№ РАЗЪЁМА
(№ И ЦВЕТ КОНТАКТА)
СОЕДИНИТЕЛЬНЫЙ ЖГУТ ПРОВОДОВ ПОЛОЖЕНИЕ РАЗЪЁМА
С103 (контакт 68, белый) Кузов - блок предохранителей в моторном отсеке Блок предохранителей в моторном отсеке
С201 (контакт 76, черный) Приборная панель - блок предохранителей на приборной панели БЛОК ПРЕДОХРАНИТЕЛЕЙ НА ПРИБОРНОЙ ПАНЕЛИ
С202 (контакт 23, белый) Приборная панель - кузов Коробка разъемов внизу левой передней стойки
С203 (контакт 16, желтый) Приборная панель - кузов Коробка разъемов внизу левой передней стойки
G201 Приборная панель Возле диагностического разъема

б. УСЛОВНОЕ ОБОЗНАЧЕНИЕ & И НАХОЖДЕНИЕ НОМЕРА КОНТАКТА

L7B1P081.png
Показать иллюстрациюПеревод текста в иллюстрациях


в. РАСПОЛОЖЕНИЕ РАЗЪЁМОВ И СОЕДИНЕНИЙ МАССЫ

L8B12104.png
Показать иллюстрациюПеревод текста в иллюстрациях


2) ЦЕПЬ ДИНАМИКОВ

2-1) ДИНАМИКИ БЕЗ УСИЛИТЕЛЯ МОЩНОСТИ

L8B15028.png
Показать иллюстрациюПеревод текста в иллюстрациях


а. ИНФОРМАЦИЯ О РАЗЪЁМЕ

№ РАЗЪЁМА
(№ И ЦВЕТ КОНТАКТА)
СОЕДИНИТЕЛЬНЫЙ ЖГУТ ПРОВОДОВ ПОЛОЖЕНИЕ РАЗЪЁМА
С203 (контакт 16, желтый) Приборная панель - кузов Коробка разъемов внизу левой передней стойки
C214 (контакт 23, белый) Приборная панель - кузов Коробка разъемов внизу правой передней стойки
С351 (контакт 18, серый) Кузов - дверь водителя Внизу передней стойки водителя
С361 (контакт 18, серый) Кузов - дверь пассажира Внизу передней стойки пассажира
С371 (контакт 21, белый) Кузов - задняя левая дверь Внизу левой средней стойки
С381 (контакт 21, белый) Кузов - задняя правая дверь Внизу правой средней стойки

б. УСЛОВНОЕ ОБОЗНАЧЕНИЕ & И НАХОЖДЕНИЕ НОМЕРА КОНТАКТА

L7B1P082.png
Показать иллюстрациюПеревод текста в иллюстрациях


в. РАСПОЛОЖЕНИЕ РАЗЪЁМОВ И СОЕДИНЕНИЙ МАССЫ

L8B12104.png
Показать иллюстрациюПеревод текста в иллюстрациях


L7B12013.png
Показать иллюстрациюПеревод текста в иллюстрациях


L7B12014.png
Показать иллюстрациюПеревод текста в иллюстрациях


L7B12015.png
Показать иллюстрациюПеревод текста в иллюстрациях


2-2) ДИНАМИКИ С УСИЛИТЕЛЕМ МОЩНОСТИ

L8B15029.png
Показать иллюстрациюПеревод текста в иллюстрациях


а. ИНФОРМАЦИЯ О РАЗЪЁМЕ

№ РАЗЪЁМА
(№ И ЦВЕТ КОНТАКТА)
СОЕДИНИТЕЛЬНЫЙ ЖГУТ ПРОВОДОВ ПОЛОЖЕНИЕ РАЗЪЁМА
C101 (контакт 68, черный) Передняя часть - блок предохранителей в моторном отсеке Блок предохранителей в моторном отсеке
С103 (контакт 68, белый) Кузов - блок предохранителей в моторном отсеке Блок предохранителей в моторном отсеке
С203 (контакт 16, желтый) Приборная панель - кузов Коробка разъемов внизу левой передней стойки
C214 (контакт 23, белый) Приборная панель - кузов Коробка разъемов внизу правой передней стойки
С351 (контакт 18, серый) Кузов - дверь водителя Внизу передней стойки водителя
С361 (контакт 18, серый) Кузов - дверь пассажира Внизу передней стойки пассажира
С371 (контакт 21, белый) Кузов - задняя левая дверь Внизу левой средней стойки
С381 (контакт 21, белый) Кузов - задняя правая дверь Внизу правой средней стойки
G303 Кузов Возле задней полки левой задней стойки

б. УСЛОВНОЕ ОБОЗНАЧЕНИЕ & И НАХОЖДЕНИЕ НОМЕРА КОНТАКТА

L7B1P083.png
Показать иллюстрациюПеревод текста в иллюстрациях


в. РАСПОЛОЖЕНИЕ РАЗЪЁМОВ И СОЕДИНЕНИЙ МАССЫ

L8B12104.png
Показать иллюстрациюПеревод текста в иллюстрациях


L7B12013.png
Показать иллюстрациюПеревод текста в иллюстрациях


L7B12014.png
Показать иллюстрациюПеревод текста в иллюстрациях


L7B12015.png
Показать иллюстрациюПеревод текста в иллюстрациях


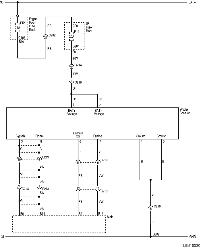
2-3) ЦЕПЬ ДИНАМИКА САБВУФЕРА

L8B15030.png
Показать иллюстрациюПеревод текста в иллюстрациях


а. ИНФОРМАЦИЯ О РАЗЪЁМЕ

№ РАЗЪЁМА
(№ И ЦВЕТ КОНТАКТА)
СОЕДИНИТЕЛЬНЫЙ ЖГУТ ПРОВОДОВ ПОЛОЖЕНИЕ РАЗЪЁМА
С103 (контакт 68, белый) Кузов - блок предохранителей в моторном отсеке Блок предохранителей в моторном отсеке C201 (контакт 76, черный) C202 (контакт 23, белый)
С201 (контакт 76, черный) Приборная панель - блок предохранителей на приборной панели БЛОК ПРЕДОХРАНИТЕЛЕЙ НА ПРИБОРНОЙ ПАНЕЛИ
С202 (контакт 23, белый) Приборная панель - кузов Коробка разъемов внизу левой передней стойки
C213 (контакт 23, белый) Приборная панель - кузов Коробка разъемов внизу правой передней стойки
C214 (контакт 23, белый) Приборная панель - кузов Коробка разъемов внизу правой передней стойки
C219 (контакт 10, белый) Динамик сабвуфер - кузов Коробка разъемов внизу правой передней стойки
G302 Кузов На правой поперечине передней панели пола

б. УСЛОВНОЕ ОБОЗНАЧЕНИЕ & И НАХОЖДЕНИЕ НОМЕРА КОНТАКТА

L7B1P084.png
Показать иллюстрациюПеревод текста в иллюстрациях


в. РАСПОЛОЖЕНИЕ РАЗЪЁМОВ И СОЕДИНЕНИЙ МАССЫ

L8B12104.png
Показать иллюстрациюПеревод текста в иллюстрациях


На предыдущую страницу На следующую страницу


https://vnx.su/ 🛠 Руководства по ремонту и эксплуатации для автомобилей

Поиск по сайту

Остались вопросы или пожелания? Пишите на почту: support@vnx.su

Карта Сайта