К началу документа
Epica
На предыдущую страницу На следующую страницу
Главная страница GMDE Загрузить нединамическое оглавление Загрузить динамическое оглавление Помощь



24. КОНТРОЛЛЕР АВТОМОБИЛЯ

1) ЦЕПЬ ПОСЛЕДОВАТЕЛЬНОЙ ПЕРЕДАЧИ ДАННЫХ И ДИАГНОСТИКИ

1-1) ЦЕПЬ ДИАГНОСТИЧЕСКОГО РАЗЪЕМА

L9B15020.png
Показать иллюстрациюПеревод текста в иллюстрациях


а. ИНФОРМАЦИЯ О РАЗЪЁМЕ

№ РАЗЪЁМА
(№ И ЦВЕТ КОНТАКТА)
СОЕДИНИТЕЛЬНЫЙ ЖГУТ ПРОВОДОВ ПОЛОЖЕНИЕ РАЗЪЁМА
С102 (контакт 68, серый) Двигатель - блок предохранителей в моторном отсеке Блок предохранителей в моторном отсеке
С103 (контакт 68, белый) Кузов - блок предохранителей в моторном отсеке Блок предохранителей в моторном отсеке
С201 (контакт 76, черный) Приборная панель - блок предохранителей на приборной панели БЛОК ПРЕДОХРАНИТЕЛЕЙ НА ПРИБОРНОЙ ПАНЕЛИ
С202 (контакт 23, белый) Приборная панель - кузов Коробка разъемов внизу левой передней стойки
C205 (контакт 23, белый) Приборная панель - кузов Коробка разъемов внизу левой передней стойки
C208 (контакт 16, белый) Подушка безопасности - приборная панель За аудиосистемой в центре приборной панели
C214 (контакт 23, белый) Приборная панель - кузов Коробка разъемов внизу правой передней стойки
G202 Приборная панель Левая нижняя часть центрального молдинга приборной панели

б. УСЛОВНОЕ ОБОЗНАЧЕНИЕ & И НАХОЖДЕНИЕ НОМЕРА КОНТАКТА

L8B1P021.png
Показать иллюстрациюПеревод текста в иллюстрациях


в. РАСПОЛОЖЕНИЕ РАЗЪЁМОВ И СОЕДИНЕНИЙ МАССЫ

L8B12104.png
Показать иллюстрациюПеревод текста в иллюстрациях


L7B12004.png
Показать иллюстрациюПеревод текста в иллюстрациях


L7B12018.png
Показать иллюстрациюПеревод текста в иллюстрациях


1-2) ЦЕПЬ ПОСЛЕДОВАТЕЛЬНОЙ ПЕРЕДАЧИ ДАННЫХ С МКП

L9B15021.png
Показать иллюстрациюПеревод текста в иллюстрациях


а. ИНФОРМАЦИЯ О РАЗЪЁМЕ

№ РАЗЪЁМА
(№ И ЦВЕТ КОНТАКТА)
СОЕДИНИТЕЛЬНЫЙ ЖГУТ ПРОВОДОВ ПОЛОЖЕНИЕ РАЗЪЁМА
C214 (контакт 23, белый) Приборная панель - кузов Коробка разъемов внизу правой передней стойки
C216 (контакт 20, белый) Двигатель - приборная панель Возле коробки разъемов внизу правой передней стойки

б. УСЛОВНОЕ ОБОЗНАЧЕНИЕ & И НАХОЖДЕНИЕ НОМЕРА КОНТАКТА

L8B1P022.png
Показать иллюстрациюПеревод текста в иллюстрациях


в. РАСПОЛОЖЕНИЕ РАЗЪЁМОВ И СОЕДИНЕНИЙ МАССЫ

L8B12104.png
Показать иллюстрациюПеревод текста в иллюстрациях


L7B12004.png
Показать иллюстрациюПеревод текста в иллюстрациях


1-3) ЦЕПЬ ПОСЛЕДОВАТЕЛЬНОЙ ПЕРЕДАЧИ ДАННЫХ С АКП

L9B15022.png
Показать иллюстрациюПеревод текста в иллюстрациях


а. ИНФОРМАЦИЯ О РАЗЪЁМЕ

№ РАЗЪЁМА
(№ И ЦВЕТ КОНТАКТА)
СОЕДИНИТЕЛЬНЫЙ ЖГУТ ПРОВОДОВ ПОЛОЖЕНИЕ РАЗЪЁМА
C214 (контакт 23, белый) Приборная панель - кузов Коробка разъемов внизу правой передней стойки
C216 (контакт 20, белый) Двигатель - приборная панель Возле коробки разъемов внизу правой передней стойки

б. УСЛОВНОЕ ОБОЗНАЧЕНИЕ & И НАХОЖДЕНИЕ НОМЕРА КОНТАКТА

L8B1P023.png
Показать иллюстрациюПеревод текста в иллюстрациях


в. РАСПОЛОЖЕНИЕ РАЗЪЁМОВ И СОЕДИНЕНИЙ МАССЫ

L8B12104.png
Показать иллюстрациюПеревод текста в иллюстрациях


L7B12004.png
Показать иллюстрациюПеревод текста в иллюстрациях


L8B12101.png
Показать иллюстрациюПеревод текста в иллюстрациях


2) БЛОК ПЕРЕКЛЮЧАТЕЛЕЙ СО ВСТРОЕННОЙ ЛОГИКОЙ (isu)

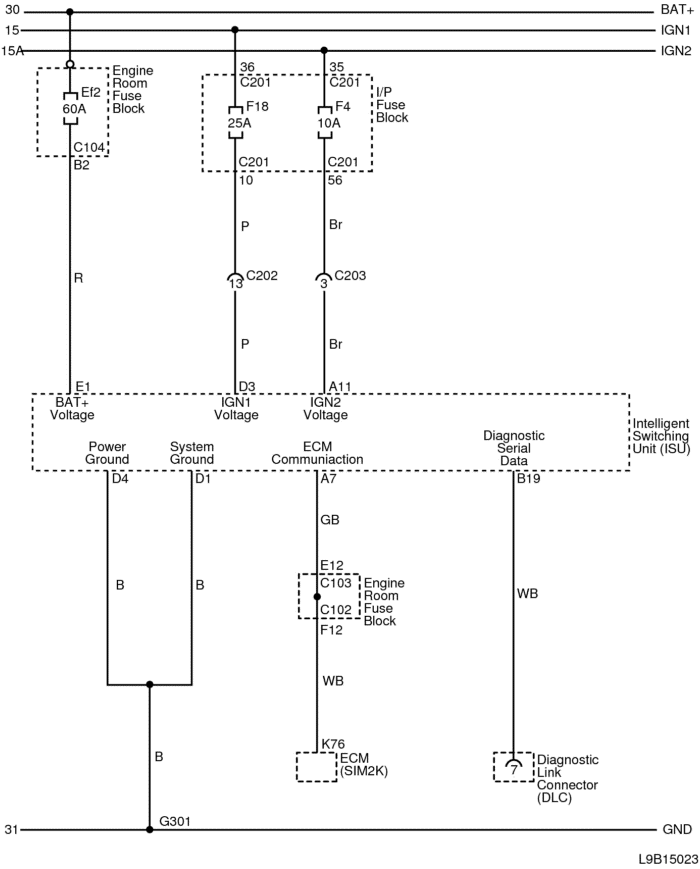
2-1) ЦЕПЬ ЭЛЕКТРОПИТАНИЯ, МАССЫ И ДИАГНОСТИКИ

L9B15023.png
Показать иллюстрациюПеревод текста в иллюстрациях


а. ИНФОРМАЦИЯ О РАЗЪЁМЕ

№ РАЗЪЁМА
(№ И ЦВЕТ КОНТАКТА)
СОЕДИНИТЕЛЬНЫЙ ЖГУТ ПРОВОДОВ ПОЛОЖЕНИЕ РАЗЪЁМА
С102 (контакт 68, серый) Двигатель - блок предохранителей в моторном отсеке Блок предохранителей в моторном отсеке
С103 (контакт 68, белый) Кузов - блок предохранителей в моторном отсеке Блок предохранителей в моторном отсеке
С104 (контакт 8, серый) Кузов - блок предохранителей в моторном отсеке Блок предохранителей в моторном отсеке
С201 (контакт 76, черный) Приборная панель - блок предохранителей на приборной панели БЛОК ПРЕДОХРАНИТЕЛЕЙ НА ПРИБОРНОЙ ПАНЕЛИ
С202 (контакт 23, белый) Приборная панель - кузов Коробка разъемов внизу левой передней стойки
С203 (контакт 16, желтый) Приборная панель - кузов Коробка разъемов внизу левой передней стойки
G301 Кузов На левой поперечине передней панели пола

б. УСЛОВНОЕ ОБОЗНАЧЕНИЕ & И НАХОЖДЕНИЕ НОМЕРА КОНТАКТА

L8B1P024.png
Показать иллюстрациюПеревод текста в иллюстрациях


в. РАСПОЛОЖЕНИЕ РАЗЪЁМОВ И СОЕДИНЕНИЙ МАССЫ

L8B12104.png
Показать иллюстрациюПеревод текста в иллюстрациях


L7B12009.png
Показать иллюстрациюПеревод текста в иллюстрациях


2-2) ЦЕПЬ ОБОГРЕВА СТЕКОЛ И osrvm, УКАЗАТЕЛЕЙ ПОВОРОТА И ЛАМПЫ АВАРИЙНОЙ СИГНАЛИЗАЦИИ, ЗАПИРАНИЯ ДВЕРЕЙ И ЗВУКОВОГО ПРЕДУПРЕЖДЕНИЯ

L7B15080.png
Показать иллюстрациюПеревод текста в иллюстрациях


б. УСЛОВНОЕ ОБОЗНАЧЕНИЕ & И НАХОЖДЕНИЕ НОМЕРА КОНТАКТА

L7B1P079.png
Показать иллюстрациюПеревод текста в иллюстрациях


в. РАСПОЛОЖЕНИЕ РАЗЪЁМОВ И СОЕДИНЕНИЙ МАССЫ

L8B12104.png
Показать иллюстрациюПеревод текста в иллюстрациях


L7B12009.png
Показать иллюстрациюПеревод текста в иллюстрациях


2-3) ЦЕПЬ ЭЛЕКТРИЧЕСКИХ СТЕКЛОПОДЪЕМНИКОВ, ОТКРЫТИЯ БАГАЖНИКА, СТЕКЛООЧИСТИТЕЛЕЙ/СТЕКЛООМЫВАТЕЛЕЙ И ПРОТИВОУГОННОЙ СИСТЕМЫ

L9B15024.png
Показать иллюстрациюПеревод текста в иллюстрациях


б. УСЛОВНОЕ ОБОЗНАЧЕНИЕ & И НАХОЖДЕНИЕ НОМЕРА КОНТАКТА

L7B1P079.png
Показать иллюстрациюПеревод текста в иллюстрациях


в. РАСПОЛОЖЕНИЕ РАЗЪЁМОВ И СОЕДИНЕНИЙ МАССЫ

L8B12104.png
Показать иллюстрациюПеревод текста в иллюстрациях


L7B12009.png
Показать иллюстрациюПеревод текста в иллюстрациях


3) КОНТРОЛЛЕР ОСВЕЩЕНИЯ (lcm)

3-1) ЦЕПЬ ЭЛЕКТРОПИТАНИЯ, МАССЫ И УПРАВЛЕНИЯ БЛОКИРОВКОЙ ПЕРЕКЛЮЧЕНИЯ

L9B15349.png
Показать иллюстрациюПеревод текста в иллюстрациях


а. ИНФОРМАЦИЯ О РАЗЪЁМЕ

№ РАЗЪЁМА
(№ И ЦВЕТ КОНТАКТА)
СОЕДИНИТЕЛЬНЫЙ ЖГУТ ПРОВОДОВ ПОЛОЖЕНИЕ РАЗЪЁМА
С103 (контакт 68, белый) Кузов - блок предохранителей в моторном отсеке Блок предохранителей в моторном отсеке
С201 (контакт 76, черный) Приборная панель - блок предохранителей на приборной панели БЛОК ПРЕДОХРАНИТЕЛЕЙ НА ПРИБОРНОЙ ПАНЕЛИ
С202 (контакт 23, белый) Приборная панель - кузов Коробка разъемов внизу левой передней стойки
G202 Приборная панель Левая нижняя часть центрального молдинга приборной панели

б. УСЛОВНОЕ ОБОЗНАЧЕНИЕ & И НАХОЖДЕНИЕ НОМЕРА КОНТАКТА

L7B1P080.png
Показать иллюстрациюПеревод текста в иллюстрациях


в. РАСПОЛОЖЕНИЕ РАЗЪЁМОВ И СОЕДИНЕНИЙ МАССЫ

L8B12104.png
Показать иллюстрациюПеревод текста в иллюстрациях


L7B12009.png
Показать иллюстрациюПеревод текста в иллюстрациях


3-2) ЦЕПЬ СИСТЕМЫ СБЕРЕЖЕНИЯ ЗАРЯДА АККУМУЛЯТОРНОЙ БАТАРЕИ, ФАР И ПРОТИВОТУМАННЫХ ФАР И ФОНАРЕЙ

L7B15083.png
Показать иллюстрациюПеревод текста в иллюстрациях


б. УСЛОВНОЕ ОБОЗНАЧЕНИЕ & И НАХОЖДЕНИЕ НОМЕРА КОНТАКТА

L7B1P080.png
Показать иллюстрациюПеревод текста в иллюстрациях


в. РАСПОЛОЖЕНИЕ РАЗЪЁМОВ И СОЕДИНЕНИЙ МАССЫ

L8B12104.png
Показать иллюстрациюПеревод текста в иллюстрациях


3-3) ЦЕПЬ НАРУЖНЫХ ЗЕРКАЛ ЗАДНЕГО ВИДА (osrvm) И ПОДСВЕТКИ САЛОНА

L7B15084.png
Показать иллюстрациюПеревод текста в иллюстрациях


б. УСЛОВНОЕ ОБОЗНАЧЕНИЕ & И НАХОЖДЕНИЕ НОМЕРА КОНТАКТА

L7B1P080.png
Показать иллюстрациюПеревод текста в иллюстрациях


в. РАСПОЛОЖЕНИЕ РАЗЪЁМОВ И СОЕДИНЕНИЙ МАССЫ

L8B12104.png
Показать иллюстрациюПеревод текста в иллюстрациях


На предыдущую страницу На следующую страницу


https://vnx.su/ 🛠 Руководства по ремонту и эксплуатации для автомобилей

Поиск по сайту

Остались вопросы или пожелания? Пишите на почту: support@vnx.su

Карта Сайта