К началу документа
Aveo
На предыдущую страницу На следующую страницу
Главная страница GMDE Загрузить нединамическое оглавление Загрузить динамическое оглавление Помощь

РАЗДЕЛ 9F

АУДИОСИСТЕМЫ

Внимание! Отсоедините провод от отрицательного вывода аккумулятора, прежде чем снимать или устанавливать какие-либо электрические устройства, а также в ситуации, когда есть возможность касания оголенных электрических контактов каким-либо инструментом или приспособлением. Отсоединение этого провода позволяет избежать травм и повреждения оборудования автомобиля. Кроме того, если не указано иное, зажигание должно находиться в положении LOCK.

ТЕХНИЧЕСКИЕ ХАРАКТЕРИСТИКИ

Моменты затяжки резьбовых соединений

ПРОГРАММА
Н•м
фунт-фут
фунт-дюйм
Винты аудиосистемы
6
-
53
Винты переднего динамика
3.5
-
31
Винты задних динамиков
3
-
27
Крепежный винт антенны на заднем стекле
3
-
27

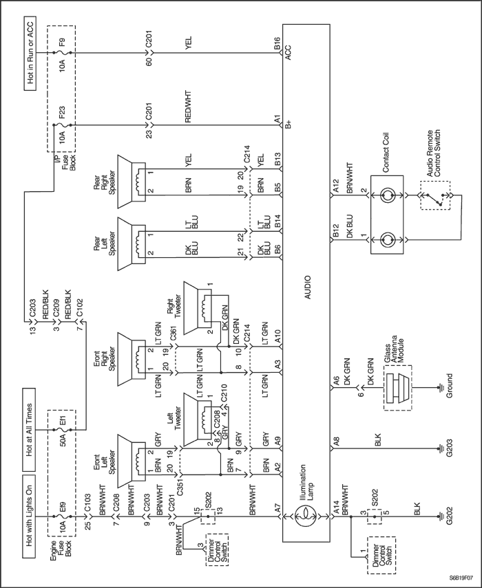
ПРИНЦИПИАЛЬНЫЕ И МОНТАЖНЫЕ СХЕМЫ

Цепь аудиосистемы


S6B19F07
Показать иллюстрациюПеревод текста в иллюстрациях


ДИАГНОСТИКА

Стереомагнитола с приемником am/fm

Проигрыватель компакт-дисков не работает, радио am/fm исправно

Шаг Операция Значения Да Нет
1
Используя высококачественный компакт-диск, проверить, работает ли проигрыватель компакт-дисков плохо или не работает вообще.
Правильно ли работает проигрыватель компакт-дисков?
-
Перейдите на Шаг 2
Перейдите на Шаг 3
2
Известить клиента о том, что проблема заключается в компакт-диске, а не в проигрывателе.
Был ли извещен клиент?
-
Система в норме
-
3
Проверить проигрыватель компакт-дисков на наличие препятствий за дверцей диска.
Найдено ли препятствие?
-
Перейдите на Шаг 4
Перейдите на Шаг 6
4
Проверить, можно ли удалить препятствие.
Можно ли удалить препятствие?
-
Перейдите на Шаг 5
Перейдите на Шаг 6
5
Удалить препятствие.
Ремонт закончен?
-
Система в норме
-
6
Заменить проигрыватель компакт-дисков.
Ремонт закончен?
-
Система в норме
-

Стереомагнитола с приемником am/fm не работает

Шаг Операция Значения Да Нет
1
Проверить предохранители f21 и f9.
Перегорели ли предохранители f21 и f9?
-
Перейдите на Шаг 2
Перейдите на Шаг 3
2
  1. Проверьте на предмет короткого замыкания и при необходимости устраните его.
  2. Заменить перегоревшие предохранители.
Ремонт закончен?
-
Система в норме
-
3
  1. С помощью вольтметра проверить подаваемое батареей напряжение на предохранителе f21.
  2. Перевести выключатель зажигания в положение on и проверить подаваемое батареей напряжение на предохранителе f9.
Соответствует ли подаваемое батареей напряжение на предохранителях f21 и f9 указанному значению?
11-14 В
Перейдите на Шаг 5
Перейдите на Шаг 4
4
Восстановить цепь подачи электропитания на предохранители.
Ремонт закончен?
-
Система в норме
-
5
  1. Снять магнитолу.
  2. Установите зажигание в положение on.
  3. С помощью вольтметра проверить подаваемое батареей напряжение на выводы А1 и А7 разъема аудиосистемы.
Соответствует ли подаваемое батареей напряжение на обоих выводах указанному значению?
11-14 В
Перейдите на Шаг 7
Перейдите на Шаг 6
6
Устранить разрыв цепи между разъемом аудиосистемы и предохранителем.
Ремонт закончен?
-
Система в норме
-
7
С помощью омметра проверить цепь массы на выводе a8 разъема аудиосистемы.
Соответствует ли сопротивление указанному значению?
≈ 0 Ом
Перейдите на Шаг 9
Перейдите на Шаг 8
8
Устранить разрыв цепи между разъемом аудиосистемы и массой g202.
Ремонт закончен?
-
Система в норме
-
9
Заменить магнитолу.
Ремонт закончен?
-
Система в норме
-

Магнитофон не работает, приемник am/fm исправен

Шаг Операция Значения Да Нет
1
Проверить жалобу клиента.
Портит ли магнитофон кассеты?
-
Перейдите на Шаг 5
Перейдите на Шаг 2
2
Используя высококачественную кассету, проверить, работает ли магнитофон плохо или не работает вообще.
Работает ли магнитофон плохо?
-
Перейдите на Шаг 5
Перейдите на Шаг 3
3
Проверить магнитофон на наличие препятствий за дверцей кассеты.
Найдено ли препятствие?
-
Перейдите на Шаг 4
Перейдите на Шаг 8
4
Проверить, можно ли удалить препятствие, не прилагая большого усилия.
Удалено ли препятствие?
-
Перейдите на Шаг 5
Перейдите на Шаг 6
5
Очистить головку, тонвал и протяжный механизм магнитофона.
Правильно ли воспроизводится кассета?
-
Перейдите на Шаг 7
Перейдите на Шаг 6
6
Заменить магнитолу.
Ремонт закончен?
-
Система в норме
-
7
Проверить нормальную работу магнитофона.
Ремонт закончен?
-
Система в норме
-
8
Сообщить владельцу о неисправной или изношенной кассете.
Ремонт закончен?
-
Система в норме
-

Радиоприемник в диапазоне am не работает, в диапазоне fm работает, магнитофон работает исправно

Шаг Операция Значения Да Нет
1
Проверить нормальную работу аудиосистемы.
Радиоприемник в диапазоне am не работает, а остальная система работает нормально?
-
Перейдите на Шаг 2
Система в норме
2
Заменить радиоприемник.
Ремонт закончен?
-
Система в норме
-

Радиоприемник в диапазоне fm не работает, в диапазоне am работает, магнитофон работает исправно

Шаг Операция Значения Да Нет
1
  1. Отсоединить антенный кабель от антенны.
  2. Подсоединить проверочную антенну к антенному кабелю.
  3. Проверить радиоприем в диапазоне fm.
Нормально ли работает радиоприемник в диапазоне fm?
-
Перейдите на Шаг 2
Перейдите на Шаг 3
2
Заменить антенну.
Ремонт закончен?
-
Система в норме
-
3
  1. Извлечь магнитолу из панели приборов.
  2. Отсоединить антенный кабель от аудиосистемы.
  3. Подключить проверочный кабель к аудиосистеме.
  4. Проверить радиоприем в диапазоне fm.
Нормально ли работает радиоприемник в диапазоне fm?
-
Перейдите на Шаг 4
Перейдите на Шаг 5
4
Заменить антенный кабель между аудиосистемой и антенной.
Ремонт закончен?
-
Система в норме
-
5
Заменить магнитолу.
Ремонт закончен?
-
Система в норме
-

Динамики

Передние динамики не работают или искажают звук, остальная аудиосистема исправна

Шаг Операция Значения Да Нет
1
  1. Перевести выключатель зажигания в положение on и включить радиоприемник.
  2. Обнаружить искажающие звук или неработающие передние динамики с помощью регуляторов уровня сигнала и баланса при подаче звука из всех источников (радио в диапазонах am, fm, магнитофон, проигрыватель компакт-дисков).
Искажают ли звук передние динамики?
-
Перейдите на Шаг 2
Перейдите на Шаг 4
2
Проверить динамик и дверь на наличие повреждений, дребезжания и вибрации.
Вызвано ли искажение тем, что что-либо ослабло или оказалось рядом с динамиком?
-
Перейдите на Шаг 3
Перейдите на Шаг 4
3
Выполнить необходимый ремонт и закрепить компонент, вызвавший вибрацию.
Ремонт закончен?
-
Система в норме
-
4
  1. Снять передние динамики и отсоединить разъем динамиков.
  2. С помощью омметра проверить провода динамиков на короткое замыкание на массу.
Показывает ли омметр указанное значение?
Перейдите на Шаг 6
Перейдите на Шаг 5
5
Устранить короткое замыкание между разъемом передних динамиков и разъемом магнитолы.
Ремонт закончен?
-
Система в норме
-
6
Заменить динамик, вызывающий искажение, заведомо исправным динамиком.
Устранено ли искажение?
-
Перейдите на Шаг 7
Перейдите на Шаг 8
7
Заменить динамик.
Ремонт закончен?
-
Система в норме
-
8
Заменить магнитолу.
Ремонт закончен?
-
Система в норме
-

Задние динамики искажают звук или не работают, остальная аудиосистема работает исправно

Шаг Операция Значения Да Нет
1
  1. Перевести выключатель зажигания в положение on и включить радиоприемник.
  2. Обнаружить искажающие звук или неработающие задние динамики с помощью регуляторов уровня сигнала и баланса при подаче звука из всех источников (радио в диапазонах am, fm, магнитофон, проигрыватель компакт-дисков).
Искажают ли звук задние динамики?
-
Перейдите на Шаг 2
Перейдите на Шаг 4
2
Проверить динамики, заднюю полку и багажник на наличие повреждений, дребезжания и вибрации.
Вызвано ли искажение тем, что что-либо ослабло или оказалось рядом с динамиком?
-
Перейдите на Шаг 3
Перейдите на Шаг 4
3
Выполнить необходимый ремонт и закрепить компонент, вызвавший вибрацию.
Ремонт закончен?
-
Система в норме
-
4
  1. Отсоединить задние динамики.
  2. С помощью омметра проверить провода динамиков на короткое замыкание на массу.
Показывает ли омметр указанное значение?
Перейдите на Шаг 6
Перейдите на Шаг 5
5
Устранить короткое замыкание между разъемом задних динамиков и разъемом магнитолы.
Ремонт закончен?
-
Система в норме
-
6
Заменить динамик, вызывающий искажение, заведомо исправным динамиком.
Устранено ли искажение?
-
Перейдите на Шаг 7
Перейдите на Шаг 8
7
Заменить динамик.
Ремонт закончен?
-
Система в норме
-
8
Заменить аудиосистему.
Ремонт закончен?
-
Система в норме
-

ТЕХНИЧЕСКОЕ ОБСЛУЖИВАНИЕ И РЕМОНТ

ТЕХНИЧЕСКОЕ ОБСЛУЖИВАНИЕ БЕЗ ДЕМОНТАЖА С АВТОМОБИЛЯ



S6B19F01
Показать иллюстрациюПеревод текста в иллюстрациях


Аудиосистема

Процедура снятия

  1. Отсоедините провод от отрицательного вывода аккумуляторной батареи.
  2. Снять декоративный молдинг аудиосистемы.
  3. Снять винты и аудиосистему.
  4. Отсоединить электрический разъем аудиосистемы и антенный кабель.


S6B19F02
Показать иллюстрациюПеревод текста в иллюстрациях


Процедура установки

  1. Присоединить электрический разъем аудиосистемы и антенный кабель.
  2. Установить аудиосистему с помощью винтов.
  3. Затянуть
    Затянуть винты аудиосистемы с усилием 6 Н•м (53 фунт-дюйм).

  4. Установить декоративный молдинг аудиосистемы.
  5. Присоедините провод к отрицательному выводу аккумуляторной батареи.
  6. Ввести четырехзначный код системы безопасности аудиосистемы. См. «Система безопасности аудиосистемы» в этом разделе.


T3B19F03
Показать иллюстрациюПеревод текста в иллюстрациях


Передние динамики

Процедура снятия

  1. Отсоедините провод от отрицательного вывода аккумуляторной батареи.
  2. Снять панель обивки передней двери. См. Раздел 9G, Облицовка салона.
  3. Снять винты и передний динамик.
  4. Отсоединить электрический разъем.


T3B19F03
Показать иллюстрациюПеревод текста в иллюстрациях


Процедура установки

  1. Подсоединить электрический разъем.
  2. Установить передний динамика с помощью винтов.
  3. Затянуть
    Затянуть винты переднего динамика с усилием 3,5 Н•м (31 фунт-дюйм).

  4. Установить панель обивки передней двери. См. Раздел 9G, Облицовка салона.
  5. Присоедините провод к отрицательному выводу аккумуляторной батареи.


S6B19F03
Показать иллюстрациюПеревод текста в иллюстрациях


Задние динамики

Процедура снятия

  1. Отсоедините провод от отрицательного вывода аккумуляторной батареи.
  2. Снять крышку отделки пластины порога задней торцевой двери. См. Раздел 9G, Облицовка салона.
  3. Отсоединить электрический разъем.


  4. S6B19F04
    Показать иллюстрациюПеревод текста в иллюстрациях


  5. Снять винты и задние динамики.


S6B19F04
Показать иллюстрациюПеревод текста в иллюстрациях


Процедура установки

  1. Установить задние динамики с помощью винтов.
  2. Затянуть
    Затянуть винты задних динамиков с усилием 3 Н•м (27 фунт-дюйм).



    S6B19F03
    Показать иллюстрациюПеревод текста в иллюстрациях


  3. Подсоединить электрический разъем.
  4. Установить спинку и подушку заднего сиденья. См. Раздел 9H, Сиденья.
  5. Присоедините провод к отрицательному выводу аккумуляторной батареи.


S6B19G13
Показать иллюстрациюПеревод текста в иллюстрациях


Модуль антенны на заднем стекле

Процедура снятия

  1. Отсоедините провод от отрицательного вывода аккумуляторной батареи.
  2. Снять панель обивки задней стойки. См. Раздел 9G, Облицовка салона.
  3. Отсоединить электрический разъем.
  4. Снять винты и модуль оконной антенны.


S6B19F05
Показать иллюстрациюПеревод текста в иллюстрациях


Процедура установки

  1. Установить модуль оконной антенны с помощью винтов.
  2. Подсоединить электрические разъемы.
  3. Установить панель обивки задней стойки. См. Раздел 9G, Облицовка салона.
  4. Присоедините провод к отрицательному выводу аккумуляторной батареи.
  5. Затянуть
    Затянуть винты модуля оконной антенны с моментом 2,5-3,5 Н•м (22-31 фунт-дюйм).



T3B19F08
Показать иллюстрациюПеревод текста в иллюстрациях


Высокочастотные динамики

Процедура снятия

  1. Отсоедините провод от отрицательного вывода аккумуляторной батареи.
  2. Поддеть и снять панель обивки передней стойки.
  3. Отсоединить электрический разъем.
  4. Снять высокочастотный динамик.


T3B19F08
Показать иллюстрациюПеревод текста в иллюстрациях


Процедура установки

  1. Установить высокочастотный динамик.
  2. Подсоединить электрический разъем.
  3. Установить панель обивки передней стойки.
  4. Присоедините провод к отрицательному выводу аккумуляторной батареи.


S6B19F06
Показать иллюстрациюПеревод текста в иллюстрациях


Пульт дистанционного управления аудиосистемой

Процедура снятия

  1. Отсоедините провод от отрицательного вывода аккумуляторной батареи.
  2. Отсоедините провод от отрицательного вывода аккумуляторной батареи.
  3. Снять винты и пульт дистанционного управления аудиосистемой.


S6B19F06
Показать иллюстрациюПеревод текста в иллюстрациях


Процедура установки

  1. Установить пульт дистанционного управления аудиосистемой с помощью винтов.
  2. Установить пульт дистанционного управления аудиосистемой с помощью винтов.
  3. Присоедините провод к отрицательному выводу аккумуляторной батареи.

ОБЩЕЕ ОПИСАНИЕ И РАБОТА СИСТЕМЫ

Стереомагнитола с приемником am/fm

Стереомагнитола с приемником AM/FM входят в стандартную комплектацию, а проигрыватель компакт-дисков предлагается в качестве оборудования по отдельному заказу. Во всех аудиосистемах используются четыре динамика: два динамика крепятся в передних дверях, и два динамика крепятся за задними сиденьями.

Система безопасности аудиосистемы - только общая

Система безопасности аудиосистемы активизируется при отсоединении цепи аудиосистемы от аккумуляторной батареи. Для возобновления функционирования аудиосистемы необходимо ввести четырехзначный защитный код. Защитный код выбит на табличке, прикрепленной на автомобиль (обычно в вещевом ящике). Для деактивизации системы безопасности аудиосистемы необходимо выполнить перечисленные ниже действия по вводу защитного кода.
  1. Поставив переключатель зажигания в положение acc, включить радио. При этом на дисплее радио отображается "CODE", и одновременно раздается звуковая сигнализация.
  2. С помощью кнопок 1-6 предварительной установки радио, (или 1-8, если имеются), ввести четырехзначное защитное число.
  3. После ввода всех четырех знаков они мигают три раза, и радио начинает функционировать.

Неправильный код:

Если вводится неправильный код, то на дисплее кратко появляется "ERR". После этого появляется "CODE", и можно произвести процедуру ввода кода еще раз. Если не ввести правильный код в течение 10 минут, то для сброса аудиосистемы требуется отсоединить радио от батареи. После подсоединения батареи повторить процедуру ввода кода.

Модуль антенны на заднем стекле

Модуль антенны на заднем стекле расположен на задней стойке, на нем нет штыря антенны.

Передний и задний динамики

Во всех аудиосистемах используются четыре динамика: в нотчбэк два динамика крепятся в передних дверях, и два динамика крепятся в пластине порога задней торцевой двери. Что касается кузова хэтчбэк, то задние динамики крепятся в панели обивки колесной арки в багажнике. В качестве варианта предлагается коаксиальный двусторонний задний динамик.

Уход за магнитофоном и кассетами

Очищать следует две части магнитофона: головку и тонвал. Эту операцию следует производить каждые 100 часов работы магнитофона.
Чтобы очистить головку и тонвал, использовать ватный тампон, смоченный спиртом для протирки.
Для очистки головки и тонвала также можно использовать чистящую кассету. При чистке магнитофона необходимо следовать инструкциям, прилагаемым к набору для чистки.
Не прикасаться к головке намагниченными инструментами. Намагничивание головки вызовет снижение качества воспроизведения кассет. Кассеты обслуживанию не подлежат. Ответственность за гарантию на кассеты несет производитель кассет. Кассеты следует хранить вдали от прямых солнечных лучей и источников тепла.

Обращение с компакт-дисками

Обращаться с компакт-дисками следует осторожно. Хранить диски необходимо в защитных чехлах вдали от прямых солнечных лучей, пыли и источников тепла. При загрязнении поверхности диска следует смочить чистую мягкую ткань в растворе мягкого нейтрального чистящего средства и вытереть диск начисто.

Установка кода зоны - только общая

При включении кнопки питания 'Power', отображается 'AF'.
Потребитель должен выбрать код зоны согласно карте в руководстве пользователя.
При выборе неправильного кода зоны требуется переустановить разъем аудиосистемы, (или можно удалить предохранитель аудиосистемы).
Код зоны см. в руководстве пользователя аудиосистемы.


На предыдущую страницу На следующую страницу
https://vnx.su/ 🛠 Руководства по ремонту и эксплуатации для автомобилей

Поиск по сайту

Остались вопросы или пожелания? Пишите на почту: support@vnx.su

Карта Сайта