К началу документа
Aveo
На предыдущую страницу На следующую страницу
Главная страница GMDE Загрузить нединамическое оглавление Загрузить динамическое оглавление Помощь

РАЗДЕЛ 9A

СИСТЕМА ЭЛЕКТРОПРОВОДКИ КУЗОВА

Внимание! Отсоедините провод от отрицательного вывода аккумулятора, прежде чем снимать или устанавливать какие-либо электрические устройства, а также в ситуации, когда есть возможность касания оголенных электрических контактов каким-либо инструментом или приспособлением. Отсоединение этого провода позволяет избежать травм и повреждения оборудования автомобиля. Кроме того, если не указано иное, зажигание должно находиться в положении LOCK.

ПРИНЦИПИАЛЬНЫЕ И МОНТАЖНЫЕ СХЕМЫ

Схема распределения электроэнергии - нотчбэк


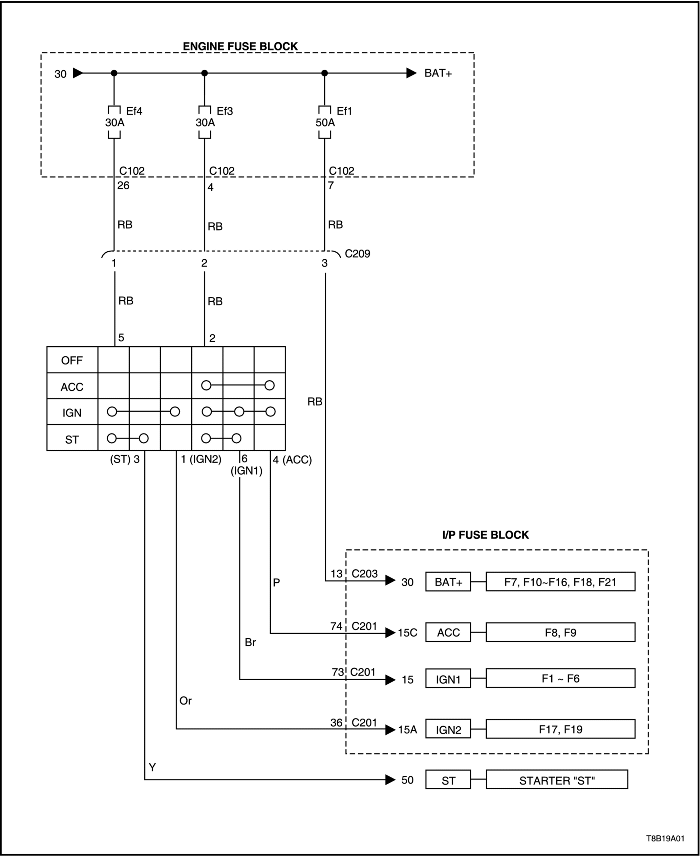
T8B19A01
Показать иллюстрациюПеревод текста в иллюстрациях



T8B19A02
Показать иллюстрациюПеревод текста в иллюстрациях



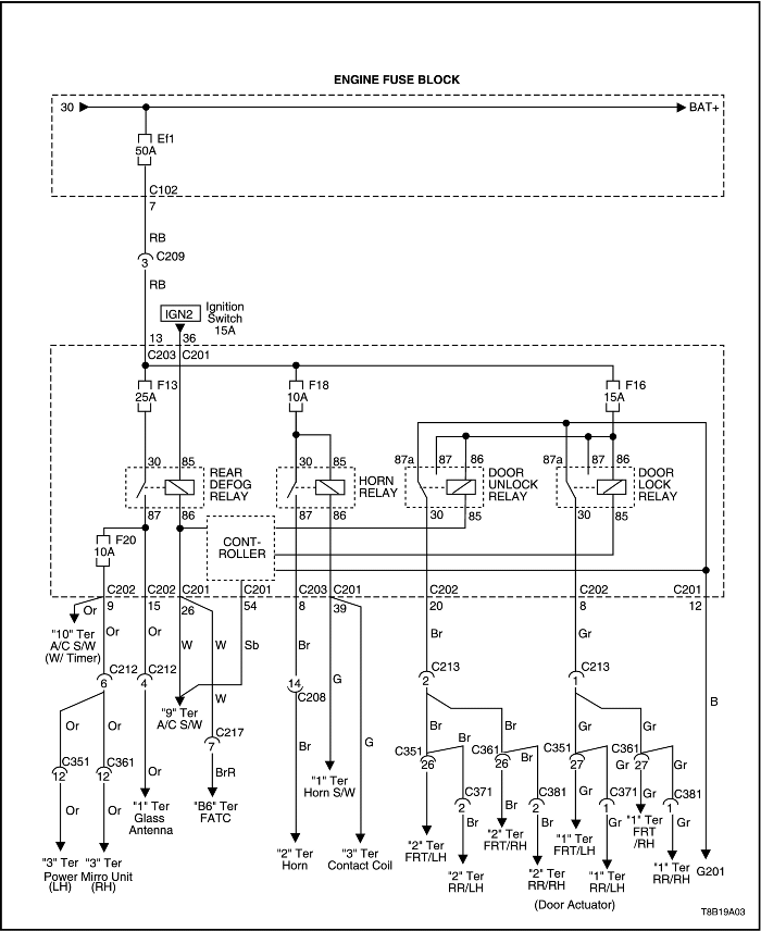
T8B19A03
Показать иллюстрациюПеревод текста в иллюстрациях



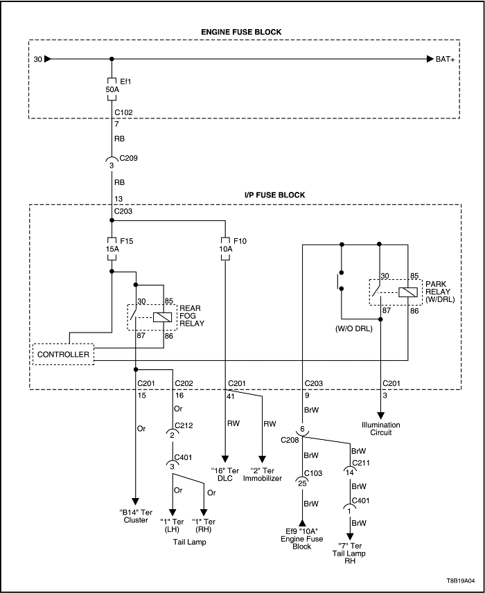
T8B19A04
Показать иллюстрациюПеревод текста в иллюстрациях



T8B19A05
Показать иллюстрациюПеревод текста в иллюстрациях



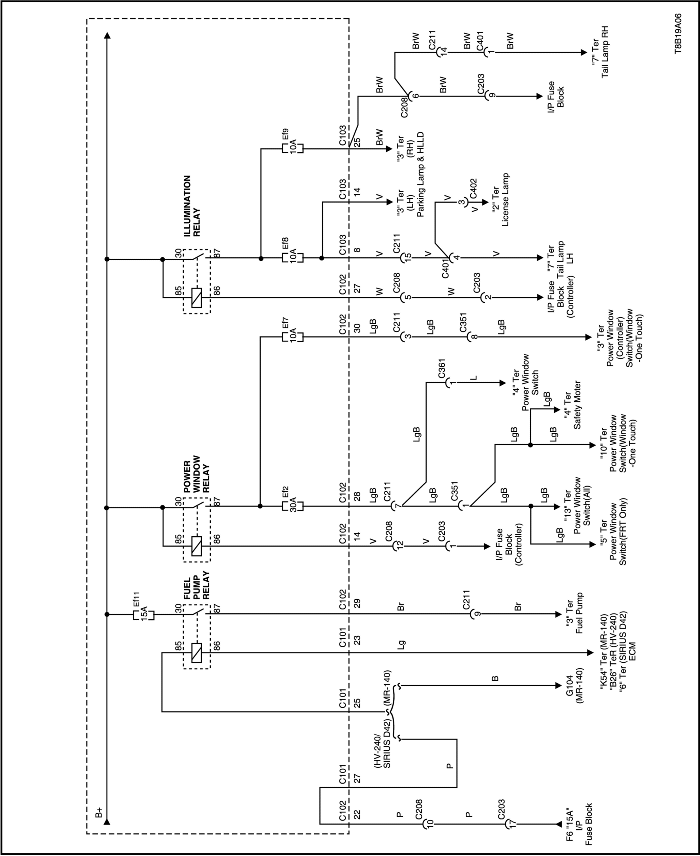
T8B19A06
Показать иллюстрациюПеревод текста в иллюстрациях



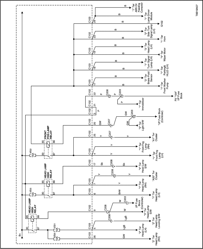
T8B19A07
Показать иллюстрациюПеревод текста в иллюстрациях


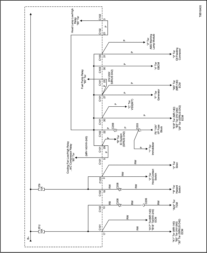
Схема распределения электроэнергии - хэтчбэк


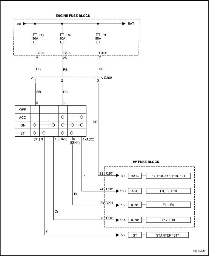
T8B19A08
Показать иллюстрациюПеревод текста в иллюстрациях



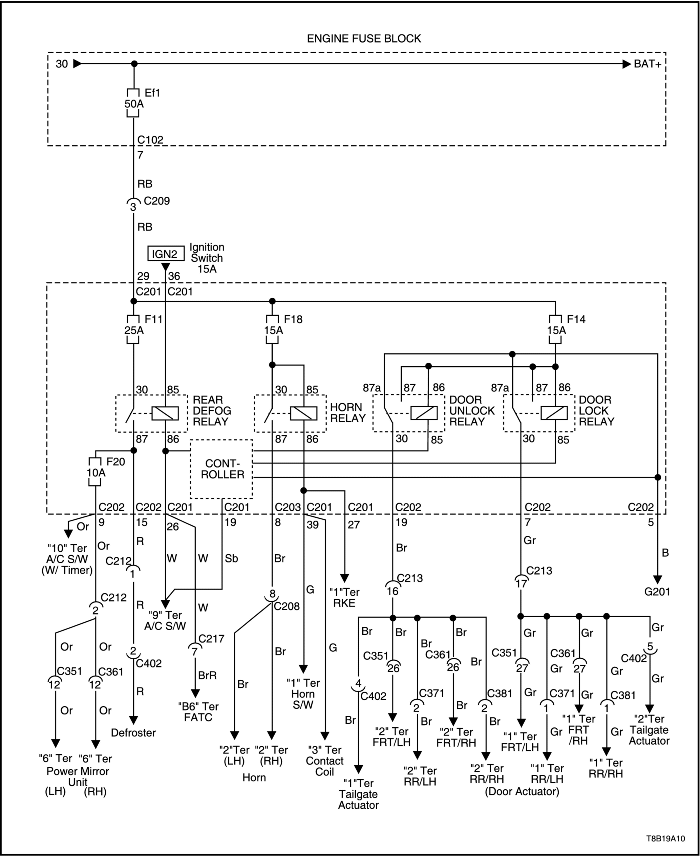
T8B19A09
Показать иллюстрациюПеревод текста в иллюстрациях



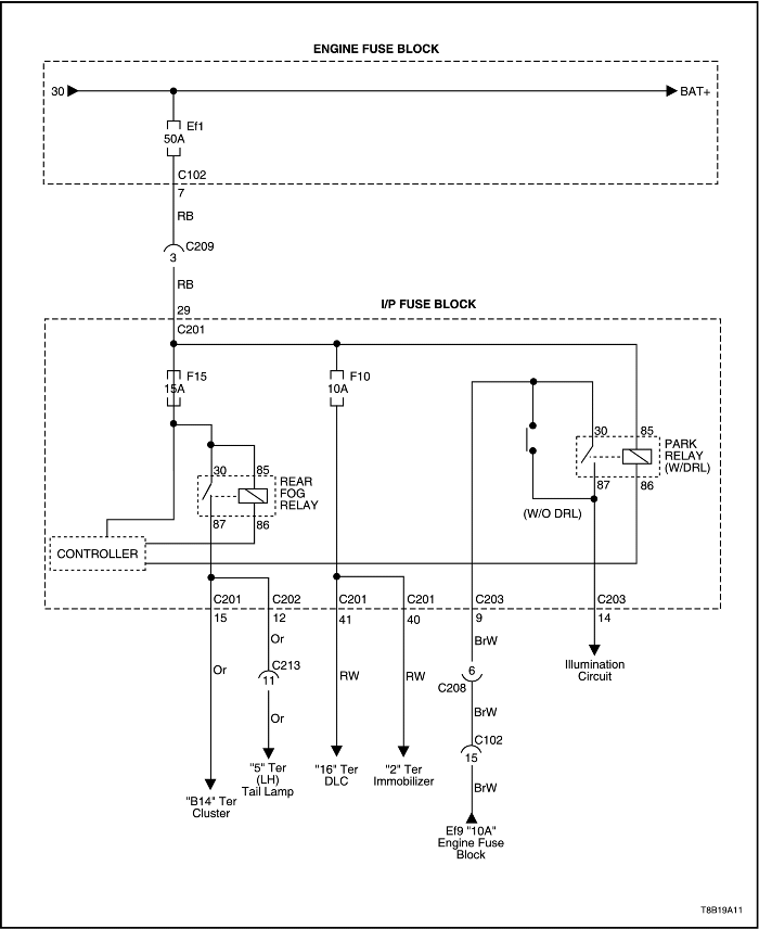
T8B19A10
Показать иллюстрациюПеревод текста в иллюстрациях



T8B19A11
Показать иллюстрациюПеревод текста в иллюстрациях



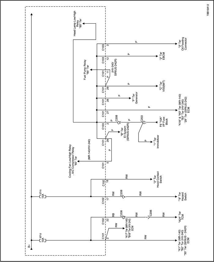
T8B19A12
Показать иллюстрациюПеревод текста в иллюстрациях



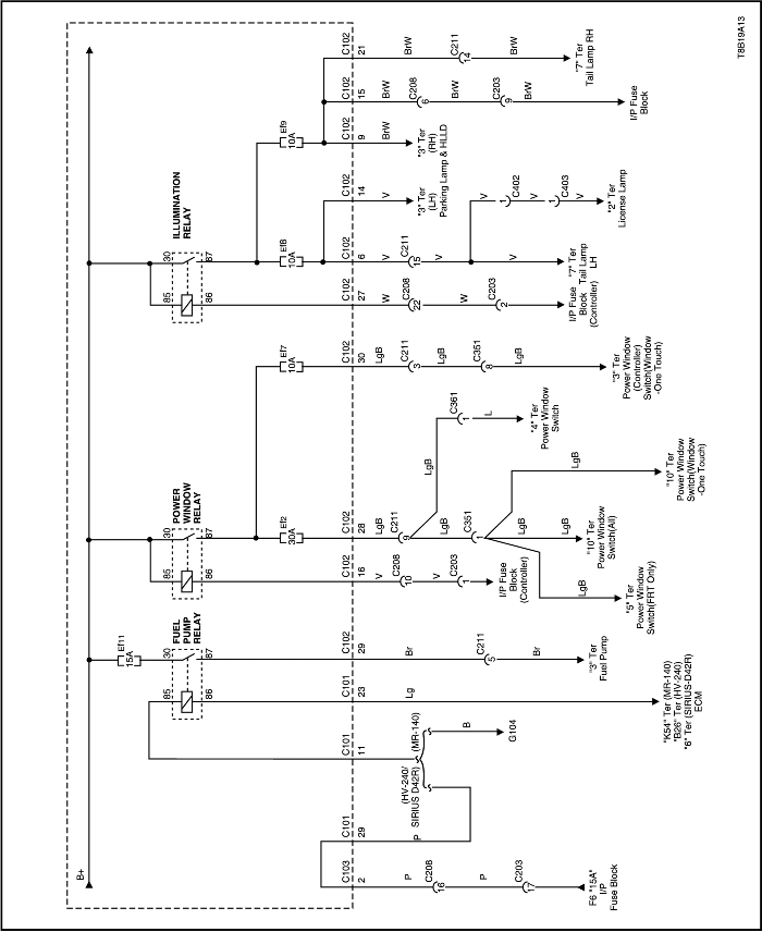
T8B19A13
Показать иллюстрациюПеревод текста в иллюстрациях



T8B19A14
Показать иллюстрациюПеревод текста в иллюстрациях


Расположение блока реле и предохранителей моторного отсека


T8B19A15
Показать иллюстрациюПеревод текста в иллюстрациях


Расположение блока предохранителей приборной панели - нотчбэк


T8B19A16
Показать иллюстрациюПеревод текста в иллюстрациях


Расположение блока предохранителей приборной панели - хэтчбэк


T8B19A17
Показать иллюстрациюПеревод текста в иллюстрациях


Таблица предохранителей

Блок предохранителей моторного отсека

Подача питания
Классификация
№ предохранителя
Номинал
Назначение
30 bat(+)
sb
ef1
50a
Блок предохранителей приборной панели (f7, f10~f16, f18, f21)
Реле электрического стеклоподъемника
(плавкий предохранитель с задержкой срабатывания)
ef2
30a
Выключатель электростеклоподъемников
30 bat(+)
.
ef3
30a
Замок зажигания
.
ef4
30a
Замок зажигания
.
ef5
50a
ebcm
.
ef6
30a
Реле высокой скорости вращения вентилятора
Реле электрического стеклоподъемника
.
ef7
10a
Выключатель электростеклоподъемников
illum. (58)
.
ef8
10a
Задний габаритный огонь (левый), освещение номерного знака, стояночный огонь и устройство регулирования положения фар (hlld) (левые)
.
ef9
10a
Задний габаритный огонь (правый), стояночный огонь и устройство регулирования положения фар (hlld) (правые), цепь подсветки
.
.
ef10
-
-
30 (bat+)
.
ef11
15a
Реле топливного насоса
.
ef12
10a
ecm, ТСМ
Главное реле
.
ef13
15a
ЭСУД, форсунка, вентилятор системы охлаждения, компрессор кондиционера
Ножевой предохранитель
ef14
15a
Клапан рециркуляции выхлопных газов (legr), датчик кислорода, клапан продувки адсорбера системы улавливания паров бензина, датчик положения распредвала
30 (bat+)
.
ef15
15a
Выключатель аварийной сигнализации, сирена, контактный выключатель капота
.
.
ef16
-
-
.
ef17
20a
Не используется
.
ef18
15a
Не используется
.
ef19
10a
Не используется
Реле фар
.
ef20
10a
Фара (правая)
.
ef21
10a
Фара (левая), выключатель корректора фар
30 (bat+)
.
ef22
15a
Реле передней противотуманной фары
.
ef23
15a
Реле включения дальнего света фар
.
ef24
20a
Реле низкой скорости вращения вентилятора
.
ef25
10a
Реле компрессора кондиционера

Блок предохранителей приборной панели - нотчбэк

Подача питания
Классификация
№ предохранителя
Номинал
Назначение
ign1(15)
.
f1
10a
sdm
.
f2
25a
Выключатель стеклоочистителей, электромотор стеклоочистителей
.
f3
10a
Тормозной выключатель, комбинация приборов, модуль противоугонной системы
.
f4
10a
Выключатель аварийной сигнализации
.
f5
10a
Выключатель стоп-сигнала
.
f6
15a
Блок предохранителей в моторном отсеке, диагностический датчик кислорода (mr-140), контроллер КПП, датчик скорости автомобиля, топливный насос
bat+ (30)
.
f7
15a
Тормозной выключатель
acc (15c)
Ножевой предохранитель
f8
15a
Прикуриватель, розетка
.
f9
10a
Аудиосистема, выключатель перчаточного ящика, часы
bat+ (30)
.
f10
10a
Диагностический разъем, иммобилизатор
.
f11
-
-
.
f12
10a
Плафон освещения багажника, переключатель открытия багажника, комбинация приборов, плафон освещения салона
.
f13
25a
Реле обогревателя заднего стекла
.
f14
20a
Модуль люка в крыше
.
f15
10a
Реле задних противотуманных фар
.
f16
15a
Реле отпирания/запирания двери
ign 2 (15a)
.
f17
10a
Переключатель парковки/нейтрали, выключатель фонаря заднего хода
bat+ (30)
.
f18
10a
Реле звукового сигнала
ign 2 (15a)
.
f19
10a
Выключатель управления зеркалом, система автоматического регулирования температуры, светильник салона, выключатель кондиционера
Реле обогревателя заднего стекла
.
f20
10a
Выключатель кондиционера, блок электропривода зеркала
bat+ (30)
.
f21
15a
Выключатель кондиционера, система автоматического регулирования температуры, часы, блок электропривода зеркала, аудиосистема, модуль противоугонной системы, выключатель напоминания о ключе, подсветка ключа

Блок предохранителей приборной панели - хэтчбэк

Подача питания
Классификация
№ предохранителя
Номинал
Назначение
ign1(15)
.
f1
10a
sdm
f2
25a
Выключатель стеклоочистителей, электромотор стеклоочистителей
.
f3
10a
Тормозной выключатель, комбинация приборов, модуль противоугонной системы
.
f4
10a
Выключатель аварийной сигнализации
.
f5
10a
Выключатель стоп-сигнала
.
f6
15a
Блок предохранителей в моторном отсеке, диагностический датчик кислорода (mr-140), контроллер КПП, датчик скорости автомобиля, топливный насос
bat+ (30)
.
f7
15a
Тормозной выключатель
acc (15c)
Ножевой предохранитель
f8
15a
Прикуриватель, розетка
.
f9
10a
Аудиосистема, выключатель перчаточного ящика, часы
bat+ (30)
.
f10
10a
Диагностический разъем, иммобилизатор
.
f11
25a
Обогрев заднего стекла
.
f12
10a
Плафон освещения багажника, переключатель открытия багажника, комбинация приборов, плафон освещения салона
.
f13
15a
Розетка
.
f14
15a
Замок двери
.
f15
10a
Реле задних противотуманных фар
.
f16
20a
Модуль люка в крыше
ign 2 (15a)
.
f17
10a
Переключатель парковки/нейтрали, выключатель фонаря заднего хода
bat+ (30)
.
f18
15a
Реле звукового сигнала
ign 2 (15a)
.
f19
10a
Выключатель управления зеркалом, система автоматического регулирования температуры, светильник салона, выключатель кондиционера
Реле обогревателя заднего стекла
.
f20
10a
Выключатель кондиционера, блок электропривода зеркала
bat+ (30)
.
f21
15a
Выключатель кондиционера, система автоматического регулирования температуры, часы, блок электропривода зеркала, аудиосистема, модуль противоугонной системы, выключатель напоминания о ключе, подсветка ключа

Прокладка переднего жгута - нотчбэк


T8B19A18
Показать иллюстрациюПеревод текста в иллюстрациях


Прокладка переднего жгута - хэтчбэк


T8B19A19
Показать иллюстрациюПеревод текста в иллюстрациях


Прокладка жгута задней проводки - нотчбэк


T8B19A20
Показать иллюстрациюПеревод текста в иллюстрациях


Прокладка жгута задней проводки - хэтчбэк


T8B19A21
Показать иллюстрациюПеревод текста в иллюстрациях


Прокладка жгута напольной проводки - нотчбэк


T8B19A22
Показать иллюстрациюПеревод текста в иллюстрациях


Прокладка жгута напольной проводки - хэтчбэк


T8B19A23
Показать иллюстрациюПеревод текста в иллюстрациях


Прокладка жгута комбинации приборов


S6B19A13
Показать иллюстрациюПеревод текста в иллюстрациях


Прокладка жгута проводов двери


T8B19A24
Показать иллюстрациюПеревод текста в иллюстрациях




На предыдущую страницу На следующую страницу
https://vnx.su/ 🛠 Руководства по ремонту и эксплуатации для автомобилей

Поиск по сайту

Остались вопросы или пожелания? Пишите на почту: support@vnx.su

Карта Сайта