К началу документа
Aveo
На предыдущую страницу На следующую страницу
Главная страница GMDE Загрузить нединамическое оглавление Загрузить динамическое оглавление Помощь

S6B18B14
Показать иллюстрациюПеревод текста в иллюстрациях


Диагностический код неисправности (dtc) b1402

Замыкание датчика боковой подушки безопасности водителя на напряжение аккумулятора или разрыв цепи

Описание схемы

При установке ключа зажигания в положение ON модуль датчиков и диагностики (SDM) выполняет начальную проверку для выявления существенных неполадок внутри самого SDM.
После этих проверок модуль измеряет напряжения в цепях зажигания и срабатывания подушек безопасности, проверяя, что они находятся в номинальных диапазонах. SDM контролирует напряжения на проводах нижнего уровня подушек водителя и пассажира, выявляя замыкание цепей срабатывания на массу или напряжение питания.

Диагностический код неисправности dtc b1402 записывается, когда

dtc b1402 - Замыкание датчика боковой подушки безопасности водителя на напряжение аккумулятора или разрыв цепи

Внимание! Модуль датчиков и диагностики (SDM) может сохранять достаточное напряжение для приведения в действие подушек безопасности и натяжителей в течение 1 минуты после выключения зажигания и удаления предохранителя. Если подушки безопасности и натяжители не отсоединены, не начинайте обслуживание, пока не пройдет одна минута после отключения питания от SDM. Несоблюдение этого требования может привести к травмам.

Внимание! В процессе обслуживания обращайтесь с модулем датчиков и диагностики (SDM) очень осторожно. Не ударяйте и не встряхивайте SDM. Никогда не подключайте питание к системе надувных подушек безопасности (SIR), если SDM не соединен жестко с автомобилем. Чтобы система надувных подушек безопасности (SIR) работала правильно, все болты крепления модуля датчиков и диагностики SDM должны быть тщательно затянуты, а стрелка на SDM должна быть направлена к передней части автомобиля. При недостаточно жестком креплении модуля SDM к автомобилю включенный модуль может сработать, что приведет к неожиданному выпуску подушек безопасности и может повлечь травму.

Шаг Операция Значения Да Нет
1
  1. Удостоверьтесь, что ключ зажигания находится в положении off.
  2. Подождите минуту, чтобы разрядить заряд блока питания модуля датчиков и диагностики (sdm).
-
Перейдите на Шаг 2
-
2
Осмотреть разъем и проводку датчика боковой подушки безопасности водителя.
Есть повреждения проводки или разъем отсоединился?
-
Перейдите на Шаг 3
Перейдите на Шаг 4
3
Подключить разъем или заменить проводку.
Проверьте систему еще раз.
-
-
-
4
  1. Удостоверьтесь, что ключ зажигания находится в положении off.
  2. Отсоединить разъем датчика боковой подушки безопасности водителя.
  3. Отключите разъем проводки модуля датчиков и диагностики (sdm).
  4. Проверьте сопротивление между выводами 70, 71 модуля sdm и выводами 2, 1 датчика боковой подушки безопасности водителя.
Сопротивление близко к 0 (нулю)?
≈ 0 Ом
Перейдите на Шаг 5
Замените проводку надувной подушки безопасности.
5
Проверить сопротивление между выводами верхнего и нижнего уровня датчика боковой подушки безопасности водителя и аккумулятором.
Сопротивление выше 2,5 кОм?
2,5 кОм
Перейдите на Шаг 6
Замените проводку надувной подушки безопасности.
6
  1. Замените датчик боковой подушки безопасности водителя.
  2. Удостоверьтесь, что ключ зажигания находится в положении on.
  3. Сотрите диагностический код неисправности с помощью диагностического прибора.
  4. Выполните проверку диагностической системы системы надувных подушек безопасности (sir).
Диагностический код неисправности удален?
-
Система в норме.
Замените модуль датчиков и диагностики.

S6B18B14
Показать иллюстрациюПеревод текста в иллюстрациях


Диагностический код неисправности (dtc) b1403

Неисправность датчика боковой подушки безопасности пассажира

Описание схемы

При установке ключа зажигания в положение ON модуль датчиков и диагностики (SDM) выполняет начальную проверку для выявления существенных неполадок внутри самого SDM.
После этих проверок модуль измеряет напряжения в цепях зажигания и срабатывания подушек безопасности, проверяя, что они находятся в номинальных диапазонах. SDM контролирует напряжения на проводах нижнего уровня подушек водителя и пассажира, выявляя замыкание цепей срабатывания на массу или напряжение питания.

Диагностический код неисправности dtc b1403 записывается, когда

dtc b1403 - Неисправность датчика боковой подушки безопасности пассажира

Внимание! Модуль датчиков и диагностики (SDM) может сохранять достаточное напряжение для приведения в действие подушек безопасности и натяжителей в течение 1 минуты после выключения зажигания и удаления предохранителя. Если подушки безопасности и натяжители не отсоединены, не начинайте обслуживание, пока не пройдет одна минута после отключения питания от SDM. Несоблюдение этого требования может привести к травмам.

Внимание! В процессе обслуживания обращайтесь с модулем датчиков и диагностики (SDM) очень осторожно. Не ударяйте и не встряхивайте SDM. Никогда не подключайте питание к системе надувных подушек безопасности (SIR), если SDM не соединен жестко с автомобилем. Чтобы система надувных подушек безопасности (SIR) работала правильно, все болты крепления модуля датчиков и диагностики SDM должны быть тщательно затянуты, а стрелка на SDM должна быть направлена к передней части автомобиля. При недостаточно жестком креплении модуля SDM к автомобилю включенный модуль может сработать, что приведет к неожиданному выпуску подушек безопасности и может повлечь травму.

Шаг Операция Значения Да Нет
1
  1. Удостоверьтесь, что ключ зажигания находится в положении off.
  2. Подождите минуту, чтобы разрядить заряд блока питания модуля датчиков и диагностики (sdm).
  3. Осмотрите проводку и разъем датчика боковой подушки безопасности пассажира на предмет повреждений.
Проводка или разъем подушки безопасности поврежден?
-
Перейдите на Шаг 2
Перейдите на Шаг 3
2
Замените проводку надувной подушки безопасности.
-
-
-
3
Замените датчик боковой подушки безопасности пассажира.
-
-
-

S6B18B14
Показать иллюстрациюПеревод текста в иллюстрациях


Диагностический код неисправности (dtc) b1404

Замыкание датчика боковой подушки безопасности пассажира на массу или утечка

Описание схемы

При установке ключа зажигания в положение ON модуль датчиков и диагностики (SDM) выполняет начальную проверку для выявления существенных неполадок внутри самого SDM.
После этих проверок модуль измеряет напряжения в цепях зажигания и срабатывания подушек безопасности, проверяя, что они находятся в номинальных диапазонах. SDM контролирует напряжения на проводах нижнего уровня подушек водителя и пассажира, выявляя замыкание цепей срабатывания на массу или напряжение питания.

Диагностический код неисправности dtc b1404 записывается, когда

dtc b1404 - Замыкание датчика боковой подушки безопасности пассажира на массу или утечка

Внимание! Модуль датчиков и диагностики (SDM) может сохранять достаточное напряжение для приведения в действие подушек безопасности и натяжителей в течение 1 минуты после выключения зажигания и удаления предохранителя. Если подушки безопасности и натяжители не отсоединены, не начинайте обслуживание, пока не пройдет одна минута после отключения питания от SDM. Несоблюдение этого требования может привести к травмам.

Внимание! В процессе обслуживания обращайтесь с модулем датчиков и диагностики (SDM) очень осторожно. Не ударяйте и не встряхивайте SDM. Никогда не подключайте питание к системе надувных подушек безопасности (SIR), если SDM не соединен жестко с автомобилем. Чтобы система надувных подушек безопасности (SIR) работала правильно, все болты крепления модуля датчиков и диагностики SDM должны быть тщательно затянуты, а стрелка на SDM должна быть направлена к передней части автомобиля. При недостаточно жестком креплении модуля SDM к автомобилю включенный модуль может сработать, что приведет к неожиданному выпуску подушек безопасности и может повлечь травму.

Шаг Операция Значения Да Нет
1
  1. Удостоверьтесь, что ключ зажигания находится в положении off.
  2. Подождите минуту, чтобы разрядить заряд блока питания модуля датчиков и диагностики (sdm).
-
Перейдите на Шаг 2
-
2
Осмотреть разъем и проводку датчика боковой подушки безопасности пассажира.
Проводка или разъем повреждены?
-
Замените проводку надувной подушки безопасности.
Перейдите на Шаг 3
3
  1. Удостоверьтесь, что ключ зажигания находится в положении off.
  2. Отсоединить разъем датчика боковой подушки безопасности пассажира.
  3. Отключите разъем проводки модуля датчиков и диагностики (sdm).
  4. Проверьте сопротивление между выводами 2, 1 датчика боковой подушки безопасности пассажира.
Сопротивление равно ∞?
Перейдите на Шаг 4
Замените проводку надувной подушки безопасности.
4
Проверить сопротивление между выводами верхнего и нижнего уровня модуля боковой подушки безопасности пассажира и массой.
Сопротивление выше 4,5 кОм?
4,5 кОм
Перейдите на Шаг 5
Замените проводку надувной подушки безопасности.
5
  1. Замените датчик боковой подушки безопасности пассажира.
  2. Удостоверьтесь, что ключ зажигания находится в положении on.
  3. Сотрите диагностический код неисправности с помощью диагностического прибора.
  4. Выполните проверку диагностической системы системы надувных подушек безопасности (sir).
Диагностический код неисправности удален?
-
Система в норме.
Замените модуль датчиков и диагностики.

S6B18B14
Показать иллюстрациюПеревод текста в иллюстрациях


Диагностический код неисправности (dtc) b1405

Замыкание датчика боковой подушки безопасности пассажира на напряжение аккумулятора или разрыв цепи

Описание схемы

При установке ключа зажигания в положение ON модуль датчиков и диагностики (SDM) выполняет начальную проверку для выявления существенных неполадок внутри самого SDM.
После этих проверок модуль измеряет напряжения в цепях зажигания и срабатывания подушек безопасности, проверяя, что они находятся в номинальных диапазонах. SDM контролирует напряжения на проводах нижнего уровня подушек водителя и пассажира, выявляя замыкание цепей срабатывания на массу или напряжение питания.

Диагностический код неисправности dtc b1405 записывается, когда

dtc b1405 - Замыкание датчика боковой подушки безопасности пассажира на напряжение аккумулятора или разрыв цепи

Внимание! Модуль датчиков и диагностики (SDM) может сохранять достаточное напряжение для приведения в действие подушек безопасности и натяжителей в течение 1 минуты после выключения зажигания и удаления предохранителя. Если подушки безопасности и натяжители не отсоединены, не начинайте обслуживание, пока не пройдет одна минута после отключения питания от SDM. Несоблюдение этого требования может привести к травмам.

Внимание! В процессе обслуживания обращайтесь с модулем датчиков и диагностики (SDM) очень осторожно. Не ударяйте и не встряхивайте SDM. Никогда не подключайте питание к системе надувных подушек безопасности (SIR), если SDM не соединен жестко с автомобилем. Чтобы система надувных подушек безопасности (SIR) работала правильно, все болты крепления модуля датчиков и диагностики SDM должны быть тщательно затянуты, а стрелка на SDM должна быть направлена к передней части автомобиля. При недостаточно жестком креплении модуля SDM к автомобилю включенный модуль может сработать, что приведет к неожиданному выпуску подушек безопасности и может повлечь травму.

Шаг Операция Значения Да Нет
1
  1. Удостоверьтесь, что ключ зажигания находится в положении off.
  2. Подождите минуту, чтобы разрядить заряд блока питания модуля датчиков и диагностики (sdm).
-
Перейдите на Шаг 2
-
2
Осмотреть разъем и проводку датчика боковой подушки безопасности пассажира.
Есть повреждения проводки или разъем отсоединился?
-
Перейдите на Шаг 3
Перейдите на Шаг 4
3
Подключить разъем или заменить проводку.
Проверьте систему еще раз.
-
-
-
4
  1. Удостоверьтесь, что ключ зажигания находится в положении off.
  2. Отсоединить разъем датчика боковой подушки безопасности пассажира.
  3. Отключите разъем проводки модуля датчиков и диагностики (sdm).
  4. Проверьте сопротивление между выводами 69, 68 модуля sdm и выводами 2, 1 датчика боковой подушки безопасности пассажира.
Сопротивление близко к 0 (нулю)?
≈ 0 Ом
Перейдите на Шаг 5
Замените проводку надувной подушки безопасности.
5
Проверить сопротивление между выводами верхнего и нижнего уровня датчика боковой подушки безопасности пассажира и аккумулятором.
Сопротивление выше 2,5 кОм?
2,5 кОм
Перейдите на Шаг 6
Замените проводку надувной подушки безопасности.
6
  1. Замените датчик боковой подушки безопасности пассажира.
  2. Удостоверьтесь, что ключ зажигания находится в положении on.
  3. Сотрите диагностический код неисправности с помощью диагностического прибора.
  4. Выполните проверку диагностической системы системы надувных подушек безопасности (sir).
Диагностический код неисправности удален?
-
Система в норме.
Замените модуль датчиков и диагностики.

S6B18B14
Показать иллюстрациюПеревод текста в иллюстрациях


Диагностический код неисправности (dtc) b1409

Нарушение передачи данных датчика боковой подушки безопасности водителя

Описание схемы

При установке ключа зажигания в положение ON модуль датчиков и диагностики (SDM) выполняет начальную проверку для выявления существенных неполадок внутри самого SDM.
После этих проверок модуль измеряет напряжения в цепях зажигания и срабатывания подушек безопасности, проверяя, что они находятся в номинальных диапазонах. SDM контролирует напряжения на проводах нижнего уровня подушек водителя и пассажира, выявляя замыкание цепей срабатывания на массу или напряжение питания.

Диагностический код неисправности dtc b1409 записывается, когда

dtc b1409 - Ошибка передачи данных датчика боковой подушки безопасности водителя

Внимание! Модуль датчиков и диагностики (SDM) может сохранять достаточное напряжение для приведения в действие подушек безопасности и натяжителей в течение 1 минуты после выключения зажигания и удаления предохранителя. Если подушки безопасности и натяжители не отсоединены, не начинайте обслуживание, пока не пройдет одна минута после отключения питания от SDM. Несоблюдение этого требования может привести к травмам.

Внимание! В процессе обслуживания обращайтесь с модулем датчиков и диагностики (SDM) очень осторожно. Не ударяйте и не встряхивайте SDM. Никогда не подключайте питание к системе надувных подушек безопасности (SIR), если SDM не соединен жестко с автомобилем. Чтобы система надувных подушек безопасности (SIR) работала правильно, все болты крепления модуля датчиков и диагностики SDM должны быть тщательно затянуты, а стрелка на SDM должна быть направлена к передней части автомобиля. При недостаточно жестком креплении модуля SDM к автомобилю включенный модуль может сработать, что приведет к неожиданному выпуску подушек безопасности и может повлечь травму.

Шаг Операция Значения Да Нет
1
  1. Удостоверьтесь, что ключ зажигания находится в положении off.
  2. Подождите минуту, чтобы разрядить заряд блока питания модуля датчиков и диагностики (sdm).
  3. Осмотрите проводку и разъем датчика боковой подушки безопасности пассажира на предмет повреждений.
Проводка подушки безопасности и разъем в порядке?
-
Перейдите на Шаг 3
Перейдите на Шаг 2
2
Заменить электропроводку подушки безопасности или присоединить разъем.
-
-
-
3
  1. Замените датчик боковой подушки безопасности водителя.
  2. Удостоверьтесь, что ключ зажигания находится в положении on.
  3. Сотрите диагностический код неисправности с помощью диагностического прибора.
  4. Проверьте цепь.
Диагностический код неисправности (dtc) остался?
-
Перейдите на Шаг 4
Система в норме.
4
Замените модуль датчиков и диагностики.
-
-
-

S6B18B14
Показать иллюстрациюПеревод текста в иллюстрациях


Диагностический код неисправности (dtc) b1410

Нарушение передачи данных датчика боковой подушки безопасности пассажира

Описание схемы

При установке ключа зажигания в положение ON модуль датчиков и диагностики (SDM) выполняет начальную проверку для выявления существенных неполадок внутри самого SDM.
После этих проверок модуль измеряет напряжения в цепях зажигания и срабатывания подушек безопасности, проверяя, что они находятся в номинальных диапазонах. SDM контролирует напряжения на проводах нижнего уровня подушек водителя и пассажира, выявляя замыкание цепей срабатывания на массу или напряжение питания.

Диагностический код неисправности dtc b1410 записывается, когда

dtc b1410 - Ошибка передачи данных датчика боковой подушки безопасности пассажира

Внимание! Модуль датчиков и диагностики (SDM) может сохранять достаточное напряжение для приведения в действие подушек безопасности и натяжителей в течение 1 минуты после выключения зажигания и удаления предохранителя. Если подушки безопасности и натяжители не отсоединены, не начинайте обслуживание, пока не пройдет одна минута после отключения питания от SDM. Несоблюдение этого требования может привести к травмам.

Внимание! В процессе обслуживания обращайтесь с модулем датчиков и диагностики (SDM) очень осторожно. Не ударяйте и не встряхивайте SDM. Никогда не подключайте питание к системе надувных подушек безопасности (SIR), если SDM не соединен жестко с автомобилем. Чтобы система надувных подушек безопасности (SIR) работала правильно, все болты крепления модуля датчиков и диагностики SDM должны быть тщательно затянуты, а стрелка на SDM должна быть направлена к передней части автомобиля. При недостаточно жестком креплении модуля SDM к автомобилю включенный модуль может сработать, что приведет к неожиданному выпуску подушек безопасности и может повлечь травму.

Шаг Операция Значения Да Нет
1
  1. Удостоверьтесь, что ключ зажигания находится в положении off.
  2. Подождите минуту, чтобы разрядить заряд блока питания модуля датчиков и диагностики (sdm).
  3. Осмотрите проводку и разъем датчика боковой подушки безопасности пассажира на предмет повреждений.
Проводка подушки безопасности и разъем в порядке?
-
Перейдите на Шаг 3
Перейдите на Шаг 2
2
Заменить электропроводку подушки безопасности или присоединить разъем.
-
-
-
3
  1. Замените датчик боковой подушки безопасности пассажира.
  2. Удостоверьтесь, что ключ зажигания находится в положении on.
  3. Сотрите диагностический код неисправности с помощью диагностического прибора.
  4. Проверьте цепь.
Диагностический код неисправности (dtc) остался?
-
Перейдите на Шаг 4
Система в норме.
4
Замените модуль датчиков и диагностики.
-
-
-

S6B18B14
Показать иллюстрациюПеревод текста в иллюстрациях


Диагностический код неисправности (dtc) b1414

Несоответствие идентификатора датчика боковой подушки безопасности водителя

Описание схемы

При установке ключа зажигания в положение ON модуль датчиков и диагностики (SDM) выполняет начальную проверку для выявления существенных неполадок внутри самого SDM.
После этих проверок модуль измеряет напряжения в цепях зажигания и срабатывания подушек безопасности, проверяя, что они находятся в номинальных диапазонах. SDM контролирует напряжения на проводах нижнего уровня подушек водителя и пассажира, выявляя замыкание цепей срабатывания на массу или напряжение питания.

Диагностический код неисправности dtc b1414 записывается, когда

Действия, которые выполняются при выдаче кода неисправности dtc b1414


S6B18B14
Показать иллюстрациюПеревод текста в иллюстрациях


Диагностический код неисправности (dtc) b1415

Несоответствие идентификатора датчика боковой подушки безопасности пассажира

Описание схемы

При установке ключа зажигания в положение ON модуль датчиков и диагностики (SDM) выполняет начальную проверку для выявления существенных неполадок внутри самого SDM.
После этих проверок модуль измеряет напряжения в цепях зажигания и срабатывания подушек безопасности, проверяя, что они находятся в номинальных диапазонах. SDM контролирует напряжения на проводах нижнего уровня подушек водителя и пассажира, выявляя замыкание цепей срабатывания на массу или напряжение питания.

Диагностический код неисправности dtc b1415 записывается, когда

Действия, которые выполняются при выдаче кода неисправности dtc b1415


S6B18B16
Показать иллюстрациюПеревод текста в иллюстрациях


Диагностический код неисправности (dtc) b1451

Неисправность цепи выключателя ручного отключения

Описание схемы

При установке ключа зажигания в положение ON модуль датчиков и диагностики (SDM) выполняет начальную проверку для выявления существенных неполадок внутри самого SDM.
Модуль SDM непрерывно проверяет положение выключателя отключения и исправность цепи, подавая нормальное напряжение на схему выключателя отключения и проверяя ток.

Диагностический код неисправности dtc b1451 записывается, когда

dtc b1451 - Неисправность цепи выключателя ручного отключения

Внимание! Модуль датчиков и диагностики (SDM) может сохранять достаточное напряжение для приведения в действие подушек безопасности и натяжителей в течение 1 минуты после выключения зажигания и удаления предохранителя. Если подушки безопасности и натяжители не отсоединены, не начинайте обслуживание, пока не пройдет одна минута после отключения питания от SDM. Несоблюдение этого требования может привести к травмам.

Внимание! В процессе обслуживания обращайтесь с модулем датчиков и диагностики (SDM) очень осторожно. Не ударяйте и не встряхивайте SDM. Никогда не подключайте питание к системе надувных подушек безопасности (SIR), если SDM не соединен жестко с автомобилем. Чтобы система надувных подушек безопасности (SIR) работала правильно, все болты крепления модуля датчиков и диагностики SDM должны быть тщательно затянуты, а стрелка на SDM должна быть направлена к передней части автомобиля. При недостаточно жестком креплении модуля SDM к автомобилю включенный модуль может сработать, что приведет к неожиданному выпуску подушек безопасности и может повлечь травму.

Шаг Операция Значения Да Нет
1
Удостоверьтесь, что ключ зажигания находится в положении off.
Подождите минуту, чтобы разрядить заряд блока питания модуля датчиков и диагностики.
-
-
-
2
Осмотрите разъем и проводку пассажира.
Есть повреждения проводки или разъем отсоединился?
-
Перейдите на Шаг 3
Перейдите на Шаг 4
3
Отремонтируйте электропроводку или подключите разъем.
-
-
-
4
  1. Отключите разъем выключателя отключения подушки безопасности пассажира.
  2. Отключите разъем выключателя отключения подушки безопасности пассажира.
  3. Отключите разъем проводки модуля датчиков и диагностики (sdm).
  4. Проверьте сопротивление между выводом 60 модуля sdm и выводом 3 выключателя отключения.
Сопротивление близко к 0 (нулю)?
≈ 0 Ом
Перейдите на Шаг 5
Замените проводку надувной подушки безопасности
5
  1. Подключите разъем проводки модуля SDM.
  2. Подключите разъем проводки модуля sdm.
  3. Удостоверьтесь, что ключ зажигания находится в положении on.
  4. Проверьте ток на выводе 3 разъема выключателя отключения.
Ток выше 12,5 мА?
12,5 мА
Замените выключатель отключения.
Заменить модуль датчиков и диагностики.

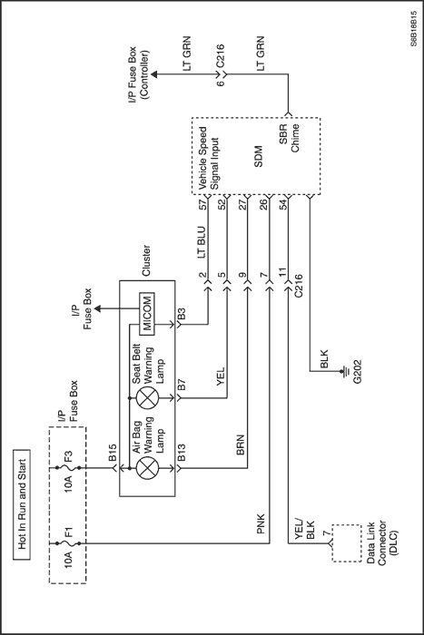
S6B18B15
Показать иллюстрациюПеревод текста в иллюстрациях


Диагностический код неисправности (dtc) b1453

Ошибочный сигнал скорости автомобиля (замыкание на массу)

Описание схемы

При установке ключа зажигания в положение ON модуль датчиков и диагностики (SDM) выполняет начальную проверку для выявления существенных неполадок внутри самого SDM.
На модуль SDM непрерывно поступает сигнал скорости автомобиля с комбинации приборов. Если не пристегнут ремень безопасности водителя, модуль SDM выдает предупреждение контрольной лампой и звуковым сигналом в соответствии с состоянием автомобиля.

Диагностический код неисправности dtc b1453 записывается, когда

dtc b1453 - Ошибочный сигнал скорости автомобиля - замыкание на массу

Внимание! Модуль датчиков и диагностики (SDM) может сохранять достаточное напряжение для приведения в действие подушек безопасности и натяжителей в течение 1 минуты после выключения зажигания и удаления предохранителя. Если подушки безопасности и натяжители не отсоединены, не начинайте обслуживание, пока не пройдет одна минута после отключения питания от SDM. Несоблюдение этого требования может привести к травмам.

Внимание! В процессе обслуживания обращайтесь с модулем датчиков и диагностики (SDM) очень осторожно. Не ударяйте и не встряхивайте SDM. Никогда не подключайте питание к системе надувных подушек безопасности (SIR), если SDM не соединен жестко с автомобилем. Чтобы система надувных подушек безопасности (SIR) работала правильно, все болты крепления модуля датчиков и диагностики SDM должны быть тщательно затянуты, а стрелка на SDM должна быть направлена к передней части автомобиля. При недостаточно жестком креплении модуля SDM к автомобилю включенный модуль может сработать, что приведет к неожиданному выпуску подушек безопасности и может повлечь травму.

Шаг Операция Значения Да Нет
1
Осмотрите разъем и проводку между модулем sdm и комбинацией приборов.
Разъем подушки безопасности отключен или проводка повреждена?
-
Замените электропроводку или присоедините разъем.
Перейдите на Шаг 2
2
  1. Удостоверьтесь, что ключ зажигания находится в положении off.
  2. Подождите минуту, чтобы разрядить заряд блока питания модуля датчиков и диагностики (sdm).
  3. Отключите разъем от комбинации приборов.
  4. Отключите разъем модуля датчиков и диагностики (sdm).
  5. Проверьте сопротивление между выводом b14 комбинации приборов и выводом 57 модуля sdm.
Сопротивление близко к 0 (нулю)?
0 Ом
Перейдите на Шаг 3
Замените проводку надувной подушки безопасности
3
Проверьте сопротивление между выводом 57 модуля sdm и массой.
Сопротивление равно ∞?
Перейдите на Шаг 4
Замените проводку надувной подушки безопасности
4
  1. Замените комбинацию приборов.
  2. Сотрите диагностический код неисправности с помощью диагностического прибора.
  3. Выполните проверку диагностической системы системы надувных подушек безопасности (sir).
Диагностический код неисправности удален?
-
Система в норме.
Заменить модуль датчиков и диагностики.

S6B18B15
Показать иллюстрациюПеревод текста в иллюстрациях


Диагностический код неисправности (dtc) b1620

Внутренняя неисправность модуля sdm

Описание схемы

При установке ключа зажигания в положение ON модуль датчиков и диагностики (SDM) выполняет начальную проверку для выявления существенных неполадок внутри самого SDM.

Диагностический код неисправности dtc b1620 записывается, когда

dtc b1620 - Внутренняя неисправность модуля sdm

Внимание! Модуль датчиков и диагностики (SDM) может сохранять достаточное напряжение для приведения в действие подушек безопасности и натяжителей в течение 1 минуты после выключения зажигания и удаления предохранителя. Если подушки безопасности и натяжители не отсоединены, не начинайте обслуживание, пока не пройдет одна минута после отключения питания от SDM. Несоблюдение этого требования может привести к травмам.

Внимание! В процессе обслуживания обращайтесь с модулем датчиков и диагностики (SDM) очень осторожно. Не ударяйте и не встряхивайте SDM. Никогда не подключайте питание к системе надувных подушек безопасности (SIR), если SDM не соединен жестко с автомобилем. Чтобы система надувных подушек безопасности (SIR) работала правильно, все болты крепления модуля датчиков и диагностики SDM должны быть тщательно затянуты, а стрелка на SDM должна быть направлена к передней части автомобиля. При недостаточно жестком креплении модуля SDM к автомобилю включенный модуль может сработать, что приведет к неожиданному выпуску подушек безопасности и может повлечь травму.


S6B18B15
Показать иллюстрациюПеревод текста в иллюстрациях


Диагностический код неисправности (dtc) b1650

Зарегистрировано столкновение передней подушкой безопасности

Описание схемы

При установке ключа зажигания в положение ON модуль датчиков и диагностики (SDM) выполняет начальную проверку для выявления существенных неполадок внутри самого SDM.
В случае срабатывания подушки безопасности при столкновении автомобиля модуль датчиков и диагностики (SDM) включает контрольную лампу постоянно. После этого необходимо заменить всю систему подушек безопасности, включая модуль SDM, модуль подушки безопасности и проводку.

Диагностический код неисправности dtc b1650 записывается, когда

dtc b1650 - Зарегистрировано столкновение передней подушкой безопасности

Внимание! Модуль датчиков и диагностики (SDM) может сохранять достаточное напряжение для приведения в действие подушек безопасности и натяжителей в течение 1 минуты после выключения зажигания и удаления предохранителя. Если подушки безопасности и натяжители не отсоединены, не начинайте обслуживание, пока не пройдет одна минута после отключения питания от SDM. Несоблюдение этого требования может привести к травмам.

Внимание! В процессе обслуживания обращайтесь с модулем датчиков и диагностики (SDM) очень осторожно. Не ударяйте и не встряхивайте SDM. Никогда не подключайте питание к системе надувных подушек безопасности (SIR), если SDM не соединен жестко с автомобилем. Чтобы система надувных подушек безопасности (SIR) работала правильно, все болты крепления модуля датчиков и диагностики SDM должны быть тщательно затянуты, а стрелка на SDM должна быть направлена к передней части автомобиля. При недостаточно жестком креплении модуля SDM к автомобилю включенный модуль может сработать, что приведет к неожиданному выпуску подушек безопасности и может повлечь травму.


S6B18B15
Показать иллюстрациюПеревод текста в иллюстрациях


Диагностический код неисправности (dtc) b1651

Зарегистрировано столкновение боковой подушкой безопасности водителя

Описание схемы

При установке ключа зажигания в положение ON модуль датчиков и диагностики (SDM) выполняет начальную проверку для выявления существенных неполадок внутри самого SDM.
В случае срабатывания подушки безопасности водителя от бокового столкновения модуль датчиков и диагностики (SDM) включает сигнальную лампу. Необходимо заменить натяжитель ремня безопасности водителя, модуль боковой подушки безопасности водителя, датчик боковой подушки безопасности водителя и модуль SDM. После замены этих деталей необходимо проверить всю систему подушек безопасности.

Диагностический код неисправности dtc b1651 записывается, когда

dtc b1651 - Зарегистрировано столкновение боковой подушкой безопасности водителя

Внимание! Модуль датчиков и диагностики (SDM) может сохранять достаточное напряжение для приведения в действие подушек безопасности и натяжителей в течение 1 минуты после выключения зажигания и удаления предохранителя. Если подушки безопасности и натяжители не отсоединены, не начинайте обслуживание, пока не пройдет одна минута после отключения питания от SDM. Несоблюдение этого требования может привести к травмам.

Внимание! В процессе обслуживания обращайтесь с модулем датчиков и диагностики (SDM) очень осторожно. Не ударяйте и не встряхивайте SDM. Никогда не подключайте питание к системе надувных подушек безопасности (SIR), если SDM не соединен жестко с автомобилем. Чтобы система надувных подушек безопасности (SIR) работала правильно, все болты крепления модуля датчиков и диагностики SDM должны быть тщательно затянуты, а стрелка на SDM должна быть направлена к передней части автомобиля. При недостаточно жестком креплении модуля SDM к автомобилю включенный модуль может сработать, что приведет к неожиданному выпуску подушек безопасности и может повлечь травму.


S6B18B15
Показать иллюстрациюПеревод текста в иллюстрациях


Диагностический код неисправности (dtc) b1652

Зарегистрировано столкновение боковой подушкой безопасности пассажира

Описание схемы

При установке ключа зажигания в положение ON модуль датчиков и диагностики (SDM) выполняет начальную проверку для выявления существенных неполадок внутри самого SDM.
В случае срабатывания подушки безопасности пассажира от бокового столкновения модуль датчиков и диагностики (SDM) включает сигнальную лампу. Необходимо заменить натяжитель ремня безопасности пассажира, модуль боковой подушки безопасности пассажира, датчик боковой подушки безопасности пассажира и модуль SDM. После замены этих деталей необходимо проверить всю систему подушек безопасности.

Диагностический код неисправности dtc b1652 записывается, когда

dtc b1652 - Зарегистрировано столкновение боковой подушкой безопасности пассажира

Внимание! Модуль датчиков и диагностики (SDM) может сохранять достаточное напряжение для приведения в действие подушек безопасности и натяжителей в течение 1 минуты после выключения зажигания и удаления предохранителя. Если подушки безопасности и натяжители не отсоединены, не начинайте обслуживание, пока не пройдет одна минута после отключения питания от SDM. Несоблюдение этого требования может привести к травмам.

Внимание! В процессе обслуживания обращайтесь с модулем датчиков и диагностики (SDM) очень осторожно. Не ударяйте и не встряхивайте SDM. Никогда не подключайте питание к системе надувных подушек безопасности (SIR), если SDM не соединен жестко с автомобилем. Чтобы система надувных подушек безопасности (SIR) работала правильно, все болты крепления модуля датчиков и диагностики SDM должны быть тщательно затянуты, а стрелка на SDM должна быть направлена к передней части автомобиля. При недостаточно жестком креплении модуля SDM к автомобилю включенный модуль может сработать, что приведет к неожиданному выпуску подушек безопасности и может повлечь травму.


S6B18B15
Показать иллюстрациюПеревод текста в иллюстрациях


Диагностический код неисправности (dtc) b1657

Зарегистрировано столкновение натяжителем ремня безопасности

Описание схемы

При установке ключа зажигания в положение ON модуль датчиков и диагностики (SDM) выполняет начальную проверку для выявления существенных неполадок внутри самого SDM.
В случае срабатывания пиропатрона натяжителя ремня безопасности по сигналу модуля SDM непрерывное горит предупредительная лампа: необходимо проверить систему надувных подушек безопасности, а также заменить модуль SDM, натяжители и проводку.

Диагностический код неисправности dtc b1657 записывается, когда

dtc b1657 - Зарегистрировано столкновение натяжителем ремня безопасности

Внимание! Модуль датчиков и диагностики (SDM) может сохранять достаточное напряжение для приведения в действие подушек безопасности и натяжителей в течение 1 минуты после выключения зажигания и удаления предохранителя. Если подушки безопасности и натяжители не отсоединены, не начинайте обслуживание, пока не пройдет одна минута после отключения питания от SDM. Несоблюдение этого требования может привести к травмам.

Внимание! В процессе обслуживания обращайтесь с модулем датчиков и диагностики (SDM) очень осторожно. Не ударяйте и не встряхивайте SDM. Никогда не подключайте питание к системе надувных подушек безопасности (SIR), если SDM не соединен жестко с автомобилем. Чтобы система надувных подушек безопасности (SIR) работала правильно, все болты крепления модуля датчиков и диагностики SDM должны быть тщательно затянуты, а стрелка на SDM должна быть направлена к передней части автомобиля. При недостаточно жестком креплении модуля SDM к автомобилю включенный модуль может сработать, что приведет к неожиданному выпуску подушек безопасности и может повлечь травму.


S6B18B15
Показать иллюстрациюПеревод текста в иллюстрациях


Диагностический код неисправности (dtc) b2500

Неисправность контрольной лампы подушки безопасности

Описание схемы

При установке ключа зажигания в положение ON модуль датчиков и диагностики (SDM) выполняет начальную проверку для выявления существенных неполадок внутри самого SDM.
После этих проверок модуль измеряет напряжения в цепях зажигания и срабатывания подушек безопасности, проверяя, что они находятся в номинальных диапазонах. SDM контролирует напряжения на проводах нижнего уровня подушек водителя и пассажира, выявляя замыкание цепей срабатывания на массу или напряжение питания.
Модуль датчиков и диагностики (SDM) проверяет проводку к каждому модулю наполнения надувной подушки безопасности, пропуская ничтожно малый ток через внутреннюю цепь и проверяя сопротивление. Если контрольная лампа нормально загорается и гаснет, SDM постоянно контролирует напряжение на выводе контрольной лампы.

Диагностический код неисправности dtc b2500 записывается, когда

Справочная информация

Когда ключ зажигания устанавливается в положение ON, при нормальной работе системы контрольная лампа мигает 6 раз за 6 секунд.
Однако если контрольная лампа остается гореть или продолжает мигать дольше нормального (6 раз за 6 секунд), это является признаком неисправности (новой или старой). Проверьте неисправность с помощью диагностического прибора.

dtc b2500 - Неисправность контрольной лампы подушки безопасности

Внимание! Модуль датчиков и диагностики (SDM) может сохранять достаточное напряжение для приведения в действие подушек безопасности и натяжителей в течение 1 минуты после выключения зажигания и удаления предохранителя. Если подушки безопасности и натяжители не отсоединены, не начинайте обслуживание, пока не пройдет одна минута после отключения питания от SDM. Несоблюдение этого требования может привести к травмам.

Внимание! В процессе обслуживания обращайтесь с модулем датчиков и диагностики (SDM) очень осторожно. Не ударяйте и не встряхивайте SDM. Никогда не подключайте питание к системе надувных подушек безопасности (SIR), если SDM не соединен жестко с автомобилем. Чтобы система надувных подушек безопасности (SIR) работала правильно, все болты крепления модуля датчиков и диагностики SDM должны быть тщательно затянуты, а стрелка на SDM должна быть направлена к передней части автомобиля. При недостаточно жестком креплении модуля SDM к автомобилю включенный модуль может сработать, что приведет к неожиданному выпуску подушек безопасности и может повлечь травму.

Шаг Операция Значения Да Нет
1
Проверьте предохранитель f3.
Предохранитель перегорел?
-
Перейдите на Шаг 2
Перейдите на Шаг 3
2
Замените предохранитель f3.
-
-
-
3
  1. Удостоверьтесь, что ключ зажигания находится в положении ON.
  2. Удостоверьтесь, что ключ зажигания находится в положении on.
  3. Проверьте напряжение на предохранителе f3.
Напряжение в пределах 11-14 В?
11~14 В
Перейдите на Шаг 5
Перейдите на Шаг 4
4
Замените цепь питания и проводку к предохранителю f3.
-
-
-
5
  1. Удостоверьтесь, что ключ зажигания находится в положении OFF.
  2. Удостоверьтесь, что ключ зажигания находится в положении off.
  3. Снимите приборную панель.
  4. Проверьте лампочку контрольной лампы подушек безопасности.
Лампочка исправна?
-
Перейдите на Шаг 7
Перейдите на Шаг 6
6
Замените лампочку контрольной лампы подушек безопасности.
-
-
-
7
  1. Удостоверьтесь, что ключ зажигания находится в положении ON.
  2. Удостоверьтесь, что ключ зажигания находится в положении on.
  3. Проверьте напряжение на выводе b15 разъема проводки приборной панели.
Находится ли напряжение в диапазоне 11~14 В?
≈ 11~14 В
Перейдите на Шаг 9
Перейдите на Шаг 8
8
Отремонтируйте проводку между предохранителем f3 и выводом b15 разъема проводки приборной панели.
-
-
-
9
Проверьте соединение между выводами b15 и b13 приборной панели.
Соединение в порядке?
-
Перейдите на Шаг 11
Перейдите на Шаг 10
10
Замените приборную панель.
-
-
-
11
  1. Удостоверьтесь, что ключ зажигания находится в положении OFF.
  2. Удостоверьтесь, что ключ зажигания находится в положении off.
  3. Отключите разъем модуля подушки безопасности пассажира и разъем часовой пружины.
  4. Отключите разъем модуля датчиков и диагностики (sdm).
  5. Удостоверьтесь, что ключ зажигания находится в положении OFF.
  6. Удостоверьтесь, что ключ зажигания находится в положении off.
  7. Проверьте напряжение на выводе 27 разъема модуля SDM.
  8. Проверьте напряжение на выводе 27 разъема модуля sdm.
Находится ли напряжение в диапазоне 11~14 В?
-
Замените модуль датчиков и диагностики.
Перейдите на Шаг 12
12
Отремонтируйте проводку между выводом 27 sdm и приборной панелью.
-
-
-

S6B18B16
Показать иллюстрациюПеревод текста в иллюстрациях


Диагностический код неисправности (dtc) b2502

Неисправность индикатора отключения ("OFF") подушки безопасности пассажира

Описание схемы

При установке ключа зажигания в положение ON модуль датчиков и диагностики (SDM) выполняет начальную проверку для выявления существенных неполадок внутри самого SDM.
Модуль SDM непрерывно проверяет положение выключателя отключения и исправность цепи, подавая нормальное напряжение на схему выключателя отключения и проверяя ток.

Диагностический код неисправности dtc b2502 записывается, когда

dtc b2502 - Неисправность индикатора отключения ("OFF") подушки безопасности пассажира

Внимание! Модуль датчиков и диагностики (SDM) может сохранять достаточное напряжение для приведения в действие подушек безопасности и натяжителей в течение 1 минуты после выключения зажигания и удаления предохранителя. Если подушки безопасности и натяжители не отсоединены, не начинайте обслуживание, пока не пройдет одна минута после отключения питания от SDM. Несоблюдение этого требования может привести к травмам.

Внимание! В процессе обслуживания обращайтесь с модулем датчиков и диагностики (SDM) очень осторожно. Не ударяйте и не встряхивайте SDM. Никогда не подключайте питание к системе надувных подушек безопасности (SIR), если SDM не соединен жестко с автомобилем. Чтобы система надувных подушек безопасности (SIR) работала правильно, все болты крепления модуля датчиков и диагностики SDM должны быть тщательно затянуты, а стрелка на SDM должна быть направлена к передней части автомобиля. При недостаточно жестком креплении модуля SDM к автомобилю включенный модуль может сработать, что приведет к неожиданному выпуску подушек безопасности и может повлечь травму.

Шаг Операция Значения Да Нет
1
  1. Удостоверьтесь, что ключ зажигания находится в положении off.
  2. Осмотрите разъем и проводку выключателя отключения подушки безопасности пассажира.
Есть повреждения проводки или разъем отсоединился?
-
Перейдите на Шаг 2
Перейдите на Шаг 3
2
Отремонтируйте электропроводку или подключите разъем.
-
-
-
3
  1. Снимите часы.
  2. Снимите часы.
  3. Проверьте лампочку контрольной лампы выключения подушки безопасности пассажира.
Лампочка исправна?
-
Перейдите на Шаг 5
Перейдите на Шаг 4
4
Замените лампочку контрольной лампы выключения подушки безопасности пассажира.
-
-
-
5
Проверьте соединение между выводами 6 и 10 часов.
Соединение в порядке?
-
Перейдите на Шаг 7
Перейдите на Шаг 6
6
Замените часы.
-
-
-
7
  1. Удостоверьтесь, что ключ зажигания находится в положении ON.
  2. Удостоверьтесь, что ключ зажигания находится в положении on.
  3. Отключите разъем часов.
  4. Проверьте напряжение на выводе 6 проводки часов.
Напряжение равно 4,75-5,25 В?
4,75 - 5,25 В
Перейдите на Шаг 9
Перейдите на Шаг 8
8
Отремонтируйте проводку между выводом 56 модуля sdm и выводом 6 часов.
-
-
-
9
  1. Отключите разъем выключателя отключения подушки безопасности пассажира.
  2. Проверьте сопротивление между выводом 10 часов и выводом 1 выключателя отключения.
Сопротивление близко к 0 (нулю)?
≈ 0 Ом
Перейдите на Шаг 11
Перейдите на Шаг 10
10
Отремонтируйте проводку между выводом 10 часов и выводом 1 выключателя отключения.
-
-
-
11
Замените модуль датчиков и диагностики.
-
-
-


На предыдущую страницу На следующую страницу
https://vnx.su/ 🛠 Руководства по ремонту и эксплуатации для автомобилей

Поиск по сайту

Остались вопросы или пожелания? Пишите на почту: support@vnx.su

Карта Сайта