К началу документа
Aveo
На предыдущую страницу На следующую страницу
Главная страница GMDE Загрузить нединамическое оглавление Загрузить динамическое оглавление Помощь

РАЗДЕЛ 7D

ОБОГРЕВ С АВТОМАТИЧЕСКИМ РЕГУЛИРОВАНИЕМ ТЕМПЕРАТУРЫ, ВЕНТИЛЯЦИЯ И СИСТЕМА КОНДИЦИОНИРОВАНИЯ ВОЗДУХА

Внимание! Отключите отрицательный кабель батаре перед снятием или установкой любых электрических узлов или при возможном контакте инструментов или оборудования с оголенными электрическими клеммами. Отключение кабеля поможет избежать травм и механических поврежений. Зажигание должно быть заблокировано, если не указано иное.

ТЕХНИЧЕСКИЕ ХАРАКТЕРИСТИКИ

Моменты затяжки резьбовых соединений

Применение
Н•м
lb-ft
lb-in
Винты резистора электровентилятора
1,2
-
11
Крепежные винты блока управления
2
-
18

ПРИНЦИПИАЛЬНЫЕ И МОНТАЖНЫЕ СХЕМЫ

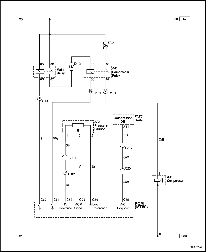
hvac (СИСТЕМА ОТОПЛЕНИЯ, ВЕНТИЛЯЦИИ И КОНДИЦИОНИРОВАНИЯ) - Автоматическая система регулирования температуры

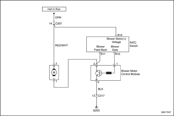
Питание, масса и датчик


T8B17D01
Показать иллюстрациюПеревод текста в иллюстрациях


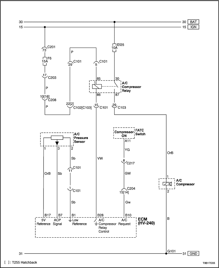
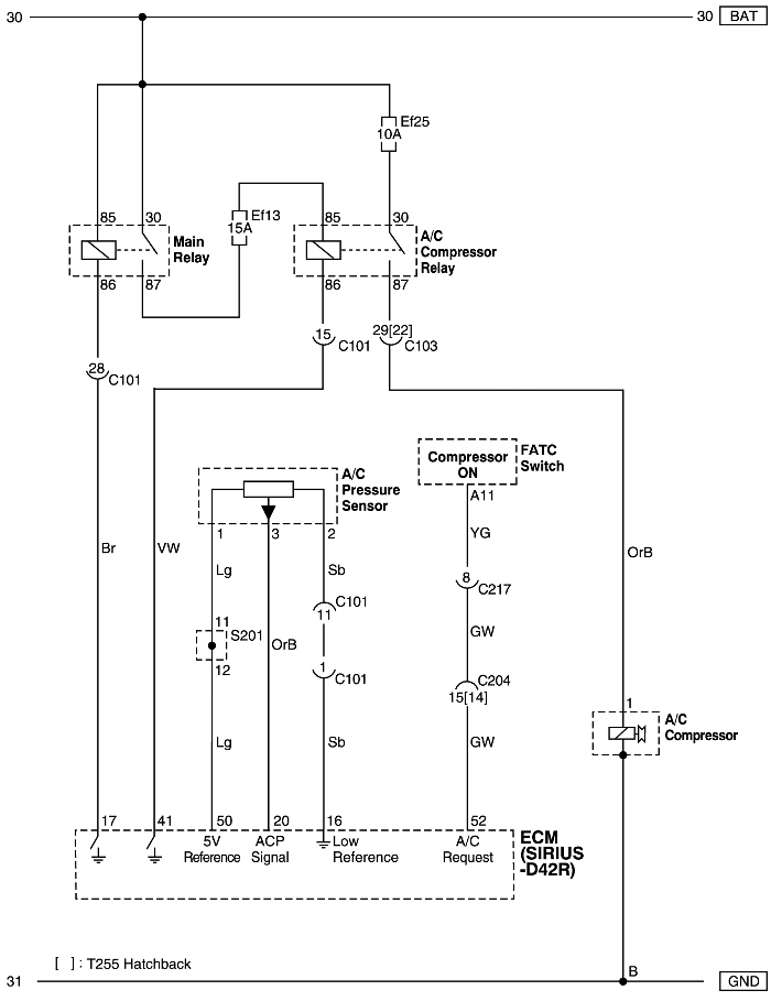
Управление компрессором кондиционера - sirius d42r


T8B17D02
Показать иллюстрациюПеревод текста в иллюстрациях


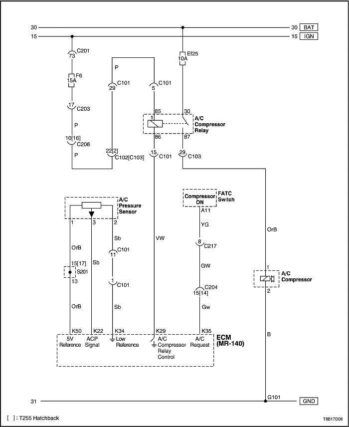
Управление компрессором кондиционера - hv240


T8B17D05
Показать иллюстрациюПеревод текста в иллюстрациях


Управление компрессором кондиционера - mr140


T8B17D06
Показать иллюстрациюПеревод текста в иллюстрациях


Управление компрессором кондиционера - mt80


T9B17D01
Показать иллюстрациюПеревод текста в иллюстрациях


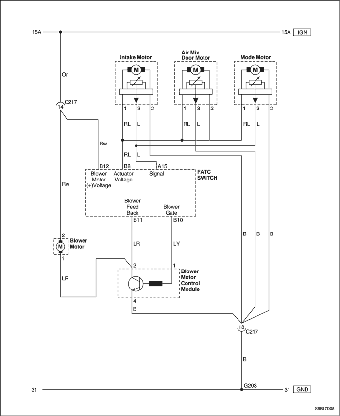
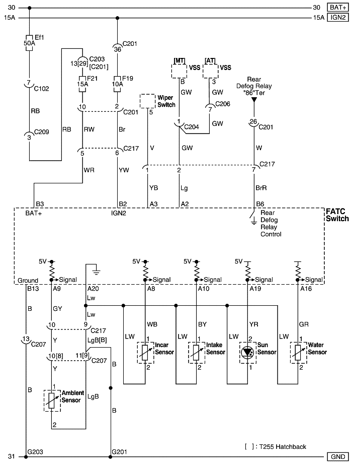
Вентилятор и подача воздуха


S6B17D05
Показать иллюстрациюПеревод текста в иллюстрациях


ДИАГНОСТИКА

ОБЩАЯ ДИАГНОСТИКА КОНДИЦИОНЕРА

См. в разделе 7B, "Система отопления, вентиляции и кондиционирования воздуха с ручным управлением" подробные сведения по следующим процедурам:

СИСТЕМА V5 КОНДИЦИОНИРОВАНИЯ ВОЗДУХА И АВТОМАТИЧЕСКОГО РЕГУЛИРОВАНИЯ ТЕМПЕРАТУРЫ - ATC

Проверка цепи самодиагностики

Полностью автоматический регулятор температуры GMDAT (FATC) имеет функцию самодиагностики, облегчающую поиск и устранение неисправности в системе. Чтобы перейти в режим диагностики, необходимо выполнить следующую процедуру:
  1. Повернуть ключ в замке зажигания в положение on.
  2. Установить регулятор температуры на 26°c (79°f).
  3. В состоянии нажатия "AUTO". Нажать "OFF" (ВЫКЛ.) более 3 раз в течение 3 секунд.
  4. После самодиагностики, если не было ошибок, контроллер показывает "00". Если на контроллере отображается код ошибки, выполнить действия в таблице для этого кода.
  5. Нажать переключатель off, чтобы вернуть регулятор в нормальный режим функционирования.

T8B17D03
Показать иллюстрациюПеревод текста в иллюстрациях


Автоматический регулятор температуры не функционирует при включенном зажигании

Шаг Операция Значения Да Нет
1
Проверить предохранитель f19.
Предохранитель f19 перегорел?
-
Перейти к операции 2
Перейдите к Шагу 3
2
Заменить предохранитель f19.
Закончен ли ремонт?
-
Система в норме
-
3
  1. Снять панель управления.
  2. Измерить напряжение между выводами В2 и В3.
Измеренное напряжение находится в указанном диапазоне?
11-14 В
Перейти к операции 4
Перейти к операции 5
4
  1. Проверить регулятор на отсутствие повреждений.
  2. Заменить регулятор, если он поврежден.
Закончен ли ремонт?
-
Система в норме
-
5
Проверить напряжение между выводом В13 и массой.
Соответствует ли напряжение указанному?
0 В
Перейти к операции 6
Перейдите к Шагу 7
6
  1. Проверить на отсутствие повреждений жгут проводов между предохранителем f19 и выводом В2.
  2. При обнаружении повреждения заменить жгут проводов.
Закончен ли ремонт?
-
Система в норме
-
7
  1. Проверить на отсутствие повреждений жгут проводов между выводом В3 и массой g203.
  2. При необходимости отремонтировать жгут проводов или соединение с массой.
Закончен ли ремонт?
-
Система в норме
-

Нет горячего воздуха от вентилятора

Шаг Операция Значения Да Нет
1
Проверить уровень охлаждающей жидкости.
Уровень охлаждающей жидкости в норме?
-
Перейдите к Шагу 3
Перейти к операции 2
2
При необходимости долить охлаждающую жидкость.
Работает ли обогреватель?
-
Система в норме
Перейдите к Шагу 3
3
  1. Повернуть ключ в замке зажигания в положение on.
  2. Наблюдать индикатор температуры на панели управления.
Мигают ли цифры?
-
Перейти к операции 4
Перейти к операции 5
4
Выполнить проверку цепи самодиагностики.
Показывается ли на индикаторе код неисправности?
-
Перейти к таблице устранения неисправности с этим кодом.
Перейдите к Шагу 7
5
Наблюдать функционирование электровентилятора.
Функционирует ли вообще электровентилятор?
-
Перейти к операции 6
6
С помощью переключателя вентилятора последовательно включать разные скорости вентилятора.
Работает ли мотор вентилятора на разных скоростях?
-
Перейдите к Шагу 7
7
  1. Включить вентилятор и вручную переключать переключатель режима mode.
  2. Проверить поток воздуха из разных выпускных отверстий.
Нормальный ли поток воздуха из разных выпускных отверстий?
-
Перейдите к Шагу 9
Перейдите к Шагу 8
8
  1. Отсоединить выпуск обогревателя и проверить наличие препятствий.
  2. Устранить найденные препятствия.
Работает ли обогреватель?
-
Система в норме
Перейдите к Шагу 9
9
Наблюдать электропривод воздушной смесительной заслонки (amd), изменяя установленную температуру с 18 до 32°c (с 64 до 90°f), а затем с 32 до 18°c (с 90 до 64°f).
Нормально ли функционирует электропривод воздушной смесительной заслонки (amd)?
-
Перейдите к Шагу 10
10
Проверить шланги охлаждающей жидкости на отсутствие утечки или перегибов.
Шланги охлаждающей жидкости в нормальном состоянии?
-
Перейдите к Шагу 12
Перейдите к Шагу 11
11
Устранить неисправности шлангов охлаждающей жидкости.
Работает ли обогреватель?
-
Система в норме
Перейдите к Шагу 12
12
Проверить крышку расширительного бачка.
Крышка расширительного бачка в нормальном состоянии?
-
Перейдите к Шагу 14
Перейдите к Шагу 13
13
При необходимости отремонтировать или заменить крышку расширительного бачка.
Работает ли обогреватель?
-
Система в норме
Перейдите к Шагу 14
14
  1. Установить выключатель кондиционера в положение off (ВЫКЛ).
  2. Установить регулятор температуры на 32°c (90°f).
  3. Установить скорость электровентилятора на максимальное значение (на индикаторе горят все сегменты).
  4. Снять крышку расширительного бачка.
  5. Запустить двигатель и дать ему поработать на холостом ходу.
  6. Наблюдать протекание охлаждающей жидкости, когда откроется термостат.
Протекает ли охлаждающая жидкость?
-
Перейдите к шагу 16
Перейдите к шагу 15
15
  1. Проверить
    • Неисправность термостата.
    • Неисправность крыльчатки водяного насоса.
    • Ограничения протекания в системе охлаждения.
  2. При необходимости отремонтировать.
Закончен ли ремонт?
-
Система в норме
-
16
Проверить на ощупь температуру впускного и выпускного шлангов обогревателя.
Впускной шланг обогревателя горячий, а выпускной - теплый?
-
Перейдите к Шагу 18
Перейдите к шагу 17
17
Промыть теплообменник обогревателя обратным потоком или заменить его.
Закончен ли ремонт?
-
Система в норме
-
18
Проверить наличие на автомобиле утечки холодного воздуха в следующих местах:
  • Передняя панель.
  • Корпус обогревателя.
  • Вентиляционные отверстия.
Обнаружена ли утечка?
-
Перейдите к Шагу 20
Перейдите к Шагу 19
19
Устранить выявленную утечку холодного воздуха.
Закончен ли ремонт?
-
Система в норме
-
20
Проверить датчик температуры охлаждающей жидкости с помощью процедур в пункте "Код 3 - отказ датчика температуры охлаждающей жидкости."
Обнаружена ли проблема в датчике, проводке датчика или панели управления?
-
Перейдите к Шагу 21
Перейдите к Шагу 22
21
При необходимости отремонтировать или заменить датчик, проводку или панель управления.
Закончен ли ремонт?
-
Система в норме
-
22
Проверить датчик температуры в салоне с помощью процедур в пункте "Код 1 - отказ датчика температуры в салоне."
Обнаружена ли проблема в датчике, проводке датчика или панели управления?
-
Перейдите к Шагу 23
Перейдите к Шагу 24
23
При необходимости отремонтировать или заменить датчик, проводку или панель управления.
Закончен ли ремонт?
-
Система в норме
-
24
Проверить датчик температуры наружного воздуха с помощью процедур в пункте "Код 2 - отказ датчика температуры наружного воздуха."
Обнаружена ли проблема в датчике, проводке датчика или панели управления?
-
Перейдите к Шагу 25
Перейдите к Шагу 26
25
При необходимости отремонтировать или заменить датчик, проводку или панель управления.
Закончен ли ремонт?
-
Система в норме
-
26
Проверить датчик солнечного освещения с помощью процедур в пункте "Код 5 - отказ датчика солнечного освещения."
Обнаружена ли проблема в датчике, проводке датчика или панели управления?
-
Перейти к операции 27
Перейти к операции 28
27
При необходимости отремонтировать или заменить датчик, проводку или панель управления.
Закончен ли ремонт?
-
Система в норме
-
28
Заменить автоматический регулятор температуры (atc).
Закончен ли ремонт?
-
Система в норме
-

Нет холодного воздуха от вентилятора

Шаг Операция Значения Да Нет
1
  1. Повернуть ключ в замке зажигания в положение on.
  2. Наблюдать индикатор температуры на панели управления.
Мигают ли цифры?
-
Перейти к операции 2
Перейдите к Шагу 3
2
Выполнить проверку цепи самодиагностики.
Показывается ли на индикаторе код неисправности?
-
Перейти к таблице устранения неисправности с кодом, который мигает.
Перейдите к Шагу 7
3
Наблюдать функционирование электровентилятора.
Функционирует ли вообще электровентилятор?
-
Перейти к операции 4
4
С помощью переключателя вентилятора последовательно включать разные скорости вентилятора.
Работает ли мотор вентилятора на разных скоростях?
-
Перейти к операции 5
5
  1. Включить вентилятор и вручную переключать переключатель режима mode.
  2. Проверить поток воздуха из разных выпускных отверстий.
Нормальный ли поток воздуха из разных выпускных отверстий?
-
Перейдите к Шагу 7
Перейти к операции 6
6
  1. Отсоединить выпуск обогревателя и проверить наличие препятствий.
  2. Устранить найденные препятствия.
Работает ли обогреватель?
-
Система в норме
Перейдите к Шагу 9
7
Наблюдать электропривод воздушной смесительной заслонки (amd), изменяя установленную температуру с 18 до 32°c (с 64 до 90°f), а затем с 32 до 18°c (с 90 до 64°f).
Нормально ли функционирует электропривод воздушной смесительной заслонки (amd)?
-
Перейдите к Шагу 8
8
Выполнить проверки, указанные в пункте "Диагностика недостаточного охлаждения."
Теперь система функционирует нормально?
-
Система в норме
Перейдите к Шагу 9
9
Переключить регулятор в режим auto.
Втягивается ли дым во впускное отверстие датчика температуры в салоне?
-
Перейдите к Шагу 12
Перейдите к Шагу 10
10
Проверить впускной шланг датчика температуры в салоне.
Шланг в нормальном состоянии?
-
Перейдите к Шагу 12
Перейдите к Шагу 11
11
Отремонтировать или заменить впускной шланг.
Закончен ли ремонт?
-
Система в норме
-
12
Проверить датчик температуры в салоне с помощью процедур в пункте "Код 1 - отказ датчика температуры в салоне."
Обнаружена ли проблема в датчике, проводке датчика или панели управления?
-
Перейдите к Шагу 13
Перейдите к Шагу 14
13
При необходимости отремонтировать или заменить датчик, проводку или панель управления.
Закончен ли ремонт?
-
Система в норме
-
14
Проверить датчик температуры наружного воздуха с помощью процедур в пункте "Код 2 - отказ датчика температуры наружного воздуха."
Обнаружена ли проблема в датчике, проводке датчика или панели управления?
-
Перейдите к шагу 15
Перейдите к шагу 16
15
При необходимости отремонтировать или заменить датчик, проводку или регулятор.
Закончен ли ремонт?
-
Система в норме
-
16
Проверить датчик солнечного освещения с помощью процедур в пункте "Код 5 - отказ датчика солнечного освещения."
Обнаружена ли проблема в датчике, проводке датчика или панели управления?
-
Перейдите к шагу 17
Перейдите к Шагу 18
17
При необходимости отремонтировать или заменить датчик, проводку или панель управления.
Закончен ли ремонт?
-
Система в норме
-
18
Выполнить проверку датчика температуры охлаждающей жидкости.
Датчик температуры охлаждающей жидкости неисправен?
-
Перейдите к Шагу 19
Перейдите к Шагу 20
19
Заменить датчик температуры охлаждающей жидкости.
Закончен ли ремонт?
-
Система в норме
-
20
Заменить автоматический регулятор температуры (atc).
Закончен ли ремонт?
-
Система в норме
-

S6B17D07
Показать иллюстрациюПеревод текста в иллюстрациях


Электровентилятор вообще не работает

Шаг Операция Значения Да Нет
1
  1. Повернуть ключ в замке зажигания в положение on.
  2. Наблюдать индикатор температуры на панели управления.
Цифры загораются и гаснут?
-
Перейти к операции 2
Перейдите к Шагу 3
2
Выполнить проверку цепи самодиагностики.
Показывается ли на индикаторе код неисправности?
-
Перейти к таблице устранения неисправности с кодом, который мигает.
-
3
  1. Включить зажигание.
  2. Измерить напряжение между массой и выводом 2 электровентилятора.
Измеренное напряжение находится в указанном диапазоне?
11-14 В
Перейти к операции 4
Перейти к операции 6
4
Измерить напряжение между массой и выводом b12 (коричневый) на переключателе регулятора fatc.
Измеренное напряжение находится в указанном диапазоне?
11-14 В
Перейти к операции 6
Перейдите к Шагу 12
5
Устранить найденные неисправности на выводе 2 цепи электровентилятора или массы g203.
Закончен ли ремонт?
-
Система в норме
-
6
Измерить сопротивление между выводами разъема на электровентиляторе.
Измеренное сопротивление соответствует указанному в таблице?
≈ 5 Ом
Перейдите к Шагу 8
Перейдите к Шагу 7
7
Заменить электровентилятор.
Закончен ли ремонт?
-
Система в норме
-
8
Повернуть ключ в замке зажигания в положение off.
Измерить сопротивление цепи между выводом 1 электровентилятора и выводами 2, 1 силового транзистора.
Измеренное сопротивление соответствует указанному в таблице?
≈ 0 Ом
Перейдите к Шагу 10
Перейдите к Шагу 9
9
Устранить проблемы, обнаруженные в цепи.
Закончен ли ремонт?
-
Система в норме
-
10
Измерить сопротивление цепи между выводом 2 силового транзистора и массой.
Измеренное сопротивление соответствует указанному в таблице?
≈ 0 Ом
Перейдите к Шагу 11
Перейдите к Шагу 12
11
  1. Проследить цепь от вывода 2 силового транзистора на массу g203.
  2. Устранить проблемы, обнаруженные в проводке и соединении с массой g203.
Закончен ли ремонт?
-
Система в норме
-
12
Заменить автоматический регулятор температуры (atc).
Закончен ли ремонт?
-
Система в норме
-

ДИАГНОСТИЧЕСКИЕ КОДЫ НЕИСПРАВНОСТЕЙ


S6B17D08
Показать иллюстрациюПеревод текста в иллюстрациях


Код 1 - Ошибка внутрисалонного датчика

Этот код устанавливается, если сигнал датчика температуры в салоне указывает на вероятное короткое замыкание или разрыв цепи в датчике или соответствующем жгуте проводов, или же на неисправность автоматического регулятора температуры ATC.

Код 1 - Ошибка внутрисалонного датчика

Шаг Операция Значения Да Нет
1
  1. Отключить разъем датчика температуры в салоне от автоматического регулятора температуры atc.
  2. Осмотреть проводку от датчика до разъема и разъем на наличие признаков повреждения.
  3. Измерить сопротивление между выводами разъема датчика температуры в салоне.
Обнаружены ли признаки повреждения проводки или разъема, или сопротивление находится за пределами допустимых значений при 25°c (77 f°)?
2,2КОм ± 3%
Перейти к операции 2
Перейдите к Шагу 3
2
При необходимости отремонтировать поврежденную проводку или разъем, или же заменить датчик температуры в салоне.
Закончен ли ремонт?
-
Система в норме
-
3
  1. Повернуть ключ в замке зажигания в положение on.
  2. Измерить сопротивление между двумя выводами разъема на корпусе регулятора.
Соответствует ли напряжение значению, указанному для 25°С (77°f)?
2,2 В
Перейдите к Шагу 7
Перейти к операции 4
4
Проверить выводы на разъеме датчика температуры в салоне.
Обнаружены ли неисправности в разъеме?
-
Перейти к операции 5
Перейти к операции 6
5
При необходимости отремонтировать выводы разъема или заменить датчик температуры в салоне или автоматический регулятор температуры atc.
Закончен ли ремонт?
-
Система в норме
-
6
  1. Подключить датчик температуры в салоне к панели управления.
  2. Включить зажигание.
  3. Наблюдать область отображения температуры.
Показывает ли индикатор постоянное наличие неисправности с кодом 1?
-
Перейдите к Шагу 7
Система в норме
7
Заменить автоматический регулятор температуры (atc).
Закончен ли ремонт?
-
Система в норме
-

T8B17D04
Показать иллюстрациюПеревод текста в иллюстрациях


Код 2 - Ошибка датчика температуры наружного воздуха

Этот код устанавливается, если сигнал датчика температуры наружного воздуха указывает на вероятное короткое замыкание или разрыв цепи в датчике или соответствующем жгуте проводов, или же на неисправность автоматического регулятора температуры ATC.

Код 2 - Ошибка датчика температуры наружного воздуха

Шаг Операция Значения Да Нет
1
  1. Отключить разъем датчика температуры наружного воздуха от жгута проводов переднего бампера.
  2. Измерить сопротивление между выводами разъема датчика температуры наружного воздуха.
Соответствует ли сопротивление указанному значению при 25°c (77 f°)?
2,2КОм ± 3%
Перейти к операции 5
Перейти к операции 2
2
  1. Снять датчик температуры наружного воздуха с тыльной стороны переднего бампера.
  2. Осмотреть проводку на наличие разрывов или коротких замыканий, осмотреть разъем на наличие повреждений.
Обнаружены ли неисправности проводки или разъема?
-
Перейдите к Шагу 3
Перейти к операции 4
3
Устранить проблемы, обнаруженные в проводке или разъеме датчика температуры наружного воздуха.
Закончен ли ремонт?
-
Система в норме
-
4
Заменить датчик температуры наружного воздуха.
Закончен ли ремонт?
-
Система в норме
-
5
  1. Повернуть ключ в замке зажигания в положение on.
  2. Измерить напряжение между двумя выводами в разъеме датчика температуры наружного воздуха на жгуте проводов переднего бампера.
Соответствует ли напряжение значению, указанному для 25°С (77°f)?
2,2 В
Перейдите к Шагу 7
Перейти к операции 6
6
  1. Подключить датчик температуры в салоне к панели управления.
  2. Включить зажигание.
  3. Наблюдать область отображения температуры.
Показывает ли индикатор постоянное наличие неисправности с кодом 2?
-
Перейдите к Шагу 8
Система в норме
7
  1. Снять автоматический регулятор температуры (atc) с панели приборов, не отключая жгут проводов.
  2. Измерить напряжение между выводами a9 и А20 на тыльной стороне разъемов.
Соответствует ли напряжение указанному значению?
2,2 В
Перейдите к Шагу 8
Перейдите к Шагу 9
8
Заменить автоматический регулятор температуры atc.
Закончен ли ремонт?
-
Система в норме
-
9
  1. Проверить проводку датчика температуры наружного воздуха от автоматического регулятора температуры atc, через разъемы c207 и c217 на разъем датчика температуры наружного воздуха на жгуте проводов переднего бампера.
  2. Устранить найденные разрывы цепи или места повышенного сопротивления в проводке или на выводах разъема.
Закончен ли ремонт?
-
Система в норме
-

S6B17D10
Показать иллюстрациюПеревод текста в иллюстрациях


Код 3 - Ошибка датчика воды

Этот код устанавливается, если сигнал датчика температуры охлаждающей жидкости указывает на вероятное короткое замыкание или разрыв цепи в датчике или соответствующем жгуте проводов, или же на неисправность автоматического регулятора температуры ATC.

Код 3 - Ошибка датчика воды

Шаг Операция Значения Да Нет
1
  1. Отключить разъем датчика температуры охлаждающей жидкости от жгута проводов автоматического регулятора температуры.
  2. Осмотреть проводку от датчика до разъема и сам разъем на наличие признаков повреждения.
  3. Измерить сопротивление между выводами разъема датчика температуры охлаждающей жидкости.
Обнаружены ли признаки повреждения проводки или разъема, или сопротивление находится за пределами допустимых значений при 25°c (77 f°)?
2,2КОм ± 3%
Перейти к операции 2
Перейдите к Шагу 3
2
Отремонтировать поврежденную проводку или разъем, или при необходимости заменить датчик температуры охлаждающей жидкости.
Закончен ли ремонт?
-
Система в норме
-
3
  1. Повернуть ключ в замке зажигания в положение on.
  2. Измерить напряжение между двумя выводами в разъеме датчика температуры охлаждающей жидкости на жгуте проводов автоматического регулятора температуры.
Соответствует ли напряжение указанному значению для 40°С (104°f) и 50°c (122°f)?
40°c (104°f) > 3,7 В
50°c (122°f) > 2,9 В
Перейдите к Шагу 7
Перейти к операции 4
4
Проверить выводы на разъеме датчика температуры охлаждающей жидкости.
Обнаружены ли неисправности в разъеме?
-
Перейти к операции 5
Перейти к операции 6
5
Отремонтировать выводы разъема или при необходимости заменить датчик температуры охлаждающей жидкости или автоматический регулятор температуры atc.
Закончен ли ремонт?
-
Система в норме
-
6
  1. Подключить датчик температуры охлаждающей жидкости к жгуту проводов автоматического регулятора температуры atc.
  2. Включить зажигание.
  3. Наблюдать область отображения температуры.
Показывает ли индикатор постоянное наличие неисправности с кодом 3?
-
Перейдите к Шагу 9
Система в норме
7
  1. Снять автоматический регулятор температуры (atc) с панели приборов, не отключая жгут проводов.
  2. Измерить напряжение между выводами a16 и А20 на тыльной стороне разъемов.
Соответствует ли напряжение указанному значению?
40°c (104°f) > 3,7 В
50°c (122°f) > 2,9 В
Перейдите к Шагу 9
Перейдите к Шагу 8
8
  1. Осмотреть проводку от выводов a13 и b9 регулятора до выводов датчика температуры охлаждающей жидкости на разъеме жгута проводов автоматического регулятора температуры.
  2. Устранить найденные разрывы цепи или места повышенного сопротивления в проводке или на выводах разъема.
Закончен ли ремонт?
-
Система в норме
-
9
Заменить автоматический регулятор температуры (atc).
Закончен ли ремонт?
-
Система в норме
-

S6B17D11
Показать иллюстрациюПеревод текста в иллюстрациях


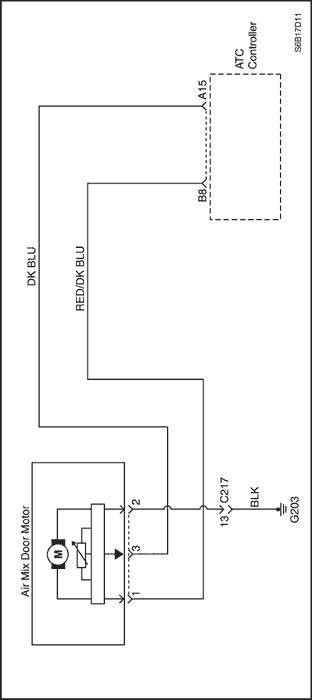
Код 4 - Ошибка воздушной смесительной заслонки

Этот код устанавливается, если сигнал датчика положения смесительной заслонки показывает, что угол открытия заслонки вне допустимых пределов, или его значение не изменяется в то время, когда заслонка должна перемещаться. Это свидетельствует о том, что в датчике или его проводке имеется короткое замыкание или разрыв, отказал электропривод заслонки или неисправен автоматический регулятор температуры ATC.

Код 4 - Ошибка воздушной смесительной заслонки

Шаг Операция Значения Да Нет
1
  1. Отключить разъем жгута проводов панели приборов от электропривода воздушной смесительной заслонки (amd).
  2. С помощью омметра измерить сопротивление между выводами 1 и 2 на электроприводе amd.
Указывает ли измеренное сопротивление на наличие разрыва или короткого замыкания?
Разрыв = ∞,
Короткое замыкание = 0 Ом
Перейти к операции 4
Перейти к операции 2
2
Измерить напряжение между выводами 1 и 2 на электроприводе amd.
Соответствует ли напряжение указанному значению?
13,5 В
Перейдите к Шагу 3
Перейти к операции 4
3
Измерить напряжение между выводом 3 электропривода amd и выводом А15 на регуляторе atc.
Соответствует ли напряжение указанному значению?
6,0 ± 0,5 В
Перейти к операции 5
Перейти к операции 4
4
Заменить электропривод amd.
Закончен ли ремонт?
-
Система в норме
-
5
Проверить выводы разъема на электроприводе amd и проводку в жгуте проводов автоматического регулятора температуры atc.
Обнаружены ли неисправности на выводах разъема жгута проводов, разъема электропривода или в проводке?
-
Перейти к операции 6
Перейдите к Шагу 7
6
Устранить неисправности, выявленные на выводах разъемов или в проводке, или при необходимости заменить электропривод.
Закончен ли ремонт?
-
Система в норме
-
7
  1. Снять автоматический регулятор температуры atc с панели приборов.
  2. Отключить разъемы жгута проводов от автоматического регулятора температуры atc.
  3. Осмотреть выводы на разъемах жгута проводов, разъемы панели управления и проводку жгута проводов.
Обнаружены ли неисправности этих разъемов или проводки?
-
Перейдите к Шагу 8
Перейдите к Шагу 9
8
Устранить неисправности, выявленные на выводах разъемов или в проводке.
Закончен ли ремонт?
-
Система в норме
-
9
Проверить целостность цепи в жгуте проводов между разъемами регулятора и разъемом электропривода заслонки amd.
  • Вывод панели управления b8 - вывод электропривода 1.
  • Вывод панели управления a15 - вывод электропривода 3.
Соответствует ли измеренное сопротивление указанному значению?
≈ 0 Ом
Перейдите к Шагу 10
Перейти к операции 1
10
Устранить нарушения целостности цепи.
Закончен ли ремонт?
-
Система в норме
-

S6B17D12
Показать иллюстрациюПеревод текста в иллюстрациях


Код 5 - Ошибка датчика солнечного освещения

Этот код устанавливается, если сигнал датчика солнечного освещения указывает на вероятное короткое замыкание или разрыв цепи в датчике или соответствующем жгуте проводов, или же на неисправность автоматического регулятора температуры ATC.

Внимание! Проверку ошибки солнечного датчика (код 05) следует осуществлять под прямыми лучами солнца (на улице) или с красной лампой в помещении (освещая датчик красной лампой)

Код 5 - Ошибка датчика солнечного освещения

Шаг Операция Значения Да Нет
1
  1. Поднять датчик солнечного освещения с верхней части передней панели.
  2. Закрепить жгут проводов автоматического регулятора температуры под датчиком солнечного освещения так, чтобы он не мог упасть через отверстие сверху передней панели.
  3. Отсоединить разъем датчика солнечного освещения от жгута автоматического регулятора температуры atc.
  4. Осмотреть проводку от датчика до разъема и разъем на наличие признаков повреждения.
  5. Измерить сопротивление между выводами разъема датчика солнечного освещения.
Обнаружены ли признаки повреждения проводки или разъема, и соответствует ли сопротивление указанному значению?
≈ 0 Ом
Перейти к операции 2
Перейдите к Шагу 3
2
Отремонтировать поврежденную проводку или разъем, или при необходимости заменить датчик солнечного освещения.
Закончен ли ремонт?
-
Система в норме
-
3
  1. Повернуть ключ в замке зажигания в положение on.
  2. Измерить напряжение между двумя выводами в разъеме датчика солнечного освещения на жгуте проводов автоматического регулятора температуры.
Измеренное напряжение соответствует указанному в таблице?
2,5 В ~ 4,8 В
Перейдите к Шагу 7
Перейти к операции 4
4
Проверить выводы в разъеме датчика солнечного освещения.
Обнаружены ли неисправности в разъеме?
-
Перейти к операции 5
Перейти к операции 6
5
Отремонтировать выводы разъема или при необходимости заменить датчик солнечного освещения или автоматический регулятор температуры atc.
Закончен ли ремонт?
-
Система в норме
-
6
  1. Подключить датчик солнечного освещения к жгуту проводов автоматического регулятора температуры atc.
  2. Включить зажигание.
  3. Наблюдать область отображения температуры.
Показывает ли индикатор постоянное наличие неисправности с кодом 5?
-
Перейдите к Шагу 9
Система в норме
7
  1. Снять автоматический регулятор температуры (atc) с панели приборов, не отключая жгут проводов.
  2. Измерить напряжение между выводами a19 и А20 на тыльной стороне разъемов.
Соответствует ли напряжение указанному значению?
2,5 В ~ 4,8 В
Перейдите к Шагу 9
Перейдите к Шагу 8
8
  1. Осмотреть проводку от выводов a19 и А20 регулятора до выводов датчика солнечного освещения на разъеме жгута проводов автоматического регулятора температуры atc.
  2. Устранить найденные разрывы цепи или места повышенного сопротивления в проводке или на выводах разъема.
Закончен ли ремонт?
-
Система в норме
-
9
Заменить автоматический регулятор температуры (atc).
Закончен ли ремонт?
-
Система в норме
-

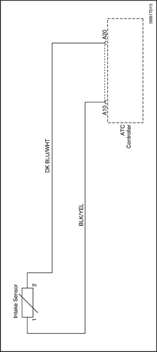
S6B17D13
Показать иллюстрациюПеревод текста в иллюстрациях


Код 8 - Ошибка датчика впускной заслонки

Этот код устанавливается, если сигнал датчика температуры в салоне указывает на вероятное короткое замыкание или разрыв цепи в датчике или соответствующем жгуте проводов, или же на неисправность автоматического регулятора температуры ATC.

Код 8 - Ошибка датчика впускной заслонки

Шаг Операция Значения Да Нет
1
  1. Отключить разъем датчика впускной заслонки от автоматического регулятора температуры atc.
  2. Осмотреть проводку от датчика до разъема и разъем на наличие признаков повреждения.
  3. Измерить сопротивление между выводами разъема датчика температуры в салоне.
Обнаружены ли признаки повреждения проводки или разъема, или сопротивление находится за пределами допустимых значений при 1°c (33,8 f°)?
8kОм ± 1%
Перейти к операции 2
Перейдите к Шагу 3
2
При необходимости отремонтировать поврежденную проводку или разъем, или же заменить датчик впускной заслонки.
Закончен ли ремонт?
-
Система в норме
-
3
  1. Повернуть ключ в замке зажигания в положение on.
  2. Измерить сопротивление между двумя выводами разъема на корпусе регулятора.
Соответствует ли напряжение указанному значению?
6 В
Перейдите к Шагу 7
Перейти к операции 4
4
Проверить выводы на разъеме датчика впускной заслонки.
Обнаружены ли неисправности в разъеме?
-
Перейти к операции 5
Перейти к операции 6
5
При необходимости отремонтировать выводы разъема или заменить датчик впускной заслонки или автоматический регулятор температуры atc.
Закончен ли ремонт?
-
Система в норме
-

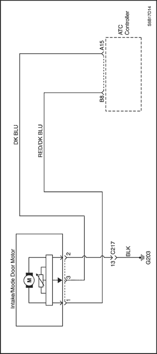
S6B17D14
Показать иллюстрациюПеревод текста в иллюстрациях


Коды 10, 11 - Ошибка заслонки впуска/режима

Этот код устанавливается, если сигнал датчика положения смесительной заслонки показывает, что угол открытия заслонки вне допустимых пределов, или его значение не изменяется в то время, когда заслонка должна перемещаться. Это свидетельствует о том, что в датчике или его проводке имеется короткое замыкание или разрыв, отказал электропривод заслонки или неисправен автоматический регулятор температуры ATC.

Коды 10, 11 - Ошибка заслонки впуска/режима

Шаг Операция Значения Да Нет
1
  1. Отключить разъем жгута проводов панели приборов от электропривода заслонки впуска/режима (amd).
  2. С помощью омметра измерить сопротивление между выводами 1 и 2 на электроприводе amd.
Указывает ли измеренное сопротивление на наличие разрыва или короткого замыкания?
Разрыв = ∞,
Короткое замыкание = 0 Ом
Перейти к операции 4
Перейти к операции 2
2
Измерить напряжение между выводами 1 и 2 на электроприводе amd.
Соответствует ли напряжение указанному значению?
13,5 В
Перейдите к Шагу 3
Перейти к операции 4
3
Измерить напряжение между выводом 3 электропривода amd и выводом А15 на регуляторе atc.
Соответствует ли напряжение указанному значению?
6,0 ± 0,5 В
Перейти к операции 5
Перейти к операции 4
4
Заменить электропривод amd.
Закончен ли ремонт?
-
Система в норме
-
5
Проверить выводы разъема на электроприводе amd и проводку в жгуте проводов автоматического регулятора температуры atc.
Обнаружены ли неисправности на выводах разъема жгута проводов, разъема электропривода или в проводке?
-
Перейти к операции 6
Перейдите к Шагу 7
6
Устранить неисправности, выявленные на выводах разъемов или в проводке, или при необходимости заменить электропривод.
Закончен ли ремонт?
-
Система в норме
-
7
  1. Снять автоматический регулятор температуры atc с панели приборов.
  2. Отключить разъемы жгута проводов от автоматического регулятора температуры atc.
  3. Осмотреть выводы на разъемах жгута проводов, разъемы панели управления и проводку жгута проводов.
Обнаружены ли неисправности этих разъемов или проводки?
-
Перейдите к Шагу 8
Перейдите к Шагу 9
8
Устранить неисправности, выявленные на выводах разъемов или в проводке.
Закончен ли ремонт?
-
Система в норме
-
9
Проверить целостность цепи в жгуте проводов между разъемами регулятора и разъемом электропривода заслонки amd.
  • Вывод панели управления b8 - вывод электропривода 1.
  • Вывод панели управления a15 - вывод электропривода 3.
Соответствует ли измеренное сопротивление указанному значению?
≈ 0 Ом
Перейдите к Шагу 10
Перейти к операции 1
10
Устранить нарушения целостности цепи.
Закончен ли ремонт?
-
Система в норме
-


На предыдущую страницу На следующую страницу
https://vnx.su/ 🛠 Руководства по ремонту и эксплуатации для автомобилей

Поиск по сайту

Остались вопросы или пожелания? Пишите на почту: support@vnx.su

Карта Сайта