К началу документа
Aveo
На предыдущую страницу На следующую страницу
Главная страница GMDE Загрузить нединамическое оглавление Загрузить динамическое оглавление Помощь



4. КОНТРОЛЛЕР ЭЛЕКТРОННОЙ СИСТЕМЫ УПРАВЛЕНИЯ ДВИГАТЕЛЕМ : SIRIUS D42R

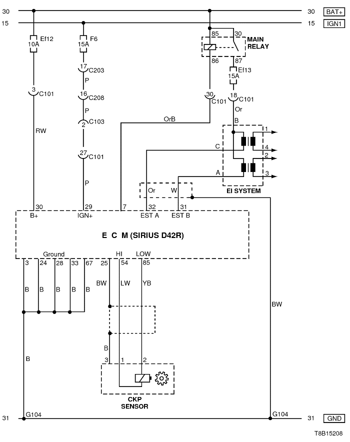
1) ЦЕПЬ ЭЛЕКТРОПИТАНИЯ ОТ АККУМУЛЯТОРНОЙ БАТАРЕИ, МАССЫ, СИСТЕМЫ ЭЛЕКТРОННОГО ЗАЖИГАНИЯ И ДАТЧИКА ПОЛОЖЕНИЯ КОЛЕНВАЛА

T8B15208.png
Показать иллюстрациюПеревод текста в иллюстрациях


а. ИНФОРМАЦИЯ О РАЗЪЁМЕ

№ РАЗЪЁМА
(№ И ЦВЕТ КОНТАКТА)
СОЕДИНИТЕЛЬНЫЙ ЖГУТ ПРОВОДОВ ПОЛОЖЕНИЕ РАЗЪЁМА
С101 (контакт 32, черный) Двигатель - блок предохранителей в моторном отсеке Блок предохранителей в моторном отсеке
С102 (контакт 32, серый) Передняя часть кузова - блок предохранителей в моторном отсеке Блок предохранителей в моторном отсеке
С203 (контакт 18, белый) Приборная панель - блок предохранителей на приборной панели Блок предохранителей на приборной панели
С208 (контакт 22, желтый) Передняя часть - приборная панель Передняя часть - контроллер КПП
G104 Аккумуляторная батарея Рядом со стартером

б. УСЛОВНОЕ ОБОЗНАЧЕНИЕ & И НАХОЖДЕНИЕ НОМЕРА КОНТАКТА

T8B1P012.png
Показать иллюстрациюПеревод текста в иллюстрациях


в. РАСПОЛОЖЕНИЕ РАЗЪЁМОВ И СОЕДИНЕНИЙ МАССЫ

T8B12003.png
Показать иллюстрациюПеревод текста в иллюстрациях


S6B12001.png
Показать иллюстрациюПеревод текста в иллюстрациях


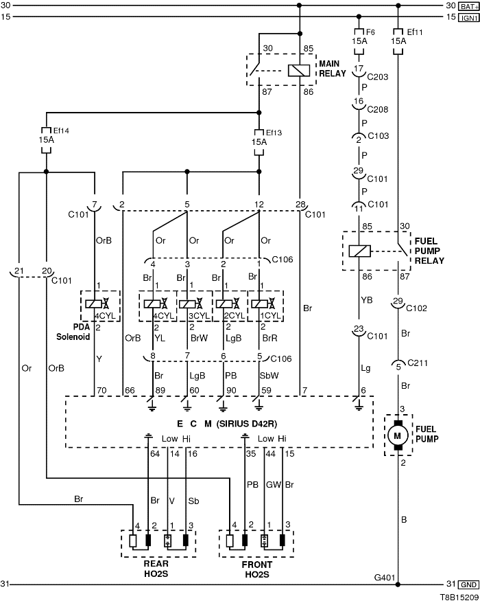
2) ЦЕПЬ ТОПЛИВНОГО НАСОСА, ФОРСУНКИ И КИСЛОРОДНОГО ДАТЧИКА

T8B15209.png
Показать иллюстрациюПеревод текста в иллюстрациях


а. ИНФОРМАЦИЯ О РАЗЪЁМЕ

№ РАЗЪЁМА
(№ И ЦВЕТ КОНТАКТА)
СОЕДИНИТЕЛЬНЫЙ ЖГУТ ПРОВОДОВ ПОЛОЖЕНИЕ РАЗЪЁМА
С101 (контакт 32, черный) Двигатель - блок предохранителей в моторном отсеке Блок предохранителей в моторном отсеке
С102 (контакт 32, серый) Передняя часть кузова - блок предохранителей в моторном отсеке Блок предохранителей в моторном отсеке
С203 (контакт 18, белый) Приборная панель - блок предохранителей на приборной панели Блок предохранителей на приборной панели
С208 (контакт 22, желтый) Передняя часть - приборная панель Передняя часть - контроллер КПП
С211 (контакт 15, желтый) Передняя часть - пол Под левой передней стойкой
G104 Аккумуляторная батарея Рядом со стартером

б. УСЛОВНОЕ ОБОЗНАЧЕНИЕ & И НАХОЖДЕНИЕ НОМЕРА КОНТАКТА

T8B1P013.png
Показать иллюстрациюПеревод текста в иллюстрациях


в. РАСПОЛОЖЕНИЕ РАЗЪЁМОВ И СОЕДИНЕНИЙ МАССЫ

T8B12003.png
Показать иллюстрациюПеревод текста в иллюстрациях


S6B12001.png
Показать иллюстрациюПеревод текста в иллюстрациях


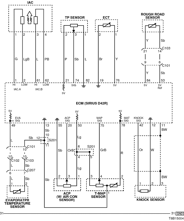
3) ЦЕПИ РЕГУЛЯТОРА ХОЛОСТОГО ХОДА И ДАТЧИКОВ (ТЕМПЕРАТУРЫ ОХЛАЖДАЮЩЕЙ ЖИДКОСТИ, НЕРОВНОЙ ДОРОГИ, АБСОЛЮТНОГО ДАВЛЕНИЯ В КОЛЛЕКТОРЕ, ДАВЛЕНИЯ КОМПРЕССОРА, ТЕМПЕРАТУРЫ ИСПАРИТЕЛЯ И ДЕТОНАЦИИ)

T8B15004.png
Показать иллюстрациюПеревод текста в иллюстрациях


а. ИНФОРМАЦИЯ О РАЗЪЁМЕ

№ РАЗЪЁМА
(№ И ЦВЕТ КОНТАКТА)
СОЕДИНИТЕЛЬНЫЙ ЖГУТ ПРОВОДОВ ПОЛОЖЕНИЕ РАЗЪЁМА
С101 (контакт 32, черный) Двигатель - блок предохранителей в моторном отсеке Блок предохранителей в моторном отсеке
C103 (контакт 32, коричневый) Передняя часть кузова - блок предохранителей в моторном отсеке Блок предохранителей в моторном отсеке
С204 (контакт 18, серый) Приборная панель - двигатель Верхняя часть пространства для ног водителя
S201 Двигатель Позади блока предохранителей на приборной панели

б. УСЛОВНОЕ ОБОЗНАЧЕНИЕ & И НАХОЖДЕНИЕ НОМЕРА КОНТАКТА

T8B1P014.png
Показать иллюстрациюПеревод текста в иллюстрациях


в. РАСПОЛОЖЕНИЕ РАЗЪЁМОВ И СОЕДИНЕНИЙ МАССЫ

T8B12003.png
Показать иллюстрациюПеревод текста в иллюстрациях


S6B12001.png
Показать иллюстрациюПеревод текста в иллюстрациях


г. КОНТАКТНАЯ КОЛОДКА

s201

T8B1S002.png
Показать иллюстрациюПеревод текста в иллюстрациях


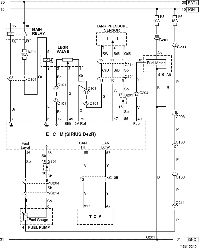
4) ЦЕПЬ КОМБИНАЦИИ ПРИБОРОВ, КЛАПАНА РЕЦИРКУЛЯЦИИ ОТРАБОТАВШИХ ГАЗОВ, ТОПЛИВНОГО НАСОСА И КОНТРОЛЛЕРА КПП

T8B15210.png
Показать иллюстрациюПеревод текста в иллюстрациях


а. ИНФОРМАЦИЯ О РАЗЪЁМЕ

№ РАЗЪЁМА
(№ И ЦВЕТ КОНТАКТА)
СОЕДИНИТЕЛЬНЫЙ ЖГУТ ПРОВОДОВ ПОЛОЖЕНИЕ РАЗЪЁМА
С101 (контакт 32, черный) Двигатель - блок предохранителей в моторном отсеке Блок предохранителей в моторном отсеке
С105 (контакт 3, серый) Двигатель - контроллер КПП Рядом с контроллером EBCM
С201 (контакт 76, черный) Приборная панель - блок предохранителей на приборной панели Блок предохранителей на приборной панели
С202 (контакт 20, белый) Приборная панель - блок предохранителей на приборной панели Блок предохранителей на приборной панели
С204 (контакт 18, серый) Приборная панель - двигатель Верхняя часть пространства для ног водителя
С214 (контакт 24, черный) Приборная панель - пол Под левой передней стойкой
G201 Приборная панель Верхний выключатель управления зеркалом

б. УСЛОВНОЕ ОБОЗНАЧЕНИЕ & И НАХОЖДЕНИЕ НОМЕРА КОНТАКТА

T8B1P015.png
Показать иллюстрациюПеревод текста в иллюстрациях


в. РАСПОЛОЖЕНИЕ РАЗЪЁМОВ И СОЕДИНЕНИЙ МАССЫ

T8B12003.png
Показать иллюстрациюПеревод текста в иллюстрациях


S6B12001.png
Показать иллюстрациюПеревод текста в иллюстрациях


г. КОНТАКТНАЯ КОЛОДКА

s201

T8B1S002.png
Показать иллюстрациюПеревод текста в иллюстрациях


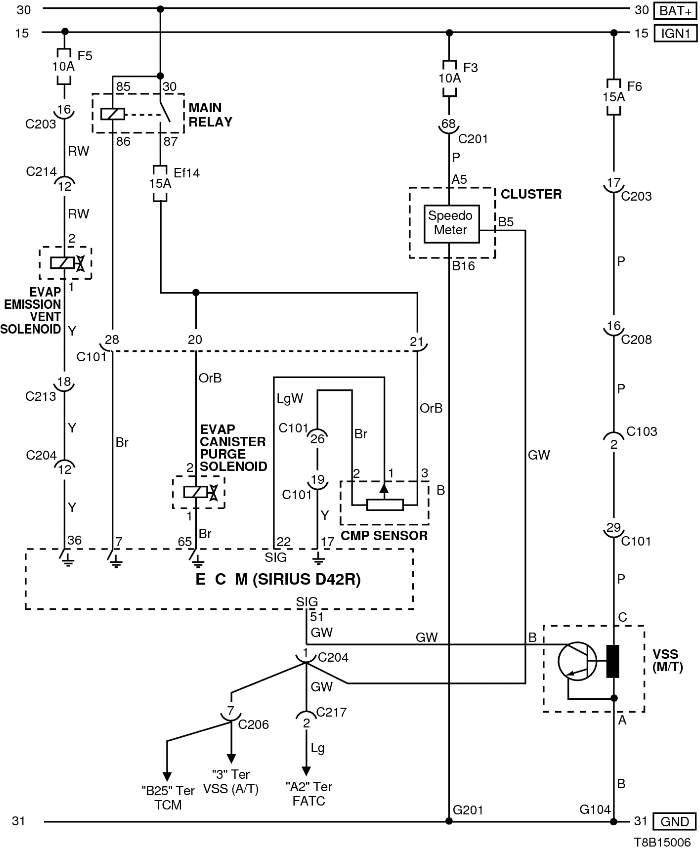
5) ЦЕПЬ ДАТЧИКА ПОЛОЖЕНИЯ РАСПРЕДЕЛИТЕЛЬНОГО ВАЛА, КЛАПАНА ПРОДУВКИ АДСОРБЕРА СИСТЕМЫ УЛАВЛИВАНИЯ ПАРОВ БЕНЗИНА, КОМБИНАЦИИ ПРИБОРОВ И ДАТЧИКА СКОРОСТИ АВТОМОБИЛЯ

T8B15006.png
Показать иллюстрациюПеревод текста в иллюстрациях


а. ИНФОРМАЦИЯ О РАЗЪЁМЕ

№ РАЗЪЁМА
(№ И ЦВЕТ КОНТАКТА)
СОЕДИНИТЕЛЬНЫЙ ЖГУТ ПРОВОДОВ ПОЛОЖЕНИЕ РАЗЪЁМА
С101 (контакт 32, черный) Двигатель - блок предохранителей в моторном отсеке Блок предохранителей в моторном отсеке
С102 (контакт 32, серый) Передняя часть кузова - блок предохранителей в моторном отсеке Блок предохранителей в моторном отсеке
С201 (контакт 76, черный) Приборная панель - блок предохранителей на приборной панели Блок предохранителей на приборной панели
С203 (контакт 18, белый) Приборная панель - блок предохранителей на приборной панели Блок предохранителей на приборной панели
С204 (контакт 18, серый) Приборная панель - двигатель Верхняя часть пространства для ног водителя
С206 (контакт 10, белый) Контроллер КПП - приборная панель Под контроллером КПП
С217 (контакт 16, белый) Приборная панель - автоматическое регулирование температуры Под электровентилятором
G104 Аккумуляторная батарея Рядом со стартером
G201 Приборная панель Верхний выключатель управления зеркалом

б. УСЛОВНОЕ ОБОЗНАЧЕНИЕ & И НАХОЖДЕНИЕ НОМЕРА КОНТАКТА

T8B1P016.png
Показать иллюстрациюПеревод текста в иллюстрациях


в. РАСПОЛОЖЕНИЕ РАЗЪЁМОВ И СОЕДИНЕНИЙ МАССЫ

T8B12003.png
Показать иллюстрациюПеревод текста в иллюстрациях


S6B12001.png
Показать иллюстрациюПеревод текста в иллюстрациях


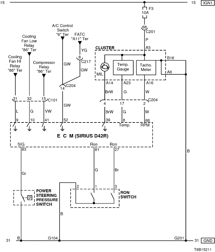
6) ЦЕПЬ КОМБИНАЦИИ ПРИБОРОВ, РЕЛЕ ДАВЛЕНИЯ В СИСТЕМЕ РУЛЕВОГО УПРАВЛЕНИЯ С ГИДРОУСИЛИТЕЛЕМ И ПЕРЕКЛЮЧАТЕЛЯ ОКТАНОВОГО ЧИСЛА

T8B15211.png
Показать иллюстрациюПеревод текста в иллюстрациях


а. ИНФОРМАЦИЯ О РАЗЪЁМЕ

№ РАЗЪЁМА
(№ И ЦВЕТ КОНТАКТА)
СОЕДИНИТЕЛЬНЫЙ ЖГУТ ПРОВОДОВ ПОЛОЖЕНИЕ РАЗЪЁМА
С101 (контакт 32, черный) Двигатель - блок предохранителей в моторном отсеке Блок предохранителей в моторном отсеке
С201 (контакт 76, черный) Приборная панель - блок предохранителей на приборной панели Блок предохранителей на приборной панели
С204 (контакт 18, серый) Приборная панель - двигатель Верхняя часть пространства для ног водителя
G104 Аккумуляторная батарея Рядом со стартером

б. УСЛОВНОЕ ОБОЗНАЧЕНИЕ & И НАХОЖДЕНИЕ НОМЕРА КОНТАКТА

T8B1P017.png
Показать иллюстрациюПеревод текста в иллюстрациях


в. РАСПОЛОЖЕНИЕ РАЗЪЁМОВ И СОЕДИНЕНИЙ МАССЫ

T8B12003.png
Показать иллюстрациюПеревод текста в иллюстрациях


S6B12001.png
Показать иллюстрациюПеревод текста в иллюстрациях


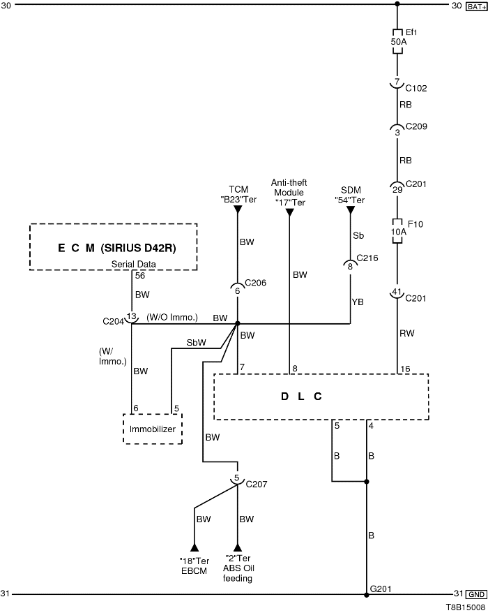
7) ЦЕПЬ КОЛОДКИ ДИАГНОСТИКИ, КОНТРОЛЬНОЙ ЛАМПЫ ИНДИКАЦИИ НЕИСПРАВНОСТИ И ПЕРЕКЛЮЧАТЕЛЯ ОКТАНОВОГО ЧИСЛА

T8B15008.png
Показать иллюстрациюПеревод текста в иллюстрациях


а. ИНФОРМАЦИЯ О РАЗЪЁМЕ

№ РАЗЪЁМА
(№ И ЦВЕТ КОНТАКТА)
СОЕДИНИТЕЛЬНЫЙ ЖГУТ ПРОВОДОВ ПОЛОЖЕНИЕ РАЗЪЁМА
С102 (контакт 32, серый) Передняя часть кузова - блок предохранителей в моторном отсеке Блок предохранителей в моторном отсеке
С201 (контакт 76, черный) Приборная панель - блок предохранителей на приборной панели Блок предохранителей на приборной панели
С203 (контакт 18, белый) Приборная панель - блок предохранителей на приборной панели Блок предохранителей на приборной панели
С204 (контакт 18, серый) Приборная панель - двигатель Верхняя часть пространства для ног водителя
С206 (контакт 10, белый) Контроллер КПП - приборная панель Под контроллером КПП
С207 (контакт 12, серый) Передняя часть - приборная панель Под блоком предохранителей на приборной панели
С209 (контакт 4, белый) Передняя часть - приборная панель Передняя часть - контроллер КПП
С216 (контакт 12, белый) Подушка безопасности - приборная панель Позади кондиционера
G201 Приборная панель Верхний выключатель управления зеркалом

б. УСЛОВНОЕ ОБОЗНАЧЕНИЕ & И НАХОЖДЕНИЕ НОМЕРА КОНТАКТА

S6B1P021.png
Показать иллюстрациюПеревод текста в иллюстрациях


в. РАСПОЛОЖЕНИЕ РАЗЪЁМОВ И СОЕДИНЕНИЙ МАССЫ

S6B12001.png
Показать иллюстрациюПеревод текста в иллюстрациях


T8B12003.png
Показать иллюстрациюПеревод текста в иллюстрациях


На предыдущую страницу На следующую страницу


https://vnx.su/ 🛠 Руководства по ремонту и эксплуатации для автомобилей

Поиск по сайту

Остались вопросы или пожелания? Пишите на почту: support@vnx.su

Карта Сайта