К началу документа
Aveo
На предыдущую страницу На следующую страницу
Главная страница GMDE Загрузить нединамическое оглавление Загрузить динамическое оглавление Помощь



24. КОМБИНАЦИЯ ПРИБОРОВ

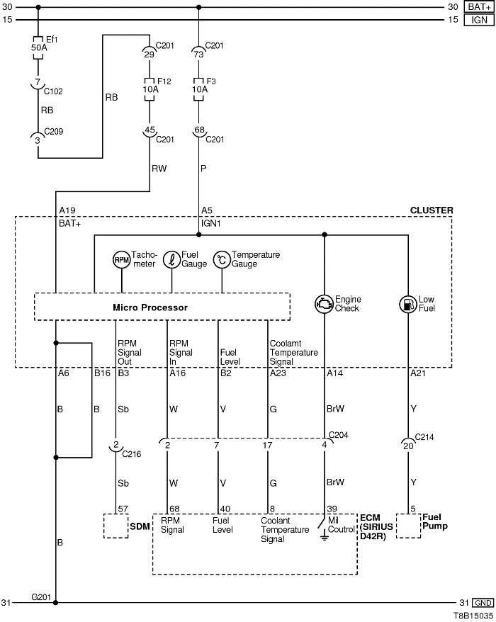
1) ТАХОМЕТР, УКАЗАТЕЛИ УРОВНЯ ТОПЛИВА И ТЕМПЕРАТУРЫ ОХЛАЖДАЮЩЕЙ ЖИДКОСТИ : sirius d42r

T8B15035.png
Показать иллюстрациюПеревод текста в иллюстрациях


а. ИНФОРМАЦИЯ О РАЗЪЁМЕ

№ РАЗЪЁМА
(№ И ЦВЕТ КОНТАКТА)
СОЕДИНИТЕЛЬНЫЙ ЖГУТ ПРОВОДОВ ПОЛОЖЕНИЕ РАЗЪЁМА
С102 (контакт 32, серый) Передняя часть кузова - блок предохранителей в моторном отсеке Блок предохранителей в моторном отсеке
С201 (контакт 76, черный) Приборная панель - блок предохранителей на приборной панели Блок предохранителей на приборной панели
С203 (контакт 18, белый) Приборная панель - блок предохранителей на приборной панели Блок предохранителей на приборной панели
С204 (контакт 18, серый) Приборная панель - двигатель Верхняя часть пространства для ног водителя
С209 (контакт 4, белый) Передняя часть - приборная панель Передняя часть - контроллер КПП
С214 (контакт 24, черный) Приборная панель - пол Под левой передней стойкой
С216 (контакт 12, белый) Подушка безопасности - приборная панель Позади кондиционера
G201 Приборная панель Верхний выключатель управления зеркалом

б. УСЛОВНОЕ ОБОЗНАЧЕНИЕ & И НАХОЖДЕНИЕ НОМЕРА КОНТАКТА

T8B1P041.png
Показать иллюстрациюПеревод текста в иллюстрациях


в. РАСПОЛОЖЕНИЕ РАЗЪЁМОВ И СОЕДИНЕНИЙ МАССЫ

S6B12001.png
Показать иллюстрациюПеревод текста в иллюстрациях


T8B12003.png
Показать иллюстрациюПеревод текста в иллюстрациях


2) ТАХОМЕТР, УКАЗАТЕЛЬ ОСТАТКА ТОПЛИВА И УКАЗАТЕЛЬ ТЕМПЕРАТУРЫ ОХЛАЖДАЮЩЕЙ ЖИДКОСТИ : mr-140

T8B15068.png
Показать иллюстрациюПеревод текста в иллюстрациях


а. ИНФОРМАЦИЯ О РАЗЪЁМЕ

№ РАЗЪЁМА
(№ И ЦВЕТ КОНТАКТА)
СОЕДИНИТЕЛЬНЫЙ ЖГУТ ПРОВОДОВ ПОЛОЖЕНИЕ РАЗЪЁМА
С102 (контакт 32, серый) Передняя часть кузова - блок предохранителей в моторном отсеке Блок предохранителей в моторном отсеке
С201 (контакт 76, черный) Приборная панель - блок предохранителей на приборной панели Блок предохранителей на приборной панели
С203 (контакт 18, белый) Приборная панель - блок предохранителей на приборной панели Блок предохранителей на приборной панели
С204 (контакт 18, серый) Приборная панель - двигатель Верхняя часть пространства для ног водителя
С209 (контакт 4, белый) Передняя часть - приборная панель Передняя часть - контроллер КПП
С214 (контакт 24, черный) Приборная панель - пол Под левой передней стойкой
С216 (контакт 12, белый) Подушка безопасности - приборная панель Позади кондиционера
G201 Приборная панель Верхний выключатель управления зеркалом

б. УСЛОВНОЕ ОБОЗНАЧЕНИЕ & И НАХОЖДЕНИЕ НОМЕРА КОНТАКТА

T8B1P042.png
Показать иллюстрациюПеревод текста в иллюстрациях


в. РАСПОЛОЖЕНИЕ РАЗЪЁМОВ И СОЕДИНЕНИЙ МАССЫ

S6B12001.png
Показать иллюстрациюПеревод текста в иллюстрациях


S6B12008.png
Показать иллюстрациюПеревод текста в иллюстрациях


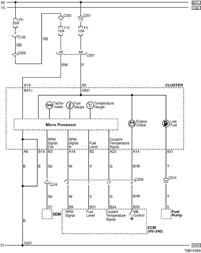
3) ТАХОМЕТР, УКАЗАТЕЛЬ ОСТАТКА ТОПЛИВА И УКАЗАТЕЛЬ ТЕМПЕРАТУРЫ ОХЛАЖДАЮЩЕЙ ЖИДКОСТИ : hv-240

T8B15069.png
Показать иллюстрациюПеревод текста в иллюстрациях


а. ИНФОРМАЦИЯ О РАЗЪЁМЕ

№ РАЗЪЁМА
(№ И ЦВЕТ КОНТАКТА)
СОЕДИНИТЕЛЬНЫЙ ЖГУТ ПРОВОДОВ ПОЛОЖЕНИЕ РАЗЪЁМА
С102 (контакт 32, серый) Передняя часть кузова - блок предохранителей в моторном отсеке Блок предохранителей в моторном отсеке
С201 (контакт 76, черный) Приборная панель - блок предохранителей на приборной панели Блок предохранителей на приборной панели
С203 (контакт 18, белый) Приборная панель - блок предохранителей на приборной панели Блок предохранителей на приборной панели
С204 (контакт 18, серый) Приборная панель - двигатель Верхняя часть пространства для ног водителя
С209 (контакт 4, белый) Передняя часть - приборная панель Передняя часть - контроллер КПП
С214 (контакт 24, черный) Приборная панель - пол Под левой передней стойкой
С216 (контакт 12, белый) Подушка безопасности - приборная панель Позади кондиционера
G201 Приборная панель Верхний выключатель управления зеркалом

б. УСЛОВНОЕ ОБОЗНАЧЕНИЕ & И НАХОЖДЕНИЕ НОМЕРА КОНТАКТА

T8B1P043.png
Показать иллюстрациюПеревод текста в иллюстрациях


в. РАСПОЛОЖЕНИЕ РАЗЪЁМОВ И СОЕДИНЕНИЙ МАССЫ

S6B12001.png
Показать иллюстрациюПеревод текста в иллюстрациях


S6B12007.png
Показать иллюстрациюПеревод текста в иллюстрациях


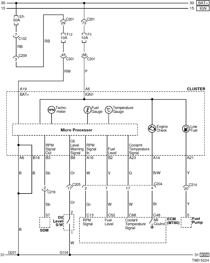
4) ТАХОМЕТР, УКАЗАТЕЛИ УРОВНЯ ТОПЛИВА И ТЕМПЕРАТУРЫ ОХЛАЖДАЮЩЕЙ ЖИДКОСТИ : mt80

T8B15224.png
Показать иллюстрациюПеревод текста в иллюстрациях


а. ИНФОРМАЦИЯ О РАЗЪЁМЕ

№ РАЗЪЁМА
(№ И ЦВЕТ КОНТАКТА)
СОЕДИНИТЕЛЬНЫЙ ЖГУТ ПРОВОДОВ ПОЛОЖЕНИЕ РАЗЪЁМА
С102 (контакт 32, серый) Передняя часть кузова - блок предохранителей в моторном отсеке Блок предохранителей в моторном отсеке
С201 (контакт 76, черный) Приборная панель - блок предохранителей на приборной панели Блок предохранителей на приборной панели
С203 (контакт 18, белый) Приборная панель - блок предохранителей на приборной панели Блок предохранителей на приборной панели
С204 (контакт 18, серый) Приборная панель - двигатель Верхняя часть пространства для ног водителя
С209 (контакт 4, белый) Передняя часть - приборная панель Передняя часть - контроллер КПП
С214 (контакт 24, черный) Приборная панель - пол Под левой передней стойкой
С216 (контакт 12, белый) Подушка безопасности - приборная панель Позади кондиционера
G201 Приборная панель Верхний выключатель управления зеркалом

б. УСЛОВНОЕ ОБОЗНАЧЕНИЕ & И НАХОЖДЕНИЕ НОМЕРА КОНТАКТА

T8B1P215.png
Показать иллюстрациюПеревод текста в иллюстрациях


в. РАСПОЛОЖЕНИЕ РАЗЪЁМОВ И СОЕДИНЕНИЙ МАССЫ

S6B12001.png
Показать иллюстрациюПеревод текста в иллюстрациях


T8B12103.png
Показать иллюстрациюПеревод текста в иллюстрациях


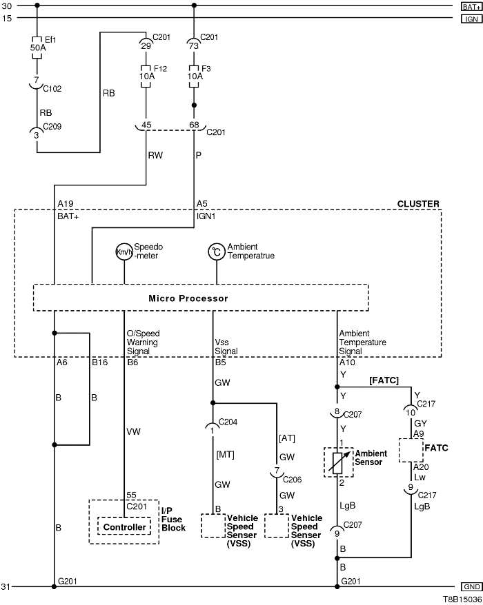
5) СПИДОМЕТР И УКАЗАТЕЛЬ НАРУЖНОЙ ТЕМПЕРАТУРЫ

T8B15036.png
Показать иллюстрациюПеревод текста в иллюстрациях


а. ИНФОРМАЦИЯ О РАЗЪЁМЕ

№ РАЗЪЁМА
(№ И ЦВЕТ КОНТАКТА)
СОЕДИНИТЕЛЬНЫЙ ЖГУТ ПРОВОДОВ ПОЛОЖЕНИЕ РАЗЪЁМА
С102 (контакт 32, серый) Передняя часть кузова - блок предохранителей в моторном отсеке Блок предохранителей в моторном отсеке
С201 (контакт 76, черный) Приборная панель - блок предохранителей на приборной панели Блок предохранителей на приборной панели
С203 (контакт 18, белый) Приборная панель - блок предохранителей на приборной панели Блок предохранителей на приборной панели
С204 (контакт 18, серый) Приборная панель - двигатель Верхняя часть пространства для ног водителя
С207 (контакт 12, серый) Передняя часть - приборная панель Под блоком предохранителей на приборной панели
С209 (контакт 4, белый) Передняя часть - приборная панель Передняя часть - контроллер КПП
С217 (контакт 16, белый) Приборная панель - автоматическое регулирование температуры Под электровентилятором
G201 Приборная панель Верхний выключатель управления зеркалом

б. УСЛОВНОЕ ОБОЗНАЧЕНИЕ & И НАХОЖДЕНИЕ НОМЕРА КОНТАКТА

S6B1P059.png
Показать иллюстрациюПеревод текста в иллюстрациях


в. РАСПОЛОЖЕНИЕ РАЗЪЁМОВ И СОЕДИНЕНИЙ МАССЫ

S6B12001.png
Показать иллюстрациюПеревод текста в иллюстрациях


T8B12002.png
Показать иллюстрациюПеревод текста в иллюстрациях


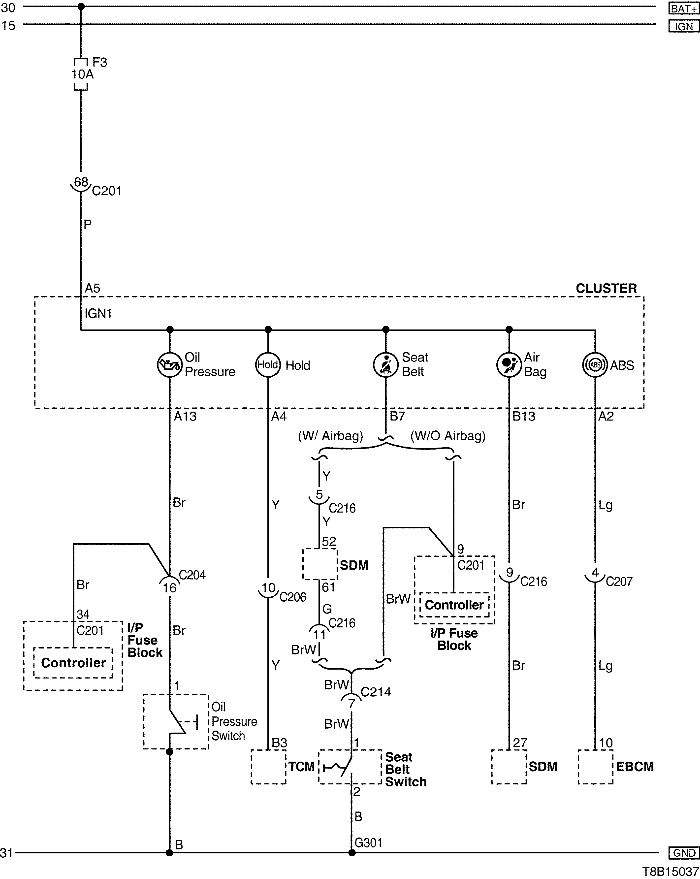
6) ПРЕДУПРЕДИТЕЛЬНЫЕ ИНДИКАТОРЫ

T8B15037.png
Показать иллюстрациюПеревод текста в иллюстрациях


а. ИНФОРМАЦИЯ О РАЗЪЁМЕ

№ РАЗЪЁМА
(№ И ЦВЕТ КОНТАКТА)
СОЕДИНИТЕЛЬНЫЙ ЖГУТ ПРОВОДОВ ПОЛОЖЕНИЕ РАЗЪЁМА
С201 (контакт 76, черный) Приборная панель - блок предохранителей на приборной панели Блок предохранителей на приборной панели
С204 (контакт 18, серый) Приборная панель - двигатель Верхняя часть пространства для ног водителя
С206 (контакт 10, белый) Контроллер КПП - приборная панель Под контроллером КПП
С207 (контакт 12, серый) Передняя часть - приборная панель Под блоком предохранителей на приборной панели
С214 (контакт 24, черный) Приборная панель - пол Под левой передней стойкой
С216 (контакт 12, белый) Подушка безопасности - приборная панель Позади кондиционера
G301 Пол Под подушкой правого сиденья

б. УСЛОВНОЕ ОБОЗНАЧЕНИЕ & И НАХОЖДЕНИЕ НОМЕРА КОНТАКТА

T8B1P044.png
Показать иллюстрациюПеревод текста в иллюстрациях


в. РАСПОЛОЖЕНИЕ РАЗЪЁМОВ И СОЕДИНЕНИЙ МАССЫ

S6B12001.png
Показать иллюстрациюПеревод текста в иллюстрациях


S6B12012.png
Показать иллюстрациюПеревод текста в иллюстрациях


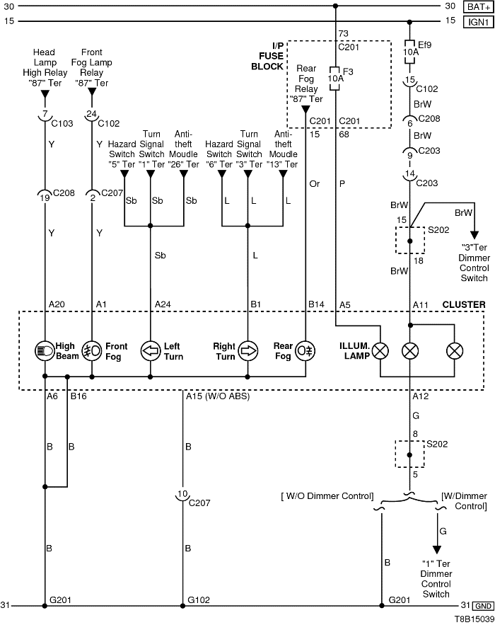
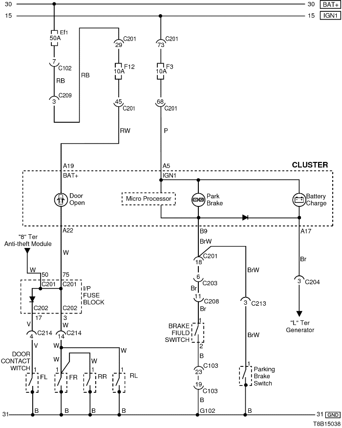
7) ПРЕДУПРЕДИТЕЛЬНЫЕ ИНДИКАТОРЫ

T8B15038.png
Показать иллюстрациюПеревод текста в иллюстрациях


а. ИНФОРМАЦИЯ О РАЗЪЁМЕ

№ РАЗЪЁМА
(№ И ЦВЕТ КОНТАКТА)
СОЕДИНИТЕЛЬНЫЙ ЖГУТ ПРОВОДОВ ПОЛОЖЕНИЕ РАЗЪЁМА
С102 (контакт 32, серый) Передняя часть кузова - блок предохранителей в моторном отсеке Блок предохранителей в моторном отсеке
C103 (контакт 32, коричневый) Передняя часть кузова - блок предохранителей в моторном отсеке Блок предохранителей в моторном отсеке
С201 (контакт 76, черный) Приборная панель - блок предохранителей на приборной панели Блок предохранителей на приборной панели
С202 (контакт 20, белый) Приборная панель - блок предохранителей на приборной панели Блок предохранителей на приборной панели
С203 (контакт 18, белый) Приборная панель - блок предохранителей на приборной панели Блок предохранителей на приборной панели
С204 (контакт 18, серый) Приборная панель - двигатель Верхняя часть пространства для ног водителя
С208 (контакт 22, желтый) Передняя часть - приборная панель Передняя часть - контроллер КПП
С209 (контакт 4, белый) Передняя часть - приборная панель Передняя часть - контроллер КПП
С214 (контакт 24, черный) Приборная панель - пол Под левой передней стойкой
G102 ПЕРЕДНЯЯ ЧАСТЬ За левой фарой

б. УСЛОВНОЕ ОБОЗНАЧЕНИЕ & И НАХОЖДЕНИЕ НОМЕРА КОНТАКТА

T8B1P045.png
Показать иллюстрациюПеревод текста в иллюстрациях


в. РАСПОЛОЖЕНИЕ РАЗЪЁМОВ И СОЕДИНЕНИЙ МАССЫ

S6B12001.png
Показать иллюстрациюПеревод текста в иллюстрациях


T8B12002.png
Показать иллюстрациюПеревод текста в иллюстрациях


T8B12004.png
Показать иллюстрациюПеревод текста в иллюстрациях


8) КОНТРОЛЬНАЯ ЛАМПА И ОСВЕЩЕНИЕ

T8B15039.png
Показать иллюстрациюПеревод текста в иллюстрациях


а. ИНФОРМАЦИЯ О РАЗЪЁМЕ

№ РАЗЪЁМА
(№ И ЦВЕТ КОНТАКТА)
СОЕДИНИТЕЛЬНЫЙ ЖГУТ ПРОВОДОВ ПОЛОЖЕНИЕ РАЗЪЁМА
С102 (контакт 32, серый) Передняя часть кузова - блок предохранителей в моторном отсеке Блок предохранителей в моторном отсеке
C103 (контакт 32, коричневый) Передняя часть кузова - блок предохранителей в моторном отсеке Блок предохранителей в моторном отсеке
С201 (контакт 76, черный) Приборная панель - блок предохранителей на приборной панели Блок предохранителей на приборной панели
С203 (контакт 18, белый) Приборная панель - блок предохранителей на приборной панели Блок предохранителей на приборной панели
S202 Приборная панель За поперечной рулевой тягой с левой стороны
G201 Приборная панель Верхний выключатель управления зеркалом

б. УСЛОВНОЕ ОБОЗНАЧЕНИЕ & И НАХОЖДЕНИЕ НОМЕРА КОНТАКТА

S6B1P062.png
Показать иллюстрациюПеревод текста в иллюстрациях


в. РАСПОЛОЖЕНИЕ РАЗЪЁМОВ И СОЕДИНЕНИЙ МАССЫ

S6B12001.png
Показать иллюстрациюПеревод текста в иллюстрациях


T8B12002.png
Показать иллюстрациюПеревод текста в иллюстрациях


г. КОНТАКТНАЯ КОЛОДКА

s202

T8B1S003..png
Показать иллюстрациюПеревод текста в иллюстрациях


На предыдущую страницу На следующую страницу


https://vnx.su/ 🛠 Руководства по ремонту и эксплуатации для автомобилей

Поиск по сайту

Остались вопросы или пожелания? Пишите на почту: support@vnx.su

Карта Сайта