К началу документа
Tacuma
На предыдущую страницуНа следующую страницу
Главная страница GMDEЗагрузить нединамическое оглавлениеЗагрузить динамическое оглавлениеПомощь

РАЗДЕЛ 9T

Иммобилизирующая противоугонная система

Внимание! Отсоедините провод от отрицательного вывода аккумулятора, прежде чем снимать или устанавливать какие-либо электрические устройства, а также в ситуации, когда есть возможность касания оголенных электрических контактов каким-либо инструментом или приспособлением. Отсоединение этого провода позволяет избежать травм и повреждения оборудования автомобиля. Кроме того, если не указано иное, зажигание должно находиться в положении LOCK.

ОПИСАНИЕ И РАБОТА

ИММОБИЛИЗИРУЮЩАЯ СИСТЕМА

Цель иммобилизирующей системы - обеспечить дополнительную защиту от угона автомобиля, в котором она установлена, и защитить его от кражи или угона несанкционированными пользователями.
Проверка информации о пользователе осуществляется с помощью ключа зажигания с встроенным транспондером.
Наружный дисплей изображает состояние иммобилизириующей системы и имеет дополнительную противоугонную функцию.
Чтобы защитить обмен информацией, данные о состоянии передаются от иммобилизирующей системы на ЕСМ в виде 5-байтовых закодированных данных.
Эти 5 байтов состоят из смеси случайных данных и двух типов фиксированного кода
Номер VIN известен при первой поставке системы.
Номер VIN реализуется блоком ICU по специальному заказу от кодировки ключа (считывание кода транспондера и сохранение его в памяти EEPROM иммобилизирующей системы в качестве действующего кода ключа).
Разные случайные данные рассчитываются при каждом переходе ключа.
Вся передача иммобилизирующей информации между ЕСМ и ICU осуществляется на линии К (: Линия последовательно передаваемых данных'7').
Благодаря узнаванию специального идентификационного номера автомобиля, как ICU так и ЕСМ могут оставаться в 3 стабильных режимах
При использовании действующего ключа происходит передача сообщения с ЕСМ, а дисплей изображает состояние иммобилизирующей системы. В случае использования недействительного ключа ЕСМ выключает цепь топливного инжектора с помощью закодированного внедрения и устанавливает диагностический код неисправности (DTC)
Вышеуказанные условия сохраняются до тех пор, пока зажигание не будет выключено.
Электронный блок управления (ЕСМ) без блока управления иммобилизирующей системы не может быть заменен на ЕСМ с блоком управления иммобилизирующей системы. Блок управления иммобилизирующей системы и ЕСМ должны иметь совпадающий идентификационный код. Кодировка идентификационного номера и ключа выполняются с помощью прибора Scanner-100.
Иммобилизирующая система состоит максимум из

ЭЛЕКТРОННО ЗАКОДИРОВАННЫМИ КЛЮЧАМИ

Каждый действующий ключ зажигания имеет внутренний транспондер, который представляет собой читающий/пишущий транспондер.
Транспондер содержит реализацию крипто-алгоритма с 96 битами секретного ключа, изменяемого пользователем, содержащегося в EEPROM, и передает данные на ICU путем модулирования амплитуды электромагнитного поля и таким же образом получает данные и команды.

ДЕТЕКТОРНАЯ КАТУШКА

Тороидальная катушка установлена на замке зажигания перед ключом-жезлом.
Она соединена с ICU четырехполюсным разъемом, прикрепленном к корпусу катушки.
Длина соединения между катушкой и иммобилизирующей системой ограничивается 50 см. Правильное расположение замка зажигания и точные данные по электричеству имеют очень важное значение для расстояния считывания транспондера.
Тороидальная катушка и приемная катушка внутри транспондера образуют трансформатор. Во время процесса считывания катушка индуктирует энергию в транспондер. Транспондер заряжает поле и создает модулированный амплитудный сигнал с данными с манчестерским кодом. Этот заряд поля демодулируется внутри иммобилизирующей системы.
Иммобилизирующая система содержит средства привода катушки для прямого соединения тороидальной катушки.

БЛОК УПРАВЛЕНИЯ ИММОБИЛИЗИРУЮЩЕЙ СИСТЕМЫ

Функция иммобилизирующей системы делится между ICU и ЕСМ.
Задачи электронного блока управления иммобилизирующей системы (ICU) следующие:
VIN-код вычисляется иммобилизирующей системой с помощью случайного генератора.
VIN-код передается с иммобилизирующей системы при передаче разрешающего сообщения только в случае использования действующего ключа. Без действующего ключа нельзя получить VIN-код системы. В случае, если внутреннее состояние ЕСМ находится в первичном или нейтральном режиме, ЕСМ автоматическим распознает VIN-код после получения разрешающего сообщения.
Чтобы получить синхронизированную иммобилизирующую систему (одинаковый VIN-код в иммобилизирующей системе и ЕСМ, действующий ключ), для разрешения ключей (первая кодировка ключа) должно использоваться контрольное оборудование DLC. Доступ к использованию этого контрольного оборудования имеют только уполномоченные лица.

Операция

В активном режиме иммобилизирующей системы (двигатель выкл., ключ зажигания выключен) дисплей состояния мерцает как в режиме А. Когда зажигание включается, система пробуждается и пытается считать данные с транспондера.
В случае обнаружения действующего ключа появляется сообщение и возникает связь с ЕСМ, Дисплей состояния показывает состояние иммобилизирующей системы "действующий ключ".
После выключения зажигания (обнаружение выключения зажигания аналогично обнаружению выключения ЕСМ зажигания) иммобилизирующая система переходит в активный режим. Дисплей состояния мерцает как в режиме А.

Режим разъема линии передачи данных (dlc)

Когда зажигание включено, диагностический прибор может переключить блок управления иммобилизирующей системы в режим DLC для диагностики, кодировки ключа и кодировки идентификационного номера.

Обработка идентификационного кода

В EEPROM иммобилизирующей системы хранится один из VIN-кодов 65, 535.
VIN-код можно стереть с помощью команды диагностического прибора "Переустановить VIN-код" .
Когда блок управления иммобилизирующей системы высчитывает новый VIN-код, нужно переустановить VIN-код ЕСМ идентично коду блока управления иммобилизирующей системы.
Во время диагностических процедур VIN-код можно прочитать для сравнения с VIN-кодом ECM с помощью команды "Прочитать VIN-код блока управления иммобилизирующей системы".

КАНАЛ ПОСЛЕДОВАТЕЛЬНОЙ ПЕРЕДАЧИ ДАННЫХ

Последовательно передаваемые данные могут передаваться между диагностическим прибором и ЕСМ и блоком управления иммобилизирующей системы.

U9T0SDL
Показать иллюстрациюПеревод текста в иллюстрациях


ПОДТЯГИВАЮЩИЙ РЕЗИСТОР (ЗАГЛУШКА)

Заглушка предназначена для взаимодействия между электронным блоком управления (ECM) и иммобилайзером.

ЭЛЕКТРОННЫЙ БЛОК УПРАВЛЕНИЯ (ЕСМ)

  1. После получения ответного сообщения, включая информацию "ICU в режиме опознавания" и правильного системного VIN-кода
  2. → ЕСМ входит в разрешающее состояние, которое позволяет продолжать работу двигателя.
  3. После получения ответного сообщения, включая информацию "ICU в режиме опознавания" и неверного системного VIN-кода
  4. → ЕСМ не направляет новый запрос и входит в состояние блокировки, что приводит к активизации иммобилизирующих действий двигателя.
  5. Если ЕСМ не получает ответного сообщения в течение определенного времени с начала периода разрешения или если ЕСМ получает сообщение с ответом, не дающим разрешения,
  6. → , то ЕСМ входит в состояние блокировки, что приводит к активизации иммобилизирующих действий двигателя.

ИНДИКАТОР БЕЗОПАСНОСТИ

На панели приборов есть индикатор безопасности.

Дисплей состояния

Наружный дисплей отображает информацию о состоянии иммобилизирующей системы. Иммобилизирующая система содержит средства привода дисплея для прямого соединения одного дисплея.

Режимы дисплея состояния

Дисплей состояния
Состояние иммобилизирующей системы
Обратите внимание:
ВЫКЛ.
Активный
- Зажигание в положении off
Мерцает
Активный
- Обнаружен недействительный ключ
- Зажигание в положении on
ВЫКЛ.
Неактивный
- Обнаружен действующий ключ
- Зажигание в положении on
Мерцает
Активный
- vin-код различается между icu и ЕСМ в режиме опознавания
- Зажигание в положении on
ВКЛ.
Активный
- Ошибка транспондера при считывании
- Зажигание в положении on
Мерцает
Активный
- Ошибка специализированной интегральной микросхемы возбудителя считывающего устройства
- Зажигание в положении off

ДИАГНОСТИЧЕСКАЯ ИНФОРМАЦИЯ И ПРОЦЕДУРЫ

ИММОБИЛИЗИРУЮЩАЯ СИСТЕМА (itms-6f)

Иммобилизирующая противоугонная система требует диагностики, если невозможно запустить двигатель. Если состояние невозможности запуска двигателя возникает по причине иммобилизирующей системы, то должен быть установлен диагностический код неисправности (DTC) 53.
Блок управления иммобилизирующей системы контролирует обнаружение и показание ключа зажигания. Возможности самопроверки ограничиваются этими функциями. Информация о неисправностях передается сканирующий инструмент во время диагностики, но она не хранится в памяти блока управления иммобилизирующей системы.
Несанкционированное использование сканирующего инструмента может быть методом нейтрализации противоугонной системы, поэтому для некоторых процедур сканирующего инструмента нужен пароль. Следующие функции защищены паролем:
Следующие функции не требуют ввода пароля:

ИММОБИЛИЗИРУЮЩАЯ СИСТЕМА (sirius d4, sirius d42, mr-140)

Иммобилизирующая противоугонная система требует диагностики, если невозможно запустить двигатель. Если состояние невозможности запуска двигателя возникает по причине иммобилизирующей системы, то должен быть установлен диагностический код неисправности U0167 (Р) 1626, 1628, 1629, 1631.
Блок управления иммобилизирующей системы контролирует обнаружение и показание ключа зажигания. Возможности самопроверки ограничиваются этими функциями. Информация о неисправностях передается сканирующий инструмент во время диагностики, но она не хранится в памяти блока управления иммобилизирующей системы.
Несанкционированное использование сканирующего инструмента может быть методом нейтрализации противоугонной системы, поэтому для некоторых процедур сканирующего инструмента нужен пароль. Следующие функции защищены паролем:
Следующие функции не требуют ввода пароля:

U6A19T06
Показать иллюстрациюПеревод текста в иллюстрациях


ДИАГНОСТИЧЕСКИЙ КОД НЕИСПРАВНОСТИ (dtc) 53 ОШИБКА ЭЛЕКТРОННОГО БЛОКА УПРАВЛЕНИЯ ИММОБИЛИЗИРУЮЩЕЙ СИСТЕМЫ

Описание схемы

Если зажигание находится в положении ON (вкл.), то ключ проверяется иммобилизирующей противоугонной системой. Пока код ключа считывается блоком управления иммобилизирующей системы, двигатель может запускаться и работать с любым ключом, который повернет цилиндр замка. Код ключа считывается и сравнивается с кодами ключей, сохраненными в памяти блока управления иммобилизирующей системы. Если обнаружен действующий ключ, то блок управления иммобилизирующей системы отправляет сообщение о разрешении передачи данных на электронный блок управления (ЕСМ). В сообщении содержится идентификационный код (ID), который обеспечивает невозможность подмены блока управления иммобилизирующей системы и электронного блока управления с целью блокирования работы системы. Если ЕСМ получает недействительное сообщение, то ЕСМ выполняет следующие действия:

Диагностический код dtc 53 записывается, когда

Вышеуказанные условия сохраняются до тех пор, пока зажигание не будет выключено.

Диагностический код dtc 53 удаляется, когда

dtc 53 - Ошибка электронного блока управления иммобилизирующей системы

ШагОперацияЗначенияДаНет
1
Присоединить диагностический прибор, используя следующую процедуру:
  1. Установить информационный картридж иммобилизирующей системы в диагностический прибор.
  2. Выключить зажигание.
  3. Подключите диагностический прибор к разъему линии передачи данных (dlc).
  4. Присоединить шнур питания диагностического прибора к гнезду прикуривателя.
  5. Включить зажигание, но не запускать двигатель.
Установлена ли связь между диагностическим прибором и блоком управления иммобилизирующей системы?
-
Перейдите на Шаг 2
2
Выбрать строку system diagnosis (Диагностика системы) в меню диагностического прибора.
Указана ли в поле key status (Состояние ключей) позиция pos nr 00?
-
Перейдите на Шаг 3
3
Считать код immo & ecm id-code, который отображается после запроса system diagnosis.
Появилось ли сообщение id-code different?
-
Перейдите на Шаг 4
4
Проверить, не разомкнута ли цепь последовательно передаваемых данных между блоком управления иммобилизирующей системы и ЕСМ.
Есть ли разрыв цепи?
-
Перейдите на Шаг 5
Перейдите на Шаг 6
5
Отремонтировать цепь для последовательной передачи данных между ЕСМ и блоком управления иммобилизирующей системы.
Ремонт закончен?
-
Система в норме
-
6
  1. Заменить ЕСМ.
  2. Перепрограммировать идентификационный код (id). См. "Перепрограммирование идентификационного кода" в этом разделе.
Ремонт закончен?
-
Система в норме
-

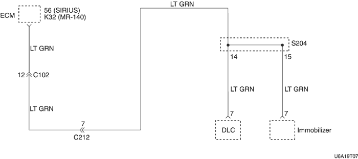
U6A19T07
Показать иллюстрациюПеревод текста в иллюстрациях


ДИАГНОСТИЧЕСКИЙ КОД НЕИСПРАВНОСТИ (p) 1626 (mr-140/ЗА ИСКЛЮЧЕНИЕМ euro iv), 1628 (sirius d4, sirius d42), u0167 (mr-140/ТОЛЬКО euro iv) ОШИБКА ЭЛЕКТРОННОГО БЛОКА УПРАВЛЕНИЯ ИММОБИЛИЗИРУЮЩЕЙ СИСТЕМЫ (НЕ УСТАНАВЛИВАЕТСЯ СВЯЗЬ)

Описание схемы

Если зажигание находится в положении ON (вкл.), то ключ проверяется иммобилизирующей противоугонной системой. Пока код ключа считывается блоком управления иммобилизирующей системы, двигатель может запускаться и работать с любым ключом, который повернет цилиндр замка. Код ключа считывается и сравнивается с кодами ключей, сохраненными в памяти блока управления иммобилизирующей системы. Если обнаружен действующий ключ, то блок управления иммобилизирующей системы отправляет сообщение о разрешении передачи данных на электронный блок управления (ЕСМ). В сообщении содержится идентификационный код (ID), который обеспечивает невозможность подмены блока управления иммобилизирующей системы и электронного блока управления с целью нейтрализации работы системы. Если ЕСМ получает недействительное сообщение, то ЕСМ выполняет следующие действия:

p 1626, 1628, u0167 записывается, когда

p 1626, 1628, u0167 удаляется, когда

p 1626, 1628, u0167 - ошибка электронного блока управления иммобилизирующей системы (не устанавливается связь)

ШагОперацияЗначенияДаНет
1
  1. Вставить картридж в диагностический прибор.
  2. Поставить переключатель зажигания в положение off (выкл.)
  3. Подключить диагностический прибор к разъему линии передачи данных (dlc).
  4. Присоединить шнур питания диагностического прибора к гнезду прикуривателя.
  5. Выбрать режим иммобилизирующей системы на диагностическом приборе.
  6. Включить зажигание, но не запускать двигатель.
Установлена ли связь между диагностическим прибором и блоком управления иммобилизирующей системы?
-
Перейдите на Шаг 2
2
Прочитать сообщение об идентификационном коде электронного блока управления immo&, которое появляется после запроса "Диагностика"
Сообщение отличается от обычного?
Нормальное сообщение - режим ecm: learnt immo. РЕЖИМ: LEARNT VIN CODE: SAME
-
Перейдите на Шаг 3
3
Проверить, не разомкнута ли цепь последовательно передаваемых данных между блоком управления иммобилизирующей системы и ЕСМ.
Цепь разомкнута?
-
Перейдите на Шаг 4
Перейдите на Шаг 5
4
Отремонтировать цепь для последовательной передачи данных между ЕСМ и блоком управления иммобилизирующей системы.
Ремонт закончен?
-
Система в норме
-
5
  1. Заменить иммобилизирующую систему.
  2. Перепрограммировать идентификационный код (id). См. "Перепрограммирование идентификационного кода" в этом разделе.
Ремонт закончен?
-
Система в норме
Перейдите на Шаг 6
6
  1. Заменить ЕСМ.
  2. Включить и выключить зажигание в течение более 4 сек.
  3. Установите зажигание в положение on.
Ремонт закончен?
-
Система в норме
-

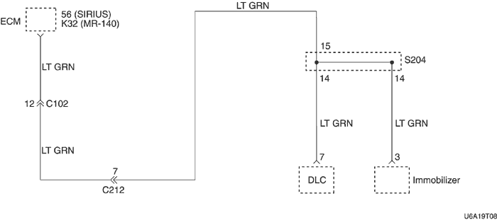
U6A19T08
Показать иллюстрациюПеревод текста в иллюстрациях


ДИАГНОСТИЧЕСКИЙ КОД НЕИСПРАВНОСТИ (p) 1631 (mr-140), 1629 (sirius) ОШИБКА ЭЛЕКТРОННОГО БЛОКА УПРАВЛЕНИЯ ИММОБИЛИЗИРУЮЩЕЙ СИСТЕМЫ (НЕВЕРНЫЙ ОТВЕТ)

Описание схемы

Если зажигание находится в положении ON (вкл.), то ключ проверяется иммобилизирующей противоугонной системой. Пока код ключа считывается блоком управления иммобилизирующей системы, двигатель может запускаться и работать с любым ключом, который повернет цилиндр замка. Код ключа считывается и сравнивается с кодами ключей, сохраненными в памяти блока управления иммобилизирующей системы. Если обнаружен действующий ключ, то блок управления иммобилизирующей системы отправляет сообщение о разрешении передачи данных на электронный блок управления (ЕСМ). В сообщении содержится идентификационный код (ID), который обеспечивает невозможность подмены блока управления иммобилизирующей системы и электронного блока управления с целью нейтрализации работы системы. Если ЕСМ получает недействительное сообщение, то ЕСМ выполняет следующие действия:

Диагностические коды Р 1631, 1629 записываются, когда

Диагностические коды Р 1631, 1629 стираются, когда

Р1631, 1629 - Ошибка ЕСМ иммобилизирующей системы (неверный ответ)

ШагОперацияЗначенияДаНет
1
Присоединить диагностический прибор, используя следующую процедуру:
  1. Вставить картридж в диагностический прибор.
  2. Поставить переключатель зажигания в положение off (выкл.)
  3. Подключить диагностический прибор к разъему линии передачи данных (dlc).
  4. Присоединить шнур питания диагностического прибора к гнезду прикуривателя.
  5. Включить зажигание, но не запускать двигатель.
Установлена ли связь между диагностическим прибором и блоком управления иммобилизирующей системы?
-
Перейдите на Шаг 2
2
  1. Выбрать строку "Диагностика" в меню диагностического прибора.
  2. Прочитать сообщение об идентификационном коде ЕСМ и иммобилизирующей системы &.
Сообщение отличается от обычного?
Нормальное сообщение - режим ecm: learnt immo. РЕЖИМ: LEARNT VIN CODE: SAME
-
Перейдите на Шаг 3
3
  1. Заменить ЕСМ.
  2. Перепрограммировать идентификационный код.
Ремонт закончен?
-
Система в норме
Перейдите на Шаг 4
4
  1. Заменить ЕСМ.
  2. Включить и выключить зажигание в течение более 4 сек.
  3. Установите зажигание в положение on.
Ремонт закончен?
-
Система в норме
-

ОШИБКИ СОСТОЯНИЯ КЛЮЧЕЙ (itms-6f)

По запросу SYSTEM DIAGNOSIS на диагностическом приборе могут появиться следующие сообщения KEY STATUS (Состояние ключей):

ОШИБКИ СОСТОЯНИЯ КЛЮЧЕЙ (sirius d4, sirius d42, mr-140)

После команды "Кодировка первого ключа" и "Добавить ключ" на диагностическом приборе могут появиться следующие сообщения о Состоянии ключей (Key Status)

СВЯЗЬ МЕЖДУ БЛОКОМ УПРАВЛЕНИЯ ИММОБИЛИЗИРУЮЩЕЙ СИСТЕМЫ И ДИАГНОСТИЧЕСКИМ ОБОРУДОВАНИЕМ (itms-6f)

  1. Подключить контрольное оборудование как описано в "Инструкция для диагностического прибора".
  2. Если связь между диагностическим прибором и контрольным оборудованием была неудачной, подождать 30 секунд и попытаться снова.
  3. Если связь оказалась неудачной и при второй попытке, то выключить зажигание и проверить провод и разъемы между выводом 8 блока управления иммобилизирующей системы и выводом 9 разъема линии передачи данных (dlc).
  4. Если провод и коннекторы между dlc и блоком управления иммобилизирующей системы в порядке, то заменить блок управления иммобилизирующей системы. См. "Блок управления иммобилизирующей системы" в этом разделе.

СВЯЗЬ МЕЖДУ БЛОКОМ УПРАВЛЕНИЯ ИММОБИЛИЗИРУЮЩЕЙ СИСТЕМЫ И ДИАГНОСТИЧЕСКИМ ОБОРУДОВАНИЕМ (sirius d4, sirius d42, mr-140)

  1. Подключить контрольное оборудование как описано в "Инструкция для диагностического прибора".
  2. Если связь между диагностическим прибором и контрольным оборудованием была неудачной, подождать 30 секунд и попытаться снова.
  3. Если связь оказалась неудачной и при второй попытке, то выключить зажигание и проверить провод и коннекторы между клеммой 7 блока управления иммобилизирующей системы и клеммой 7 разъема линии передачи данных (dlc).
  4. Если провод и коннекторы между dlc и блоком управления иммобилизирующей системы в порядке, то заменить блок управления иммобилизирующей системы. См. "Блок управления иммобилизирующей системы" в этом разделе.

ИНСТРУКЦИИ ПО РЕМОНТУ

РАБОТЫ НА АВТОМОБИЛЕ

ПРОЦЕДУРА КОДИРОВКИ КЛЮЧЕЙ.

  1. Установить картридж блока управления иммобилизирующей системы в диагностический прибор.
  2. Выключить зажигание.
  3. Присоединить диагностический прибор.
  4. Включить зажигание ключом, который будет кодироваться.
  5. Ввести четырехзначный пароль, который позволит ремонтному персоналу использовать диагностический прибор для кодировки ключа.
  6. Использовать команду диагностического прибора.
  7. Проверить, удачно ли прошла кодировка ключа, запустив двигатель с помощью каждого из разрешенных к использованию ключей.

ПЕРЕПРОГРАММИРОВАНИЕ ИДЕНТИФИКАЦИОННОГО КОДА

    Перепрограммировать идентификационный код (ID)в следующих ситуациях:
    Если действующий ключ утерян, то см. "Процедура кодировки ключа" в этом разделе.

ТРАНСПОНДЕР

Каждый действующий ключ зажигания имеет внутренний транспондер, который представляет собой читающий/пишущий транспондер.
Транспондер содержит реализацию крипто-алгоритма с 96 битами секретного ключа, изменяемого пользователем, содержащегося в EEPROM, и передает данные на ICU путем модулирования амплитуды электромагнитного поля и таким же образом получает данные и команды.


UAA9E210
Показать иллюстрациюПеревод текста в иллюстрациях


ДЕТЕКТОРНАЯ КАТУШКА

Процедура снятия и установки

  1. Снять нижнюю крышку панели приборов.


  2. B209T003
    Показать иллюстрациюПеревод текста в иллюстрациях


  3. Отсоединить двухконтактный разъем от иммобилизирующей системы.


  4. A209T005
    Показать иллюстрациюПеревод текста в иллюстрациях


  5. Отделить детекторную катушку от личинки замка. Если детекторную катушку планируется заменить новой, несущественно, будет ли повреждено декоративное кольцо позиционирования ключа при снятии. Новое кольцо входит в комплект детекторной катушки.
  6. Установка производится в порядке, обратном снятию.


UAA9E210
Показать иллюстрациюПеревод текста в иллюстрациях


БЛОК УПРАВЛЕНИЯ ИММОБИЛИЗИРУЮЩЕЙ СИСТЕМЫ

Процедура снятия и установки

  1. Отсоедините провод от отрицательного вывода аккумуляторной батареи.
  2. Снять нижнюю крышку панели приборов.


  3. B209T004
    Показать иллюстрациюПеревод текста в иллюстрациях


  4. Удалить болты и снять блок управления иммобилизирующей системы.
  5. Замечания по установке
    Момент затяжки
    4 Н•м (35 lb-in)

    Примечание: Непосредственный контакт разнородных металлов может привести к быстрой коррозии. Во избежание преждевременной коррозии используйте надлежащий крепеж.

  6. Отсоединить электрические разъемы от блока управления иммобилизирующей системы.
  7. Установка производится в порядке, обратном снятию.
  8. Важно: После замены иммобилизирующей системы ключи должны быть повторно санкционированы с помощью процедуры кодировки ключей. См. "Процедура кодировки ключа" в этом разделе.

ТЕХНИЧЕСКИЕ ХАРАКТЕРИСТИКИ

МОМЕНТЫ ЗАТЯЖКИ РЕЗЬБОВЫХ СОЕДИНЕНИЙ

ПРОГРАММА
n•m
фунт-фут
фунт-дюйм
Болты крепления блока управления иммобилизирующей системы
4
-
35

ПРИНЦИПИАЛЬНЫЕ И МОНТАЖНЫЕ СХЕМЫ

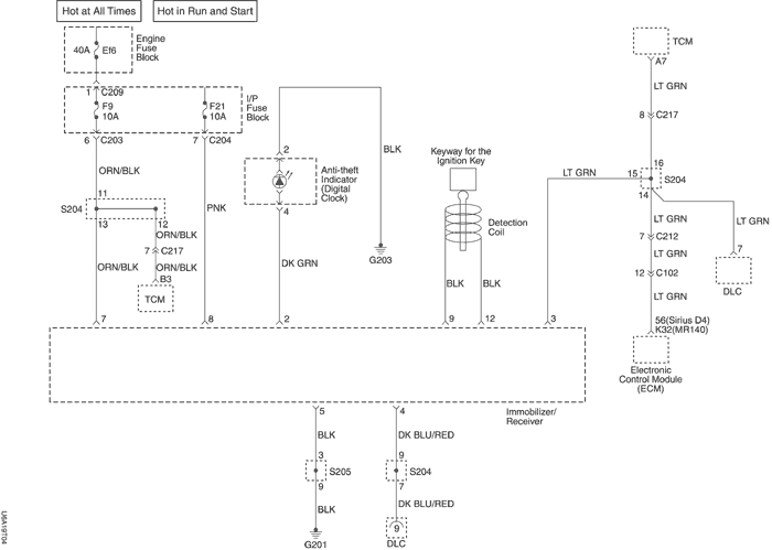
ИММОБИЛИЗИРУЮЩАЯ ПРОТИВОУГОННАЯ СИСТЕМА (mr-140 и sirius d4, sirius d42)


U6A19T04
Показать иллюстрациюПеревод текста в иллюстрациях


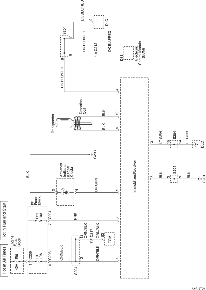
ПРИНЦИПИАЛЬНЫЕ И МОНТАЖНЫЕ СХЕМЫ

immobilizer anti-theft system (itms-6f)


U6A19T05
Показать иллюстрациюПеревод текста в иллюстрациях




На предыдущую страницуНа следующую страницу
https://vnx.su/ 🛠 Руководства по ремонту и эксплуатации для автомобилей

Поиск по сайту

Остались вопросы или пожелания? Пишите на почту: support@vnx.su

Карта Сайта