Tacuma-Rezzo
To Previous Page To Next Page



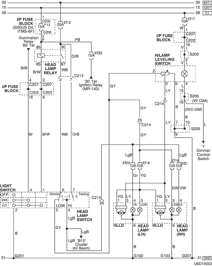
9. HEAD LAMP & HEAD LAMP LEVELING DEVICE (HLLD) CIRCUIT

1) w/o battery saver

U6D15053.png


a. CONNECTOR INFORMATION

connector no
(pin no, color)
connecting wiring harness connector position
C203 (22 Pin, White) I/P Fuse Block – IP Front the I/P Fuse Block
C206 (3 Pin, Brown) I/P Fuse Block – IP Front the I/P Fuse Block
C207 (22 Pin, White) I/P Fuse Block – Front Behind the I/P Fuse Block
C208 (14 Pin, White) I/P Fuse Block – Front Behind the I/P Fuse Block
C213 (7 Pin, Gray) Front – IP Left Upper the Driver Leg Room
C214 (26 Pin, Yellow) Front – IP Left Upper the Driver Leg Room
S203 (Orange) IP Rear Center Instrument Panel
S205 (Orange) IP Rear Center Instrument Panel
G102 Front Behind the Left Headlamp
G103 Front Behind the Right Headlamp
G201 IP Rear Right Instrument Panel

b. CONNECTOR IDENTIFICATION SYMBOL & PIN NUMBER POSITION

U5D1P039.png


c. POSITION OF CONNECTORS AND GROUNDS

U4D12005.png


U4D12008.png


d. SPLICE PACK

s203

U5D1S016.png


s205

U5D1S017.png


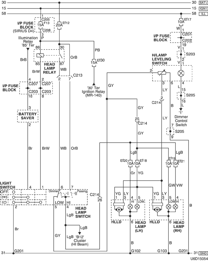
2) w/ battery saver

U6D15054.png


a. CONNECTOR INFORMATION

connector no
(pin no, color)
connecting wiring harness connector position
C203 (22 Pin, White) I/P Fuse Block – IP Front the I/P Fuse Block
C206 (3 Pin, Brown) I/P Fuse Block – IP Front the I/P Fuse Block
C207 (22 Pin, White) I/P Fuse Block – Front Behind the I/P Fuse Block
C208 (14 Pin, White) I/P Fuse Block – Front Behind the I/P Fuse Block
C213 (7 Pin, Gray) Front – IP Left Upper the Driver Leg Room
C214 (26 Pin, Yellow) Front – IP Left Upper the Driver Leg Room
S203 (Orange) IP Rear Center Instrument Panel
S205 (Orange) IP Rear Center Instrument Panel
G102 Front Behind the Left Headlamp
G103 Front Behind the Right Headlamp
G201 IP Rear Right Instrument Panel

b. CONNECTOR IDENTIFICATION SYMBOL & PIN NUMBER POSITION

U5D1P040.png


c. POSITION OF CONNECTORS AND GROUNDS

U4D12005.png


U4D12008.png


d. SPLICE PACK

s203

U5D1S016.png


s205

U5D1S017.png


To Previous Page To Next Page


https://vnx.su/ 🛠 Руководства по ремонту и эксплуатации для автомобилей

Поиск по сайту

Остались вопросы или пожелания? Пишите на почту: support@vnx.su

Карта Сайта