Tacuma-Rezzo
To Previous Page To Next Page



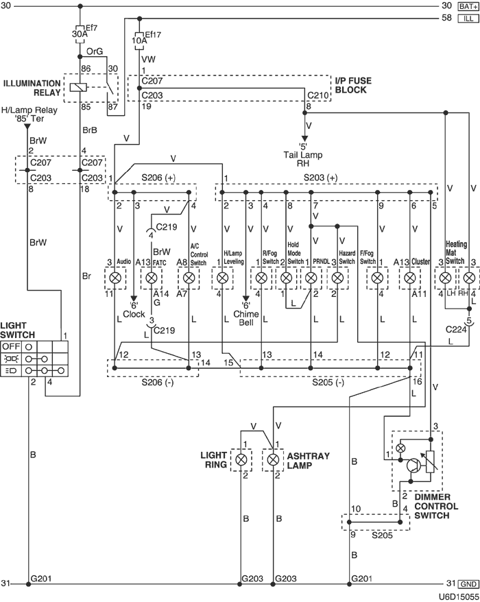
10. ILLUMINATION RELAY CIRCUIT

1) illumination dimmer control circuit: w/o battery saver

U6D15055.png


a. CONNECTOR INFORMATION

connector no
(pin no, color)
connecting wiring harness connector position
C203 (22 Pin, White) I/P Fuse Block – IP Front the I/P Fuse Block
C207 (22 Pin, White) I/P Fuse Block – Front Behind the I/P Fuse Block
C210 (18 Pin, White) I/P Fuse Block – Floor Behind the I/P Fuse Block
C219 (15 Pin, White) IP – FATC Upper the Evaporator Housing
C224 (14 Pin, White) IP – Floor Under the Door Lock Unit
S203 (Orange) IP Rear Center Instrument Panel
S205 (Orange) IP Rear Center Instrument Panel
S206 (Violet) IP Rear Left Instrument Panel
G201 IP Rear Right Instrument Panel
G203 IP Under Right Ashtray

b. CONNECTOR IDENTIFICATION SYMBOL & PIN NUMBER POSITION

U4D1P105.png


c. POSITION OF CONNECTORS AND GROUNDS

U4D12024.png


d. SPLICE PACK

s203

U5D1S016.png


s205

U5D1S017.png


s206

U5D1S018.png


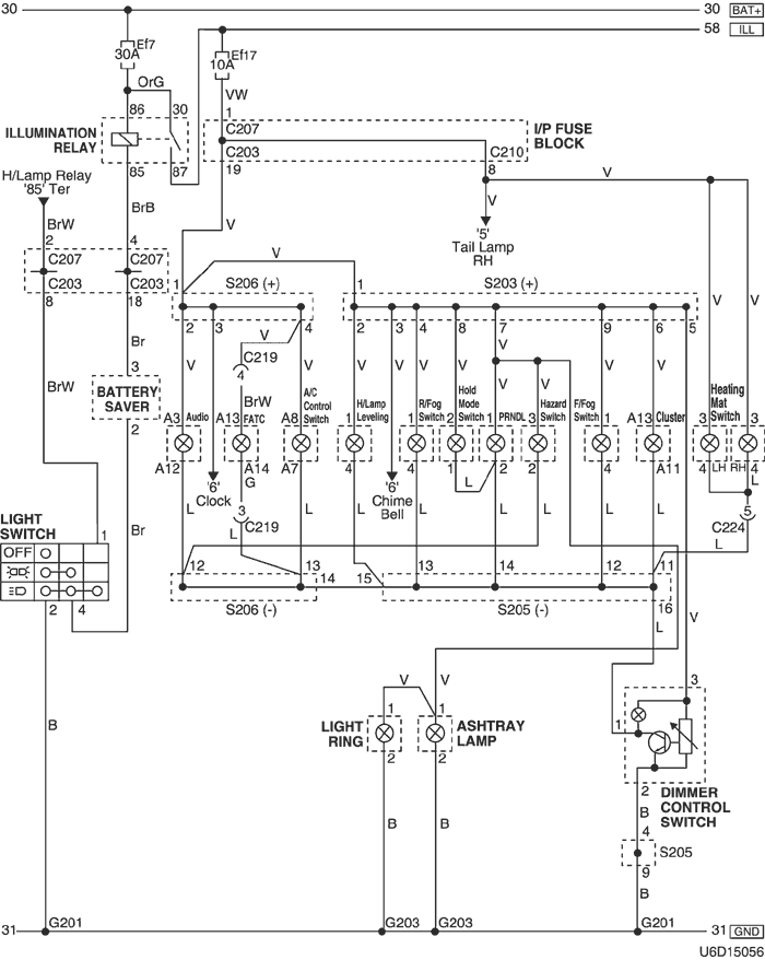
2) illumination dimmer control circuit: w/ battery saver

U6D15056.png


a. CONNECTOR INFORMATION

connector no
(pin no, color)
connecting wiring harness connector position
C203 (22 Pin, White) I/P Fuse Block – IP Front the I/P Fuse Block
C207 (22 Pin, White) I/P Fuse Block – Front Behind the I/P Fuse Block
C210 (18 Pin, White) I/P Fuse Block – Floor Behind the I/P Fuse Block
C219 (15 Pin, White) IP – FATC Upper the Evaporator Housing
C224 (14 Pin, White) IP – Floor Under the Door Lock Unit
S203 (Orange) IP Rear Center Instrument Panel
S205 (Orange) IP Rear Center Instrument Panel
S206 (Violet) IP Rear Left Instrument Panel
G201 IP Rear Right Instrument Panel
G203 IP Under Right Ashtray

b. CONNECTOR IDENTIFICATION SYMBOL & PIN NUMBER POSITION

U4D1P106.png


c. POSITION OF CONNECTORS AND GROUNDS

U4D12024.png


d. SPLICE PACK

s203

U5D1S016.png


s205

U5D1S017.png


s206

U5D1S018.png


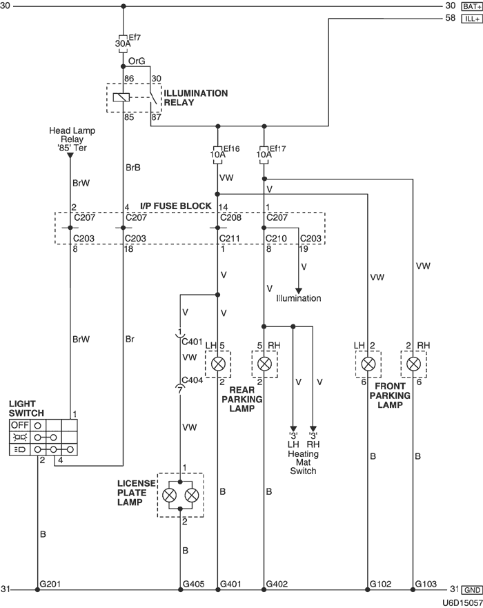
3) license plate, position lamp & tail lamp: w/o battery saver

U6D15057.png


a. CONNECTOR INFORMATION

connector no
(pin no, color)
connecting wiring harness connector position
C203 (22 Pin, White) I/P Fuse Block – IP Front the I/P Fuse Block
C207 (22 Pin, White) I/P Fuse Block – Front Behind the I/P Fuse Block
C208 (14 Pin, White) I/P Fuse Block – Front Behind the I/P Fuse Block
C210 (18 Pin, White) I/P Fuse Block – Floor Behind the I/P Fuse Block
C211 (12 Pin, White) I/P Fuse Block – Floor Behind the I/P Fuse Block
C401 (10 Pin, White) Tailgate – Floor Behind the Rear Quarter Glass
C404 (8 Pin, White) Tailgate – Tailgate AUX Left Under Tailgate Behind the Tail Lamp
G102 Front Behind the Left Headlamp
G103 Front Behind the Right Headlamp
G201 IP Rear Right Instrument Panel
G401 Floor Left the Trunk Room Under the Tail Lamp
G402 Floor Right the Trunk Room Under the Tail Lamp
G405 Tailgate, Aux Under the Rear Wiper Motor

b. CONNECTOR IDENTIFICATION SYMBOL & PIN NUMBER POSITION

U4D1P107.png


c. POSITION OF CONNECTORS AND GROUNDS

U4D12025.png


U4D12014.png


U4D12008.png


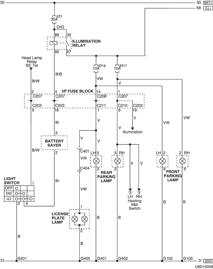
4) license plate, position lamp & tail lamp: w/ battery saver

U6D15058.png


a. CONNECTOR INFORMATION

connector no
(pin no, color)
connecting wiring harness connector position
C203 (22 Pin, White) I/P Fuse Block – IP Front the I/P Fuse Block
C207 (22 Pin, White) I/P Fuse Block – Front Behind the I/P Fuse Block
C208 (14 Pin, White) I/P Fuse Block – Front Behind the I/P Fuse Block
C210 (18 Pin, White) I/P Fuse Block – Floor Behind the I/P Fuse Block
C211 (12 Pin, White) I/P Fuse Block – Floor Behind the I/P Fuse Block
C401 (10 Pin, White) Tailgate – Floor Behind the Rear Quarter Glass
C404 (8 Pin, White) Tailgate – Tailgate AUX Left Under Tailgate Behind the Tail Lamp
G102 Front Behind the Left Headlamp
G103 Front Behind the Right Headlamp
G201 IP Rear Right Instrument Panel
G401 Floor Left the Trunk Room Under the Tail Lamp
G402 Floor Right the Trunk Room Under the Tail Lamp
G405 Tailgate, Aux Under the Rear Wiper Motor

b. CONNECTOR IDENTIFICATION SYMBOL & PIN NUMBER POSITION

U4D1P108.png


c. POSITION OF CONNECTORS AND GROUNDS

U4D12025.png


U4D12014.png


U4D12008.png


To Previous Page To Next Page


https://vnx.su/ 🛠 Руководства по ремонту и эксплуатации для автомобилей

Поиск по сайту

Остались вопросы или пожелания? Пишите на почту: support@vnx.su

Карта Сайта