Tacuma-Rezzo
To Previous Page To Next Page



4. ECM (ENGINE CONTROL MODULE) - 2.0D (ITMS-6F)

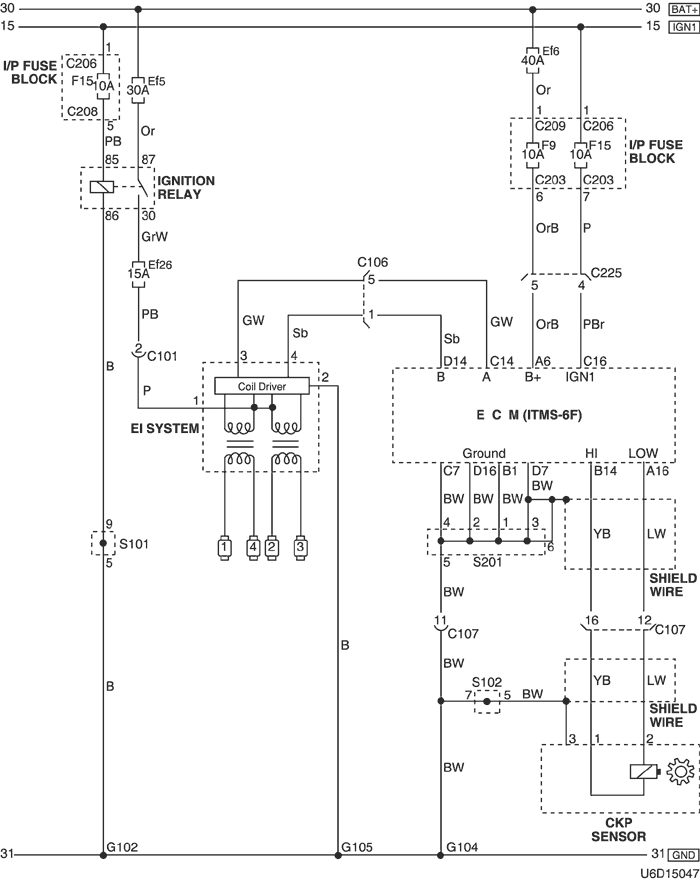
1) battery power supply, ground, ei system & ckp sensor circuit

U6D15047.png


a. CONNECTOR INFORMATION

connector no
(pin no, color)
connecting wiring harness connector position
C101(15 Pin, Black) Engine – Front Behind the Left Headlamp
C106 (16 pin, Black) Engine - ECM Right Upper The Driver Leg Room
C107 (16 pin, Black) Engine - ECM Right Upper The Driver Leg Room
C203 (22 pin, White) I/P Fuse Block – IP Front the I/P Fuse Block
C206 (3 Pin, Brown) I/P Fuse Block – IP Front the I/P Fuse Block
C208 (14 Pin, White) I/P Fuse Block – Front Behind the I/P Fuse Block
C209 (1 Pin, Colorless) I/P Fuse Block – Front Behind the I/P Fuse Block
C225 (8 Pin, White) I/P - ECM Center Upper the Driver Leg Room
S101 (White) Front Inside the Engine Fuse Block
S102 (Black) Engine Rear Intake Manifold
S201 (Colorless) ECM Left Upper the Driver Leg Room
G102 Front Behind the Left Headlamp
G104 Engine Under the Intake Manifold
G105 Engine Left the Starter Motor Behind Engine Block

b. CONNECTOR IDENTIFICATION SYMBOL & PIN NUMBER POSITION

U4D1P085.png


c. POSITION OF CONNECTORS AND GROUNDS

U4D12020.png


d. SPLICE PACK

s101

U6D1S008.png


s102 (itms-6f)

U5D1S013.png


s201 (itms-6f)

U5D1S014.png


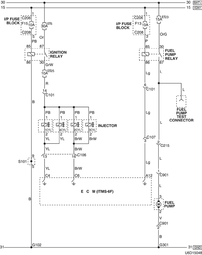
2) fuel pump & injector circuit

U6D15048.png


a. CONNECTOR INFORMATION

connector no
(pin no, color)
connecting wiring harness connector position
C101(15 Pin, Black) Engine – Front Behind the Left Headlamp
C106 (16 pin, Black) Engine - ECM Right Upper The Driver Leg Room
C107 (16 pin, Black) Engine - ECM Right Upper The Driver Leg Room
C206 (3 Pin, Brown) I/P Fuse Block – IP Front the I/P Fuse Block
C208 (14 Pin, White) I/P Fuse Block – Front Behind the I/P Fuse Block
C215 (16 Pin, White) Floor – Front Under the I/P Fuse Block
C901 (6 Pin, Black) Fuel Tank – Floor Behind the Fuel Tank
S101 (White) Front Inside the Engine Fuse Block
G102 Front Behind the Left Headlamp
G301 Floor Under the Driver Room Floor

b. CONNECTOR IDENTIFICATION SYMBOL & PIN NUMBER POSITION

U5D1P034.png


c. POSITION OF CONNECTORS AND GROUNDS

U4D12020.png


U4D12018.png


d. SPLICE PACK

s101

U6D1S008.png


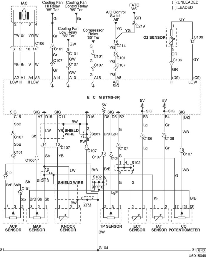
3) sensor (iac, acp, tp, ect, iat, co potentiometer & knock) circuit

U6D15049.png


a. CONNECTOR INFORMATION

connector no
(pin no, color)
connecting wiring harness connector position
C101(15 Pin, Black) Engine – Front Behind the Left Headlamp
C106 (16 pin, Black) Engine - ECM Right Upper The Driver Leg Room
C107 (16 pin, Black) Engine - ECM Right Upper The Driver Leg Room
C214 (26 pin, Yellow) Front – IP Left Upper the Driver Leg Room
C219 (15 Pin, White) IP – FATC Upper the Evaporator Housing
S102 (Black) Engine Rear Intake Manifold
S201 (Colorless) ECM Left Upper the Driver Leg Room
G104 Engine Under the Intake Manifold

b. CONNECTOR IDENTIFICATION SYMBOL & PIN NUMBER POSITION

U6D1P011.png


c. POSITION OF CONNECTORS AND GROUNDS

U4D12020.png


d. SPLICE PACK

s102 (itms-6f)

U5D1S013.png


s201 (itms-6f)

U5D1S014.png


4) indicator (mil lamp & tachometer), ron switch & tcm circuit

U5D15092.png


a. CONNECTOR INFORMATION

connector no
(pin no, color)
connecting wiring harness connector position
C101(15 Pin, Black) Engine – Front Behind the Left Headlamp
C107 (16 pin, Black) Engine - ECM Right Upper The Driver Leg Room
C220 (6 pin, White) ECM – TCM Right Center the Driver Leg Room
C225 (8 pin, White) IP – ECM Center Upper The Driver Leg Room
S102 (Black) Engine Rear Intake Manifold

b. CONNECTOR IDENTIFICATION SYMBOL & PIN NUMBER POSITION

U5D1P036.png


c. POSITION OF CONNECTORS AND GROUNDS

U4D12020.png


U4D12006.png


d. SPLICE PACK

s102 (itms-6f)

U5D1S013.png


5) evap canister purge solenoid & vss circuit

U5D15093.png


a. CONNECTOR INFORMATION

connector no
(pin no, color)
connecting wiring harness connector position
C101(15 Pin, Black) Engine – Front Behind the Left Headlamp
C106 (16 pin, Black) Engine - ECM Right Upper The Driver Leg Room
C205 (14 Pin, White) I/P Fuse Block – IP Front the I/P Fuse Block
C206 (3 Pin, Brown) I/P Fuse Block – IP Front the I/P Fuse Block
C208 (14 Pin, White) I/P Fuse Block – Front Behind the I/P Fuse Block
C214 (26 pin, Yellow) Front – IP Left Upper the Driver Leg Room
C217 (22 Pin, White) IP – TCM Center Upper the Driver Leg Room
C219 (15 Pin, White) IP – FATC Upper the Evaporator Housing
C225 (8 pin, White) IP – ECM Center Upper The Driver Leg Room
S202 (Orange) IP Rear Right Instrument Panel
S206 (Violet) IP Rear Left Instrument Panel
G104 Engine Under the Intake Manifold
G201 IP Rear Right Instrument Panel

b. CONNECTOR IDENTIFICATION SYMBOL & PIN NUMBER POSITION

U4D1P089.png


c. POSITION OF CONNECTORS AND GROUNDS

U4D12020.png


U4D12006.png


d. SPLICE PACK

s202

U5D1S015.png


s206

U5D1S018.png


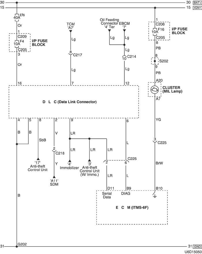
6) dlc (data link connector) circuit

U6D15050.png


a. CONNECTOR INFORMATION

connector no
(pin no, color)
connecting wiring harness connector position
C205 (14 Pin, White) I/P Fuse Block – IP Front the I/P Fuse Block
C206 (3 Pin, Brown) I/P Fuse Block – IP Front the I/P Fuse Block
C209 (1 Pin, Colorless) I/P Fuse Block – Front Behind the I/P Fuse Block
C214 (26 pin, Yellow) Front – IP Left Upper the Driver Leg Room
C217 (22 Pin, White) IP – TCM Center Upper the Driver Leg Room
C218 (4 Pin, White) Air Bag – IP Right Upper the Driver Leg Room
C225 (8 pin, White) IP – ECM Center Upper The Driver Leg Room
S202 (Orange) IP Rear Right Instrument Panel
G202 IP Rear Right Ashtray

b. CONNECTOR IDENTIFICATION SYMBOL & PIN NUMBER POSITION

U4D1P091.png


c. POSITION OF CONNECTORS AND GROUNDS

U4D12020.png


U4D12024.png


d. SPLICE PACK

s202

U5D1S015.png


To Previous Page To Next Page


https://vnx.su/ 🛠 Руководства по ремонту и эксплуатации для автомобилей

Поиск по сайту

Остались вопросы или пожелания? Пишите на почту: support@vnx.su

Карта Сайта