Tacuma-Rezzo
To Previous Page To Next Page



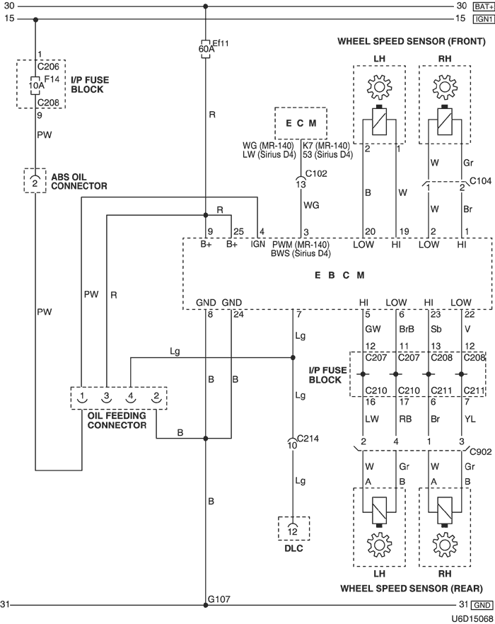
25. ANTI LOCK BRAKE SYSTEM (ABS)

1) power supply & wheel speed sensor circuit

U6D15068.png


a. CONNECTOR INFORMATION

connector no
(pin no, color)
connecting wiring harness connector position
C102 (16 Pin, Black) Engine – Front Behind the Left Headlamp (MR-140, Sirius D4)
C104 (2 Pin, Black) Front ABS Sensor – Front Under the Resonator
C206 (3 Pin, Brown) I/P Fuse Block – IP Front the I/P Fuse Block
C207 (22 Pin, White) I/P Fuse Block – Front Behind the I/P Fuse Block
C208 (14 Pin, White) I/P Fuse Block – Front Behind the I/P Fuse Block
C210 (18 Pin, White) I/P Fuse Block – Floor Behind the I/P Fuse Block
C211 (12 Pin, White) I/P Fuse Block – Floor Behind the I/P Fuse Block
C212 (18 Pin, Blue) Front – IP Left Upper the Driver Leg Room
C214 (26 Pin, Yellow) Front – IP Left Upper the Driver Leg Room
C902 (4 Pin, Black) ABS Rear Sensor – Floor Behind the Fuel Tank
G107 Front Under Rear Engine Fuse Block

b. CONNECTOR IDENTIFICATION SYMBOL & PIN NUMBER POSITION

U5D1P053.png


c. POSITION OF CONNECTORS AND GROUNDS

U4D12008.png


U4D12011.png


2) abs warning lamp & abs warning module circuit

U5D15139.png


a. CONNECTOR INFORMATION

connector no
(pin no, color)
connecting wiring harness connector position
C203 (22 Pin, White) I/P Fuse Block – IP Front the I/P Fuse Block
C205 (14 Pin, White) I/P Fuse Block – IP Front the I/P Fuse Block
C206 (3 Pin, Brown) I/P Fuse Block – IP Front the I/P Fuse Block
C207 (22 Pin, White) I/P Fuse Block – Front Behind the I/P Fuse Block
C208 (14 Pin, White) I/P Fuse Block – Front Behind the I/P Fuse Block
C209 (1 Pin, Colorless) I/P Fuse Block – Front Behind the I/P Fuse Block
C210 (18 Pin, White) I/P Fuse Block – Floor Behind the I/P Fuse Block
C214 (26 Pin, Yellow) Front – IP Left Upper the Driver Leg Room
C401 (10 Pin, White) Tailgate - Floor Behind the Rear Quarter Glass
S101 (White) Front Inside the Engine Fuse Block
S202 (Orange) IP Rear Right Instrument Panel
S205 (Orange) IP Rear Center Instrument Panel
G102 Front Behind the Left Headlamp
G401 Floor Left the Trunk Room Under the Tail Lamp
G402 Floor Right the Trunk Room Under the Tail Lamp
G403 Tailgate Left Under Tailgate Behine the Tail Lamp

b. CONNECTOR IDENTIFICATION SYMBOL & PIN NUMBER POSITION

U5D1P054.png


c. POSITION OF CONNECTORS AND GROUNDS

U4D12008.png


d. SPLICE PACK

s101

U6D1S008.png


s202

U5D1S015.png


s205

U5D1S017.png


To Previous Page To Next Page


https://vnx.su/ 🛠 Руководства по ремонту и эксплуатации для автомобилей

Поиск по сайту

Остались вопросы или пожелания? Пишите на почту: support@vnx.su

Карта Сайта