Tacuma-Rezzo
To Previous Page To Next Page



2. ECM (ENGINE CONTROL MODULE): 2.0D (MR-140)

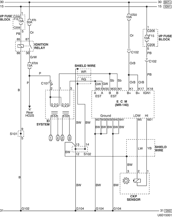
1) battery power supply, ground, ei system & ckp sensor circuit

U6D15001.png


a. CONNECTOR INFORMATION

connector no
(pin no, color)
connecting wiring harness connector position
C101(15 Pin, Black) Engine – Front Behind the Left Headlamp
C102 (16 Pin, Black) Engine – Front Behind the Left Headlamp
C206 (3 Pin, Brown) I/P Fuse Block – IP Front the I/P Fuse Block
C208 (14 Pin, White) I/P Fuse Block – Front Behind the I/P Fuse Block
S101 (White) Front Inside the Engine Fuse Block
S102 (Black) Engine Rear Intake Manifold
G102 Front Behind the Left Headlamp
G104 Engine Under the Intake Manifold

b. CONNECTOR IDENTIFICATION SYMBOL & PIN NUMBER POSITION

U4D1P074.png


c. POSITION OF CONNECTORS AND GROUNDS

U4D12020.png


U4D12025.png


d. SPLICE PACK

s101

U6D1S008.png


s102 (mr-140)

U6D1S003.png


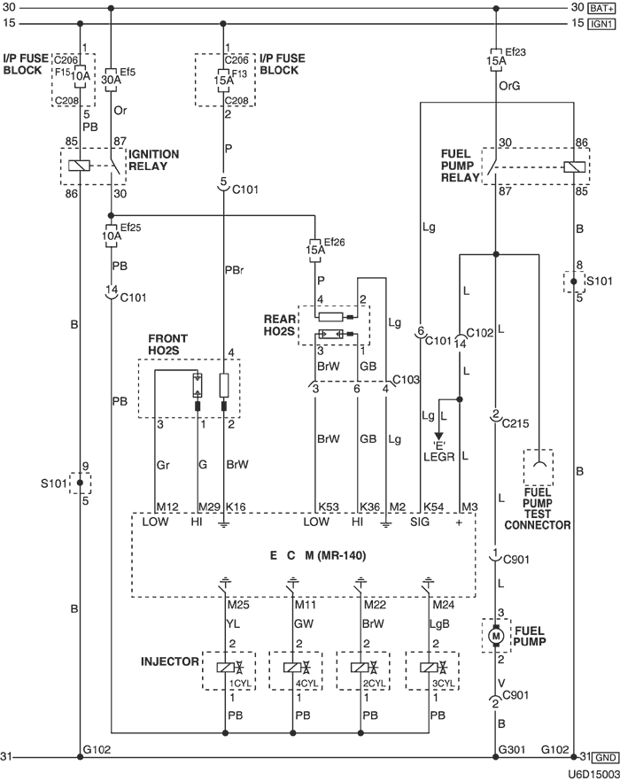
2) fuel pump, injector & heated o2 sensor circuit : euro iv

U6D15003.png


a. CONNECTOR INFORMATION

connector no
(pin no, color)
connecting wiring harness connector position
C101(15 Pin, Black) Engine – Front Behind the Left Headlamp
C102 (16 Pin, Black) Engine – Front Behind the Left Headlamp
C103 (6 Pin, Gray) Front – Engine Under the Engine Fuse Block
C206 (3 Pin, Brown) I/P Fuse Block – IP Front the I/P Fuse Block
C208 (14 Pin, White) I/P Fuse Block – Front Behind the I/P Fuse Block
C215 (16 Pin, White) Floor – Front Under the I/P Fuse Block
C901 (6 Pin, Black) Fuel Tank – Floor Behind the Fuel Tank
S101 (White) Front Inside the Engine Fuse Block
G102 Front Behind the Left Headlamp
G301 Floor Under the Driver Room Floor

b. CONNECTOR IDENTIFICATION SYMBOL & PIN NUMBER POSITION

U6D1P001.png


c. POSITION OF CONNECTORS AND GROUNDS

U4D12020.png


U4D12018.png


d. SPLICE PACK

s101

U6D1S008.png


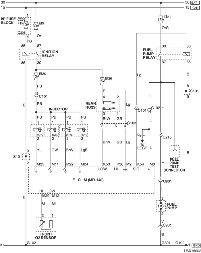
3) fuel pump, injector & o2 sensor circuit : euro iii

U6D15002.png


a. CONNECTOR INFORMATION

connector no
(pin no, color)
connecting wiring harness connector position
C101(15 Pin, Black) Engine – Front Behind the Left Headlamp
C102 (16 Pin, Black) Engine – Front Behind the Left Headlamp
C103 (6 Pin, Gray) Front – Engine Under the Engine Fuse Block
C206 (3 Pin, Brown) I/P Fuse Block – IP Front the I/P Fuse Block
C208 (14 Pin, White) I/P Fuse Block – Front Behind the I/P Fuse Block
C215 (16 Pin, White) Floor – Front Under the I/P Fuse Block
C901 (6 Pin, Black) Fuel Tank – Floor Behind the Fuel Tank
S101 (White) Front Inside the Engine Fuse Block
G102 Front Behind the Left Headlamp
G301 Floor Under the Driver Room Floor

b. CONNECTOR IDENTIFICATION SYMBOL & PIN NUMBER POSITION

U6D1P002.png


c. POSITION OF CONNECTORS AND GROUNDS

U4D12020.png


U4D12018.png


d. SPLICE PACK

s101

U6D1S008.png


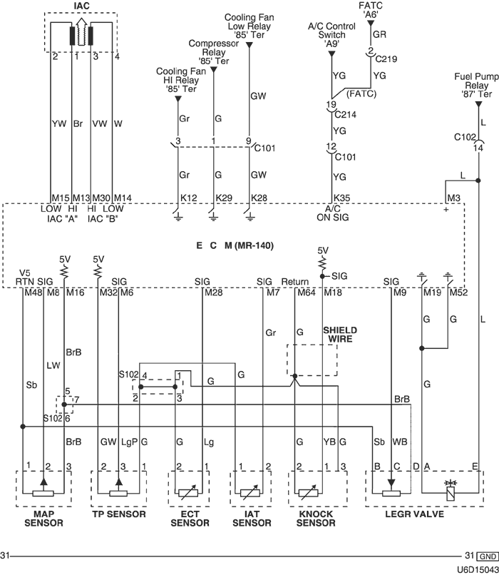
4) sensor (iac, map, tp, ect, iat & knock) & legr valve circuit

U6D15043.png


a. CONNECTOR INFORMATION

connector no
(pin no, color)
connecting wiring harness connector position
C101(15 Pin, Black) Engine – Front Behind the Left Headlamp
C102 (16 Pin, Black) Engine – Front Behind the Left Headlamp
C214 (26 Pin, Yellow) Front – IP Left Upper the Driver Leg Room
C219 (15 Pin, White) IP – FATC Upper the Evaporator Housing
S102 (Black) Engine Rear Intake Manifold

b. CONNECTOR IDENTIFICATION SYMBOL & PIN NUMBER POSITION

U6D1P007.png


c. POSITION OF CONNECTORS AND GROUNDS

U4D12020.png


U4D12008.png


d. SPLICE PACK

s102 (mr-140)

U6D1S003.png


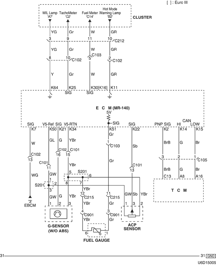
5) indicator (mil lamp, tachometer, fuel meter & hot mode warning lamp), g-sensor, acp sensor, fuel gauge & tcm circuit

U6D15005.png


a. CONNECTOR INFORMATION

connector no
(pin no, color)
connecting wiring harness connector position
C101(15 Pin, Black) Engine – Front Behind the Left Headlamp
C102 (16 Pin, Black) Engine – Front Behind the Left Headlamp
C103 (6 Pin, Gray) Front – Engine Under the Engine Fuse Block
C105 (4 Pin, White) TCM – Engine Rear Intake Manifold
C212 (18 Pin, Blue) Front – IP Left Upper the Driver Leg Room
C215 (16 Pin, White) Floor – Front Under the I/P Fuse Block
C901 (6 Pin, Black) Fuel Tank – Floor Behind the Fuel Tank
S201 (Colorless) Front Left Upper the Driver Leg Room

b. CONNECTOR IDENTIFICATION SYMBOL & PIN NUMBER POSITION

U6D1P008.png


c. POSITION OF CONNECTORS AND GROUNDS

U4D12020.png


U4D12009.png


d. SPLICE PACK

s201 (mr-140)

U6D1S007.png


6) evap canister purge solenoid, vss & cmp sensor circuit

U5D15082.png


a. CONNECTOR INFORMATION

connector no
(pin no, color)
connecting wiring harness connector position
C101(15 Pin, Black) Engine – Front Behind the Left Headlamp
C102 (16 Pin, Black) Engine – Front Behind the Left Headlamp
C205 (14 Pin, White) I/P Fuse Block – IP Front the I/P Fuse Block
C206 (3 Pin, Brown) I/P Fuse Block – IP Front the I/P Fuse Block
C208 (14 Pin, White) I/P Fuse Block – Front Behind the I/P Fuse Block
C214 (26 Pin, Yellow) Front – IP Left Upper the Driver Leg Room
C217 (22 Pin, White) IP – TCM Center Upper the Driver Leg Room
C219 (15 Pin, White) IP – FATC Upper the Evaporator Housing
S102 (Black) Engine Rear Intake Manifold
S206 (Violet) IP Rear Left Instrument Panel
G104 Engine Under the Intake Manifold
G201 IP Rear Right Instrument Panel

b. CONNECTOR IDENTIFICATION SYMBOL & PIN NUMBER POSITION

U4D1P141.png


c. POSITION OF CONNECTORS AND GROUNDS

U4D12020.png


U4D12006.png


d. SPLICE PACK

s102 (mr-140)

U6D1S003.png


s206

U5D1S018.png


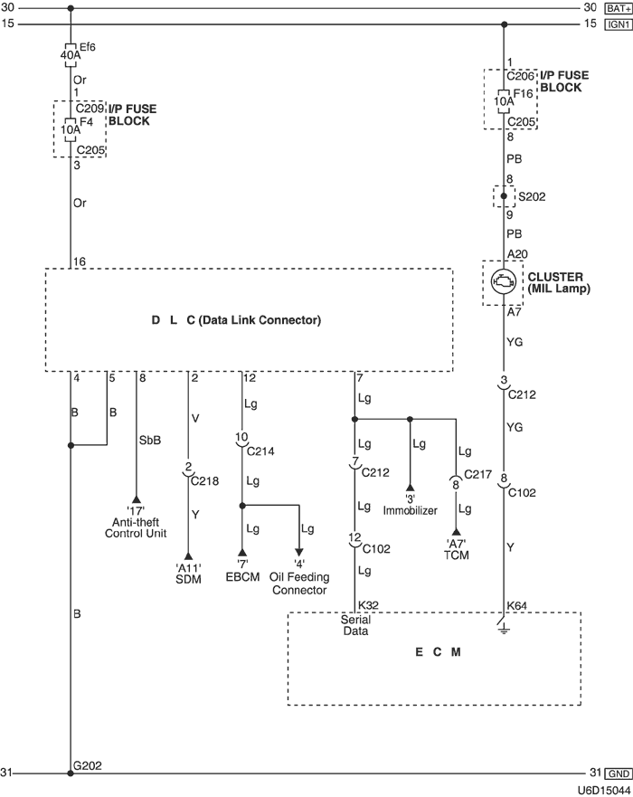
6) dlc (data link connector) circuit

U6D15044.png


a. CONNECTOR INFORMATION

connector no
(pin no, color)
connecting wiring harness connector position
C102 (16 pin, Black) Engine – Front Behind the Left Headlamp (MR-140,Sirius D4)
C205 (14 Pin, White) I/P Fuse Block – IP Front the I/P Fuse Block
C206 (3 Pin, Brown) I/P Fuse Block – IP Front the I/P Fuse Block
C209 (1 Pin, Colorless) I/P Fuse Block – Front Behind the I/P Fuse Block
C212 (18 Pin, Blue) Front – IP Left Upper the Driver Leg Room
C214 (26 pin, Yellow) Front – IP Left Upper the Driver Leg Room
C217 (22 Pin, White) IP – TCM Center Upper the Driver Leg Room
C218 (4 Pin, White) Air Bag – IP Right Upper the Driver Leg Room
S202 (Orange) IP Rear Right Instrument Panel
G202 IP Rear Right Ashtray

b. CONNECTOR IDENTIFICATION SYMBOL & PIN NUMBER POSITION

U5D1P031.png


c. POSITION OF CONNECTORS AND GROUNDS

U4D12020.png


U4D12024.png


d. SPLICE PACK

s202

U5D1S015.png


To Previous Page To Next Page


https://vnx.su/ 🛠 Руководства по ремонту и эксплуатации для автомобилей

Поиск по сайту

Остались вопросы или пожелания? Пишите на почту: support@vnx.su

Карта Сайта