Tacuma-Rezzo
To Previous Page To Next Page



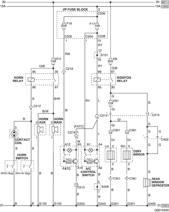
16. HORN & MIRROR HEATING SYSTEM CIRCUIT

U6D15060.png


a. CONNECTOR INFORMATION

connector no
(pin no, color)
connecting wiring harness connector position
C204 (12 Pin, White) I/P Fuse Block – IP Front the I/P Fuse Block
C205 (14 Pin, White) I/P Fuse Block – IP Front the I/P Fuse Block
C206 (3 Pin, Brown) I/P Fuse Block – IP Front the I/P Fuse Block
C208 (14 Pin, White) I/P Fuse Block – Front Behind the I/P Fuse Block
C212 (18 Pin, Blue) Front – IP Left Upper the Driver Leg Room
C214 (26 Pin, Yellow) Front – IP Left Upper the Driver Leg Room
C215 (16 Pin, White) Floor – Front Under the I/P Fuse Block
C219 (15 Pin, White) IP – FATC Upper the Evaporator Housing
C351 (29 pin, White) Floor – Co-Driver Door Inside Light 'A' Pillar
C361 (29 pin, White) Floor – Driver Door Inside Right 'A' Pillar
C402 (6 Pin, White) Tailgate – Floor Behind the Rear Quarter Glass
S101 (White) Front Inside the Engine Fuse Block
S206 (Violet) IP Rear Left Instrument Panel
G102 Front Behind the Left Headlamp
G103 Front Behind the Right Headlamp
G203 IP Under Right Ashtray
G301 Floor Under the Driver Room Floor
G405 Tailgate, Aux Under the Rear Wiper Motor

b. CONNECTOR IDENTIFICATION SYMBOL & PIN NUMBER POSITION

U4D1P114.png


c. POSITION OF CONNECTORS AND GROUNDS

U4D12014.png


U4D12008.png


d. SPLICE PACK

s101

U6D1S008.png


s206

U5D1S018.png


To Previous Page To Next Page


https://vnx.su/ 🛠 Руководства по ремонту и эксплуатации для автомобилей

Поиск по сайту

Остались вопросы или пожелания? Пишите на почту: support@vnx.su

Карта Сайта