К началу документа
Tacuma-Rezzo
На предыдущую страницуНа следующую страницу
Главная страница GMDEЗагрузить нединамическое оглавлениеЗагрузить динамическое оглавлениеПомощь



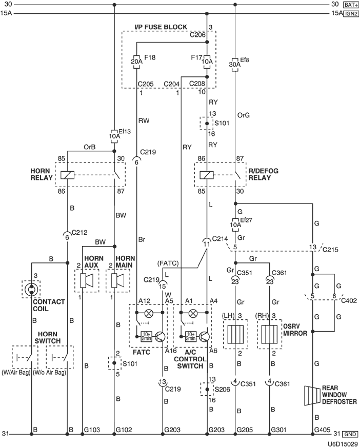
17. ЦЕПЬ ЗВУКОВОГО СИГНАЛА И СИСТЕМЫ ОБОГРЕВА ЗЕРКАЛА

U6D15029.png
Показать иллюстрациюПеревод текста в иллюстрациях


а. ИНФОРМАЦИЯ О РАЗЪЁМЕ

№ РАЗЪЁМА
(№ И ЦВЕТ КОНТАКТА)
СОЕДИНИТЕЛЬНЫЙ ЖГУТ ПРОВОДОВПОЛОЖЕНИЕ РАЗЪЁМА
С204 (контакт 12, белый) Блок предохранителей на приборной панели - приборная панель Передняя часть блока предохранителей на приборной панели
С205 (контакт 14, белый) Блок предохранителей на приборной панели - приборная панель Передняя часть блока предохранителей на приборной панели
C206 (контакт 3, коричневый) Блок предохранителей на приборной панели - приборная панель Передняя часть блока предохранителей на приборной панели
С208 (контакт 14, белый) Блок предохранителей на приборной панели - передняя часть За блоком предохранителей на приборной панели
С212 (контакт 18, синий) Передняя часть - приборная панель Левая верхняя часть пространства для ног водителя
С214 (контакт 22, желтый) Передняя часть - приборная панель Левая верхняя часть пространства для ног водителя
С215 (контакт 16, белый) Пол - передняя часть Под блоком предохранителей на приборной панели
С219 (контакт 15, белый) Приборная панель - автоматическое регулирование температуры Над корпусом испарителя
С351 (контакт 29, белый) Пол - дверь водителя Внутренняя сторона левой передней стойки
С361 (контакт 29, белый) Пол - дверь пассажира Внутренняя сторона правой передней стойки
С402 (контакт 6, белый) Задняя дверь - пол За боковым стеклом в задней части кузова
S101 (бел.) ПЕРЕДНЯЯ ЧАСТЬ Внутренняя сторона блока предохранителей в моторном отсеке
S206 (фиолетов.) Приборная панель За вещевым ящиком с левой стороны
G102 ПЕРЕДНЯЯ ЧАСТЬ За левой фарой
G103 ПЕРЕДНЯЯ ЧАСТЬ За правой фарой
G203 Приборная панель Под пепельницей с правой стороны
G205 Пол За блоком предохранителей на приборной панели
G301 Пол Под полом в салоне автомобиля
G405 Задняя дверь, допол. Под двигателем заднего стеклоочистителя

б. УСЛОВНОЕ ОБОЗНАЧЕНИЕ & И НАХОЖДЕНИЕ НОМЕРА КОНТАКТА

U4D1P041.png
Показать иллюстрациюПеревод текста в иллюстрациях


в. РАСПОЛОЖЕНИЕ РАЗЪЁМОВ И СОЕДИНЕНИЙ МАССЫ

U4D12008.png
Показать иллюстрациюПеревод текста в иллюстрациях


г. КОНТАКТНАЯ КОЛОДКА

s101 (itms-6f)

U6D1S002.png
Показать иллюстрациюПеревод текста в иллюстрациях


s101 (mr-140, sirius d4)

U6D1S001.png
Показать иллюстрациюПеревод текста в иллюстрациях


s206

U5D1S010.png
Показать иллюстрациюПеревод текста в иллюстрациях


На предыдущую страницуНа следующую страницу


https://vnx.su/ 🛠 Руководства по ремонту и эксплуатации для автомобилей

Поиск по сайту

Остались вопросы или пожелания? Пишите на почту: support@vnx.su

Карта Сайта