К началу документа
Tacuma-Rezzo
На предыдущую страницуНа следующую страницу
Главная страница GMDEЗагрузить нединамическое оглавлениеЗагрузить динамическое оглавлениеПомощь




РАЗДЕЛ 3

ЭЛЕКТРИЧЕСКАЯ СХЕМА ИСТОЧНИКОВ ЭЛЕКТРОПИТАНИЯ



1. ЦЕПЬ ЗАМКА ЗАЖИГАНИЯ

1) КЛЕММА 15 ign 1 ЦЕПИ ЭЛЕКТРОПИТАНИЯ (БЛОК ПРЕДОХРАНИТЕЛЕЙ НА ПРИБОРНОЙ ПАНЕЛИ)

U6D13001.png
Показать иллюстрациюПеревод текста в иллюстрациях


U6D13008.png
Показать иллюстрациюПеревод текста в иллюстрациях


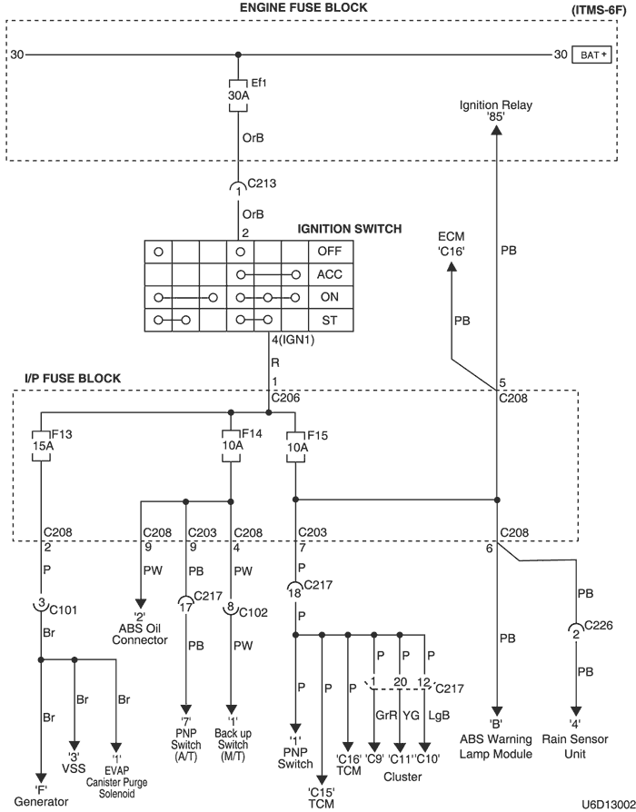
U6D13002.png
Показать иллюстрациюПеревод текста в иллюстрациях


U5D13004.png
Показать иллюстрациюПеревод текста в иллюстрациях


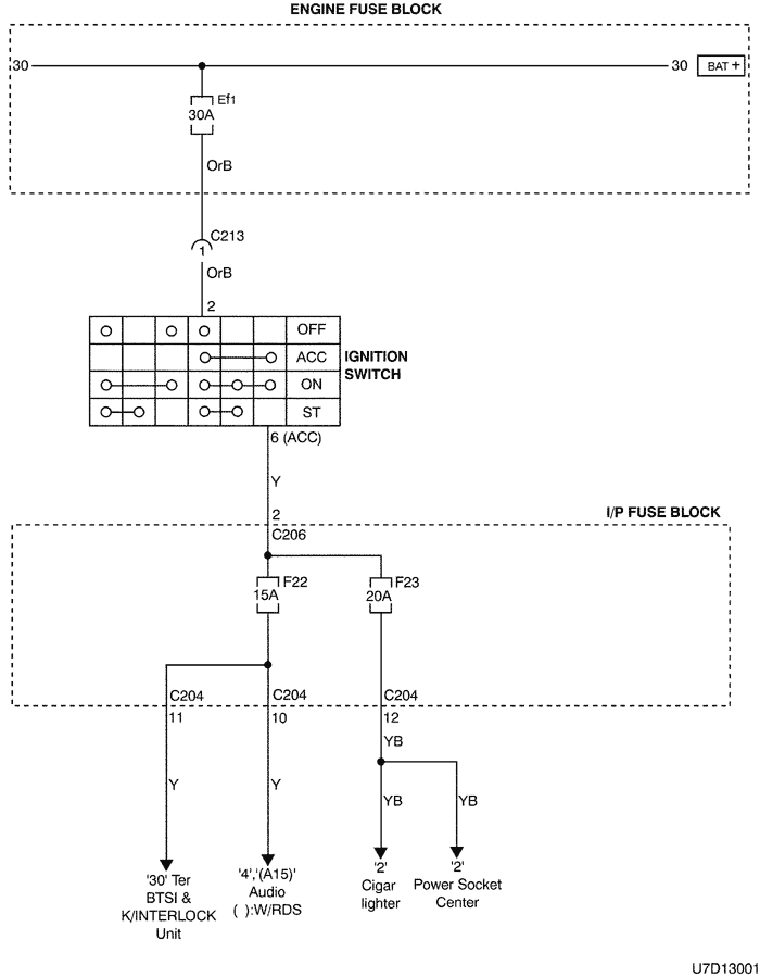
2) 15c acc ЦЕПИ ЭЛЕКТРОПИТАНИЯ (БЛОК ПРЕДОХРАНИТЕЛЕЙ НА ПРИБОРНОЙ ПАНЕЛИ)

U7D13001.png
Показать иллюстрациюПеревод текста в иллюстрациях


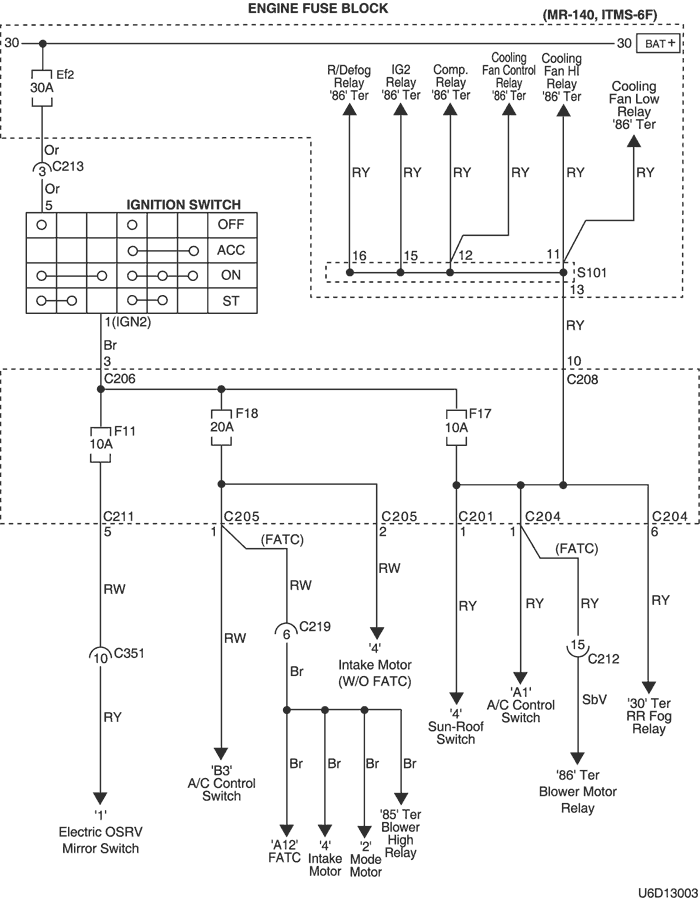
3) 15a ign 2 ЦЕПИ ЭЛЕКТРОПИТАНИЯ (БЛОК ПРЕДОХРАНИТЕЛЕЙ НА ПРИБОРНОЙ ПАНЕЛИ)

U6D13003.png
Показать иллюстрациюПеревод текста в иллюстрациях


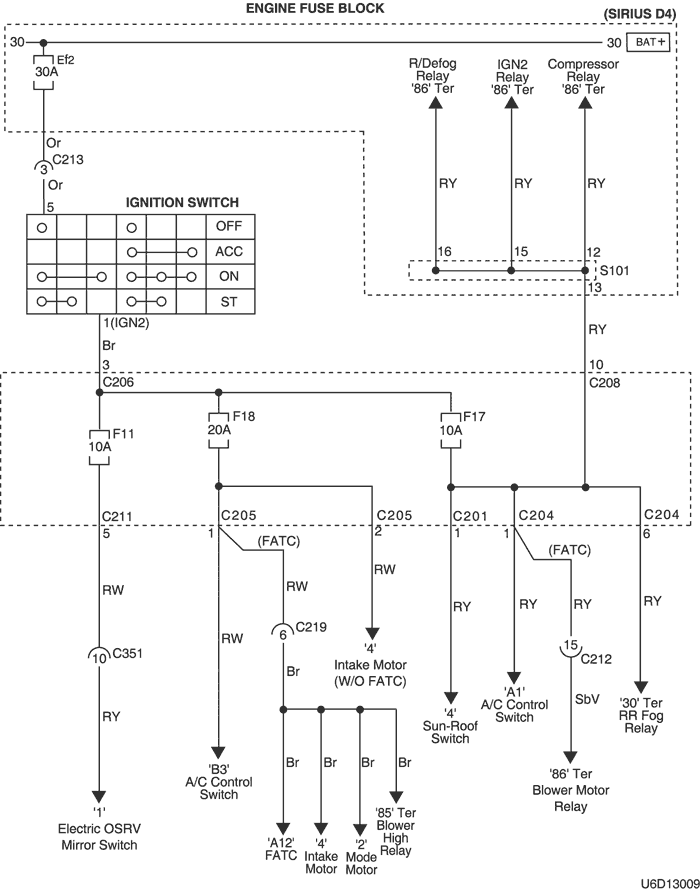
U6D13009.png
Показать иллюстрациюПеревод текста в иллюстрациях


U6D13004.png
Показать иллюстрациюПеревод текста в иллюстрациях




2. ЦЕПЬ БЛОКА ПРЕДОХРАНИТЕЛЕЙ И РЕЛЕ В МОТОРНОМ ОТСЕКЕ

U4D13040.png
Показать иллюстрациюПеревод текста в иллюстрациях


U5D13009.png
Показать иллюстрациюПеревод текста в иллюстрациях


U5D13010.png
Показать иллюстрациюПеревод текста в иллюстрациях


U6D13005.png
Показать иллюстрациюПеревод текста в иллюстрациях


U6D13006.png
Показать иллюстрациюПеревод текста в иллюстрациях


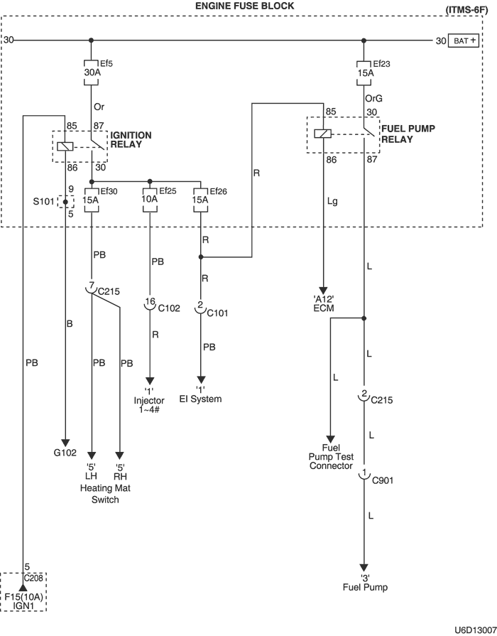
U6D13007.png
Показать иллюстрациюПеревод текста в иллюстрациях


U5D13014.png
Показать иллюстрациюПеревод текста в иллюстрациях


U5D13015.png
Показать иллюстрациюПеревод текста в иллюстрациях


U5D13016.png
Показать иллюстрациюПеревод текста в иллюстрациях


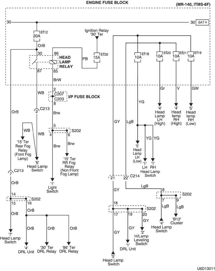
U6D13010.png
Показать иллюстрациюПеревод текста в иллюстрациях


U6D13011.png
Показать иллюстрациюПеревод текста в иллюстрациях


U6D13012.png
Показать иллюстрациюПеревод текста в иллюстрациях


U5D13019.png
Показать иллюстрациюПеревод текста в иллюстрациях


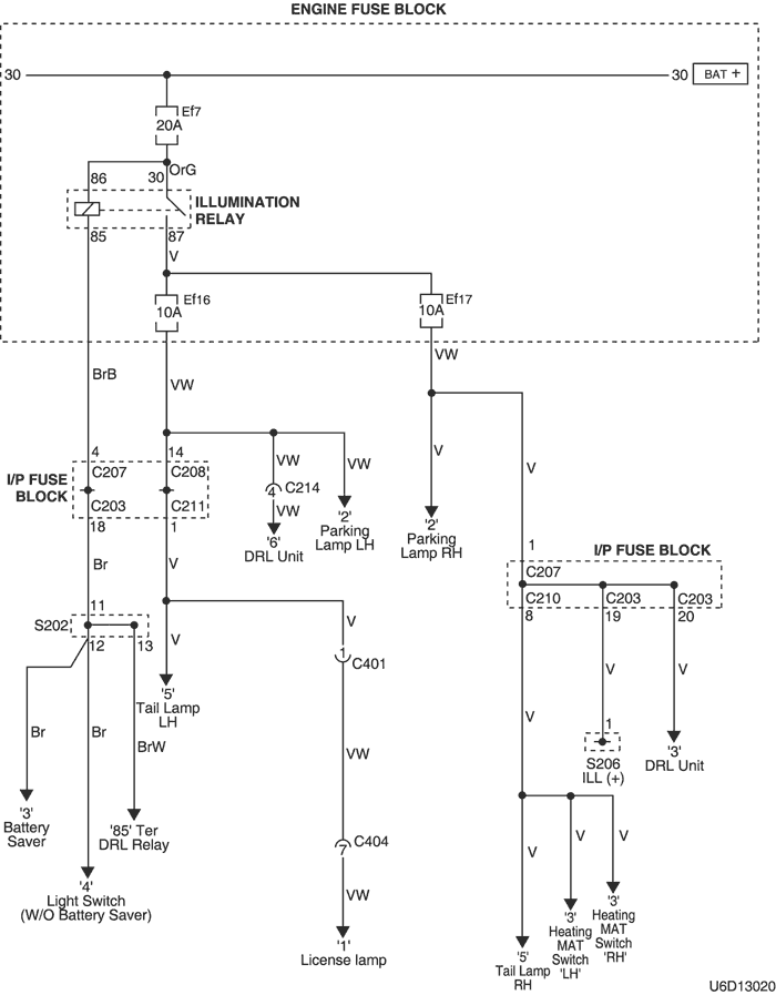
U6D13020.png
Показать иллюстрациюПеревод текста в иллюстрациях


На предыдущую страницуНа следующую страницу


https://vnx.su/ 🛠 Руководства по ремонту и эксплуатации для автомобилей

Поиск по сайту

Остались вопросы или пожелания? Пишите на почту: support@vnx.su

Карта Сайта