К началу документа
Nubira-Lacetti
На предыдущую страницуНа следующую страницу
Главная страница GMDEЗагрузить нединамическое оглавлениеЗагрузить динамическое оглавлениеПомощь

ТЕХНИЧЕСКОЕ ОБСЛУЖИВАНИЕ И РЕМОНТ

ОБСЛУЖИВАНИЕ АВТОМОБИЛЯ



J6B11C01
Показать иллюстрациюПеревод текста в иллюстрациях


Кожух двигателя

Процедура снятия

  1. Снять болты и гайки кожуха двигателя.
  2. Снимите кожух двигателя.


J6B11C01
Показать иллюстрациюПеревод текста в иллюстрациях


Процедура установки

  1. Установите кожух двигателя.
  2. Установите винты и гайки кожуха двигателя.
  3. Затянуть
    Затянуть болты и гайки кожуха двигателя до 10 Н•м (89 фунто-дюймов).



J6B11C02
Показать иллюстрациюПеревод текста в иллюстрациях


Узел воздухоочистителя

Процедура снятия

  1. Снимите кожух двигателя. Следуйте пункту "Кожух двигателя" в этом разделе.
  2. Снимите винты корпуса воздухоочистителя.
  3. Ослабить зажимы.
  4. Снять воздушный фильтр в сборе.


J6B11C02
Показать иллюстрациюПеревод текста в иллюстрациях


Процедура установки

  1. Установить воздухоочиститель в сборе.
  2. Ослабить зажимы.
  3. Установите винты корпуса воздухоочистителя.
  4. Затянуть
    Затянуть винты воздушного фильтра до 10 Н•м (89 фунто-футов).



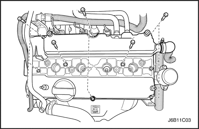
J6B11C03
Показать иллюстрациюПеревод текста в иллюстрациях


Крышка газораспределительного механизма

Процедура снятия

  1. Снимите кожух двигателя. Следуйте пункту "Кожух двигателя" в этом разделе.
  2. Отсоедините отрицательный кабель аккумулятора.
  3. Снять систему прямого зажигания. См. раздел 1F, Органы управления двигателем.
  4. Отсоединить шланги сапуна и шланг системы вентиляции картера от крышки газораспределительного механизма.
  5. Снимите винты и крышку газораспределительного механизма.


J6B11C03
Показать иллюстрациюПеревод текста в иллюстрациях


Процедура установки

  1. Установить крышку газораспределительного механизма и винты.
  2. Затянуть
    Затянуть винты крышки газораспределительного механизма до 10 Н•м (89 фунто-дюймов).

  3. Присоединить шланги сапуна и шланг системы вентиляции картера.
  4. Установить систему прямого зажигания. См. раздел 1F, Органы управления двигателем.
  5. Присоедините отрицательный кабель аккумулятора.


J3B11C11
Показать иллюстрациюПеревод текста в иллюстрациях


Впускной коллектор

Процедура снятия

  1. Снимите предохранитель топливного насоса.
  2. Запустите двигатель. После остановки двигателя проверните коленвал двигателя в течение 10 секунд, чтобы стравить давление в топливной системе.
  3. Отсоедините отрицательный кабель аккумулятора.
  4. Снимите кожух двигателя. Следуйте пункту "Кожух двигателя" в этом разделе.
  5. Снять воздушный фильтр в сборе. См. "Воздушный фильтр в сборе" в данном разделе.
  6. Слейте охлаждающую жидкость двигателя. Следуйте разделу 1D, Охлаждение двигателя.


  7. J6B11C04
    Показать иллюстрациюПеревод текста в иллюстрациях


  8. Отсоединить разъемы электропроводки.


  9. J6B11C09
    Показать иллюстрациюПеревод текста в иллюстрациях


  10. Снять верхний кронштейн генератора.


  11. J6B11C05
    Показать иллюстрациюПеревод текста в иллюстрациях


  12. Снять начальную часть топливопровода и форсунки. Следуйте разделу 1D, Управление двигателя.
  13. Снять контроллер ЭСУД. См. раздел 1F, Органы управления двигателем.
  14. Снять вакуумный шланг тормозной системы с впускного коллектора.
  15. Отсоединить разъемы электропроводки.


  16. J6B11C07
    Показать иллюстрациюПеревод текста в иллюстрациях


  17. Снять винт вспомогательного кронштейна впускного коллектора.


  18. J6B11C06
    Показать иллюстрациюПеревод текста в иллюстрациях


  19. Снять гайки вспомогательного кронштейна впускного коллектора в указанной последовательности.
  20. Снимите впускной коллектор.


J6B11C08
Показать иллюстрациюПеревод текста в иллюстрациях


Процедура установки

  1. Установить новую прокладку впускного коллектора.
  2. Установите впускной коллектор.
  3. Установить гайки впускного коллектора в указанной последовательности.
  4. Затянуть
    Затянуть гайки впускного коллектора до 30 Н•м (22 фунто-фута).



    J6B11C07
    Показать иллюстрациюПеревод текста в иллюстрациях


  5. Установить винт вспомогательного кронштейна впускного коллектора.
  6. Затянуть
    Затянуть верхний винт вспомогательного кронштейна впускного коллектора до 25 Н•м (18 фунто-футов).
    Затянуть нижний винт вспомогательного кронштейна впускного коллектора до 45 Н•м (33 фунто-фута).



    J6B11C09
    Показать иллюстрациюПеревод текста в иллюстрациях


  7. Установить верхний кронштейн генератора.
  8. Установить винты верхнего кронштейна генератора.
  9. Затянуть
    Затянуть винты верхнего кронштейна генератора до 25 Н•м (18 фунто-футов).



J6B11C10
Показать иллюстрациюПеревод текста в иллюстрациях


Выпускной коллектор

Процедура снятия

  1. Снимите кожух двигателя. Следуйте пункту "Кожух двигателя" в этом разделе.
  2. Отсоедините отрицательный кабель аккумулятора.
  3. Отсоедините разъем датчика кислорода.
  4. Снимите винты теплоизоляционного щитка выпускного коллектора.
  5. Снимите теплоизоляционный щиток выпускного коллектора.


  6. J3B11C21
    Показать иллюстрациюПеревод текста в иллюстрациях


  7. Снимите стопорные гайки выпускной гибкой трубы со штырей выпускного коллектора.


  8. J6B11C11
    Показать иллюстрациюПеревод текста в иллюстрациях


  9. Снять гайки выпускного коллектора в указанной последовательности.
  10. Снимите выпускной коллектор.


J6B11C19
Показать иллюстрациюПеревод текста в иллюстрациях


Процедура установки

  1. Установите прокладку выпускного коллектора.
  2. Установите выпускной коллектор.
  3. Установить гайки выпускного коллектора в указанной последовательности.
  4. Затянуть
    Затянуть гайки выпускного коллектора до 25 Н•м (18 фунто-футов).



    J3B11C21
    Показать иллюстрациюПеревод текста в иллюстрациях


  5. Установите стопорные гайки выпускной гибкой трубы на штыри выпускного коллектора.
  6. Затянуть
    Затянуть стопорные гайки крепления выпускной гибкой трубы к выпускному коллектору до 35 Н•м (26 фунто-футов).



    J6B11C10
    Показать иллюстрациюПеревод текста в иллюстрациях


  7. Установите винты теплоизоляционного щитка выпускного коллектора.
  8. Затянуть
    Затяните винты теплоизоляционного щитка выпускного коллектора до 15 Н•м (11 lb-ft).



J3B11C11
Показать иллюстрациюПеревод текста в иллюстрациях


Головка цилиндров и прокладка

Необходимое оборудование

KM-470-B Угловой индикатор крутящего момента
DW 110–060 Зажимное приспособление для двигателя

Процедура снятия

  1. Снимите предохранитель топливного насоса.
  2. Запустите двигатель. После остановки двигателя проверните коленвал двигателя в течение 10 секунд, чтобы стравить давление в топливной системе.
  3. Отсоедините отрицательный кабель аккумулятора.
  4. Снимите кожух двигателя. Следуйте пункту "Кожух двигателя" в этом разделе.
  5. Снять воздушный фильтр в сборе. См. "Воздушный фильтр в сборе" в данном разделе.
  6. Слейте охлаждающую жидкость двигателя. Следуйте разделу 1D, Охлаждение двигателя.


  7. J6B11C04
    Показать иллюстрациюПеревод текста в иллюстрациях


  8. Отсоединить разъемы электропроводки.


  9. J6B11C09
    Показать иллюстрациюПеревод текста в иллюстрациях


  10. Снять верхний кронштейн генератора.


  11. J6B11C05
    Показать иллюстрациюПеревод текста в иллюстрациях


  12. Отсоединить разъемы электропроводки.
  13. Снять вакуумный шланг тормозной системы с впускного коллектора.
  14. Снять вакуумную трубку тормозной системы.
  15. Снять трубку клапана продувки адсорбера с корпуса дроссельной заслонки.
  16. Снять шланг системы вентиляции картера с крышки газораспределительного механизма.
  17. Снять систему прямого зажигания. См. раздел 1F, Органы управления двигателем.


  18. J6B11C07
    Показать иллюстрациюПеревод текста в иллюстрациях


  19. Снять вспомогательный кронштейн на впуске.


  20. J3B11C21
    Показать иллюстрациюПеревод текста в иллюстрациях


  21. Снимите стопорные гайки выпускной гибкой трубы со штырей выпускного коллектора.


  22. J6B11C12
    Показать иллюстрациюПеревод текста в иллюстрациях


  23. Снять верхний шланг для охлаждающей жидкости.
  24. Снимите крышку газораспределительного механизма. Следуйте пункту "Крышка газораспределительного механизма" в этом разделе.
  25. Снимите приводной ремень газораспределительного механизма. Следуйте пункту "Приводной ремень газораспределительного механизма" в этом разделе.
  26. Снимите шестерни распределительного вала. Следуйте пункту "Шестерни распределительного вала" в этом разделе.
  27. Снимите заднюю крышку приводного ремня газораспределительного механизма. См. "Задняя крышка приводного ремня газораспределительного механизма" в данном разделе.


  28. J3B11CD9
    Показать иллюстрациюПеревод текста в иллюстрациях


  29. В указанной последовательности освободить все винты головки цилиндров.
  30. Снять головку цилиндров и прокладку.

Процедура очистки

  1. Очистите поверхности прокладки головки цилиндров и блока цилиндров.
  2. Убедитесь, что поверхности прокладки головки цилиндров и блока цилиндров не имеют вмятин и глубоких царапин.
  3. Почистите винты головки цилиндров.


J3B11CE1
Показать иллюстрациюПеревод текста в иллюстрациях


Процедура установки

  1. Установить новую прокладку головки цилиндров.
  2. Установите головку цилиндров с присоединенным впускным и выпускным коллектором.
  3. Установите винты головки цилиндров в указанной последовательности.
  4. Затянуть
    Затянуть винты головки цилиндров до 25 Н•м (18 фунто-футов) и провернуть винты на 190° с помощью углового индикатора крутящего момента.



    J6B11C09
    Показать иллюстрациюПеревод текста в иллюстрациях


  5. Установить верхний кронштейн генератора.
  6. Затянуть
    Затянуть винт и гайки верхнего кронштейна генератора до 25 Н•м (18 фунто-футов).



    J3B11C21
    Показать иллюстрациюПеревод текста в иллюстрациях


  7. Установите стопорные гайки выпускной гибкой трубы на штыри выпускного коллектора.
  8. Затянуть
    Затянуть стопорные гайки крепления выпускной гибкой трубы к выпускному коллектору до 35 Н•м (26 фунто-футов).

Шестерня распределительного вала

Процедура снятия

  1. Отсоедините отрицательный кабель аккумулятора.
  2. Снимите кожух двигателя. Следуйте пункту "Кожух двигателя" в этом разделе.
  3. Снять воздушный фильтр в сборе. См. "Воздушный фильтр в сборе" в данном разделе.
  4. Снять систему прямого зажигания. См. раздел 1F, Органы управления двигателем.
  5. Снимите крышку газораспределительного механизма. Следуйте пункту "Крышка газораспределительного механизма" в этом разделе.
  6. Снимите приводной ремень газораспределительного механизма. Следуйте пункту "Приводной ремень газораспределительного механизма" в этом разделе.


  7. J6B11C15
    Показать иллюстрациюПеревод текста в иллюстрациях


  8. Снять датчик положения распределительного вала.


  9. J3B11CD7
    Показать иллюстрациюПеревод текста в иллюстрациях


    Примечание: Крепко удерживая распределительный вал, снять винты шестерни распредвала. Одновременно с этим необходимо предотвратить появление на распредвале царапин, зазубрин или других повреждений.

  10. Снимите шестерни распределительного вала.


J3B11CD7
Показать иллюстрациюПеревод текста в иллюстрациях


Процедура установки

    Примечание: Крепко удерживая распределительный вал, установить винты шестерни распредвала. Одновременно с этим необходимо предотвратить появление на распредвале царапин, зазубрин или других повреждений.

  1. Установите шестерни распределительного вала.
  2. Затянуть
    Затянуть винты шестерни распределительного вала до 67,5 Н•м (50 фунто-футов).



    J6B11C15
    Показать иллюстрациюПеревод текста в иллюстрациях


  3. Установите датчик СМР.
  4. Затянуть
    Затянуть датчик распределительного вала до 7 Н•м (62 фунто-дюйма).



J6B11C01
Показать иллюстрациюПеревод текста в иллюстрациях


Проверка и регулировка натяжения приводного ремня газораспределительного механизма

Необходимое оборудование

DW110-080 Приспособления для снятия и установки изгибающегося приводного ремня

Процедура регулировки

  1. Снимите кожух двигателя. Следуйте пункту "Кожух двигателя" в этом разделе.
  2. Снять воздушный фильтр в сборе. См. "Воздушный фильтр в сборе" в данном разделе.


  3. J3B11CD2
    Показать иллюстрациюПеревод текста в иллюстрациях


  4. Снять переднее правое колесо и брызговик. Следуйте разделу 2Е, Шины и колеса.
  5. Снять изгибающийся приводной ремень, провернув винт шкива натяжителя по часовой стрелке приспособлением dw110-080.


  6. J6B11C14
    Показать иллюстрациюПеревод текста в иллюстрациях


  7. Снимите винты шкива коленчатого вала.
  8. Снимите шкив коленчатого вала.
  9. Снимите правую подвеску двигателя. Следуйте пункту "Подвеска двигателя" в этом разделе.


  10. J6B11C13
    Показать иллюстрациюПеревод текста в иллюстрациях


  11. Снимите винты передней крышки приводного ремня газораспределительного механизма
  12. Снимите переднюю крышку приводного ремня газораспределительного механизма


  13. J3D11C02
    Показать иллюстрациюПеревод текста в иллюстрациях


  14. Провернуть коленчатый вал не менее, чем на один полный оборот по часовой стрелке с помощью ремня шестерни коленчатого вала.
  15. Совместите отметку на шестерне коленчатого вала с насечкой в низу крышки приводного ремня газораспределительного механизма.
  16. Совместите отметки газораспределения шестерни распределительного вала.


  17. J3B11C34
    Показать иллюстрациюПеревод текста в иллюстрациях


  18. Освободите винт автоматического натяжителя. Чтобы ослабить натяжение ремня, поверните шестиугольную головку против часовой стрелки.
  19. Провернуть шестиугольную головку автоматического натяжителя по часовой стрелке до совмещения указателя приводного ремня газораспределительного механизма с насечкой на кронштейне автоматического натяжителя приводного ремня газораспределительного механизма.


  20. J3B11C29
    Показать иллюстрациюПеревод текста в иллюстрациях


  21. Затяните винт автоматического натяжителя.
  22. Проверните коленчатый вал на два полных оборота, используя шестерни коленчатого вала.
  23. Проверьте указатель автоматического натяжителя.


  24. J3B11C34
    Показать иллюстрациюПеревод текста в иллюстрациях


  25. Когда указатель автоматического натяжителя приводного ремня газораспределительного механизма совмещен с насечкой на кронштейне автоматического натяжителя приводного ремня газораспределительного механизма, ремень натянут правильно.
  26. Затянуть
    Затяните винт автоматического натяжителя до 25 Н•м (18 lb-ft)



    J6B11C13
    Показать иллюстрациюПеревод текста в иллюстрациях


  27. Установите переднюю крышку приводного ремня газораспределительного механизма.
  28. Установите винты передней крышки приводного ремня газораспределительного механизма.
  29. Затянуть
    Затянуть верхние/нижние винты передней крышки приводного ремня газораспределительного механизма до 6 Н•м (53 фунто-дюйма).



    J6B11C14
    Показать иллюстрациюПеревод текста в иллюстрациях


  30. Установите шкив коленчатого вала.
  31. Установите винт шкива коленчатого вала.
  32. Затянуть
    Затянуть винт шкива коленчатого вала до 25 Н•м (18 фунто-футов).



J6B11C01
Показать иллюстрациюПеревод текста в иллюстрациях


Приводной ремень газораспределительного механизма

Процедура снятия

  1. Отсоедините отрицательный кабель аккумулятора.
  2. Снимите кожух двигателя. Следуйте пункту "Кожух двигателя" в этом разделе.
  3. Снять воздушный фильтр в сборе. См. "Воздушный фильтр в сборе" в данном разделе.
  4. Снять переднее правое колесо и брызговик. Следуйте разделу 2Е, Шины и колеса.


  5. J6B11C14
    Показать иллюстрациюПеревод текста в иллюстрациях


  6. Снимите изгибающийся вспомогательный приводной ремень. Следуйте пункту "Проверка и регулировка натяжения приводного ремня газораспределительного механизма" в этом разделе.
  7. Снимите винт шкива коленчатого вала.
  8. Снимите шкив коленчатого вала.
  9. Снимите правую подвеску двигателя. Следуйте пункту "Подвеска двигателя" в этом разделе.


  10. J6B11C13
    Показать иллюстрациюПеревод текста в иллюстрациях


  11. Снимите винты передней крышки приводного ремня газораспределительного механизма
  12. Снимите переднюю крышку приводного ремня газораспределительного механизма


  13. J3D11C02
    Показать иллюстрациюПеревод текста в иллюстрациях


  14. Используя винт шестерни коленчатого вала, провернуть коленчатый вал по часовой стрелке до совмещения метки газораспределения шестерни коленчатого вала с насечкой внизу задней крышки приводного ремня газораспределительного механизма.
  15. Совместите шестерни распределительного вала с насечкой на крышке газораспределительного механизма.
  16. Важно: Используйте отметку впускной шестерни для впускной шестерни распределительного вала и отметку выпускной шестерни для выпускной шестерни распределительного вала, так как шестерни взаимозаменяемы.



    J3B11C19
    Показать иллюстрациюПеревод текста в иллюстрациях


  17. Освободите винт автоматического натяжителя. Поверните шестиугольную головку, чтобы ослабить натяжение ремня.
  18. Снимите приводной ремень газораспределительного механизма.


J3D11C02
Показать иллюстрациюПеревод текста в иллюстрациях


Процедура установки

  1. Совместите отметку на шестерне коленчатого вала с насечкой в низу задней крышки приводного ремня газораспределительного механизма.
  2. Совместить метки газораспределения шестерней распределительного вала с помощью метки впускной шестерни для впускной шестерни и метку выпускной шестерни для выпускной шестерни.


  3. J3B11C91
    Показать иллюстрациюПеревод текста в иллюстрациях


  4. Установите приводной ремень газораспределительного механизма.


  5. J3B11C34
    Показать иллюстрациюПеревод текста в иллюстрациях


  6. Поверните шестиугольную головку по часовой стрелке, чтобы натянуть ремень. Вращайте до совмещения указателя с насечкой.
  7. Установите винт автоматического натяжителя.
  8. Затянуть
    Затянуть винты автоматического натяжителя до 25 Н•м (18 фунто-футов).

  9. Проверните коленчатый вал на два полных оборота, используя винт шкива коленчатого вала.
  10. Еще раз проверьте указатель автоматического натяжителя.


  11. J6B11C13
    Показать иллюстрациюПеревод текста в иллюстрациях


  12. Установите переднюю крышку приводного ремня газораспределительного механизма.
  13. Установите винты передней крышки приводного ремня газораспределительного механизма.
  14. Затянуть
    Затянуть верхние/нижние винты передней крышки приводного ремня газораспределительного механизма до 6 Н•м (53 фунто-дюйма).

  15. Установить кронштейн правой подвески двигателя. Следуйте пункту "Подвески двигателя" в этом разделе.


  16. J6B11C14
    Показать иллюстрациюПеревод текста в иллюстрациях


  17. Установите шкив коленчатого вала.
  18. Установите винт шкива коленчатого вала.
  19. Затянуть
    Затянуть винт шкива коленчатого вала до 95 Н•м (70 фунто-футов) и провернуть его еще на 30 градусов и на 15 градусов угловым индикатором крутящего момента.



J6B11C16
Показать иллюстрациюПеревод текста в иллюстрациях


Задняя крышка приводного ремня газораспределительного механизма

Процедура снятия

  1. Снимите приводной ремень газораспределительного механизма. Следуйте пункту "Приводной ремень газораспределительного механизма" в этом разделе.
  2. Снять винты кронштейна правой подвески двигателя.
  3. Снимите кронштейн правой подвески двигателя.
  4. Снимите шестерни распределительного вала. Следуйте пункту "Шестерни распределительного вала" в этом разделе.


  5. J3B11C18
    Показать иллюстрациюПеревод текста в иллюстрациях


  6. Снимите винт автоматического натяжителя приводного ремня газораспределительного механизма.
  7. Снимите автоматический натяжитель приводного ремня газораспределительного механизма.


  8. J3B11C19
    Показать иллюстрациюПеревод текста в иллюстрациях


  9. Снимите холостые шкивы приводного ремня газораспределительного механизма.
  10. Снимите шестерню коленчатого вала.


  11. J6B11C17
    Показать иллюстрациюПеревод текста в иллюстрациях


  12. Снимите винты крышки приводного ремня газораспределительного механизма.
  13. Снимите заднюю крышку приводного ремня газораспределительного механизма.


J6B11C17
Показать иллюстрациюПеревод текста в иллюстрациях


Процедура установки

  1. Установите заднюю крышку приводного ремня газораспределительного механизма.
  2. Установите винты задней крышки приводного ремня газораспределительного механизма.
  3. Затянуть
    Затянуть винты задней крышки приводного ремня газораспределительного механизма до 8 Н•м (71 фунто-дюйм).



    J3B11C19
    Показать иллюстрациюПеревод текста в иллюстрациях


  4. Установите шестерню коленчатого вала.
  5. Установите холостые шкивы приводного ремня газораспределительного механизма.
  6. Затянуть
    Затянуть винты холостых шкивов приводного ремня газораспределительного механизма до 25 Н•м (18 фунто-футов).



    J6B11C16
    Показать иллюстрациюПеревод текста в иллюстрациях


  7. Установить опору кронштейна правой подвески двигателя.
  8. Затянуть
    Затянуть опору кронштейна подвески двигателя до 55 Н•м (41 фунто-фут).



    J3B11C19
    Показать иллюстрациюПеревод текста в иллюстрациях


  9. Установите автоматический натяжитель приводного ремня газораспределительного механизма.
  10. Установите винт автоматического натяжителя приводного ремня газораспределительного механизма.
  11. Затянуть
    Затяните винт автоматического натяжителя приводного ремня газораспределительного механизма до 25 Н•м (18 lb-ft)



На предыдущую страницуНа следующую страницу
https://vnx.su/ 🛠 Руководства по ремонту и эксплуатации для автомобилей

Поиск по сайту

Остались вопросы или пожелания? Пишите на почту: support@vnx.su

Карта Сайта