К началу документа
Kalos/Aveo
На предыдущую страницу На следующую страницу
Главная страница GMDE Загрузить нединамическое оглавление Загрузить динамическое оглавление Помощь




РАЗДЕЛ 5

electrical wiring diagrams



1. STARTING & CHARGING SYSTEM

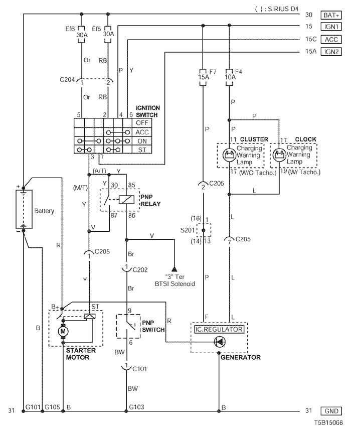
1) battery, ignition switch, starter motor, generator & pnp switch circuit

T5B15068.png
Показать иллюстрациюПеревод текста в иллюстрациях


а. ИНФОРМАЦИЯ О РАЗЪЁМЕ

№ РАЗЪЁМА
(№ И ЦВЕТ КОНТАКТА)
СОЕДИНИТЕЛЬНЫЙ ЖГУТ ПРОВОДОВ ПОЛОЖЕНИЕ РАЗЪЁМА
C101 (4 Pin, Black) Engine - TCM Behind Coolant Reservoir
C202 (11 Pin, White) TCM - IP Behind I/P Fuse Block
C204 (4 Pin, White) Front – IP Under I/P Fuse Block
C205 (18 Pin, Gray) IP – Engine Behind I/P Fuse Block
G101 Battery Under ECM
G103 Engin Next to #4 Injector
G105 Battery Next to Starter Motor

б. УСЛОВНОЕ ОБОЗНАЧЕНИЕ & И НАХОЖДЕНИЕ НОМЕРА КОНТАКТА

T5B1P010.png
Показать иллюстрациюПеревод текста в иллюстрациях


в. РАСПОЛОЖЕНИЕ РАЗЪЁМОВ И СОЕДИНЕНИЙ МАССЫ

T3B12013.png
Показать иллюстрациюПеревод текста в иллюстрациях


T3B12012.png
Показать иллюстрациюПеревод текста в иллюстрациях


г. КОНТАКТНАЯ КОЛОДКА

s201 (mr-140/hv-240)

T3B1S002.png
Показать иллюстрациюПеревод текста в иллюстрациях


На предыдущую страницу На следующую страницу


https://vnx.su/ 🛠 Руководства по ремонту и эксплуатации для автомобилей

Поиск по сайту

Остались вопросы или пожелания? Пишите на почту: support@vnx.su

Карта Сайта