К началу документа
Nubira-Lacetti
На предыдущую страницуНа следующую страницу
Главная страница GMDEЗагрузить нединамическое оглавлениеЗагрузить динамическое оглавлениеПомощь




РАЗДЕЛ 3

wiring diagram for power supplies



1. IGNITION SWITCH CIRCUIT

J3B13001.png
Показать иллюстрациюПеревод текста в иллюстрациях




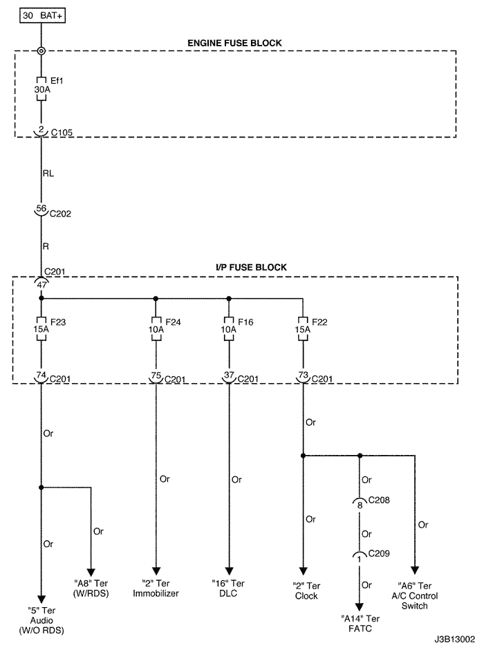
2. 30 TER "BAT+" POWER SUPPLY CIRCUIT (I.P FUSE BLOCK)

J3B13002.png
Показать иллюстрациюПеревод текста в иллюстрациях


J5B13012.png
Показать иллюстрациюПеревод текста в иллюстрациях




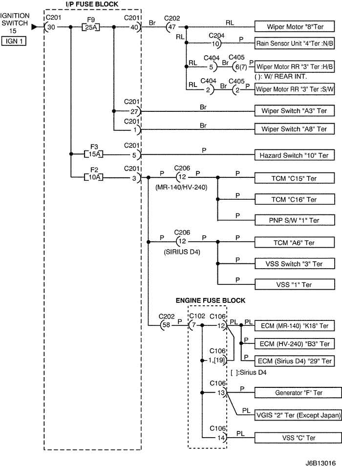
3. 15 TER "IGN1" POWER SUPPLY CIRCUIT (I.P FUSE BLOCK)

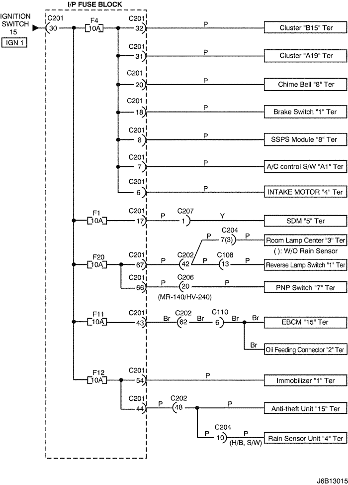
J6B13015.png
Показать иллюстрациюПеревод текста в иллюстрациях


J6B13016.png
Показать иллюстрациюПеревод текста в иллюстрациях




4. 15A TER "IGN2", 15C TER "ACC" POWER SUPPLY CIRCUIT (I.P FUSE BLOCK)

J6B13017.png
Показать иллюстрациюПеревод текста в иллюстрациях




5. ENGINE FUSE BLOCK & RELAY CIRCUIT

J3D13004.png
Показать иллюстрациюПеревод текста в иллюстрациях


J6B13018.png
Показать иллюстрациюПеревод текста в иллюстрациях


J6B13019.png
Показать иллюстрациюПеревод текста в иллюстрациях


J6B13020.png
Показать иллюстрациюПеревод текста в иллюстрациях


J3B13024.png
Показать иллюстрациюПеревод текста в иллюстрациях


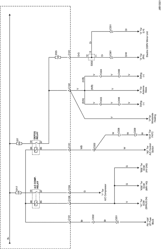
J6B13021.png
Показать иллюстрациюПеревод текста в иллюстрациях


J6B13008.png
Показать иллюстрациюПеревод текста в иллюстрациях


J6B13022.png
Показать иллюстрациюПеревод текста в иллюстрациях


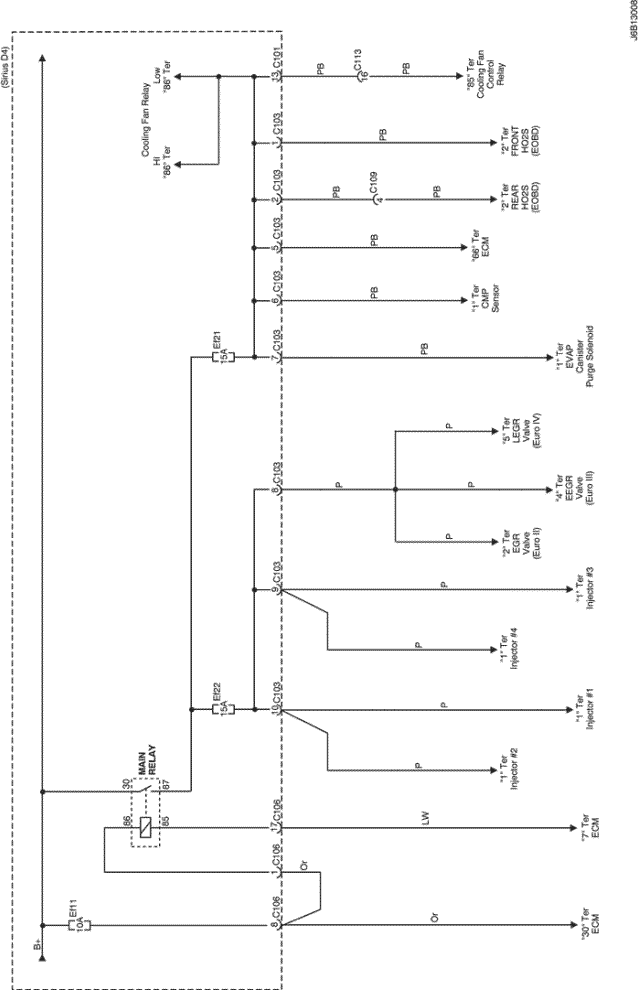
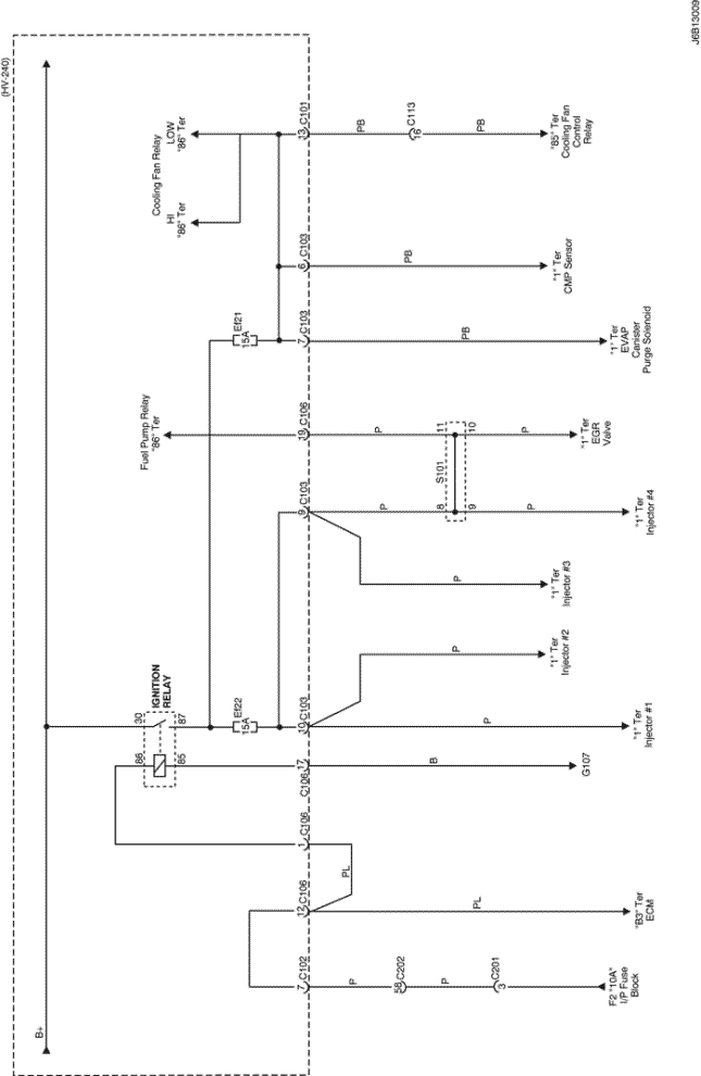
J6B13009.png
Показать иллюстрациюПеревод текста в иллюстрациях


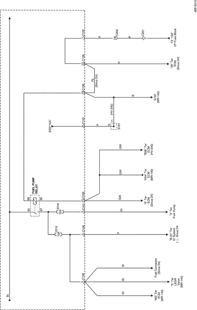
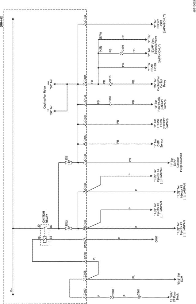
J6B13010.png
Показать иллюстрациюПеревод текста в иллюстрациях


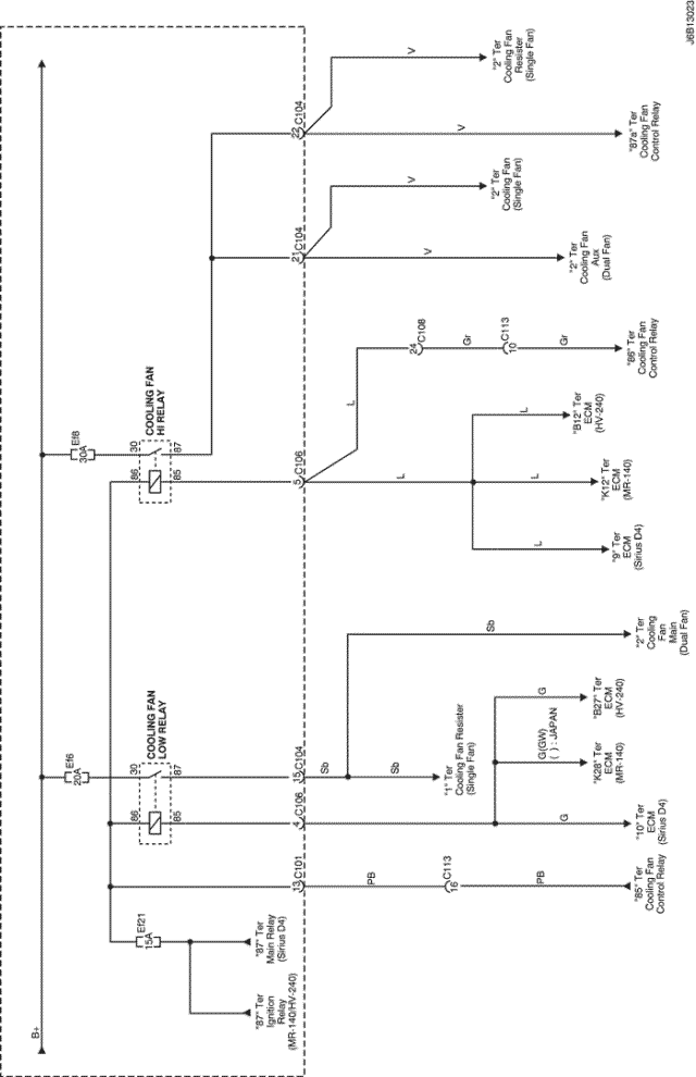
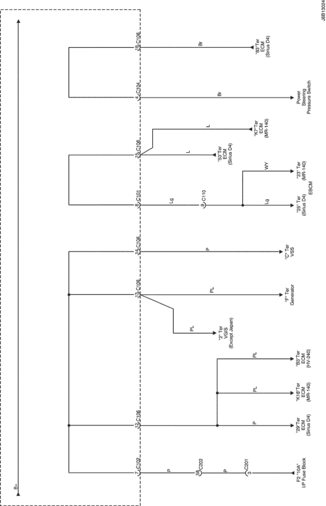
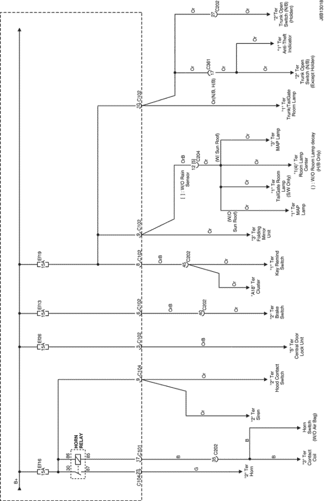
J6B13023.png
Показать иллюстрациюПеревод текста в иллюстрациях


J5B13022.png
Показать иллюстрациюПеревод текста в иллюстрациях


J6B13024.png
Показать иллюстрациюПеревод текста в иллюстрациях


На предыдущую страницуНа следующую страницу


https://vnx.su/ 🛠 Руководства по ремонту и эксплуатации для автомобилей

Поиск по сайту

Остались вопросы или пожелания? Пишите на почту: support@vnx.su

Карта Сайта