К началу документа
Nubira-Lacetti
На предыдущую страницуНа следующую страницу
Главная страница GMDEЗагрузить нединамическое оглавлениеЗагрузить динамическое оглавлениеПомощь




РАЗДЕЛ 2

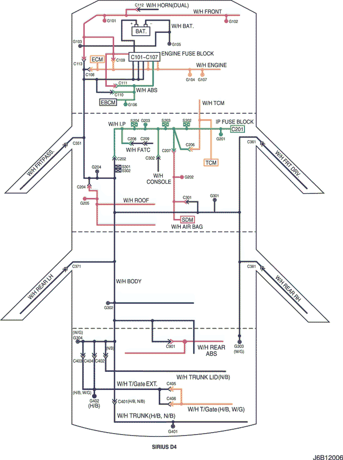
position of connectors and grounds



1.CONNECTOR, GROUND AND SPLICE PACK INFORMATION

1) wiring harness, ground & splice pack location

J6B12005.png
Показать иллюстрациюПеревод текста в иллюстрациях


J6B12006.png
Показать иллюстрациюПеревод текста в иллюстрациях


2) connector information

connector number
terminal number
color
connecting wiring harness
connector position
c101
21 pin
white
body – engine fuse block
engine fuse block
c102
11 pin
white
body – engine fuse block
engine fuse block
c103
10 pin
white
engine – engine fuse block
engine fuse block
c104
24 pin
white
front – engine fuse block
engine fuse block
c105
4 pin
white
body – engine fuse block
engine fuse block
c106
20 pin
white
engine – engine fuse block
engine fuse block
c107
2 pin
white
abs – engine fuse block
engine fuse block
c108
24 pin
black
body – engine
left engine fuse block
c109
4 pin
white
engine – front
under engine fuse block
c110
12 pin
white
abs – body
below engine fuse block
c111
2 pin
black
abs – front
below engine fuse block
c112
2 pin
black
front - horn
center cross member panel
c113
16 pin
black
body – front
behind ecm bracket
c201
76 pin
black
i.P – I.P Fuse Block
i.P Fuse Block
c202
89 pin
white
i.P – Body
left co-driver leg room
c204
8 pin
white
roof – body (w/o rain sensor)
left co-driver leg room
c204
14 pin
white
roof – body(w/ rain sensor)
left co-driver leg room
c206
22 pin
white
i.P – TCM
upper driver leg room
c207
6 pin
white
air bag – i.P
upper left driver leg room
c208
15 pin
white
i.P – FATC
behind glove box
c209
20 pin
black
fatc – fatc.Aux
between heater core and evaporator core
c301
8 pin
white
air bag – body
front sdm
c302
6 pin
white
i.P – Console
below console box
c351
33 pin
gray
body – front light door
under co-driver a pillar
c361
33 pin
gray
body – front right door
under driver a pillar
c371
12 pin
white
body – rear light door
under left b pillar
c381
12 pin
white
body – rear right door
under right b pillar
c401 (n/b)
8 pin
white
trunk – body
inside right trunk side cover
c401 (n/b)
10 pin
white
trunk – body (japan)
inside right trunk side cover
c401 (h/b)
6 pin
white
trunk – body
inside right trunk side cover
c402
6 pin
white
trunk lid – body
inside right trunk side cover
c403 (h/b)
6 pin
white
t/gate. EXT. - Body
inside left c pillar
c403 (s/w)
4 pin
white
t/gate. EXT. - Body
inside left c pillar
c404
8 pin
white
t/gate. EXT. - Body
inside left c pillar
c405 (h/b)
10 pin
white
t/gate. EXT. - Body (W/ Rear INT.)
beside left rear wiper motor
c405
8 pin
white
t/gate. EXT. - T/Gate (W/O Rear INT.)
beside left rear wiper motor
c406 (h/b)
6 pin
white
t/gate. EXT. - T/Gate
beside left rear wiper motor
c406 (s/w)
4 pin
white
t/gate. EXT. - T/Gate
beside left rear wiper motor
c901
4 pin
black
rr. ABS – Body
center rear cross member

3) ground information

ground number
wiring harness
ground position
g101
front
behind left head lamp
g102
front
behind right head lamp
g103
battery
left battery
g104
engine
under start motor
g105
battery
under start motor
g106
abs
below ebcm
g107
engine(mr-140/hv-240)
under start motor
g201
i.P
left i/p fuse block
g202
air bag
behind left audio bracket
g203
i.P
behind left audio bracket
g204
body
below left co-driver leg room
g205
roof
upper driver leg room
g301
body
below driver cross member floor panel
g302
body
below left c pillar
g303
body
below right rear combination lamp
g304
body
below left rear combination lamp
g401
trunk
center trunk lower back panel
g402
t/gate. EXT.
inside driver c pillar

4) splice pack information

splice pack number
color
wiring harness
ground position
s101
black
engine(mr-140/hv-240)
upper transmission
s202
black
i.P
behind cluster
s203
red
i.P
behind audio mounting
s204
magenta
i.P
behind audio mounting
s301
blue
body
left co-driver leg room
s302
brown
body
left co-driver leg room



2. WIRING HARNESS, CONNECTOR & GROUND LOCATION

1) w/h instrument panel

J5B12006.png
Показать иллюстрациюПеревод текста в иллюстрациях


J3B12002.png
Показать иллюстрациюПеревод текста в иллюстрациях


J3B12003.png
Показать иллюстрациюПеревод текста в иллюстрациях


J5B12011.png
Показать иллюстрациюПеревод текста в иллюстрациях


2) w/h body

J5B12005.png
Показать иллюстрациюПеревод текста в иллюстрациях


J5B12003.png
Показать иллюстрациюПеревод текста в иллюстрациях


J5B12007.png
Показать иллюстрациюПеревод текста в иллюстрациях


J3B12020.png
Показать иллюстрациюПеревод текста в иллюстрациях


3) w/h front

J3B12025.png
Показать иллюстрациюПеревод текста в иллюстрациях


4) w/h engine

- sirius d4

J3B12008.png
Показать иллюстрациюПеревод текста в иллюстрациях


- mr-140 / hv-240

J3B12009.png
Показать иллюстрациюПеревод текста в иллюстрациях


5) w/h battery

- sirius d4

J3B12011.png
Показать иллюстрациюПеревод текста в иллюстрациях


- mr-140 / hv-240

J3B12012.png
Показать иллюстрациюПеревод текста в иллюстрациях


6) w/h abs

J3B12014.png
Показать иллюстрациюПеревод текста в иллюстрациях


7) w/h rear abs

J5B32004.png
Показать иллюстрациюПеревод текста в иллюстрациях


8) w/h tcm

- sirius d4

J3B12018.png
Показать иллюстрациюПеревод текста в иллюстрациях


- mr-140 / hv-240

J3B12019.png
Показать иллюстрациюПеревод текста в иллюстрациях


9) w/h roof

J3B12007.png
Показать иллюстрациюПеревод текста в иллюстрациях


10) w/h drive door

J3B12028.png
Показать иллюстрациюПеревод текста в иллюстрациях


11) w/h rear door

J3B12006.png
Показать иллюстрациюПеревод текста в иллюстрациях


12) w/h trunk (n/b)

J3B12013.png
Показать иллюстрациюПеревод текста в иллюстрациях


13) w/h trunk (h/b)

J3B12030.png
Показать иллюстрациюПеревод текста в иллюстрациях


14) w/h trunk lid

J3B12010.png
Показать иллюстрациюПеревод текста в иллюстрациях


15) w/h tail gate

J3B12031.png
Показать иллюстрациюПеревод текста в иллюстрациях


16) w/h air bag

J3B12027.png
Показать иллюстрациюПеревод текста в иллюстрациях


17) splice pack

s101 (black) : mr-140 (except japan)

J6B1S001.png
Показать иллюстрациюПеревод текста в иллюстрациях


s101 (black) : mr-140 (japan)

J3B1S001.png
Показать иллюстрациюПеревод текста в иллюстрациях


s101 (black) : hv-240

J6B1S002.png
Показать иллюстрациюПеревод текста в иллюстрациях


s202 (black)

J3D1S003.png
Показать иллюстрациюПеревод текста в иллюстрациях


s203 (red)

J5B1S006.png
Показать иллюстрациюПеревод текста в иллюстрациях


s204 (magenta)

J5B1S007.png
Показать иллюстрациюПеревод текста в иллюстрациях


s301 (blue) : notch back

J3B1S012.png
Показать иллюстрациюПеревод текста в иллюстрациях


s301 (blue) : hatch back

J3D1S008.png
Показать иллюстрациюПеревод текста в иллюстрациях


s301 (blue) : station wagon

J5B1S008.png
Показать иллюстрациюПеревод текста в иллюстрациях


s302 (brown) : notch back

J6B1S006.png
Показать иллюстрациюПеревод текста в иллюстрациях


s302 (brown) : hatch back

J6B1S007.png
Показать иллюстрациюПеревод текста в иллюстрациях


s302 (brown): station wagon

J6B1S008.png
Показать иллюстрациюПеревод текста в иллюстрациях


На предыдущую страницуНа следующую страницу


https://vnx.su/ 🛠 Руководства по ремонту и эксплуатации для автомобилей

Поиск по сайту

Остались вопросы или пожелания? Пишите на почту: support@vnx.su

Карта Сайта