К началу документа
Nubira-Lacetti
На предыдущую страницуНа следующую страницу
Главная страница GMDEЗагрузить нединамическое оглавлениеЗагрузить динамическое оглавлениеПомощь



26. КОМБИНАЦИЯ ПРИБОРОВ

1) ЦЕПЬ УКАЗАТЕЛЯ ТЕМПЕРАТУРЫ, ТАХОМЕТРА, ТОПЛИВНОГО ДАТЧИКА, СЧЕТЧИКА ПРОБЕГА, СПИДОМЕТРА И КОНТРОЛЬНОЙ ЛАМПЫ РЕЗЕРВА ТОПЛИВА: mr-140/hv-240

J6B15057.png
Показать иллюстрациюПеревод текста в иллюстрациях


а. ИНФОРМАЦИЯ О РАЗЪЁМЕ

№ РАЗЪЁМА
(№ И ЦВЕТ КОНТАКТА)
СОЕДИНИТЕЛЬНЫЙ ЖГУТ ПРОВОДОВПОЛОЖЕНИЕ РАЗЪЁМА
С102 (контакт 11, белый) Кузов - блок предохранителей в моторном отсеке Блок предохранителей в моторном отсеке
С108 (контакт 24, черный) Кузов - двигатель Слева от блока предохранителей в моторном отсеке
С201 (контакт 76, черный) Приборная панель - блок предохранителей на приборной панели Блок предохранителей на приборной панели
С202 (контакт 89, белый) Приборная панель - кузов Левая часть пространства для ног водителя
С206 (контакт 22, белый) Приборная панель - контроллер КПП Верхняя часть пространства для ног водителя
S202 (черн.) Приборная панель За комбинацией приборов
G201 Приборная панель С левой стороны блока предохранителей на приборной панели
G302 Кузов Под левой задней стойкой

б. УСЛОВНОЕ ОБОЗНАЧЕНИЕ & И НАХОЖДЕНИЕ НОМЕРА КОНТАКТА

J3B1P058.png
Показать иллюстрациюПеревод текста в иллюстрациях


в. РАСПОЛОЖЕНИЕ РАЗЪЁМОВ И СОЕДИНЕНИЙ МАССЫ

J5B12004.png
Показать иллюстрациюПеревод текста в иллюстрациях


J3B12002.png
Показать иллюстрациюПеревод текста в иллюстрациях


г. КОНТАКТНАЯ КОЛОДКА

s202

J3D1S003.png
Показать иллюстрациюПеревод текста в иллюстрациях


2) ЦЕПЬ УКАЗАТЕЛЯ ТЕМПЕРАТУРЫ, ТАХОМЕТРА, ТОПЛИВНОГО ДАТЧИКА, СЧЕТЧИКА ПРОБЕГА, СПИДОМЕТРА И КОНТРОЛЬНОЙ ЛАМПЫ РЕЗЕРВА ТОПЛИВА: sirius d4

J6B15114.png
Показать иллюстрациюПеревод текста в иллюстрациях


а. ИНФОРМАЦИЯ О РАЗЪЁМЕ

№ РАЗЪЁМА
(№ И ЦВЕТ КОНТАКТА)
СОЕДИНИТЕЛЬНЫЙ ЖГУТ ПРОВОДОВПОЛОЖЕНИЕ РАЗЪЁМА
С102 (контакт 11, белый) Кузов - блок предохранителей в моторном отсеке Блок предохранителей в моторном отсеке
С108 (контакт 24, черный) Кузов - двигатель Слева от блока предохранителей в моторном отсеке
С201 (контакт 76, черный) Приборная панель - блок предохранителей на приборной панели Блок предохранителей на приборной панели
С202 (контакт 89, белый) Приборная панель - кузов Левая часть пространства для ног водителя
S202 (черн.) Приборная панель За комбинацией приборов
G201 Приборная панель С левой стороны блока предохранителей на приборной панели
G302 Кузов Под левой задней стойкой

б. УСЛОВНОЕ ОБОЗНАЧЕНИЕ & И НАХОЖДЕНИЕ НОМЕРА КОНТАКТА

J3B1P059.png
Показать иллюстрациюПеревод текста в иллюстрациях


в. РАСПОЛОЖЕНИЕ РАЗЪЁМОВ И СОЕДИНЕНИЙ МАССЫ

J5B12004.png
Показать иллюстрациюПеревод текста в иллюстрациях


J3B12002.png
Показать иллюстрациюПеревод текста в иллюстрациях


г. КОНТАКТНАЯ КОЛОДКА

s202

J3D1S003.png
Показать иллюстрациюПеревод текста в иллюстрациях


3) ЦЕПЬ КОНТРОЛЬНЫХ ЛАМП (ИНДИКАЦИИ НЕИСПРАВНОСТИ, АБС, СИСТЕМЫ УПРАВЛЕНИЯ ТЯГОЙ, СТОЯНОЧНОГО ТОРМОЗА И ЗАРЯДКИ)

J5B15087.png
Показать иллюстрациюПеревод текста в иллюстрациях


а. ИНФОРМАЦИЯ О РАЗЪЁМЕ

№ РАЗЪЁМА
(№ И ЦВЕТ КОНТАКТА)
СОЕДИНИТЕЛЬНЫЙ ЖГУТ ПРОВОДОВПОЛОЖЕНИЕ РАЗЪЁМА
С108 (контакт 24, черный) Кузов - двигатель Слева от блока предохранителей в моторном отсеке
С110 (контакт 12, белый) АБС - кузов Под блоком предохранителей в моторном отсеке
С201 (контакт 76, черный) Приборная панель - блок предохранителей на приборной панели Блок предохранителей на приборной панели
С202 (контакт 89, белый) Приборная панель - кузов Левая часть пространства для ног водителя
S301 (син.) Кузов Левая часть пространства для ног водителя
G204 Кузов Левая нижняя часть пространства для ног водителя

б. УСЛОВНОЕ ОБОЗНАЧЕНИЕ & И НАХОЖДЕНИЕ НОМЕРА КОНТАКТА

J5B1P061.png
Показать иллюстрациюПеревод текста в иллюстрациях


в. РАСПОЛОЖЕНИЕ РАЗЪЁМОВ И СОЕДИНЕНИЙ МАССЫ

J5B12004.png
Показать иллюстрациюПеревод текста в иллюстрациях


J3B12014.png
Показать иллюстрациюПеревод текста в иллюстрациях


г. КОНТАКТНАЯ КОЛОДКА

s301 (СЕДАН)

J3B1S008.png
Показать иллюстрациюПеревод текста в иллюстрациях


s301 (ХЭТЧБЭК)

J3D1S006.png
Показать иллюстрациюПеревод текста в иллюстрациях


s301 (УНИВЕРСАЛ)

J5B1S004.png
Показать иллюстрациюПеревод текста в иллюстрациях


4) ЦЕПЬ КОНТРОЛЬНЫХ ЛАМП (РУЛЕВОГО МЕХАНИЗМА С ГИДРОУСИЛИТЕЛЕМ, ОБЕСПЕЧИВАЮЩИМ ПЕРЕМЕННОЕ УСИЛЕНИЕ В ЗАВИСИМОСТИ ОТ СКОРОСТИ, ПОДУШКИ БЕЗОПАСНОСТИ, ДАВЛЕНИЯ МАСЛА, РЕМНЕЙ БЕЗОПАСНОСТИ) И ЛАМПЫ РЕЖИМА ПОДДЕРЖАНИЯ

J5B15088.png
Показать иллюстрациюПеревод текста в иллюстрациях


а. ИНФОРМАЦИЯ О РАЗЪЁМЕ

№ РАЗЪЁМА
(№ И ЦВЕТ КОНТАКТА)
СОЕДИНИТЕЛЬНЫЙ ЖГУТ ПРОВОДОВПОЛОЖЕНИЕ РАЗЪЁМА
С108 (контакт 24, черный) Кузов - двигатель Слева от блока предохранителей в моторном отсеке
С201 (контакт 76, черный) Приборная панель - блок предохранителей на приборной панели Блок предохранителей на приборной панели
С202 (контакт 89, белый) Приборная панель - кузов Левая часть пространства для ног водителя
С206 (контакт 22, белый) Приборная панель - контроллер КПП Верхняя часть пространства для ног водителя
С207 (контакт 6, белый) Подушка безопасности - приборная панель Верхняя правая часть пространства для ног водителя
G301 Кузов Под панелью пола кузова при поперечине со стороны переднего пассажира

б. УСЛОВНОЕ ОБОЗНАЧЕНИЕ & И НАХОЖДЕНИЕ НОМЕРА КОНТАКТА

J3B1P061.png
Показать иллюстрациюПеревод текста в иллюстрациях


в. РАСПОЛОЖЕНИЕ РАЗЪЁМОВ И СОЕДИНЕНИЙ МАССЫ

J5B12004.png
Показать иллюстрациюПеревод текста в иллюстрациях


J5B12005.png
Показать иллюстрациюПеревод текста в иллюстрациях


5) ЦЕПЬ ИНДИКАТОРА (ПЕРЕДНИХ И ЗАДНИХ ПРОТИВОТУМАННЫХ ФАР) И КОНТРОЛЬНОЙ ЛАМПЫ ОТКРЫТИЯ ДВЕРИ

J6B15058.png
Показать иллюстрациюПеревод текста в иллюстрациях


а. ИНФОРМАЦИЯ О РАЗЪЁМЕ

№ РАЗЪЁМА
(№ И ЦВЕТ КОНТАКТА)
СОЕДИНИТЕЛЬНЫЙ ЖГУТ ПРОВОДОВПОЛОЖЕНИЕ РАЗЪЁМА
С101 (контакт 21, белый) Кузов - блок предохранителей в моторном отсеке Блок предохранителей в моторном отсеке
С102 (контакт 11, белый) Кузов - блок предохранителей в моторном отсеке Блок предохранителей в моторном отсеке
С201 (контакт 76, черный) Приборная панель - блок предохранителей на приборной панели Блок предохранителей на приборной панели
С202 (контакт 89, белый) Приборная панель - кузов Левая часть пространства для ног водителя
С204 (контакт 14, белый) Крыша - кузов (с датчиком дождя) Левая часть пространства для ног водителя
С204 (контакт 8, белый) Крыша - кузов (без датчика дождя) Левая часть пространства для ног водителя
С402 (контакт 6, белый) Крышка багажника - кузов Внутренняя правая панель багажника
S202 (черн.) Приборная панель За комбинацией приборов
S301 (син.) Кузов Левая часть пространства для ног водителя
G201 Приборная панель С левой стороны блока предохранителей на приборной панели
G302 Кузов Под левой задней стойкой

б. УСЛОВНОЕ ОБОЗНАЧЕНИЕ & И НАХОЖДЕНИЕ НОМЕРА КОНТАКТА

J5B1P062.png
Показать иллюстрациюПеревод текста в иллюстрациях


в. РАСПОЛОЖЕНИЕ РАЗЪЁМОВ И СОЕДИНЕНИЙ МАССЫ

J5B12007.png
Показать иллюстрациюПеревод текста в иллюстрациях


г. КОНТАКТНАЯ КОЛОДКА

s202

J3D1S003.png
Показать иллюстрациюПеревод текста в иллюстрациях


s301 (СЕДАН)

J3B1S008.png
Показать иллюстрациюПеревод текста в иллюстрациях


s301 (ХЭТЧБЭК)

J3D1S006.png
Показать иллюстрациюПеревод текста в иллюстрациях


s301 (УНИВЕРСАЛ)

J5B1S004.png
Показать иллюстрациюПеревод текста в иллюстрациях


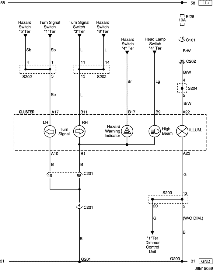
6) ЦЕПЬ ИНДИКАТОРА (УКАЗАТЕЛЕЙ ПОВОРОТА, ДАЛЬНЕГО СВЕТА И СВЕТОВОЙ АВАРИЙНОЙ СИГНАЛИЗАЦИИ) И ЛАМПЫ ПОДСВЕТКИ

J6B15059.png
Показать иллюстрациюПеревод текста в иллюстрациях


а. ИНФОРМАЦИЯ О РАЗЪЁМЕ

№ РАЗЪЁМА
(№ И ЦВЕТ КОНТАКТА)
СОЕДИНИТЕЛЬНЫЙ ЖГУТ ПРОВОДОВПОЛОЖЕНИЕ РАЗЪЁМА
С101 (контакт 21, белый) Кузов - блок предохранителей в моторном отсеке Блок предохранителей в моторном отсеке
С201 (контакт 76, черный) Приборная панель - блок предохранителей на приборной панели Блок предохранителей на приборной панели
С202 (контакт 89, белый) Приборная панель - кузов Левая часть пространства для ног водителя
S202 (черн.) Приборная панель За комбинацией приборов
S203 (красн.) Приборная панель За кронштейном аудиосистемы
S204 (пурпур.) Приборная панель За кронштейном аудиосистемы
G201 Приборная панель С левой стороны блока предохранителей на приборной панели
G203 Приборная панель За левым кронштейном аудиосистемы

б. УСЛОВНОЕ ОБОЗНАЧЕНИЕ & И НАХОЖДЕНИЕ НОМЕРА КОНТАКТА

J3B1P063.png
Показать иллюстрациюПеревод текста в иллюстрациях


в. РАСПОЛОЖЕНИЕ РАЗЪЁМОВ И СОЕДИНЕНИЙ МАССЫ

J5B12004.png
Показать иллюстрациюПеревод текста в иллюстрациях


г. КОНТАКТНАЯ КОЛОДКА

s202

J3D1S003.png
Показать иллюстрациюПеревод текста в иллюстрациях


s203

J5B1S001.png
Показать иллюстрациюПеревод текста в иллюстрациях


s204

J5B1S002.png
Показать иллюстрациюПеревод текста в иллюстрациях


На предыдущую страницуНа следующую страницу


https://vnx.su/ 🛠 Руководства по ремонту и эксплуатации для автомобилей

Поиск по сайту

Остались вопросы или пожелания? Пишите на почту: support@vnx.su

Карта Сайта