К началу документа
Nubira-Lacetti
На предыдущую страницуНа следующую страницу
Главная страница GMDEЗагрузить нединамическое оглавлениеЗагрузить динамическое оглавлениеПомощь



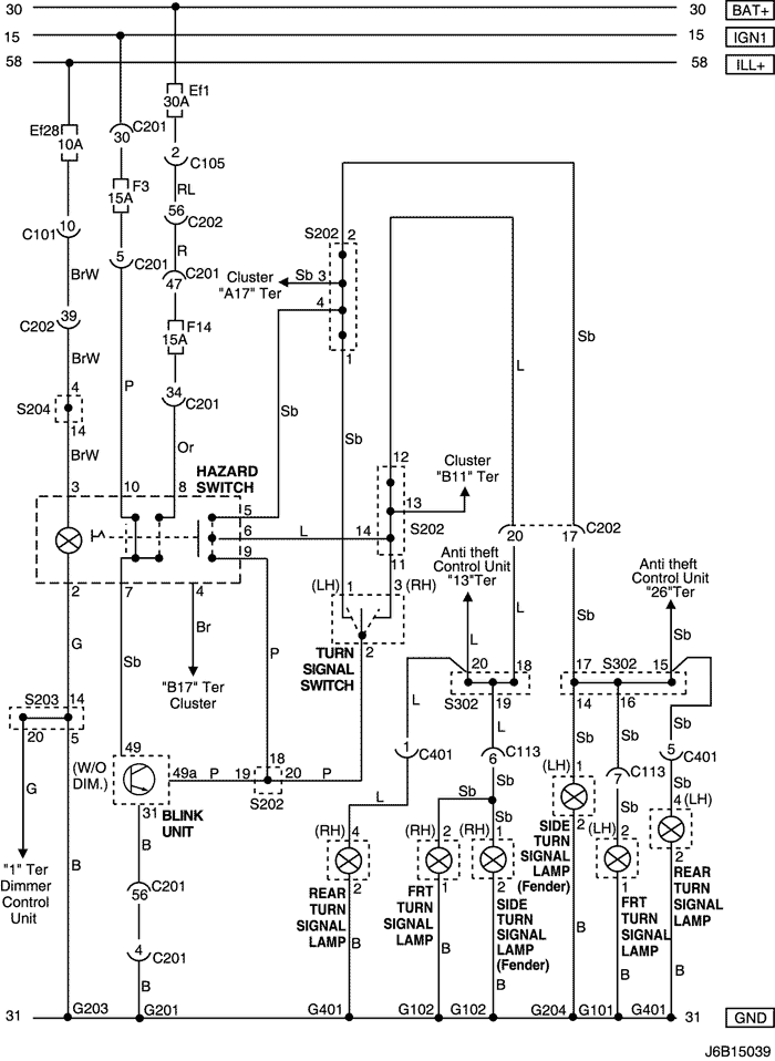
14. ЦЕПЬ УКАЗАТЕЛЯ ПОВОРОТА И АВАРИЙНОЙ СИГНАЛИЗАЦИИ

1) СЕДАН

J6B15039.png
Показать иллюстрациюПеревод текста в иллюстрациях


а. ИНФОРМАЦИЯ О РАЗЪЁМЕ

№ РАЗЪЁМА
(№ И ЦВЕТ КОНТАКТА)
СОЕДИНИТЕЛЬНЫЙ ЖГУТ ПРОВОДОВПОЛОЖЕНИЕ РАЗЪЁМА
С101 (контакт 21, белый) Кузов - блок предохранителей в моторном отсеке Блок предохранителей в моторном отсеке
С105 (контакт 4, белый) Кузов - блок предохранителей в моторном отсеке Блок предохранителей в моторном отсеке
С113 (контакт 16, черный) Кузов - передняя часть кузова За кронштейном контроллера ЭСУД
С201 (контакт 76, черный) Приборная панель - блок предохранителей на приборной панели Блок предохранителей на приборной панели
С202 (контакт 89, белый) Приборная панель - кузов Левая часть пространства для ног водителя
С401 (контакт 8, белый) Багажник - кузов Внутренняя правая панель багажника
S202 (черн.) Приборная панель За комбинацией приборов
S203 (красн.) Приборная панель За кронштейном аудиосистемы
S204 (пурпур.) Приборная панель За кронштейном аудиосистемы
S302 (коричн.) Кузов Левая часть пространства для ног водителя
G101 ПЕРЕДНЯЯ ЧАСТЬ За левой фарой
G102 ПЕРЕДНЯЯ ЧАСТЬ За правой фарой
G201 Приборная панель С левой стороны блока предохранителей на приборной панели
G203 Приборная панель За левым кронштейном аудиосистемы
G204 Кузов Левая нижняя часть пространства для ног водителя
G401 Багажник Центральная нижняя панель багажника

б. УСЛОВНОЕ ОБОЗНАЧЕНИЕ & И НАХОЖДЕНИЕ НОМЕРА КОНТАКТА

J5B1P030.png
Показать иллюстрациюПеревод текста в иллюстрациях


в. РАСПОЛОЖЕНИЕ РАЗЪЁМОВ И СОЕДИНЕНИЙ МАССЫ

J3B12025.png
Показать иллюстрациюПеревод текста в иллюстрациях


г. КОНТАКТНАЯ КОЛОДКА

s202

J3D1S003.png
Показать иллюстрациюПеревод текста в иллюстрациях


s203

J5B1S001.png
Показать иллюстрациюПеревод текста в иллюстрациях


s204

J5B1S002.png
Показать иллюстрациюПеревод текста в иллюстрациях


s302

J6B1S003.png
Показать иллюстрациюПеревод текста в иллюстрациях


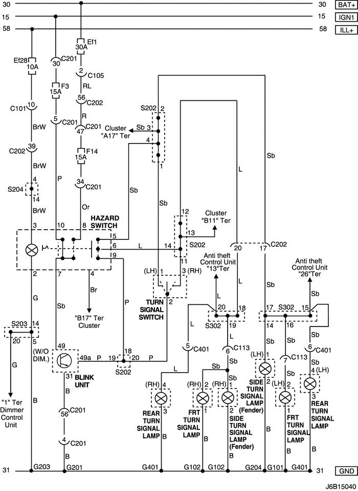
2) ХЭТЧБЭК

J6B15040.png
Показать иллюстрациюПеревод текста в иллюстрациях


а. ИНФОРМАЦИЯ О РАЗЪЁМЕ

№ РАЗЪЁМА
(№ И ЦВЕТ КОНТАКТА)
СОЕДИНИТЕЛЬНЫЙ ЖГУТ ПРОВОДОВПОЛОЖЕНИЕ РАЗЪЁМА
С101 (контакт 21, белый) Кузов - блок предохранителей в моторном отсеке Блок предохранителей в моторном отсеке
С105 (контакт 4, белый) Кузов - блок предохранителей в моторном отсеке Блок предохранителей в моторном отсеке
С113 (контакт 16, черный) Кузов - передняя часть кузова За кронштейном контроллера ЭСУД
С201 (контакт 76, черный) Приборная панель - блок предохранителей на приборной панели Блок предохранителей на приборной панели
С202 (контакт 89, белый) Приборная панель - кузов Левая часть пространства для ног водителя
С401 (контакт 8, белый) Багажник - кузов Внутренняя правая панель багажника
S202 (черн.) Приборная панель За комбинацией приборов
S203 (красн.) Приборная панель За кронштейном аудиосистемы
S204 (пурпур.) Приборная панель За кронштейном аудиосистемы
S302 (коричн.) Кузов Левая часть пространства для ног водителя
G101 ПЕРЕДНЯЯ ЧАСТЬ За левой фарой
G102 ПЕРЕДНЯЯ ЧАСТЬ За правой фарой
G201 Приборная панель С левой стороны блока предохранителей на приборной панели
G203 Приборная панель За левым кронштейном аудиосистемы
G204 Кузов Левая нижняя часть пространства для ног водителя
G401 Багажник Центральная нижняя панель багажника

б. УСЛОВНОЕ ОБОЗНАЧЕНИЕ & И НАХОЖДЕНИЕ НОМЕРА КОНТАКТА

J3D1P022.png
Показать иллюстрациюПеревод текста в иллюстрациях


в. РАСПОЛОЖЕНИЕ РАЗЪЁМОВ И СОЕДИНЕНИЙ МАССЫ

J3B12025.png
Показать иллюстрациюПеревод текста в иллюстрациях


г. КОНТАКТНАЯ КОЛОДКА

s202

J3D1S003.png
Показать иллюстрациюПеревод текста в иллюстрациях


s203

J5B1S001.png
Показать иллюстрациюПеревод текста в иллюстрациях


s204

J5B1S002.png
Показать иллюстрациюПеревод текста в иллюстрациях


s302

J6B1S004.png
Показать иллюстрациюПеревод текста в иллюстрациях


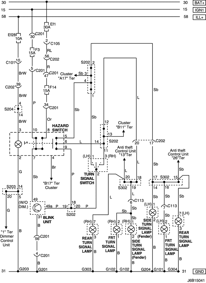
3) УНИВЕРСАЛ

J6B15041.png
Показать иллюстрациюПеревод текста в иллюстрациях


а. ИНФОРМАЦИЯ О РАЗЪЁМЕ

№ РАЗЪЁМА
(№ И ЦВЕТ КОНТАКТА)
СОЕДИНИТЕЛЬНЫЙ ЖГУТ ПРОВОДОВПОЛОЖЕНИЕ РАЗЪЁМА
С101 (контакт 21, белый) Кузов - блок предохранителей в моторном отсеке Блок предохранителей в моторном отсеке
С105 (контакт 4, белый) Кузов - блок предохранителей в моторном отсеке Блок предохранителей в моторном отсеке
С113 (контакт 16, черный) Кузов - передняя часть кузова За кронштейном контроллера ЭСУД
С201 (контакт 76, черный) Приборная панель - блок предохранителей на приборной панели Блок предохранителей на приборной панели
С202 (контакт 89, белый) Приборная панель - кузов Левая часть пространства для ног водителя
S202 (черн.) Приборная панель За комбинацией приборов
S203 (красн.) Приборная панель За кронштейном аудиосистемы
S204 (пурпур.) Приборная панель За кронштейном аудиосистемы
S302 (коричн.) Кузов Левая часть пространства для ног водителя
G101 ПЕРЕДНЯЯ ЧАСТЬ За левой фарой
G102 ПЕРЕДНЯЯ ЧАСТЬ За правой фарой
G201 Приборная панель С левой стороны блока предохранителей на приборной панели
G203 Приборная панель За левым кронштейном аудиосистемы
G204 Кузов Левая нижняя часть пространства для ног водителя
G303 Кузов Под правым задним комбинированным фонарем
G304 Кузов Под левым задним комбинированным фонарем

б. УСЛОВНОЕ ОБОЗНАЧЕНИЕ & И НАХОЖДЕНИЕ НОМЕРА КОНТАКТА

J5B1P031.png
Показать иллюстрациюПеревод текста в иллюстрациях


в. РАСПОЛОЖЕНИЕ РАЗЪЁМОВ И СОЕДИНЕНИЙ МАССЫ

J3B12025.png
Показать иллюстрациюПеревод текста в иллюстрациях


г. КОНТАКТНАЯ КОЛОДКА

s202

J3D1S003.png
Показать иллюстрациюПеревод текста в иллюстрациях


s203

J5B1S001.png
Показать иллюстрациюПеревод текста в иллюстрациях


s204

J5B1S002.png
Показать иллюстрациюПеревод текста в иллюстрациях


s302

J6B1S005.png
Показать иллюстрациюПеревод текста в иллюстрациях


На предыдущую страницуНа следующую страницу


https://vnx.su/ 🛠 Руководства по ремонту и эксплуатации для автомобилей

Поиск по сайту

Остались вопросы или пожелания? Пишите на почту: support@vnx.su

Карта Сайта