К началу документа
Evanda
На предыдущую страницуНа следующую страницу
Главная страница GMDEЗагрузить нединамическое оглавлениеЗагрузить динамическое оглавлениеПомощь

РАЗДЕЛ 9T1

Система дистанционного управления замками и противоугонной системой

Внимание! Отсоедините провод от отрицательного вывода аккумулятора, прежде чем снимать или устанавливать какие-либо электрические устройства, а также в ситуации, когда есть возможность касания оголенных электрических контактов каким-либо инструментом или приспособлением. Отсоединение этого провода позволяет избежать травм и повреждения оборудования автомобиля. Кроме того, если не указано иное, зажигание должно находиться в положении LOCK.

ТЕХНИЧЕСКИЕ ХАРАКТЕРИСТИКИ

Моменты затяжки резьбовых соединений

ПРОГРАММА
Н•м
фунт-фут
фунт-дюйм
Крепежный болт кронштейна сирены
11
-
97

СПЕЦИАЛЬНЫЕ ИНСТРУМЕНТЫ

ТАБЛИЦА СПЕЦИАЛЬНЫХ ИНСТРУМЕНТОВ


SCANTOOL
Показать иллюстрациюПеревод текста в иллюстрациях


Диагностический прибор
.

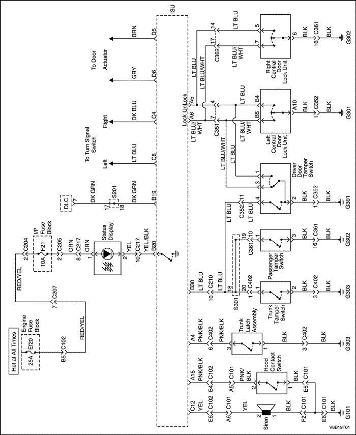
ПРИНЦИПИАЛЬНЫЕ И МОНТАЖНЫЕ СХЕМЫ

Система дистанционного управления замками с противоугонной системой


V6B19T01
Показать иллюстрациюПеревод текста в иллюстрациях


ТЕХНИЧЕСКОЕ ОБСЛУЖИВАНИЕ И РЕМОНТ

РАБОТЫ НА АВТОМОБИЛЕ



V3B39T01
Показать иллюстрациюПеревод текста в иллюстрациях


Сирена

Процедура снятия

  1. Отсоедините провод от отрицательного вывода аккумуляторной батареи.
  2. Отсоединить электрический разъем сирены.
  3. Снять крепежный болт кронштейна сирены.
  4. Снять сирену.


V3B39T01
Показать иллюстрациюПеревод текста в иллюстрациях


Процедура установки

  1. Установить кронштейн сирены с помощью крепежного болта. Убедиться, что крепежный болт кронштейна сирены также захватывает реле вспомогательного вентилятора.
  2. Затянуть
    Затянуть крепежный болт кронштейна сирены с усилием 11 Н•м (97 фунт-дюйм).

  3. Подключить электрический разъем сирены.
  4. Присоедините провод к отрицательному выводу аккумуляторной батареи.

Контрольный и контактный переключатели передней двери

Процедура снятия

  1. Отсоедините провод от отрицательного вывода аккумуляторной батареи.
  2. Снять панель обивки передней двери. См. Раздел 9G, Облицовка салона.
  3. Снять замок передней двери со встроенными контрольным и контактным переключателями передней двери. См. раздел 9P, «Двери».

Процедура установки

  1. Установить замок передней двери со встроенными контрольным и контактным переключателями передней двери. См. раздел 9P, «Двери».
  2. Установить панель обивки передней двери. См. Раздел 9G, Облицовка салона.
  3. Присоедините провод к отрицательному выводу аккумуляторной батареи.

Контрольный переключатель задней торцевой двери

Процедура снятия

  1. Отсоедините провод от отрицательного вывода аккумуляторной батареи.
  2. Снять цилиндр замка торцевой двери и встроенный контрольный переключатель задней торцевой двери. См. Раздел 9S, Задняя часть кузова.

Процедура установки

  1. Установить цилиндр замка торцевой двери и встроенный контрольный переключатель задней торцевой двери. См. Раздел 9S, Задняя часть кузова.
  2. Присоедините провод к отрицательному выводу аккумуляторной батареи.

Переключатель открытия задней торцевой двери

Процедура снятия

  1. Отсоедините провод от отрицательного вывода аккумуляторной батареи.
  2. Снять цилиндр замка задней торцевой двери и встроенный контрольный переключатель задней торцевой двери. См. Раздел 9S, Задняя часть кузова.

Процедура установки

  1. Установить цилиндр замка торцевой двери и встроенный переключатель открытия задней торцевой двери. См. Раздел 9S, Задняя часть кузова.
  2. Присоедините провод к отрицательному выводу аккумуляторной батареи.


V3B39T02
Показать иллюстрациюПеревод текста в иллюстрациях


Переключатель открытия капота.

Процедура снятия

  1. Отсоедините провод от отрицательного вывода аккумуляторной батареи.
  2. Дотянуться под переключатель открытия капота и, удерживая крепежную гайку, снять крепежный болт открытия капота.
  3. После снятия крепежного болта и гайки вытолкнуть вверх переключатель открытия капота снизу.
  4. Отсоединить электрический разъем от переключателя открытия капота.
  5. Снять переключатель открытия капота.


V3B39T02
Показать иллюстрациюПеревод текста в иллюстрациях


Процедура установки

  1. Установить переключатель открытия капота с помощью крепежного болта и гайки.
  2. Затянуть
    Затянуть крепежный болт переключателя открытия капота с усилием 4 Н•м (35 фунт-дюйм).

  3. Присоединить электрический разъем к переключателю открытия капота.
  4. Присоедините провод к отрицательному выводу аккумуляторной батареи.

Программирование передатчика дистанционного управления замками (tech 2)

Внимание! Не подключать диагностический прибор к DLC, пока ключ не будет вставлен в зажигание. Если диагностический прибор будет подключен раньше, чем включится зажигание, то появятся ошибки коммуникации и процедура программирования не будет завершена.

Важно: Все передатчики, которые должны быть распознаны блоком интеллектуальной коммутации (ISU), следует запрограммировать в отдельных процессах программирования. Можно запрограммировать до 4 передатчиков системы дистанционного управления замками автомобиля. Необходимо минимум 2 ключа, чтобы выполнить эту процедуру. Перед программированием какого-либо существующего или нового ключа, необходимо получить от владельца все ключи от автомобиля. Ключи, незапрограммированные во время процедуры программирования, не будут функционировать после завершения процедуры программирования. Перед началом программирования проверить, закрыты ли двери, капот и багажник/задний люк. Если система находится в режиме программирования, то ISU сотрет все ранее запрограммированные передатчики после получения от первого передатчика сигнала программирования. Не эксплуатировать и не программировать передатчики, если близко находятся другие автомобили, которые тоже находятся в режиме программирования системы управления замками. Это предохраняет программирование передатчиков несоответствующих автомобилей.

Процедура тестового программирования

  1. 6-значный код находится на бирке, которая поставляется вместе с ключами при доставке. Если не удается найти бирку, то дилер фирмы General Motors может получить 6-значный защитный код через систему поиска деталей.
  2. Включить зажигание при выключенном двигателе.
  3. Установить диагностический прибор.
  4. Выбрать ФУНКЦИЮ ПРОГРАММИРОВАНИЯ ИММОБИЛИЗАТОРА в меню КУЗОВ.
  5. Выполняя инструкции диагностического прибора, запрограммировать все ключи. Чтобы ввести 6-значный защитный код, необходимо выполнить следующее.
  6. 3 раза включить и включить зажигание, как показано на диагностическом приборе.
  7. Повернуть ключ зажигания в положение lock.
  8. Отсоединить диагностический прибор.
  9. Проверить работу всех ключей.
  10. Важно: Если какой-либо ключ не работает правильно, записать этот ключ.

  11. Если какой-либо ключ не работает правильно, выполнить эту процедуру еще раз со всеми ключами.
  12. Если тот же неработающий ключ не функционирует после повторного проведения процедуры программирования передатчика, то см. "Диагностика" в этом разделе.

ОБЩЕЕ ОПИСАНИЕ И РАБОТА СИСТЕМЫ

Система дистанционного управления замками и противоугонной системой

Дистанционное управление замками и противоугонная система могут выполнять следующие функции:
В систему дистанционного управления замками/противоугонной системой входят следующие компоненты:

Дистанционное запирание и отпирание замков.

Ручной передатчик запирает и отпирает двери автомобиля, посылая радиоволны на ISU автомобиля. Рабочая зона передатчика колеблется от 5 до 10 м (от 16 до 32 футов)в зависимости от наличия или отсутствия на пути радиоволн посторонних объектов, таких как другие автомобили.
На передатчике есть кнопка LOCK (запереть) и UNLOCK (отпереть), которая работает только при выключенном зажигании и закрытом состоянии всех проемов (дверей, капота, задней торцевой двери). Нажатие кнопки UNLOCK (отпереть) приводит к следующему:
Нажатие кнопки LOCK (запереть) приводит к следующему:
В передатчике имеется сменная батарейка. Срок службы батарейки - не менее трех лет до момента ее замены.

Индикатор безопасности

На панели приборов есть индикатор безопасности. После нажатия кнопки запирания LOCK на передатчике, модуль/приемник переходит в режим постановки на сигнализацию и загорается индикатор безопасности SECURITY. Индикатор безопасности включается на 0,1 сек и выключается на 0,7 сек. С такой частотой он мигает, пока модуль/приемник не будет снят с сигнализации.

Обнаружение вторжения

Противоугонная функция ставится на сигнализацию, если передатчик отправляет сообщение LOCK (запереть) ISU, когда зажигание выключено. Если открывается капот, дверь или задняя торцевая дверь, то переключатель открытия капота, контактный выключатель двери или переключатель открытия задней торцевой двери изменяют свой входной сигнал на ISU, и включается сигнализация, если не возникает какое-либо из следующих условий:
Сигнализация также включается, если входной сигнал зажигания изменяется на подаваемое аккумуляторной батареей напряжение до момента возникновения одного из следующих условий:

Сирена

Система дистанционного управления замками ставится на сигнализацию, когда получено сообщение LOCK (запереть) от передатчика при выключенном зажигании. Когда система поставлена на сигнализацию, она включает сирену и указатели поворота на 28 сек при возникновении одного из следующих условий:
Сирена снимается с сигнализации после начала подачи звукового сигнал при возникновении одного из следующих условий:

Поиск автомобиля

Система дистанционного управления замками помогает водителю в поиске автомобиля. Если автомобиль отпирается с помощью дистанционного управления, то поворотные сигналы загораются дважды, чтобы показать место расположения автомобиля. Продолжительность световых сигналов и промежуток времени между световыми сигналами используются для того, чтобы показывать определенные состояния автомобиля. Перейти к "Индикация неисправности или предупреждения"в этом разделе.

Автоматическое запирание (защитная блокировка)

Система дистанционного управления замками имеет функцию автоматического запирания. Если двери отпираются с помощью дистанционного передатчика, когда блок управления/приемник поставлен на сигнализацию, то двери автоматически снова запираются через 30 секунд, если при этом не возникает следующих ситуаций:

isu (блок интеллектуальной коммутации)

ISU установлен на левой стороне рулевой колонки в боковине панели приборов. ISU обрабатывает сигналы от дистанционного передатчика и датчиков вторжения и включает сигнализацию при вторжении.
ISU также имеет функцию самодиагностики, которая изображает коды неисправностей. Чтобы вывести на дисплей коды неисправностей, сканирующий инструмент должен быть подключен к коннектору канала передачи данных (DLC).
ISU не будет сообщаться с передатчиками других автомобилей, так как существует более 4 миллиардов возможных комбинаций электронных паролей. ISU имеет прикрепленную антенну для обнаружения сигналов, поступающих с передатчика.

Индикация неисправности или предупреждения

При нажатии кнопки UNLOCK (отпереть) на дистанционном передатчике ISU зажигает стояночные фонари, чтобы показать информацию о системе дистанционного управления замками и противоугонной системой.
Нормальное состояние: Если вторжения в автомобиль и какой-либо неисправности не было обнаружено, то ISU подаст сигнал о нормальном состоянии при нажатии кнопки UNLOCK. Парковочные фонари дважды загорятся на 1 сек, с перерывом 1,0 сек между вспышками.
Индикация вторжения в автомобиль: Если с момента последнего нажатия кнопки LOCK (запереть) имело место вторжение в автомобиль, то при нажатии кнопки UNLOCK (отпереть) ISU подаст сигнал об этом. Стояночные огни дважды загорятся на 0,5 сек, с перерывом в 1,5 сек между вспышками.
Информация в ISU о вторжении в автомобиль и о неисправностях будет стерта, когда в следующий ISU войдет в состояние постановки на сигнализацию после приема от передатчика сообщения LOCK (запереть).


На предыдущую страницуНа следующую страницу
https://vnx.su/ 🛠 Руководства по ремонту и эксплуатации для автомобилей

Поиск по сайту

Остались вопросы или пожелания? Пишите на почту: support@vnx.su

Карта Сайта