К началу документа
Evanda
На предыдущую страницуНа следующую страницу
Главная страница GMDEЗагрузить нединамическое оглавлениеЗагрузить динамическое оглавлениеПомощь

РАЗДЕЛ 9P

Двери.

Внимание! Отсоедините провод от отрицательного вывода аккумулятора, прежде чем снимать или устанавливать какие-либо электрические устройства, а также в ситуации, когда есть возможность касания оголенных электрических контактов каким-либо инструментом или приспособлением. Отсоединение этого провода позволяет избежать травм и повреждения оборудования автомобиля. Кроме того, если не указано иное, зажигание должно находиться в положении LOCK.

ТЕХНИЧЕСКИЕ ХАРАКТЕРИСТИКИ

Требования к моментам затяжки резьбовых соединений

ПРОГРАММА
Н•м
фунт-фут
фунт-дюйм
Болты крепления дверных петель к кузову.
36
27
-
Болты крепления дверных петель к двери.
20
15
-
Болт крепления фиксатора открытого положения двери к кузову.
25
18
-
Болты крепления звена двери к двери.
9
-
80
Винты фиксатора замка двери
30
22
-
Винты кронштейна двери
3
-
27
Болт замка передней двери
10
-
89
Винт внутренней ручки двери
3
-
27
Винт наружного молдинга желобка
1.3
-
12
Болты наружной ручки двери
4.5
-
40
Болты направляющего рельса задней двери
10
-
89
Винт направляющего рельса задней двери
4
-
35
Винты замка задней двери
10
-
89
Гайки стеклоподъемника
10
-
89

ПРИНЦИПИАЛЬНЫЕ И МОНТАЖНЫЕ СХЕМЫ

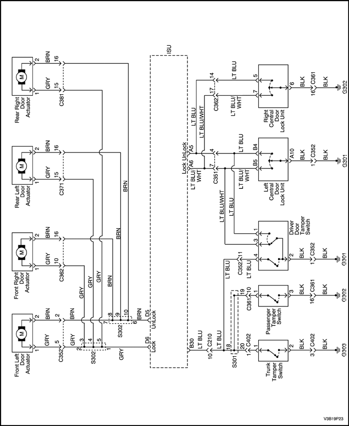
Дверные замки с электроприводом.


V3B19P23
Показать иллюстрациюПеревод текста в иллюстрациях


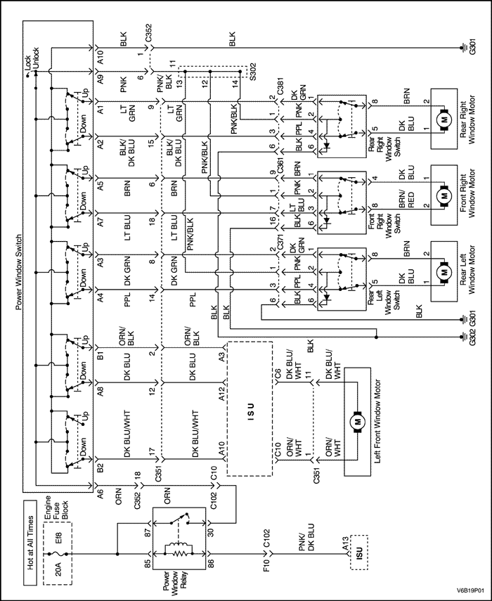
Электрические стеклоподъемники


V6B19P01
Показать иллюстрациюПеревод текста в иллюстрациях



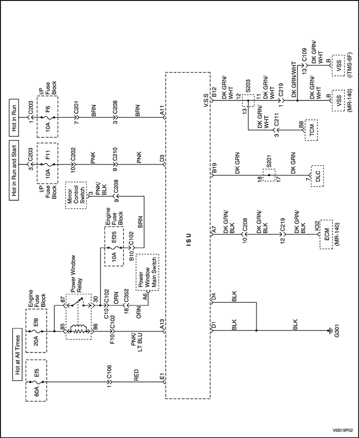
V6B19P02
Показать иллюстрациюПеревод текста в иллюстрациях


ДИАГНОСТИКА

Дверные замки с электроприводом.

Дверные замки с электроприводом не работают ни на одной двери

ШагОперацияЗначенияДаНет
1
С помощью омметра проверить отсутствие обрывов цепи между выводом a5 (ГОЛ) разъема isu и массой.
Показывает ли омметр указанное значение?
≈ 0 Ом
Перейдите на Шаг 3
Перейдите на Шаг 2
2
Устранить разрыв цепи между выводом a5 (ГОЛ) разъема isu и массой.
Ремонт закончен?
-
Система в норме
-
3
  1. Отсоединить разъем isu.
  2. Подсоединить плавкую проволочную перемычку к положительной клемме аккумуляторной батареи.
  3. Подсоединить другую перемычку к массе.
  4. Приложить положительную проволочную перемычку к выводу d6 (СЕР) разъема isu.
  5. Приложить проволочную перемычку, соединенную с массой, к выводу d5 (КОР) разъема isu.
  6. Поменять проволочные перемычки так, чтобы положительная перемычка подключалась к выводу d5 (КОР), а перемычка, соединенная с массой, подключалась к выводу d6 (СЕР).
Работает ли isu, когда питание и масса подаются на выводы d6 и d5 разъема isu?
-
Перейдите на Шаг 5
Перейдите на Шаг 4
4
Устранить разрыв цепи между разъемом isu и s302.
Ремонт закончен?
-
Система в норме
-
5
  1. Поднять стекло с электроприводом в двери водителя.
  2. Отсоединить разъем замка двери в верхней части замка двери. (Имеется три разъема замка двери. С помощью схемы сверить правильный разъем.)
  3. С помощью омметра проверить отсутствие обрывов цепи между выводом a10 (ЧЕР) разъёма выключателя замка левой двери и массой.
Показывает ли омметр указанное значение?
≈ 0 Ом
Перейдите на Шаг 7
Перейдите на Шаг 6
6
Устранить разрыв цепи между выводом a10 (ЧЕР) разъёма выключателя замка левой двери и массой.
Ремонт закончен?
-
Система в норме
-
7
  1. Убедиться, что разъем isu соединен.
  2. Проволочной перемычкой, присоединенной к массе, прикоснуться к выводу b4 (ГОЛ) отсоединенного разъёма выключателя замка левой двери.
  3. Убрать проволочную перемычку, присоединенную к массе, и прикоснуться ею к выводу b5 (ГОЛ/БЕЛ) отсоединенного разъёма выключателя замка левой двери.
Происходит ли запирание и отпирание дверей, когда выводы b5 и b4 попеременно присоединяются к массе?
≈ 0 Ом
Перейдите на Шаг 8
Перейдите на Шаг 9
8
  1. Убедиться, что все тяги замка присоединены к замку двери водителя.
  2. Если нет неприсоединенных тяг замка, то заменить замок двери водителя вместе со встроенным выключателем замка двери. (Не путать замок двери с цилиндром замка. Замок двери имеет три разъема: для выключателя замка, электромагнитного клапана замка и контактного переключателя двери. С помощью схемы сверить правильный разъем.)
Ремонт закончен?
-
Система в норме
-
9
С помощью омметра проверить отсутствие обрывов цепи между выводом b4 (ГОЛ) отсоединенного разъёма выключателя замка левой двери и выводом a5 (ГОЛ) разъема isu.
Показывает ли омметр указанное значение?
≈ 0 Ом
Перейдите на Шаг 11
Перейдите на Шаг 10
10
Устранить разрыв цепи в ГОЛ проводе.
Ремонт закончен?
-
Система в норме
-
11
С помощью омметра проверить отсутствие обрывов цепи между выводом b5 (ГОЛ/БЕЛ) отсоединенного разъёма выключателя замка левой двери и выводом a6 (ГОЛ/БЕЛ) разъема isu.
Показывает ли омметр указанное значение?
≈ 0 Ом
Перейдите на Шаг 13
Перейдите на Шаг 12
12
Устранить разрыв цепи в ГОЛ/БЕЛ проводе.
Ремонт закончен?
-
Система в норме
-
13
Заменить isu.
Ремонт закончен?
-
Система в норме
Перейдите на Шаг 14
14
  1. Поднять стекло с электроприводом в двери водителя.
  2. Отсоединить разъем замка двери в верхней части замка двери. (Имеется три разъема замка двери. С помощью схемы сверить правильный разъем.)
  3. С помощью омметра проверить отсутствие обрывов цепи между выводом 6 (ЧЕР) разъёма выключателя замка правой двери и массой.
Показывает ли омметр указанное значение?
≈ 0 Ом
Перейдите на Шаг 16
Перейдите на Шаг 15
15
Устранить разрыв цепи между выводом 6 (ЧЕР) разъёма выключателя замка правой двери и массой.
Ремонт закончен?
-
Система в норме
-
16
  1. Убедиться, что разъем isu соединен.
  2. Проволочной перемычкой, присоединенной к массе, прикоснуться к выводу 5 (ГОЛ) отсоединенного разъёма выключателя замка правой двери.
  3. Убрать проволочную перемычку, присоединенную к массе, и прикоснуться ею к выводу 7 (ГОЛ/БЕЛ) отсоединенного разъёма выключателя замка правой двери.
Происходит ли запирание и отпирание дверей, когда выводы 7 и 5 попеременно присоединяются к массе?
-
Перейдите на Шаг 17
Перейти на Шаг 18
17
  1. Убедиться, что все тяги замка присоединены к замку двери пассажира.
  2. Если нет неприсоединенных тяг замка, то заменить замок двери водителя вместе со встроенным выключателем замка двери. (Не путать замок двери с цилиндром замка. Замок двери имеет три разъема: для выключателя замка, электромагнитного клапана замка и контактного переключателя двери. С помощью схемы сверить правильный разъем.)
Ремонт закончен?
-
Система в норме
-
18
С помощью омметра проверить отсутствие обрывов цепи между выводом 5 (ГОЛ) отсоединенного разъёма выключателя замка правой двери и выводом a5 (ГОЛ) разъема isu.
Показывает ли омметр указанное значение?
≈ 0 Ом
Перейти на Шаг 20
Перейти на Шаг 19
19
Устранить разрыв цепи в ГОЛ проводе.
Ремонт закончен?
-
Система в норме
-
20
С помощью омметра проверить отсутствие обрывов цепи между выводом 7 (ГОЛ/БЕЛ) отсоединенного разъёма выключателя замка правой двери и выводом a6 (ГОЛ/БЕЛ) разъема isu.
Показывает ли омметр указанное значение?
-
Система в норме
-

Электрические стеклоподъемники

Электрические стеклоподъемники не работают

ШагОперацияЗначенияДаНет
1
  1. Убедиться, что выключатель блокировки стекла на водительской двери не включен.
  2. Испытать каждый стеклоподъемник.
Работает ли какой-либо электрический стеклоподъемник?
-
Перейдите на Шаг 7
Перейдите на Шаг 2
2
  1. На двери водителя снять фиксирующий винт переключателя электрического стеклоподъемника/зеркала с электроприводом.
  2. Поднять вверх переключатель электрического стеклоподъемника так, чтобы показался разъем.
  3. Установите зажигание в положение on.
  4. Проверить напряжение на выводе a6 (ОРЖ) переключателя электрического стеклоподъемника.
Равно ли напряжение указанному значению?
11~14 В
Перейдите на Шаг 4
Перейдите на Шаг 3
3
Устранить разрыв цепи подачи электропитания на переключатель электрического стеклоподъемника двери водителя.
Ремонт закончен?
-
Система в норме
-
4
С помощью омметра проверить отсутствие обрывов цепи между массой и выводом a10 (ЧЕР) разъема переключателя электрического стеклоподъемника двери водителя.
Показывает ли омметр указанное значение?
≈ 0 Ом
Перейдите на Шаг 6
Перейдите на Шаг 5
5
Устранить разрыв цепи между массой и выводом a10 переключателя электрического стеклоподъемника двери водителя.
Ремонт закончен?
-
Система в норме
-
6
Заменить переключатель электрического стеклоподъемника двери водителя.
Ремонт закончен?
-
Система в норме
-
7
  1. На двери с неработающим электрическим стеклоподъемником снять панель обивки двери.
  2. Подсоединить плавкую проволочную перемычку к положительной клемме аккумуляторной батареи.
  3. Подсоединить другую проволочную перемычку к отрицательной клемме аккумуляторной батареи.
  4. Отсоединить двухпроводной разъем, соединяющий мотор стеклоподъемника со жгутом проводов двери.
  5. Присоединить отрицательную проволочную перемычку к одному из выводов двухпроводного разъема.
  6. Прикоснуться положительной проволочной перемычкой к другому выводу двухпроводного разъема.
  7. Поменять полюса соединений проволочной перемычки.
Перемещается ли стекло вверх, когда мотор питается непосредственно от батареи, и вниз, когда меняются полюса соединений перемычки?
-
Перейдите на Шаг 9
Перейдите на Шаг 8
8
Заменить мотор стеклоподъемника.
Ремонт закончен?
-
Система в норме
-
9
Проверить работу стеклоподъемников.
Находится ли неработающий стеклоподъемник на двери водителя?
-
Перейдите на Шаг 10
Перейдите на Шаг 11
10
Заменить переключатель электрического стеклоподъемника двери водителя.
Ремонт закончен?
-
Система в норме
-
11
  1. Убедиться, что выключатель блокировки стекла на водительской двери не включен.
  2. Установите зажигание в положение on.
  3. Проверить напряжение на выводе a9 (РОЗ/ЧЕР) переключателя электрического стеклоподъемника двери водителя.
Равно ли напряжение указанному значению?
11~14 В
Перейдите на Шаг 12
Перейдите на Шаг 10
12
  1. Убедиться, что выключатель блокировки стекла на водительской двери не включен.
  2. Установите зажигание в положение on.
  3. Проверить напряжение на выводе a9 (РОЗ/ЧЕР) разъёма переключателя стеклоподъемника для неработающего стеклоподъемника.
Равно ли напряжение указанному значению?
11~14 В
Перейдите на Шаг 14
Перейдите на Шаг 13
13
Устранить разрыв цепи (РОЗ/ЧЕР) провода между переключателем стеклоподъемника и переключателем электрического стеклоподъемника двери водителя.
Ремонт закончен?
-
Система в норме
-
14
  1. На неработающем переключателе стеклоподъемника с помощью омметра проверить отсутствие обрывов цепи между массой и выводом b2.
  2. На неработающем переключателе стеклоподъемника с помощью омметра проверить отсутствие обрывов цепи между массой и выводом a10.
Показывает ли омметр указанное значение при обоих испытаниях?
≈ 0 Ом
Перейдите на Шаг 15
Перейдите на Шаг 16
15
Заменить переключатель электрического стеклоподъемника.
Ремонт закончен?
-
Система в норме
-
16
Если один из проводов переключателя стеклоподъемника, испытывавшихся в шаге 15, не показывает отсутствия разрыва цепи с массой, то с помощью омметра проверить отсутствие разрыва цепи этого провода между переключателем стеклоподъемника и переключателем электрического стеклоподъемника двери водителя.
Показывает ли омметр указанное значение?
≈ 0 Ом
Перейдите на Шаг 17
Перейти на Шаг 18
17
Заменить переключатель стеклоподъемника для неработающего стеклоподъемника.
Ремонт закончен?
-
Система в норме
-
18
Устранить разрыв цепи между переключателем стеклоподъемника и переключателем электрического стеклоподъемника двери водителя.
Ремонт закончен?
-
Система в норме
-

ТЕХНИЧЕСКОЕ ОБСЛУЖИВАНИЕ И РЕМОНТ

РАБОТЫ НА АВТОМОБИЛЕ



V3B39P01
Показать иллюстрациюПеревод текста в иллюстрациях


Наружный молдинг желобка

(показана передняя дверь, задняя дверь-аналогично)

Процедура снятия

  1. Полностью опустить стекло.
  2. Снять винт внешнего молдинга желобка.
  3. Снять наружное зеркало заднего вида. Перейти к раздела 9L, Стекла и зеркала.
  4. Снять внешний молдинг желобка с двери.


V3B39P01
Показать иллюстрациюПеревод текста в иллюстрациях


Процедура установки

  1. Путем нажатия установить внешний молдинг желобка на дверь.
  2. Примечание: Непосредственный контакт разнородных металлов может привести к быстрой коррозии. Во избежание преждевременной коррозии используйте надлежащий крепеж.

  3. Установить винт внешнего молдинга желобка.
  4. Затянуть
    Затянуть винт наружного молдинга желобка с усилием 1,3 Н•м (12 фунт-дюймов).

  5. Установить наружное зеркало заднего вида. Перейти к раздела 9L, Стекла и зеркала.
  6. Поднять стекло.


V3B39P02
Показать иллюстрациюПеревод текста в иллюстрациях


Направляющая стекла передней двери.

Процедура снятия

  1. Снять наружное зеркало заднего вида. Перейти к раздела 9L, Стекла и зеркала.
  2. Снять стекло передней двери. Перейти к раздела 9L, Стекла и зеркала.
  3. Снять направляющую стекла.



Показать иллюстрациюПеревод текста в иллюстрациях


Процедура установки

  1. Установить направляющую стекла.
  2. Установить стекло передней двери. Перейти к раздела 9L, Стекла и зеркала.
  3. Установить наружное зеркало заднего вида. Перейти к раздела 9L, Стекла и зеркала.


V3B39P03
Показать иллюстрациюПеревод текста в иллюстрациях


Уплотнитель двери

(показана передняя дверь, задняя дверь-аналогично)

Процедура снятия

  1. Снять болт крепления фиксатора открытого положения двери к кузову и фиксатор открытого положения двери .


  2. V3B39P04
    Показать иллюстрациюПеревод текста в иллюстрациях


  3. Снять уплотнитель двери.


V3B39P04
Показать иллюстрациюПеревод текста в иллюстрациях


Процедура установки

  1. Установить уплотнитель двери.


  2. V3B39P03
    Показать иллюстрациюПеревод текста в иллюстрациях


    Примечание: Непосредственный контакт разнородных металлов может привести к быстрой коррозии. Во избежание преждевременной коррозии используйте надлежащий крепеж.

  3. Установить фиксатор открытого положения двери к кузову с помощью болта.
  4. Затянуть
    Затянуть болт крепления фиксатора открытого положения двери к кузову до 25 Н•м(18 lb-ft).



V3B39P05
Показать иллюстрациюПеревод текста в иллюстрациях


Направляющая стекла задней двери.

Процедура снятия

  1. Снять стекло задней двери. Перейти к раздела 9L, Стекла и зеркала.
  2. Снять направляющую стекла задней двери.


V3B39P05
Показать иллюстрациюПеревод текста в иллюстрациях


Процедура установки

  1. Установить направляющую стекла задней двери.
  2. Установить стекло задней двери. Перейти к раздела 9L, Стекла и зеркала.


V3B39P06
Показать иллюстрациюПеревод текста в иллюстрациях


Дополнительный уплотнитель передней двери.

Процедура снятия

  1. Снять наружное зеркало заднего вида. Перейти к раздела 9L, Стекла и зеркала.
  2. Снять дополнительный уплотнитель передней двери.


V3B39P06
Показать иллюстрациюПеревод текста в иллюстрациях


Процедура установки

  1. Установить дополнительный уплотнитель передней двери.
  2. Установить наружное зеркало заднего вида. Перейти к раздела 9L, Стекла и зеркала.


V3B39P07
Показать иллюстрациюПеревод текста в иллюстрациях


Дополнительный уплотнитель задней двери

Процедура снятия

  1. Снять дополнительный уплотнитель задней двери.


V3B39P07
Показать иллюстрациюПеревод текста в иллюстрациях


Процедура установки

  1. Установить дополнительный уплотнитель задней двери.


V3B39P08
Показать иллюстрациюПеревод текста в иллюстрациях


Уплотнитель проема передней двери.

Процедура снятия

  1. Снять предохранительную пластинку, переднюю панель порога и нижнюю панель обивки средней стойки. См. Раздел 9G, Облицовка салона.
  2. Снять уплотнитель проема передней двери.


V3B39P08
Показать иллюстрациюПеревод текста в иллюстрациях


Процедура установки

  1. Установить уплотнитель проема передней двери.
  2. Установить предохранительную пластинку, переднюю панель порога и нижнюю панель обивки средней стойки. См. Раздел 9G, Облицовка салона.


V3B39P09
Показать иллюстрациюПеревод текста в иллюстрациях


Уплотнитель проема задней двери.

Процедура снятия

  1. Снять заднюю панель порога и нижнюю панель обивки средней стойки. См. Раздел 9G, Облицовка салона.
  2. Снять уплотнитель проема задней двери.


V3B39P09
Показать иллюстрациюПеревод текста в иллюстрациях


Процедура установки

  1. Установить уплотнитель проема задней двери.
  2. Установить заднюю панель порога и нижнюю панель обивки средней стойки. См. Раздел 9G, Облицовка салона.


V3B39P10
Показать иллюстрациюПеревод текста в иллюстрациях


Декоративная накладка уплотнителя двери

(показана передняя дверь, задняя дверь-аналогично)

Процедура снятия

  1. Снять панель обивки двери. См. Раздел 9G, Облицовка салона.
  2. Снять декоративную накладку уплотнителя двери.


V3B39P10
Показать иллюстрациюПеревод текста в иллюстрациях


Процедура установки

  1. Установить декоративную накладку уплотнителя двери.
  2. Примечание: Непосредственный контакт разнородных металлов может привести к быстрой коррозии. Во избежание преждевременной коррозии используйте надлежащий крепеж.

  3. Установить панель обивки двери. См. Раздел 9G, Облицовка салона.


V3B39P11
Показать иллюстрациюПеревод текста в иллюстрациях


Фиксатор замка двери.

(показана передняя дверь, задняя дверь-аналогично)

Процедура снятия

  1. Снять винты и фиксатор замка двери. (показана передняя дверь, задняя дверь-аналогично).


V3B39P11
Показать иллюстрациюПеревод текста в иллюстрациях


Процедура установки

    Примечание: Непосредственный контакт разнородных металлов может привести к быстрой коррозии. Во избежание преждевременной коррозии используйте надлежащий крепеж.

  1. Установить винты и фиксатор замка двери.
  2. Затянуть
    Затянуть винты фиксатора замка двери с усилием 24 Н•м (18 фунт-футов).

Регулировка фиксатора замка двери.

(показана передняя дверь, задняя дверь-аналогично)
Фиксатор замка двери состоит из фиксатора с двумя винтами, которые ввинчиваются в секционную плавающую пластину сепаратора, расположенную в соответствующей стойке кузова. Эта плавающая пластина сепаратора позволяет легко регулировать фиксатор внутрь-наружу и вверх-вниз.
Дверь блокируется в закрытом положении, когда вилка дверного замка освобождается и приводит к зацеплению с фиксатором.

Примечание: Фиксатор замка двери является важной крепежной деталью, которая может повлиять на работу жизненно важных компонентов и систем. Это может привести к крупным расходам, связанных с ремонтом. Если необходима замена,то фиксатор замка двери должен быть заменен на фиксатор с таким же номером детали или аналогичный. Не пользоваться для замены деталью более низкого качества или подменной деталью. Указанные значения крутящего момента должны использоваться во время повторной сборки, чтобы обеспечить надлежащее использование детали.



V3B39P11
Показать иллюстрациюПеревод текста в иллюстрациях


Регулировка вверх/вниз или внутрь/наружу

    Регулировка фиксатора в направлении вверх и вниз и внутрь и наружу может понадобиться по нескольким причинам:
    Следовать следующей процедуре при регулировке фиксатора двери в направлении вверх-вниз и внутрь-наружу:
  1. Дверь должна быть выровнена надлежащим образом.
  2. Ослабить винты фиксатора.
  3. Плавающая сетчатая пластина может быть слегка подвинута с помощью кончиков винтов фиксатора. Передвинуть плавающую сетчатую пластину в нужное положение.
  4. Если для надлежащей регулировки необходимо переместить плавающую сетчатую пластину на расстояние, превышающее возможное, то с помощью ручной электродрели или 3/8-дюймового круглого надфиля с плоской головкой увеличьте проем кузова в нужном направлении.
  5. Примечание: Важно использовать сверло с плоской головкой, чтобы избежать повреждения плавающей сетчатой пластины. Винты фиксатора и секционированная сетчатая пластина являются важными крепежными деталями, которые могут оказывать влияние на работу жизненно значимых компонентов и систем.

  6. Затянуть винты фиксатора замка двери до нужного положения.
  7. Затянуть винты фиксатора замка двери до нужного положения.
  8. Затянуть
    Затянуть винты фиксатора замка двери с усилием 24 Н•м (18 фунт-футов).



V3B39P12
Показать иллюстрациюПеревод текста в иллюстрациях


Замок передней двери.

Процедура снятия

  1. Отсоедините провод от отрицательного вывода аккумуляторной батареи.
  2. Снять декоративную накладку уплотнителя. Перейти к "Декоративная накладка уплотнителя двери"в этом разделе.
  3. Снять винты и замок передней двери.
  4. Отсоединить стержни замка.
  5. Отсоединить электрический разъем.


V3B39P11
Показать иллюстрациюПеревод текста в иллюстрациях


Процедура установки

  1. Подсоединить электрический разъем.
  2. Присоединить тяги замка.
  3. Примечание: Непосредственный контакт разнородных металлов может привести к быстрой коррозии. Во избежание преждевременной коррозии используйте надлежащий крепеж.

  4. Установить замок передней двери с помощью винтов.
  5. Затянуть
    Затянуть болт замка передней двери с усилием 10 Н•м (89 фунт-дюйм).

  6. Установить декоративную накладку уплотнителя. Перейти к "Декоративная накладка уплотнителя двери"в этом разделе.
  7. Присоедините провод к отрицательному выводу аккумуляторной батареи.


V3B39P13
Показать иллюстрациюПеревод текста в иллюстрациях


Замок задней двери с блокировкой от детей

Процедура снятия

  1. Отсоедините провод от отрицательного вывода аккумуляторной батареи.
  2. Снять декоративную накладку уплотнителя двери. Перейти к "Декоративная накладка уплотнителя двери"в этом разделе.
  3. Снять винт и направляющую рельсу.


  4. V3B39P14
    Показать иллюстрациюПеревод текста в иллюстрациях


  5. Снять винты замка двери.
  6. Отсоединить стержни замка.
  7. Снять замок двери.
  8. Отсоединить электрический разъем.


V3B39P14
Показать иллюстрациюПеревод текста в иллюстрациях


Процедура установки

  1. Подсоединить электрический разъем.
  2. Примечание: Непосредственный контакт разнородных металлов может привести к быстрой коррозии. Во избежание преждевременной коррозии используйте надлежащий крепеж.

  3. Установить замок задней двери с помощью винтов.
  4. Затянуть
    Затянуть винты замка задней двери с усилием 10 Н•м (89 фунт-дюйм).



    V3B39P13
    Показать иллюстрациюПеревод текста в иллюстрациях


  5. Установить тяги замка.
  6. Установить направляющую рельсу с помощью болтов и винта.
  7. Затянуть
    Затянуть винт направляющей рельсы задней двери с усилием 4 Н•м (35 фунт-дюйм).
    Затянуть болты направляющей рельсы задней двери с усилием 10 Н•м (89 фунт-дюйм).

  8. Установить декоративную накладку уплотнителя двери. Перейти к "Декоративная накладка уплотнителя двери"в этом разделе.
  9. Присоедините провод к отрицательному выводу аккумуляторной батареи.


V3B39P14
Показать иллюстрациюПеревод текста в иллюстрациях


Внутренняя ручка двери

(показана передняя дверь, задняя дверь-аналогично)

Процедура снятия

  1. Снять декоративную накладку двери. См. Раздел 9G, Облицовка салона.
  2. Сдвинуть ручку двери назад и снять ее с двери.
  3. Отсоединить внутреннюю ручку двери и тяги замка.


V3B39P14
Показать иллюстрациюПеревод текста в иллюстрациях


Процедура установки

  1. Присоединить внутреннюю ручку двери и тяги замка.
  2. Вставить внутреннюю ручку в пазы в двери.
  3. Задвинуть ручку двери вперед.
  4. Примечание: Непосредственный контакт разнородных металлов может привести к быстрой коррозии. Во избежание преждевременной коррозии используйте надлежащий крепеж.

  5. Установить декоративную накладку уплотнителя двери. См. Раздел 9G, Облицовка салона.


V3B39P15
Показать иллюстрациюПеревод текста в иллюстрациях


Наружная ручка двери

(показана передняя дверь, задняя дверь-аналогично)

Процедура снятия

  1. Снять декоративную накладку уплотнителя двери. Перейти к "Декоративная накладка уплотнителя двери"в этом разделе.
  2. Отсоединить наружную ручку двери и тяги замка.
  3. Снять болты и ручку двери.


V3B39P15
Показать иллюстрациюПеревод текста в иллюстрациях


Процедура установки

  1. Присоединить наружную ручку двери и тяги замка.
  2. Примечание: Непосредственный контакт разнородных металлов может привести к быстрой коррозии. Во избежание преждевременной коррозии используйте надлежащий крепеж.

  3. Установить дверную ручку с помощью болтов.
  4. Затянуть
    Затянуть болты наружной ручки двери с усилием 4,5 Н•м (40 фунт-дюйм)

  5. Установить декоративную накладку уплотнителя двери. Перейти к "Декоративная накладка уплотнителя двери"в этом разделе.


V3B39P16
Показать иллюстрациюПеревод текста в иллюстрациях


Внутренняя тяга замка

(показана передняя дверь, задняя дверь-аналогично)

Процедура снятия

  1. Снять декоративную накладку уплотнителя двери. Перейти к "Декоративная накладка уплотнителя двери"в этом разделе.
  2. Снять внутреннюю ручку двери. Перейти к "Внутренняя ручка двери"в этом разделе.
  3. Отсоединить внутренние тяги замка от замка.


V3B39P16
Показать иллюстрациюПеревод текста в иллюстрациях


Процедура установки

  1. Присоединить внутренние тяги замка к замку.
  2. Установить внутреннюю ручку двери. Перейти к "Внутренняя ручка двери"в этом разделе.
  3. Установить декоративную накладку уплотнителя двери. Перейти к "Внутренняя обивка двери"в этом разделе.


V3B39P17
Показать иллюстрациюПеревод текста в иллюстрациях


Цилиндр замка двери

(показана передняя дверь, задняя дверь-аналогично)

Процедура снятия

  1. Снять декоративную накладку уплотнителя двери. Перейти к "Декоративная накладка уплотнителя двери"в этом разделе.
  2. Отсоединить тягу замка наружной ручки двери.
  3. Снять фиксатор и цилиндр замка.


V3B39P17
Показать иллюстрациюПеревод текста в иллюстрациях


Процедура установки

  1. Установить цилиндр замка с помощью фиксатора.
  2. Присоединить тягу замка наружной ручки двери.
  3. Установить декоративную накладку уплотнителя двери. Перейти к "Декоративная накладка уплотнителя двери"в этом разделе.


V3B39P18
Показать иллюстрациюПеревод текста в иллюстрациях


Электрический стеклоподъемник.

(показана передняя дверь, задняя дверь-аналогично)

Процедура снятия

  1. Отсоедините провод от отрицательного вывода аккумуляторной батареи.
  2. Снять стекло двери. Перейти к раздела 9L, Стекла и зеркала.
  3. Отсоединить электрический разъем.
  4. Снять гайки и стеклоподъемник.


V3B39P18
Показать иллюстрациюПеревод текста в иллюстрациях


Процедура установки

    Примечание: Непосредственный контакт разнородных металлов может привести к быстрой коррозии. Во избежание преждевременной коррозии используйте надлежащий крепеж.

  1. Установить стеклоподъемник с помощью гаек.
  2. Затянуть
    Затянуть гайки стеклоподъемника с усилием 10 Н•м (89 фунт-дюйм).

  3. Подсоединить электрический разъем.
  4. Установить стекло двери. Перейти к раздела 9L, Стекла и зеркала.
  5. Присоедините провод к отрицательному выводу аккумуляторной батареи.


V3B39P19
Показать иллюстрациюПеревод текста в иллюстрациях


Дверь в сборе

Процедура снятия

  1. Отсоедините провод от отрицательного вывода аккумуляторной батареи.
  2. Снять болт и фиксатор открытого положения двери с кузова.


  3. V3B39P20
    Показать иллюстрациюПеревод текста в иллюстрациях


  4. С помощью другого механика снять болты дверной петли и переднюю дверь. (изображена передняя дверь, задняя дверь-аналогично).
  5. Отсоединить резиновую втулку между кузовом и дверью и электрический разъем.


V3B39P20
Показать иллюстрациюПеревод текста в иллюстрациях


Процедура установки

  1. Соединить электрический разъем и резиновую втулку крепления кузова к двери.
  2. Примечание: Непосредственный контакт разнородных металлов может привести к быстрой коррозии. Во избежание преждевременной коррозии используйте надлежащий крепеж.

  3. С помощью другого механика слегка закрепить переднюю дверь посредством болтов дверной петли(Изображена передняя дверь, задняя дверь-аналогично).
  4. Отрегулировать посадку двери.
  5. Затянуть
    Затянуть болты, крепящие дверную петлю к кузову, с усилием 20 Н•м (15 фунт-футов).



    V3B39P19
    Показать иллюстрациюПеревод текста в иллюстрациях


  6. Установить фиксатор открытого положения двери к кузову .
  7. Затянуть
    Затянуть болт крепления фиксатора открытого положения двери к кузову до 25 Н·м(18 lb-ft).

  8. Присоедините провод к отрицательному выводу аккумуляторной батареи.
  9. Выполнить испытание на герметичность. Перейти к раздела 9I, Протекание воды.
  10. Проверить на наличие шума ветра. Перейти к раздела 9J, Шум ветра.


V3B39P21
Показать иллюстрациюПеревод текста в иллюстрациях


Дверная петля.

(показана передняя дверь, задняя дверь-аналогично)

Процедура снятия

  1. С помощью другого механика снять болты и петлю с двери и кузова.


V3B39P21
Показать иллюстрациюПеревод текста в иллюстрациях


Процедура установки

    Примечание: Непосредственный контакт разнородных металлов может привести к быстрой коррозии. Во избежание преждевременной коррозии используйте надлежащий крепеж.

  1. С помощью другого механика установить петлю на дверь и кузов с помощью болтов.
  2. Затянуть
    Затянуть болты, крепящие дверную петлю к кузову, с усилием 20 Н•м (15 фунт-футов)
    Затянуть болты, крепящие дверную петлю к двери, с усилием 20 Н•м (15 фунт-футов).



V3B39P22
Показать иллюстрациюПеревод текста в иллюстрациях


Фиксатор открытого положения двери.

(показана передняя дверь, задняя дверь-аналогично)

Процедура снятия

  1. Снять декоративную накладку уплотнителя двери. Перейти к "Декоративная накладка уплотнителя двери"в этом разделе.
  2. Снять болты на двери и кузове.
  3. Снять фиксатор открытого положения двери.


V3B39P22
Показать иллюстрациюПеревод текста в иллюстрациях


Процедура установки

    Примечание: Непосредственный контакт разнородных металлов может привести к быстрой коррозии. Во избежание преждевременной коррозии используйте надлежащий крепеж.

  1. Установить фиксатор открытого положения двери на дверь и кузов с помощью болтов.
  2. Затянуть
    Затянуть болт крепления фиксатора открытого положения двери к кузову до 25 Н•м(18 lb-ft).
    Затянуть болты крепления фиксатора открытого положения двери к кузову с усилием 9 Н•м (80 фунт-дюймов).

  3. Установить декоративную накладку уплотнителя двери. Перейти к "Декоративная накладка уплотнителя двери"в этом разделе.

ОБЩЕЕ ОПИСАНИЕ И РАБОТА СИСТЕМЫ

Фиксатор замка двери.

Фиксаторы замка передних и задних дверей состоят из фиксатора с двумя винтами, вворачиваемыми в плавающую сетчатую пластину в средних стойках и задних стойках. Дверь закрепляется в закрытом положении, когда вилка дверного замка освобождается и приходит в зацепление с фиксатором.

Замок задней двери с блокировкой от детей

Замки задних дверей с блокировкой от детей помогают предотвращать открытие задних дверей автомобиля изнутри пассажирами, особенно детьми.
Чтобы активировать замки,нужно передвинуть рычаги обеих задних дверей в положение "закрыто". Затем закрыть обе двери. Пассажиры, сидящие сзади, не смогут открыть двери изнутри автомобиля.
Чтобы разблокировать замки, нужно отпереть дверь изнутри автомобиля и открыть ее снаружи. Переместить рычаг в положение "открыто". Теперь задняя дверь будет работать нормально.

Дверные замки с электроприводом.

В дверных замках с электроприводом используется электромагнитный клапан (соленоид), который содержится в каждом дверном замке. Дверные замки приводятся в действие с помощью привода на внутренней ручке двери или с помощью цилиндра замка, находящегося только со стороны водительской двери. Если водительская дверь запирается или отпирается с помощью привода или цилиндра замка, то соответствующим образом запираются или отпираются все двери.

Электрические стеклоподъемники

Электрические стеклоподъемники управляются с помощью электрических переключателей и работают от мотора на каждом стеклоподъемнике. На каждой двери есть переключатель для управления стеклоподъемником, а на водительской двери есть четыре переключателя для управления всеми стеклоподъемниками автомобиля. Стекла опускаются путем нажатия переключателя и поднимаются путем вытягивания переключателя. Стекло перестает двигаться при отпускании переключателя или когда стекло полностью открыто или закрыто.
Стекло со стороны водителя открывается автоматически. При нажатии и отпускании переключателя стекло со стороны водителя будет опускаться и остановится только когда переключатель снова активизируется или когда стекло полностью открыто.
Управление на водительской двери также содержит кнопку блокировки стекла, которая при нажатии предотвратит работу стеклоподъемника передней пассажирской двери или задних дверей.

Режим поддержания (задержка)

Когда ключ в переключателе переводится в выключенное положение, управление электрическим стеклоподъемником возможно в течение 30 секунд.
Во время этих 30 секунд, если дверь водителя закрыта, то управление электрическим стеклоподъемником продолжает оставаться возможным (режим поддержания). Но если дверь водителя открыта, то управления питанием отключается.


На предыдущую страницуНа следующую страницу
https://vnx.su/ 🛠 Руководства по ремонту и эксплуатации для автомобилей

Поиск по сайту

Остались вопросы или пожелания? Пишите на почту: support@vnx.su

Карта Сайта