К началу документа
Evanda
На предыдущую страницуНа следующую страницу
Главная страница GMDEЗагрузить нединамическое оглавлениеЗагрузить динамическое оглавлениеПомощь

РАЗДЕЛ 9L

СТЕКЛО И ЗЕРКАЛА

Внимание! Отсоедините провод от отрицательного вывода аккумулятора, прежде чем снимать или устанавливать какие-либо электрические устройства, а также в ситуации, когда есть возможность касания оголенных электрических контактов каким-либо инструментом или приспособлением. Отсоединение этого провода позволяет избежать травм и повреждения оборудования автомобиля. Кроме того, если не указано иное, зажигание должно находиться в положении LOCK.

ТЕХНИЧЕСКИЕ ХАРАКТЕРИСТИКИ

Моменты затяжки резьбовых соединений

ПРОГРАММА
Н•м
фунт-фут
фунт-дюйм
Винты стекол
7
-
62
Болты направляющей рельсы
7
-
62
Винт направляющей рельсы
4
-
35
Болты и винты наружного зеркала заднего вида в сборе
4.5
-
40
Монтажный болт зеркала заднего вида
1.2
-
11

СПЕЦИАЛЬНЫЕ ИНСТРУМЕНТЫ

ТАБЛИЦА СПЕЦИАЛЬНЫХ ИНСТРУМЕНТОВ


J24402
Показать иллюстрациюПеревод текста в иллюстрациях


j-24402
Съемник уплотнителя стекла

ПРИНЦИПИАЛЬНЫЕ И МОНТАЖНЫЕ СХЕМЫ

Система обогрева


V6B19L01
Показать иллюстрациюПеревод текста в иллюстрациях


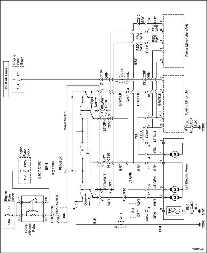
Система наружных зеркал заднего вида (osrv) с электроприводом (зеркало osrvm без наклона)


V6B19L02
Показать иллюстрациюПеревод текста в иллюстрациях


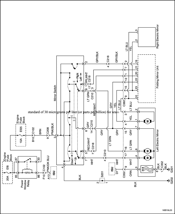
Система наружных зеркал заднего вида (osrv) с электроприводом (зеркало osrvm с наклоном)


V6B19L03
Показать иллюстрациюПеревод текста в иллюстрациях


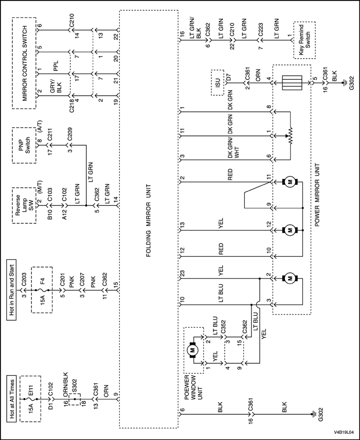
Цепь блока складываемого зеркала & пассажирского блока питания (зеркало osrvm без наклона)


V6B19L04
Показать иллюстрациюПеревод текста в иллюстрациях


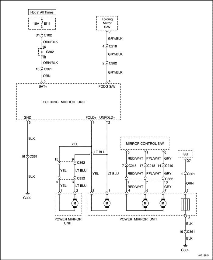
Цепь блока складываемого зеркала & пассажирского блока питания (зеркало osrvm с наклоном)


V4B19L04
Показать иллюстрациюПеревод текста в иллюстрациях


ДИАГНОСТИКА

Проверка линий сетки обогрева стекла

Если в ходе эксплуатации было замечено, что одна из линий сетки не работает, обнаружить разрыв можно, выполнив следующие действия. Если не работает ни одна из линий сетки, перед началом ремонта следует провести полную диагностику системы.
  1. Установите зажигание в положение on.
  2. Включить обогрев заднего стекла.
  3. Изнутри автомобиля подключить вольтметр к каждому концу линии сетки. Вольтметр покажет подаваемое батареей напряжение, если линяя сетки разомкнута.

Примечание: Прикасаться контактами вольтметра к линии сетки следует с осторожностью. Если контакты приложить грубо, можно поцарапать сетку, что приведет к разрыву цепи.

  1. Если линия сетки окажется разомкнутой, контакты вольтметра следует переместить с одной стороны линии и повторить испытание ближе к другой стороне окна. Продолжать проверку, каждый раз приближая контакты вольтметра к стороне окна, противоположной той, откуда были начаты измерения. Точкой обрыва линии сетки является то место, в котором вольтметр начнет показывать 0 вместо подаваемого батареей напряжения.
  2. Если линия сетки окажется разомкнутой, контакты вольтметра следует переместить с одной стороны линии и повторить испытание ближе к другой стороне окна. Продолжать проверку, каждый раз приближая контакты вольтметра к стороне окна, противоположной той, откуда были начаты измерения. Точкой обрыва линии сетки является то место, в котором вольтметр начнет показывать 0 вместо подаваемого батареей напряжения.
  3. С помощью маркировочного мелка ясно пометить точку обрыва на заднем окне. Пометить следует стекло, а не саму линию сетки, при этом пометка должна быть сделана достаточно далеко, чтобы ее можно было удалить, не разрушив исправление.
  4. С помощью маркировочного мелка ясно пометить точку обрыва на заднем окне. Пометить следует стекло, а не саму линию сетки, при этом пометка должна быть сделана достаточно далеко, чтобы ее можно было удалить, не разрушив исправление.
  5. Устранить обрыв в линии сетки с помощью набора для ремонта линии сетки. См. «Ремонт линий сетки обогрева заднего стекла» в этом разделе.
  6. Устранить обрыв в линии сетки с помощью набора для ремонта линии сетки. См. «Ремонт линий сетки обогрева заднего стекла» в этом разделе.

Система обогрева наружных зеркал заднего вида

ШагОперацияЗначенияДаНет
1
Проверить обогрев заднего стекла.
Работает ли обогрев заднего стекла?
-
Перейдите на Шаг 4
Перейдите на Шаг 2
2
Отремонтировать обогрев заднего стекла перед проведением диагностики наружных зеркал заднего вида.
Ремонт закончен?
-
Перейдите на Шаг 3
-
3
Проверить обогрев наружных зеркал заднего вида.
Помог ли ремонт системы обогрева заднего стекла устранить проблему с обогревом наружных зеркал заднего вида?
-
Система в норме
Перейдите на Шаг 4
4
Проверить предохранитель f18.
Перегорел ли предохранитель f18?
-
Перейдите на Шаг 5
Перейдите на Шаг 6
5
  1. Проверьте на предмет короткого замыкания и при необходимости устраните его.
  2. Замените предохранитель.
Ремонт закончен?
-
Система в норме
-
6
  1. Со стороны автомобиля, на которой находится неисправный обогреватель наружного зеркала заднего вида, снять черное пластиковое обрамление со стороны панели обивки двери.
  2. Отсоединить электрический разъем наружного зеркала заднего вида.
  3. Установите зажигание в положение on.
  4. Включить обогреватель.
  5. С помощью вольтметра проверить вывод 3 (ОРЖ) на электрическом разъеме наружного зеркала заднего вида.
Показывает ли вольтметр указанное значение?
11~14 В
Перейдите на Шаг 8
Перейдите на Шаг 7
7
Устранить разрыв цепи между предохранителем f18 и разъемом наружного зеркала заднего вида.
Ремонт закончен?
-
Система в норме
-
8
  1. Выключите зажигание.
  2. Отсоединить электрический разъем наружного зеркала заднего вида.
  3. С помощью омметра измерить сопротивление между выводом 8 (ЧЕР) разъема наружного зеркала заднего вида и массой.
Показывает ли омметр указанное значение?
≈ 0 Ом
Перейдите на Шаг 10
Перейдите на Шаг 9
9
Устранить разрыв цепи массы для наружного зеркала заднего вида.
Ремонт закончен?
-
Система в норме
-
10
Заменить неисправное наружное зеркало заднего вида.
Ремонт закончен?
-
Система в норме
-

Наружные зеркала заднего вида с электроприводом

Наружные зеркала заднего вида с электроприводом не регулируются

ШагОперацияЗначенияДаНет
1
Проверить предохранитель ef25.
Перегорел ли предохранитель ef25?
-
Перейдите на Шаг 2
Перейдите на Шаг 3
2
  1. Проверьте на предмет короткого замыкания и при необходимости устраните его.
  2. Заменить предохранитель ef25.
Ремонт закончен?
-
Система в норме
-
3
  1. Установите зажигание в положение on.
  2. Проверить напряжение на предохранителе ef25.
Соответствует ли напряжение на ef25 указанному значению?
11~14 В
Перейдите на Шаг 5
Перейдите на Шаг 4
4
Устранить разрыв цепи электропитания для предохранителя ef25.
Ремонт закончен?
-
Система в норме
-
5
Проверить наружные зеркала заднего вида с электроприводом.
Не работают ли оба наружных зеркала заднего вида с электроприводом?
-
Перейдите на Шаг 6
Перейдите на Шаг 13
6
  1. Снять винты, фиксирующие наружные зеркала заднего вида с электроприводом и выключатель электростеклоподъемников в сборе.
  2. Поднять выключатель в сборе так, чтобы были видны нижние разъемы.
Прикреплен ли разъем к переключателю наружных зеркал заднего вида с электроприводом?
-
Перейдите на Шаг 8
Перейдите на Шаг 7
7
Подсоединить разъем к переключателю наружных зеркал заднего вида с электроприводом.
Ремонт закончен?
-
Система в норме
-
8
С помощью омметра проверить отсутствие обрывов цепи между выводом 4 (ЧЕР) разъема переключателя наружных зеркал заднего вида с электроприводом и массой.
Показывает ли омметр указанное значение?
≈ 0 Ом
Перейдите на Шаг 10
Перейдите на Шаг 9
9
Устранить обрыв цепи массы для переключателя наружных зеркал заднего вида с электроприводом.
Ремонт закончен?
-
Система в норме
-
10
  1. Установите зажигание в положение on.
  2. Проверить напряжение на выводе 3 (РОЗ/ЧЕР) разъёма переключателя наружного зеркало заднего вида с электроприводом.
Равно ли напряжение указанному значению?
11~14 В
Перейдите на Шаг 12
Перейдите на Шаг 11
11
Устранить обрыв цепи электропитания для переключателя наружных зеркал заднего вида с электроприводом.
Ремонт закончен?
-
Система в норме
-
12
Заменить переключатель наружных зеркал заднего вида с электроприводом.
Ремонт закончен?
-
Система в норме
-
13
  1. Со стороны автомобиля, на которой находится неисправное зеркало, снять черное пластиковое обрамление со стороны панели обивки двери.
  2. Отсоединить электрический разъем наружных зеркал заднего вида с электроприводом.
  3. Установите зажигание в положение on.
  4. На разъеме наружного зеркала заднего вида с электроприводом подсоединить вольтметр между выводом 7 (СЕР) и выводом 6 (СВ ЗЕЛ, если проверять водительскую сторону, и ПУР/БЕЛ, если пассажирскую).
  5. Изменять регулировку «ближе/дальше» с помощью переключателя и записывать напряжение, показанное в каждом положении переключателя.
  6. Подключить вольтметр между выводом 4 (СЕР) и выводом 7 (БЕЛ, если проверять левую сторону, и КРС/БЕЛ, если правую).
  7. Изменять регулировку «выше/ниже» с помощью переключателя и записывать напряжение, показанное в каждом положении переключателя.
Показывает ли вольтметр указанное напряжение при каждом испытании и изменяется ли полярность при изменении положения переключателя с «ближе» на «дальше» и с «выше» на «ниже»?
11~14 В
Перейдите на Шаг 14
Перейдите на Шаг 15
14
Заменить наружное зеркало заднего вида с электроприводом.
Ремонт закончен?
-
Система в норме
-
15
  1. Снять винты, фиксирующие наружные зеркала заднего вида с электроприводом и выключатель электростеклоподъемников в сборе.
  2. Поднять выключатель в сборе так, чтобы были видны нижние разъемы.
  3. Оставить наружное зеркало заднего вида с электроприводом отсоединенным, но не отсоединять разъем переключателя зеркала.
  4. Установите зажигание в положение on.
  5. На разъёме переключателя наружного зеркала заднего вида с электроприводом проверить и измерить напряжение между выводом 7 (СЕР) и выводом 6 (СВ ЗЕЛ, если проверяется левая сторона, или ПУР/БЕЛ, если проверяется правая сторона).
  6. Изменять регулировку «ближе/дальше» с помощью переключателя и записывать напряжение, показанное в каждом положении переключателя.
  7. Подключить вольтметр между выводом 7 (СЕР) и выводом 4 (БЕЛ, если проверять левую сторону, и КРС/БЕЛ, если правую).
  8. Изменять регулировку «выше/ниже» с помощью переключателя и записывать напряжение, показанное в каждом положении переключателя.
Показывает ли вольтметр указанное напряжение при каждом испытании и изменяется ли полярность при изменении положения переключателя с «ближе» на «дальше» и с «выше» на «ниже»?
11~14 В
Перейдите на Шаг 16
Перейдите на Шаг 12
16
Устранить разрыв цепи между переключателем наружного зеркала заднего вида с электроприводом и разъемом наружного зеркала заднего вида с электроприводом.
Ремонт закончен?
-
Система в норме
-

Блок складывания зеркал

ШагОперацияЗначенияДаНет
1
Проверить блок складывания зеркал.
Работает ли блок складывания зеркал?
-
Перейдите на Шаг 3
Перейдите на Шаг 2
2
Проверить предохранитель ef11.
Перегорел ли предохранитель ef11?
-
Перейдите на Шаг 5
Перейдите на Шаг 6
3
  1. Проверьте на предмет короткого замыкания и при необходимости устраните его.
  2. Замените предохранитель.
Ремонт закончен?
-
Система в норме
-
4
  1. Со стороны автомобиля, на которой находится неисправный блок складывания зеркал, снять черное пластиковое обрамление со стороны панели обивки двери.
  2. Отсоединить электрический разъем блока складывания зеркал.
  3. Установите зажигание в положение on.
  4. Включить выключатель складывания зеркал.
  5. С помощью вольтметра проверить вывод 10 (ГОЛ), 23 (ЖЕЛ) на электрическом разъеме блока складываемого зеркала.
Показывает ли вольтметр указанное значение?
11~14 В
Перейдите на Шаг 8
Перейдите на Шаг 7
5
Устранить разрыв цепи между предохранителем ef11 и разъемом блока складываемого зеркала.
Ремонт закончен?
-
Система в норме
-
6
  1. Выключите зажигание.
  2. Отсоединить электрический разъем блока складывания зеркал.
  3. С помощью омметра измерить сопротивление между выводом 6 (ЧЕР) блока складывания зеркал и массой.
Показывает ли омметр указанное значение?
≈ 0 Ом
Перейдите на Шаг 10
Перейдите на Шаг 9
7
Восстановить цепь массы блока складывания зеркал.
Ремонт закончен?
-
Система в норме
-
8
Заменить неисправный блок складывания зеркал.
Ремонт закончен?
-
Система в норме
-

ТЕХНИЧЕСКОЕ ОБСЛУЖИВАНИЕ И РЕМОНТ

РАБОТЫ НА АВТОМОБИЛЕ



V3B39L01
Показать иллюстрациюПеревод текста в иллюстрациях


Ветровое стекло

Необходимое оборудование

Съемник уплотнителя стекла J-24402

Процедура снятия

  1. Снять вентиляционную решетку в облицовке рамы. См. раздел 9R, «Передняя часть кузова».
  2. Снять внутреннее зеркало заднего вида. См. «Зеркало заднего вида» в этом разделе.
  3. Снять уплотнитель вокруг ветрового стекла.


  4. V3B39L02
    Показать иллюстрациюПеревод текста в иллюстрациях


  5. С помощью съемника уплотнителя стекла j-24402 обрезать клей вокруг ветрового стекла.


  6. V3B39L03
    Показать иллюстрациюПеревод текста в иллюстрациях


  7. Снять ветровое стекло с автомобиля.
  8. С помощью ножа удалить клей с ветрового стекла.
  9. С помощью ножа удалить клей с рамы ветрового стекла.


V3B39L04
Показать иллюстрациюПеревод текста в иллюстрациях


Процедура установки

  1. Установить новый уплотнитель на ветровое стекло.


  2. V3B39L05
    Показать иллюстрациюПеревод текста в иллюстрациях


  3. Нанести ленту на новый уплотнитель и ветровое стекло, чтобы уплотнитель держался на месте.
  4. Нанести адгезивную грунтовку на раму ветрового стекла и по его периметру.


  5. V3B39L06
    Показать иллюстрациюПеревод текста в иллюстрациях


  6. Нанести клей для стекла на раму ветрового стекла.
  7. Установить ветровое стекло в раму.
  8. Повторно установить ленту на уплотнитель, ветровое стекло и раму, чтобы ветровое стекло держалось на месте.
  9. Дать клею высохнуть в течение 24 часов.
  10. Снять ленту.
  11. Проверить наличие протекания воды, налив воду на ветровое стекло. При обнаружении протекания высушить ветровое стекло и заполнить зону протекания клеем. Если протекание устранить не удалось, снять ветровое стекло и повторить всю процедуру.
  12. Установить внутреннее зеркало заднего вида. См. «Зеркало заднего вида» в этом разделе.
  13. Установить вентиляционную решетку в облицовке рамы. См. раздел 9R, «Передняя часть кузова».


V3B39L07
Показать иллюстрациюПеревод текста в иллюстрациях


Стекло заднего окна.

Необходимое оборудование

Съемник уплотнителя стекла J-24402

Процедура снятия

  1. Отсоедините провод от отрицательного вывода аккумуляторной батареи.
  2. Отсоединить электрический разъем обогрева заднего стекла.


  3. V3B39L08
    Показать иллюстрациюПеревод текста в иллюстрациях


  4. Снять уплотнитель вокруг заднего стекла.


  5. V3B39L09
    Показать иллюстрациюПеревод текста в иллюстрациях


  6. С помощью съемника уплотнителя стекла j-24402 обрезать клей вокруг заднего стекла.


  7. V3B39L03
    Показать иллюстрациюПеревод текста в иллюстрациях


  8. Снять заднее стекло с автомобиля.
  9. С помощью ножа удалить клей с заднего стекла.
  10. С помощью ножа удалить клей с рамы заднего стекла.


V3B39L10
Показать иллюстрациюПеревод текста в иллюстрациях


Процедура установки

  1. Установить новый уплотнитель на заднее стекло.


  2. V3B39L11
    Показать иллюстрациюПеревод текста в иллюстрациях


  3. Нанести ленту на новый уплотнитель и заднее стекло, чтобы уплотнитель держался на месте.
  4. Нанести адгезивную грунтовку на раму заднего стекла и по его периметру.


  5. V3B39L12
    Показать иллюстрациюПеревод текста в иллюстрациях


  6. Нанести клей для стекла на раму заднего стекла.


  7. V3B39L07
    Показать иллюстрациюПеревод текста в иллюстрациях


  8. Установить заднее стекло в раму.
  9. Повторно установить ленту на уплотнитель, заднее стекло и раму, чтобы заднее стекло держалось на месте.
  10. Дать клею высохнуть в течение 24 часов.
  11. Снять ленту.
  12. Проверить наличие протекания воды, налив воду на заднее стекло. При обнаружении протекания высушить стекло и заполнить зону протекания клеем. Если протекание устранить не удалось, снять заднее стекло и повторить всю процедуру.
  13. Подсоединить электрический разъем обогрева заднего стекла.
  14. Присоедините провод к отрицательному выводу аккумуляторной батареи.


V3B39L07
Показать иллюстрациюПеревод текста в иллюстрациях


Ремонт линий сетки обогрева заднего стекла

  1. Отсоедините провод от отрицательного вывода аккумуляторной батареи.
  2. Отсоединить электрический разъем обогрева заднего стекла.
  3. Осмотреть линии сетки обогрева заднего стекла.
  4. Пометить место обрыва линии сетки на внешней стороне стекла восковым карандашом или мелком.
  5. Зачистить линии сетки, которые будут ремонтироваться, стальной мочалкой. Вытереть линии начисто тканью, смоченной спиртом. Зачистить и очистить примерно по 6 мм (0,25 дюйма) с каждой стороны разрыва линии сетки.


  6. V3B39L13
    Показать иллюстрациюПеревод текста в иллюстрациях


  7. Нанести ремонтный трафарет или две полоски ленты над и под местом ремонта.
  8. Нанести восстановительный материал для сетки на место ремонта с помощью небольшой деревянной палочки или лопаточки. Восстановительный материал для сетки должен иметь комнатную температуру.
  9. Аккуратно снять трафарет или ленту.


  10. V3B39L14
    Показать иллюстрациюПеревод текста в иллюстрациях


    Примечание: Восстановительный материал для линий сетки должен быть вулканизирован горячим способом. Во избежание повреждения внутренней отделки от теплового излучения отделку в месте теплообработки необходимо защитить.

  11. Нагревать место ремонта в течение 1-2 минут.
  12. Держать насадку струйного сушильного аппарата на удалении 25 мм (1 дюйма) от поверхности. Необходима температура не менее 149°C (300°F).
  13. Осмотреть место ремонта линии сетки. Если в месте ремонта наблюдается обесцвечивание, нанести на это место раствор йода с помощью трубоочистителя или прямой щетки. Дать йоду просохнуть в течение 30 секунд. Аккуратно вытереть излишки йода тканью, не оставляющей ворса.
  14. Проверить работу обогрева заднего стекла и удостовериться в том, что ремонт был выполнен успешно.
  15. Важно: Для полного застывания восстановительных материалов необходимо не менее 24 часов. До истечения этого времени место ремонта не следует подвергать физическому воздействию.



V3B39L15
Показать иллюстрациюПеревод текста в иллюстрациях


Ремонт подводящего кабеля в оплетке обогрева заднего стекла

    Вывод или подводящий провод шины обогрева заднего стекла можно присоединить повторно с помощью перепайки. Использовать припой, содержащий 3 процента серебра, и смоляную флюсовую пасту.
  1. Место ремонта следует зачистить тонкой стальной мочалкой перед пайкой подводящего провода шины.
  2. Нанести пастообразный смоляной флюс в небольшом количестве на вывод провода и на место ремонта подводящего провода шины с помощью щетки.
  3. Покрыть конец паяльника припоем. Использовать достаточное количество припоя для обеспечения полного восстановления.
  4. Сила нагрева не должна превышать необходимую для расплава припоя. Не перегревать провод при пайке к подводящему проводу шины.


V3B39L16
Показать иллюстрациюПеревод текста в иллюстрациях


Стекло передней двери

Процедура снятия

  1. Снять декоративную накладку уплотнителя двери. См. раздел 9P, «Двери».
  2. Снять молдинг центральной стойки. См. раздел 9M, «Внешняя отделка».
  3. Снять винты, крепящие стекло к стеклоподъемнику.
  4. Снять стекло с двери.


V3B39L16
Показать иллюстрациюПеревод текста в иллюстрациях


Процедура установки

  1. Установить стекло в дверь и поместить стекло в стеклоподъемник.
  2. Примечание: Непосредственный контакт разнородных металлов может привести к быстрой коррозии. Во избежание преждевременной коррозии используйте надлежащий крепеж.

  3. Установить стекло в стеклоподъемник с помощью винтов.
  4. Затянуть
    Затянуть винты стекла с усилием 7 Н•м (62 фунт-дюйма).

  5. Установить молдинг центральной стойки. См. раздел 9M, «Внешняя отделка».
  6. Установить декоративную накладку уплотнителя двери. См. раздел 9P, «Двери».


V3B39L17
Показать иллюстрациюПеревод текста в иллюстрациях


Стекло задней двери

Процедура снятия

  1. Снять декоративную накладку уплотнителя двери. См. раздел 9P, «Двери».
  2. Снять наружный молдинг центральной стойки. См. раздел 9M, «Внешняя отделка».
  3. Снять винты, крепящие стекло к стеклоподъемнику.
  4. Снять стекло с двери.


V3B39L17
Показать иллюстрациюПеревод текста в иллюстрациях


Процедура установки

  1. Установить стекло в дверь и поместить стекло в стеклоподъемник.
  2. Примечание: Непосредственный контакт разнородных металлов может привести к быстрой коррозии. Во избежание преждевременной коррозии используйте надлежащий крепеж.

  3. Установить винты стекол.
  4. Затянуть
    Затянуть винты стекла с усилием 7 Н•м (62 фунт-дюйма).

  5. Установить наружный молдинг центральной стойки. См. раздел 9M, «Внешняя отделка».
  6. Установить декоративную накладку уплотнителя двери. См. раздел 9P, «Двери».


V3B39L18
Показать иллюстрациюПеревод текста в иллюстрациях


Форточка задней двери

Процедура снятия

  1. Снять стекло задней двери. См. "Стекло задней двери" в этом разделе.
  2. Снять болты и винт с направляющей рельсы форточки задней двери.
  3. Снять направляющую рельсу и форточку задней двери.


V3B39L18
Показать иллюстрациюПеревод текста в иллюстрациях


Процедура установки

  1. Установить направляющую рельсу и форточку задней двери.
  2. Примечание: Непосредственный контакт разнородных металлов может привести к быстрой коррозии. Во избежание преждевременной коррозии используйте надлежащий крепеж.

  3. Установить болты и винт направляющей рельсы форточки задней двери.
  4. Затянуть
    Затянуть болты направляющей рельсы с усилием 7 Н•м (62 фунт-дюйм).
    Затянуть винт направляющей рельсы с усилием 4 Н•м (35 фунт-дюйм).

  5. Установить стекло задней двери. См. "Стекло задней двери" в этом разделе.


V3B39L19
Показать иллюстрациюПеревод текста в иллюстрациях


Внутреннее зеркало заднего вида

    Внутреннее зеркало заднего вида крепится к опоре, прикрепляемой на ветровое стекло. Эта опора устанавливается поставщиком стекла с использованием пластикового поливинилбутилового клея.
    На ветровых стеклах, устанавливаемых в качестве замены, опора зеркала прикреплена к стеклу. Для установки снятой опоры зеркала или установки новой детали понадобится следующее:

Процедура установки

  1. Измерить расстояние от обивки потолка салона до нижней точки того места, где на ветровом стекле будет установлена опора зеркала.


  2. V3B39L20
    Показать иллюстрациюПеревод текста в иллюстрациях


  3. Отметить это положение на внешней стороне стекла восковым маркировочным карандашом или мелком. Нарисовать окружность большого диаметра вокруг места установки опоры зеркала на внешней стороне стекла.
  4. Очистить внутреннюю поверхность стекла бытовым чистящим составом, раствором для чистки стекол или полировочным составом и бумажными полотенцами. Вытереть стекло до полной сухости. Когда место установки высохнет, очистить его пропитанным спиртом бумажным полотенцем в целях уничтожения остатков чистящего порошка и раствора для чистки стекол.
  5. Если устанавливается новая опора зеркала, очистить прикрепляемую поверхность тонкой наждачной бумагой №320 или № 360. Если используется оригинальная опора зеркала, все следы нанесенного на заводе клея должны быть удалены перед установкой.
  6. Протереть зачищенную наждачной бумагой опору зеркала чистым бумажным полотенцем, пропитанным спиртом для протирки. Дать опоре высохнуть.
  7. Выполнить указания производителя клея по его нанесению и подготовке опоры зеркала перед установкой опоры зеркала на стекло.
  8. Установить опору зеркала в предварительно отмеченное положение. Равномерно прижать опору к стеклу и удерживать ее в прижатом положении в течение 30-60 секунд.
  9. По прошествии 5 минут удалить излишки клея полотенцем, смоченным спиртом, или раствором для чистки стекол.
  10. Установить внутреннее зеркало заднего вида на опору зеркала с помощью монтажного винта.
  11. Затянуть
    Затянуть болт крепления зеркала заднего вида с усилием 1,2 Н•м (11 фунт-дюймов).



V3B39L21
Показать иллюстрациюПеревод текста в иллюстрациях


Наружные зеркала заднего вида

Процедура снятия

  1. Снять обрамление передней двери.
  2. Отсоединить электрический разъем зеркала, если оно имеет электропривод.
  3. Снять болты и наружное зеркало заднего вида в сборе с двери.


V3B39L21
Показать иллюстрациюПеревод текста в иллюстрациях


Процедура установки

    Примечание: Непосредственный контакт разнородных металлов может привести к быстрой коррозии. Во избежание преждевременной коррозии используйте надлежащий крепеж.

  1. Установить наружное зеркало заднего вида в сборе на дверь с помощью винтов.
  2. Затянуть
    Затянуть винты наружного зеркала заднего вида в сборе с усилием 4,5 Н•м (40 фунт-дюймов).

  3. Подсоединить электрический разъем зеркала, если оно имеет электропривод.
  4. Установить обрамление передней двери.

ОБЩЕЕ ОПИСАНИЕ И РАБОТА СИСТЕМЫ

Неподвижное стекло

К неподвижному стеклу относится все стекло в автомобиле, которое не двигается в своей раме, например, ветровое стекло, заднее стекло и внутреннее зеркало заднего вида.

Обогреваемые наружные зеркала заднего вида с электроприводом

Электрическое управление зеркала заднего вида с подогревом находится на двери на стороне водителя. Обогрев зеркала включается выключателем обогрева заднего стекла.

Внутреннее зеркало заднего вида

Зеркало заднего вида вращается на шаровом шарнире. Это зеркало можно вручную перемещать вверх/вниз и влево/вправо.

Складываемое зеркало

Система складывания зеркал автоматически складывает зеркала в стояночное положение.


На предыдущую страницуНа следующую страницу
https://vnx.su/ 🛠 Руководства по ремонту и эксплуатации для автомобилей

Поиск по сайту

Остались вопросы или пожелания? Пишите на почту: support@vnx.su

Карта Сайта