К началу документа
Evanda
На предыдущую страницуНа следующую страницу
Главная страница GMDEЗагрузить нединамическое оглавлениеЗагрузить динамическое оглавлениеПомощь

ДИАГНОСТИКА КОДОВ НЕИСПРАВНОСТЕЙ

Таблица диагностических кодов неисправностей

Диагностический код неисправности
Описание
Индикация
Стандартные действия
p0562
Низкое напряжение бортовой сети
Загорается сигнализатор неисправностей
  • Контроллер КПП записывает в память рабочие условия на момент возникновения неисправности. Эта информация хранится в буфере записей о неисправностях.
  • С помощью гидравлической системы управления включается аварийный/замещающий режим и постоянная четвертая передача.
  • После выключения/включения зажигания: 3 передача с помощью гидравлического управления. Также возможны Р, R и N.
  • Отключается подача питания на электромагнитный клапан-регулятор давления eds.
p0563
Высокое напряжение бортовой сети
Загорается сигнализатор неисправностей
  • Контроллер КПП записывает в память рабочие условия на момент возникновения неисправности. Эта информация хранится в буфере записей о неисправностях.
  • С помощью гидравлической системы управления включается аварийный/замещающий режим и постоянная четвертая передача.
  • После выключения/включения зажигания: 3 передача с помощью гидравлического управления. Также возможны Р, R и N.
  • Отключается подача питания на электромагнитный клапан-регулятор давления eds.
p0601
Внутренний контроллер
Ошибка контрольной суммы памяти
Загорается сигнализатор неисправностей
  • Контроллер КПП записывает в память рабочие условия на момент возникновения неисправности. Эта информация хранится в буфере записей о неисправностях.
  • С помощью гидравлической системы управления включается аварийный/замещающий режим и постоянная четвертая передача.
  • После выключения/включения зажигания: 3 передача с помощью гидравлического управления Также возможны Р, r и n.
  • Отключается подача питания на электромагнитный клапан-регулятор давления eds.
p0603
  • Внутренняя ошибка
энергонезависимой
памяти (kam) контроллера
Загорается сигнализатор неисправностей
  • Контроллер КПП записывает рабочее состояние в момент сбоя диагностики. Эта информация хранится в буфере записей о неисправностях.
  • С помощью гидравлической системы управления включается аварийный/замещающий режим и постоянная четвертая передача.
  • После выключения/включения зажигания: 3 передача с помощью гидравлического управления. Также возможны Р, R и N.
  • Отключается подача питания на электромагнитный клапан-регулятор давления eds.
p0604
Внутренняя ошибка
оперативной памяти
(ОЗУ) контроллера
Загорается сигнализатор неисправностей
  • Контроллер КПП записывает в память рабочие условия на момент возникновения неисправности. Эта информация хранится в буфере записей о неисправностях.
  • С помощью гидравлической системы управления включается аварийный/замещающий режим и постоянная четвертая передача.
  • После выключения/включения зажигания: 3 передача с помощью гидравлического управления Также возможны Р, r и n.
  • Отключается подача питания на электромагнитный клапан-регулятор давления eds.
p0606
  • Неисправность процессора контроллера КПП
Загорается сигнализатор неисправностей
  • Контроллер КПП записывает в память рабочие условия на момент возникновения неисправности. Эта информация хранится в буфере записей о неисправностях.
  • С помощью гидравлической системы управления включается аварийный/замещающий режим и постоянная четвертая передача.
  • После выключения/включения зажигания: 3 передача с помощью гидравлического управления. Также возможны Р, R и N.
  • Отключается подача питания на электромагнитный клапан-регулятор давления eds.
p0703
Неисправность цепи выключателя тормоза
Неисправность
Без изменений
  • Контроллер КПП предполагает, что фонари стоп-сигнала постоянно включены.
  • Блокировочная муфта размыкается.
p0705
Датчик диапазона КПП, неисправность цепи (входной сигнал prndl)
Загорается сигнализатор неисправностей
  • Контроллер КПП записывает в память рабочие условия на момент возникновения неисправности. Эта информация хранится в буфере записей о неисправностях.
  • С помощью гидравлической системы управления включается аварийный/замещающий режим и постоянная четвертая передача.
  • После выключения/включения зажигания: третья передача с помощью гидравлического управления, также возможны положения p, r и n.
p0710
  • Датчик температуры рабочей жидкости КПП, неисправность цепи
Мигает лампа "HOLD"
  • Контроллер КПП записывает в память рабочие условия на момент возникновения неисправности. Эта информация хранится в буфере записей о неисправностях.
  • Контроллер КПП принимает температуру рабочей жидкости КПП равной 140°Ф (60°c).
  • На ходовые качества автомобиля не влияет.
p0715
  • Неисправность цепи датчика скорости первичного вала
Загорается сигнализатор неисправностей
  • Контроллер КПП записывает в память рабочие условия на момент возникновения неисправности. Эта информация хранится в буфере записей о неисправностях.
  • С помощью гидравлической системы управления включается аварийный/замещающий режим и постоянная четвертая передача.
  • После выключения/включения зажигания: третья передача с помощью гидравлического управления, также возможны положения p, r и n.
  • Блокировочная муфта размыкается.
p0716
  • Датчик скорости первичного вала, выход за пределы диапазона/рабочих характеристик
Загорается сигнализатор неисправностей
  • Контроллер КПП записывает в память рабочие условия на момент возникновения неисправности. Эта информация хранится в буфере записей о неисправностях.
  • С помощью гидравлической системы управления включается аварийный/замещающий режим и постоянная четвертая передача.
  • После выключения/включения зажигания: третья передача с помощью гидравлического управления, также возможны положения p, r и n.
  • Блокировочная муфта размыкается.
p0717
  • Датчик скорости первичного вала, выход за пределы диапазона/рабочих характеристик
Загорается сигнализатор неисправностей
  • Контроллер КПП записывает в память рабочие условия на момент возникновения неисправности. Эта информация хранится в буфере записей о неисправностях.
  • С помощью гидравлической системы управления включается аварийный/замещающий режим и постоянная четвертая передача.
  • После выключения/включения зажигания: третья передача с помощью гидравлического управления, также возможны положения p, r и n.
  • Блокировочная муфта размыкается.
p0720
Неисправность цепи датчика скорости вторичного вала
Загорается сигнализатор неисправностей
  • Контроллер КПП записывает в память рабочие условия на момент возникновения неисправности. Эта информация хранится в буфере записей о неисправностях.
  • Включается аварийный/замещающий режим и постоянная 4-я передача.
  • Блокировочная муфта размыкается.
p0721
Датчик скорости вторичного вала, выход за пределы диапазона/рабочих характеристик
Загорается сигнализатор неисправностей
  • Контроллер КПП записывает в память рабочие условия на момент возникновения неисправности. Эта информация хранится в буфере записей о неисправностях.
  • Включается аварийный/замещающий режим и постоянная 4-я передача.
  • Блокировочная муфта размыкается.
p0722
  • Отсутствует сигнал в цепи датчика скорости вторичного вала
Загорается сигнализатор неисправностей
  • Контроллер КПП записывает в память рабочие условия на момент возникновения неисправности. Эта информация хранится в буфере записей о неисправностях.
  • Автомобиль продолжает движение на выбранной передаче.
  • Блокировочная муфта размыкается.
p0725
  • Неисправность входной цепи частоты вращения коленчатого вала
Без изменений
  • Включается аварийный/замещающий режим и постоянная 4-я передача.
  • Блокировочная муфта размыкается.
p0726
  • Входная цепь частоты вращения коленчатого вала, выход за пределы диапазона/рабочих характеристик
Мигает лампа "HOLD"
  • Контроллер КПП записывает в память рабочие условия на момент возникновения неисправности. Эта информация хранится в буфере записей о неисправностях.
  • Включается аварийный/замещающий режим и постоянная 4-я передача.
  • Блокировочная муфта размыкается.
p0727
  • Отсутствует сигнал входной цепи частоты вращения коленчатого вала
Мигает лампа "HOLD"
  • Контроллер КПП записывает в память рабочие условия на момент возникновения неисправности. Эта информация хранится в буфере записей о неисправностях.
  • Включается аварийный/замещающий режим и постоянная 4-я передача.
  • Блокировочная муфта размыкается.
p0731
  • Неправильное передаточное число 1-й передачи
Загорается сигнализатор неисправностей
  • Контроллер КПП записывает в память рабочие условия на момент возникновения неисправности. Эта информация хранится в буфере записей о неисправностях.
  • Включается аварийный/замещающий режим и постоянная 4-я передача.
  • Высокое магистральное давление
p0732
  • Неправильное передаточное число 2-й передачи
Загорается сигнализатор неисправностей
  • Контроллер КПП записывает в память рабочие условия на момент возникновения неисправности. Эта информация хранится в буфере записей о неисправностях.
  • Включается аварийный/замещающий режим и постоянная 3-я передача.
  • Высокое магистральное давление.
p0733
  • Неправильное передаточное число 3-й передачи
Загорается сигнализатор неисправностей
  • Контроллер КПП записывает в память рабочие условия на момент возникновения неисправности. Эта информация хранится в буфере записей о неисправностях.
  • Включается аварийный/замещающий режим и постоянная 4-я передача.
  • Высокое магистральное давление
p0734
  • Неправильное передаточное число 4-й передачи
Загорается сигнализатор неисправностей
  • Контроллер КПП записывает в память рабочие условия на момент возникновения неисправности. Эта информация хранится в буфере записей о неисправностях.
  • С помощью гидравлической системы управления включается аварийный/замещающий режим и постоянная четвертая передача.
  • После выключения/включения зажигания: 3 передача с помощью гидравлического управления Также возможны Р, r и n.
  • Высокое магистральное давление.
p0781
  • Неисправность переключения передач 1-2
Загорается сигнализатор неисправностей
  • Контроллер КПП записывает в память рабочие условия на момент возникновения неисправности. Эта информация хранится в буфере записей о неисправностях.
  • Включается аварийный/замещающий режим и постоянная 1-я передача.
  • Блокировочная муфта размыкается.
p0782
  • Неисправность переключения передач 2-3
Загорается сигнализатор неисправностей
  • Контроллер КПП записывает в память рабочие условия на момент возникновения неисправности. Эта информация хранится в буфере записей о неисправностях.
  • Включается аварийный/замещающий режим и постоянная 2-я передача.
  • Блокировочная муфта размыкается.
p0783
  • Неисправность переключения передач 3-4
Загорается сигнализатор неисправностей
  • Контроллер КПП записывает в память рабочие условия на момент возникновения неисправности. Эта информация хранится в буфере записей о неисправностях.
  • Включается аварийный/замещающий режим и постоянная 3-я передача.
  • Блокировочная муфта размыкается.
p1604
  • Проверка данных внутреннего и расширенного ОЗУ не выполнена
Загорается сигнализатор неисправностей
  • Контроллер КПП записывает в память рабочие условия на момент возникновения неисправности. Эта информация хранится в буфере записей о неисправностях.
  • С помощью гидравлической системы управления включается аварийный/замещающий режим и постоянная четвертая передача.
  • После выключения/включения зажигания: 3 передача с помощью гидравлического управления Также возможны Р, r и n.
  • Отключается подача питания на электромагнитный клапан-регулятор давления eds.
p1606
  • Неисправность внешней сторожевой схемы
Загорается сигнализатор неисправностей
  • Контроллер КПП записывает в память рабочие условия на момент возникновения неисправности. Эта информация хранится в буфере записей о неисправностях.
  • С помощью гидравлической системы управления включается аварийный/замещающий режим и постоянная четвертая передача.
  • После выключения/включения зажигания: 3 передача с помощью гидравлического управления. Также возможны Р, R и N.
  • Отключается подача питания на электромагнитный клапан-регулятор давления eds.
p1671
Ошибка передачи сообщения по шине can
Загорается сигнализатор неисправностей
  • Контроллер КПП записывает в память рабочие условия на момент возникновения неисправности. Эта информация хранится в буфере записей о неисправностях.
  • С помощью гидравлической системы управления включается аварийный/замещающий режим и постоянная четвертая передача.
  • После выключения/включения зажигания: 3 передача с помощью гидравлического управления Также возможны Р, r и n.
p1672
Неисправность отключения шины can
Загорается сигнализатор неисправностей
  • Контроллер КПП записывает в память рабочие условия на момент возникновения неисправности. Эта информация хранится в буфере записей о неисправностях.
  • С помощью гидравлической системы управления включается аварийный/замещающий режим и постоянная четвертая передача.
  • После выключения/включения зажигания: 3 передача с помощью гидравлического управления Также возможны Р, r и n.
p1673
Ошибка приема сообщения контроллера по шине can
Загорается сигнализатор неисправностей
  • Контроллер КПП записывает рабочее состояние в момент сбоя диагностики. Эта информация хранится в буфере записей о неисправностях.
  • С помощью гидравлической системы управления включается аварийный/замещающий режим и постоянная четвертая передача.
  • После выключения/включения зажигания: 3 передача с помощью гидравлического управления Также возможны Р, r и n.
p1839
Короткое замыкание выхода eds3 на массу
Загорается сигнализатор неисправностей
  • Контроллер КПП записывает в память рабочие условия на момент возникновения неисправности. Эта информация хранится в буфере записей о неисправностях.
  • С помощью гидравлической системы управления включается аварийный/замещающий режим и постоянная четвертая передача.
  • После выключения/включения зажигания: 3 передача с помощью гидравлического управления. Также возможны Р, R и N.
  • Отключается подача питания на электромагнитный клапан-регулятор давления eds.
p1840
  • Короткое замыкание выхода eds3 на напряжение питания
Загорается сигнализатор неисправностей
  • Контроллер КПП записывает в память рабочие условия на момент возникновения неисправности. Эта информация хранится в буфере записей о неисправностях.
  • С помощью гидравлической системы управления включается аварийный/замещающий режим и постоянная четвертая передача.
  • После выключения/включения зажигания: 3 передача с помощью гидравлического управления. Также возможны Р, R и N.
  • Отключается подача питания на электромагнитный клапан-регулятор давления eds.
p1841
Обрыв выхода eds3
Загорается сигнализатор неисправностей
  • Контроллер КПП записывает в память рабочие условия на момент возникновения неисправности. Эта информация хранится в буфере записей о неисправностях.
  • С помощью гидравлической системы управления включается аварийный/замещающий режим и постоянная четвертая передача.
  • После выключения/включения зажигания: 3 передача с помощью гидравлического управления. Также возможны Р, R и N.
  • Отключается подача питания на электромагнитный клапан-регулятор давления eds.
p1850
Короткое замыкание выхода соленоида 1 на массу
Мигает лампа "HOLD"
  • Контроллер КПП записывает в память рабочие условия на момент возникновения неисправности. Эта информация хранится в буфере записей о неисправностях.
  • С помощью гидравлической системы управления включается аварийный/замещающий режим и постоянная четвертая передача.
  • После выключения/включения зажигания: 3 передача с помощью гидравлического управления Также возможны Р, r и n.
p1851
Короткое замыкание выхода соленоида 1 на напряжение питания
Мигает лампа "HOLD"
  • Замигает лампа "HOLD".
  • Контроллер КПП записывает в память рабочие условия на момент возникновения неисправности. Эта информация хранится в буфере записей о неисправностях.
p1852
Обрыв выхода соленоида 1
Мигает лампа "HOLD"
  • Контроллер КПП записывает в память рабочие условия на момент возникновения неисправности. Эта информация хранится в буфере записей о неисправностях.
  • С помощью гидравлической системы управления включается аварийный/замещающий режим и постоянная четвертая передача.
  • После выключения/включения зажигания: 3 передача с помощью гидравлического управления Также возможны Р, r и n.
p1853
Короткое замыкание выхода соленоида 2 на массу
Загорается сигнализатор неисправностей
  • Контроллер КПП записывает в память рабочие условия на момент возникновения неисправности. Эта информация хранится в буфере записей о неисправностях.
  • С помощью гидравлической системы управления включается аварийный/замещающий режим и постоянная четвертая передача.
  • После выключения/включения зажигания: 3 передача с помощью гидравлического управления Также возможны Р, r и n.
p1854
Короткое замыкание выхода соленоида 2 на напряжение питания
Загорается сигнализатор неисправностей
  • Контроллер КПП записывает в память рабочие условия на момент возникновения неисправности. Эта информация хранится в буфере записей о неисправностях.
  • С помощью гидравлической системы управления включается аварийный/замещающий режим и постоянная четвертая передача.
  • После выключения/включения зажигания: 3 передача с помощью гидравлического управления Также возможны Р, r и n.
p1855
Обрыв выхода соленоида 2
Загорается сигнализатор неисправностей
  • Контроллер КПП записывает в память рабочие условия на момент возникновения неисправности. Эта информация хранится в буфере записей о неисправностях.
  • С помощью гидравлической системы управления включается аварийный/замещающий режим и постоянная четвертая передача.
  • После выключения/включения зажигания: 3 передача с помощью гидравлического управления Также возможны Р, r и n.
p1861
  • Короткое замыкание выхода eds4 на массу
Загорается сигнализатор неисправностей
  • Контроллер КПП записывает в память рабочие условия на момент возникновения неисправности. Эта информация хранится в буфере записей о неисправностях.
  • С помощью гидравлической системы управления включается аварийный/замещающий режим и постоянная четвертая передача.
  • После выключения/включения зажигания: 3 передача с помощью гидравлического управления. Также возможны Р, R и N.
  • Отключается подача питания на электромагнитный клапан-регулятор давления eds.
p1862
  • Короткое замыкание выхода eds4 на напряжение питания
Загорается сигнализатор неисправностей
  • Контроллер КПП записывает в память рабочие условия на момент возникновения неисправности. Эта информация хранится в буфере записей о неисправностях.
  • С помощью гидравлической системы управления включается аварийный/замещающий режим и постоянная четвертая передача.
  • После выключения/включения зажигания: 3 передача с помощью гидравлического управления. Также возможны Р, R и N.
  • Отключается подача питания на электромагнитный клапан-регулятор давления eds.
p1863
Обрыв выхода eds4
Загорается сигнализатор неисправностей
  • Контроллер КПП записывает в память рабочие условия на момент возникновения неисправности. Эта информация хранится в буфере записей о неисправностях.
  • С помощью гидравлической системы управления включается аварийный/замещающий режим и постоянная четвертая передача.
  • После выключения/включения зажигания: 3 передача с помощью гидравлического управления. Также возможны Р, R и N.
  • Отключается подача питания на электромагнитный клапан-регулятор давления eds.
p1864
Короткое замыкание выхода eds5 на массу
Загорается сигнализатор неисправностей
  • Контроллер КПП записывает в память рабочие условия на момент возникновения неисправности. Эта информация хранится в буфере записей о неисправностях.
  • С помощью гидравлической системы управления включается аварийный/замещающий режим и постоянная четвертая передача.
  • После выключения/включения зажигания: 3 передача с помощью гидравлического управления. Также возможны Р, R и N.
  • Отключается подача питания на электромагнитный клапан-регулятор давления eds.
p1865
Короткое замыкание выхода eds5 на напряжение питания
Загорается сигнализатор неисправностей
  • Контроллер КПП записывает в память рабочие условия на момент возникновения неисправности. Эта информация хранится в буфере записей о неисправностях.
  • С помощью гидравлической системы управления включается аварийный/замещающий режим и постоянная четвертая передача.
  • После выключения/включения зажигания: 3 передача с помощью гидравлического управления. Также возможны Р, R и N.
  • Отключается подача питания на электромагнитный клапан-регулятор давления eds.
p1866
Обрыв выхода eds5
Загорается сигнализатор неисправностей
  • Контроллер КПП записывает в память рабочие условия на момент возникновения неисправности. Эта информация хранится в буфере записей о неисправностях.
  • С помощью гидравлической системы управления включается аварийный/замещающий режим и постоянная четвертая передача.
  • После выключения/включения зажигания: 3 передача с помощью гидравлического управления. Также возможны Р, R и N.
  • Отключается подача питания на электромагнитный клапан-регулятор давления eds.
p1867
Короткое замыкание выхода eds6 на массу
Загорается сигнализатор неисправностей
  • Контроллер КПП записывает в память рабочие условия на момент возникновения неисправности. Эта информация хранится в буфере записей о неисправностях.
  • С помощью гидравлической системы управления включается аварийный/замещающий режим и постоянная четвертая передача.
  • После выключения/включения зажигания: 3 передача с помощью гидравлического управления. Также возможны Р, R и N.
  • Отключается подача питания на электромагнитный клапан-регулятор давления eds.
p1868
  • Короткое замыкание выхода eds6 на напряжение питания
Загорается сигнализатор неисправностей
  • Контроллер КПП записывает в память рабочие условия на момент возникновения неисправности. Эта информация хранится в буфере записей о неисправностях.
  • С помощью гидравлической системы управления включается аварийный/замещающий режим и постоянная четвертая передача.
  • После выключения/включения зажигания: 3 передача с помощью гидравлического управления. Также возможны Р, R и N.
  • Отключается подача питания на электромагнитный клапан-регулятор давления eds.
p1869
Обрыв выхода eds6
Загорается сигнализатор неисправностей
  • Контроллер КПП записывает в память рабочие условия на момент возникновения неисправности. Эта информация хранится в буфере записей о неисправностях.
  • С помощью гидравлической системы управления включается аварийный/замещающий режим и постоянная четвертая передача.
  • После выключения/включения зажигания: 3 передача с помощью гидравлического управления. Также возможны Р, R и N.
  • Отключается подача питания на электромагнитный клапан-регулятор давления eds.
p1871
  • Короткое замыкание цепи электропитания клапана eds на напряжение питания
Загорается сигнализатор неисправностей
  • Контроллер КПП записывает в память рабочие условия на момент возникновения неисправности. Эта информация хранится в буфере записей о неисправностях.
  • С помощью гидравлической системы управления включается аварийный/замещающий режим и постоянная четвертая передача.
  • После выключения/включения зажигания: 3 передача с помощью гидравлического управления. Также возможны Р, R и N.
  • Отключается подача питания на электромагнитный клапан-регулятор давления eds.
p1874
  • Короткое замыкание цепи питания электромагнитного клапана на напряжение питания
Загорается сигнализатор неисправностей
  • Контроллер КПП записывает в память рабочие условия на момент возникновения неисправности. Эта информация хранится в буфере записей о неисправностях.
  • С помощью гидравлической системы управления включается аварийный/замещающий режим и постоянная четвертая передача.
  • После выключения/включения зажигания: 3 передача с помощью гидравлического управления Также возможны Р, r и n.
p1881
Неисправность переключения передач 2-1
Загорается сигнализатор неисправностей
  • Контроллер КПП записывает в память рабочие условия на момент возникновения неисправности. Эта информация хранится в буфере записей о неисправностях.
  • Включается аварийный/замещающий режим и постоянная 3-я передача.
  • Блокировочная муфта размыкается.
p1883
  • Неисправность переключения передач 3-2
Загорается сигнализатор неисправностей
  • Контроллер КПП записывает в память рабочие условия на момент возникновения неисправности. Эта информация хранится в буфере записей о неисправностях.
  • Включается аварийный/замещающий режим и постоянная 3-я передача.
  • Блокировочная муфта размыкается.
p1884
Неисправность переключения передач 4-3
Загорается сигнализатор неисправностей
  • Контроллер КПП записывает в память рабочие условия на момент возникновения неисправности. Эта информация хранится в буфере записей о неисправностях.
  • Включается аварийный/замещающий режим и постоянная 4-я передача.
  • Блокировочная муфта размыкается.
p1885
  • Неисправность переключения передач 3-1
Загорается сигнализатор неисправностей
  • Контроллер КПП записывает в память рабочие условия на момент возникновения неисправности. Эта информация хранится в буфере записей о неисправностях.
  • Включается аварийный/замещающий режим и постоянная 3-я передача.
  • Блокировочная муфта размыкается.
p1886
  • Неисправность переключения передач 4-2
Загорается сигнализатор неисправностей
  • Контроллер КПП записывает в память рабочие условия на момент возникновения неисправности. Эта информация хранится в буфере записей о неисправностях.
  • Включается аварийный/замещающий режим и постоянная 4-я передача.
  • Блокировочная муфта размыкается.

V6B15A03
Показать иллюстрациюПеревод текста в иллюстрациях


Код p0562

Низкое напряжение бортовой сети

Описание схемы

Контроллер КПП является электронным устройством, который обрабатывает поступающие к нему сигналы датчиков, в том числе о качестве переключения, и управляет работой КПП по специальному алгоритму. На основе данных, передаваемых датчиками, контроллер управляет различными исполнительными механизмами.

Условия занесения кода неисправности

Действия при занесении кода неисправности

Условия очистки кода неисправности

Диагностическая информация

Код p0562 - Низкое напряжение бортовой сети

ШагОперацияЗначенияДаНет
1
Выполнить проверку системы бортовой диагностики.
Проверка завершена?
-
Перейти к Шагу 2
Перейти к пункту "Проверка системы бортовой диагностики"
2
  1. Подключить диагностический прибор.
  2. Включить зажигание, записать, а затем удалить код(ы) неисправности (~ей) и выключить зажигание.
  3. Включить зажигание и запустить двигатель.
  4. Разогнать двигатель до 1200 мин-1.
  5. В диагностическом приборе выбрать напряжение бортовой сети.
  6. Проехать на автомобиле и пронаблюдать индикацию напряжения в бортовой сети с помощью диагностического прибора.
Напряжение находится в указанном диапазоне?
9-16 В
Перейти к Шагу 4
Перейти к Шагу 3
3
  1. Отсоединить провод от отрицательного вывода аккумуляторной батареи.
  2. На аккумуляторе измерить его напряжение.
Напряжение находится в указанном диапазоне?
9-16 В
Перейти к Шагу 4
Перейти к "Разделу 1Е, Электрооборудование двигателя"
4
  1. Включить фары.
  2. Включить кондиционер.
  3. Разогнать двигатель до 1200 мин-1.
  4. Проверить напряжение в бортовой сети с помощью диагностического прибора.
Напряжение находится в указанном диапазоне?
9-16 В
Перейти к Шагу 6
Перейти к Шагу 5
5
  1. Выключить зажигание.
  2. При необходимости после проверки системы зарядки автомобиля восстановить цепь генератора.
Действие завершено?
-
Система исправна
-
6
При перегоревших предохранителях f10 и ef30 пуск двигателя невозможен.
Неисправность обнаружена?
-
Перейти к Шагу 7
Перейти к Шагу 8
7
Заменить предохранитель.
Замена завершена?
-
Система исправна
-
8
  1. Включить зажигание.
  2. Измерить напряжение на предохранителях f10 и ef30.
Напряжение находится в указанном диапазоне?
9-16 В
Перейти к Шагу 10
Перейти к Шагу 9
9
Устранить разрыв цепей питания, защищенных предохранителями.
Действие завершено?
-
Система исправна
-
10
  1. Выключить зажигание.
  2. Отсоединить электрический разъем контроллера КПП.
  3. Измерить сопротивление между предохранителем ef30 и контактом b3 электрического разъема контроллера КПП.
Измеренное сопротивление находится в указанном диапазоне?
≈ 0 Ом
Перейти к Шагу 12
Перейти к Шагу 11
11
Устранить замыкание на землю или разрыв цепи между ef30 и контактом В3.
Ремонт закончен?
-
Система исправна
-
12
  1. Разъединить разъем c103 и разъем контроллера КПП.
  2. Включить зажигание.
  3. Измерить напряжение на контакте b3 (электрического разъема жгута контроллера КПП).
Напряжение находится в указанном диапазоне?
9-16 В
Перейти к Шагу 13
Перейти к Шагу 14
13
Устранить замыкание на напряжение цепи между ef30 и контактом В3 разъема контроллера КПП.
Ремонт закончен?
-
Система исправна
-
14
  1. Выключить зажигание.
  2. Разъединить разъем c202.
  3. Измерить сопротивление между предохранителем f10 и контактом С15 или С16 электрического разъема контроллера КПП.
Измеренное сопротивление находится в указанном диапазоне?
≈ 0 Ом
Перейти к Шагу 16
Перейти к Шагу 15
15
Устранить замыкание на землю или разрыв цепи между f10 и контактом c15 или c16.
Ремонт закончен?
-
Система исправна
-
16
  1. Включить зажигание.
  2. Измерить напряжение на контакте c15 или c16 (электрического разъема жгута контроллера КПП).
Напряжение находится в указанном диапазоне?
9-16 В
Перейти к Шагу 17
Перейти к Шагу 18
17
Устранить замыкание на напряжение цепи между f10 и контактом С15 или С16.
Ремонт закончен?
-
Система исправна
-
18
  1. Проверить надежность соединения жгута КПП с электрическим разъемом КПП.
  2. Убедиться в отсутствии деформации или повреждения контактов.
  3. Убедиться в отсутствии слабого натяжения контактов.
Неисправность обнаружена?
-
Проверить исправность после ремонта и перейти к Шагу 1
Перейти к Шагу 19
19
Заменить контроллер КПП.
Замена завершена?
-
Перейти к Шагу 20
-
20
  1. После окончания ремонта выбрать команду "clear info" ("очистить данные") на диагностическом приборе и провести дорожное испытание автомобиля.
  2. Просмотреть информацию о кодах ("DTC info").
Последнее испытание прошло неудачно или отображается текущий код?
-
Начать диагностику заново
Неисправность устранена. Закончить проверку по таблице.

V6B15A03
Показать иллюстрациюПеревод текста в иллюстрациях


Код p0563

Высокое напряжение бортовой сети

Описание схемы

Контроллер КПП является электронным устройством, который обрабатывает поступающие к нему сигналы датчиков, в том числе о качестве переключения, и управляет работой КПП по специальному алгоритму. На основе данных, передаваемых датчиками, контроллер управляет различными исполнительными механизмами.

Условия занесения кода неисправности

Действия при занесении кода неисправности

Условия очистки кода неисправности/выключения индикатора неисправности

Код p0563 - Высокое напряжение бортовой сети

ШагОперацияЗначенияДаНет
1
Выполнить проверку системы бортовой диагностики.
Проверка завершена?
-
Перейти к Шагу 2
Перейти к пункту "Проверка системы бортовой диагностики"
2
  1. Подключить диагностический прибор.
  2. Включить зажигание, записать, а затем удалить код(ы) неисправности (~ей) и выключить зажигание.
  3. Включить зажигание и запустить двигатель.
  4. Разогнать двигатель до 1200 мин-1.
  5. В диагностическом приборе выбрать напряжение бортовой сети.
  6. Проехать на автомобиле и пронаблюдать индикацию напряжения в бортовой сети с помощью диагностического прибора.
Напряжение находится в указанном диапазоне?
9-16 В
Перейти к Шагу 4
Перейти к Шагу 3
3
  1. Отсоединить провод от отрицательного вывода аккумуляторной батареи.
  2. Измерить напряжение аккумулятора.
Напряжение находится в указанном диапазоне?
9-16 В
Перейти к Шагу 4
Перейти к "Разделу 1Е, Электрооборудование двигателя"
4
  1. Включить фары.
  2. Включить кондиционер.
  3. Разогнать двигатель до 1200 мин-1.
  4. Проверить напряжение в бортовой сети с помощью диагностического прибора.
Напряжение находится в указанном диапазоне?
9-16 В
Перейти к Шагу 6
Перейти к Шагу 5
5
  1. Выключить зажигание.
  2. При необходимости после проверки системы зарядки автомобиля восстановить цепь генератора.
Действие завершено?
-
Система исправна
-
6
Проверить целостность предохранителей f10, ef30.
Неисправность обнаружена?
-
Перейти к Шагу 7
Перейти к Шагу 8
7
При необходимости заменить предохранители.
Замена завершена?
-
Система исправна
-
8
  1. Включить зажигание.
  2. Измерить напряжение на предохранителях f10 и ef30.
Напряжение находится в указанном диапазоне?
9-16 В
Перейти к Шагу 10
Перейти к Шагу 9
9
Устранить разрыв цепей питания, защищенных предохранителями.
Ремонт закончен?
-
Система исправна
-
10
  1. Выключить зажигание.
  2. Отсоединить электрический разъем контроллера КПП.
  3. Измерить сопротивление между предохранителем ef30 и контактом b3 электрического разъема контроллера КПП.
Измеренное сопротивление находится в указанном диапазоне?
≈ 0 Ом
Перейти к Шагу 12
Перейти к Шагу 11
11
Устранить замыкание на землю или разрыв цепи между ef30 и контактом b3.
Ремонт закончен?
-
Система исправна
-
12
  1. Разъединить разъем c103 и разъем контроллера КПП.
  2. Включить зажигание.
  3. Измерить напряжение на контакте b3 (электрического разъема жгута контроллера КПП).
Напряжение находится в указанном диапазоне?
9-16 В
Перейти к Шагу 13
Перейти к Шагу 14
13
Устранить замыкание на напряжение цепи между ef30 и контактом В3 разъема контроллера КПП.
Ремонт закончен?
-
Система исправна
-
14
  1. Выключить зажигание.
  2. Разъединить разъем c202.
  3. Измерить сопротивление между предохранителем f10 и контактом С15 или С16 электрического разъема контроллера КПП.
Измеренное сопротивление находится в указанном диапазоне?
≈ 0 Ом
Перейти к Шагу 15
Перейти к Шагу 15
15
Устранить замыкание на землю или разрыв цепи между f10 и контактом c15 или c16.
Ремонт закончен?
-
Система исправна
-
16
  1. Включить зажигание.
  2. Измерить напряжение на контакте c15 или c16 (электрического разъема жгута контроллера КПП).
Напряжение находится в указанном диапазоне?
11-14В
Перейти к Шагу 17
Перейти к Шагу 18
17
Устранить замыкание на напряжение цепи между f10 и контактом С15 или С16.
Ремонт закончен?
-
Система исправна
-
18
  1. Проверить надежность соединения жгута КПП с электрическим разъемом КПП.
  2. Убедиться в отсутствии деформации или повреждения контактов.
  3. Убедиться в отсутствии слабого натяжения контактов.
Неисправность обнаружена?
-
Проверить исправность после ремонта и перейти к Шагу 1
Перейти к Шагу 19
19
Заменить контроллер КПП.
Замена завершена?
-
Перейти к Шагу 20
-
20
  1. После окончания ремонта выбрать команду "clear info" ("очистить данные") на диагностическом приборе и провести дорожное испытание автомобиля.
  2. Просмотреть информацию о кодах ("DTC info").
Последнее испытание прошло неудачно или отображается текущий код?
-
Начать диагностику заново
Неисправность устранена. Закончить проверку по таблице.

V6B15A03
Показать иллюстрациюПеревод текста в иллюстрациях


Код p0601

Контроллер, ошибка контрольной суммы

Описание схемы

Стандартной операцией, выполняемой контроллером КПП, является внутренняя проверка ОЗУ.
Код Р0601 заносится в случае возникновения ошибки при инициализации оперативной памяти. Область памяти ОЗУ не проходит тест записи-чтения.

Условия занесения кода неисправности

Действия при занесении кода неисправности

Условия очистки кода неисправности/выключения индикатора неисправности

Диагностическая информация

Код p0601 - Внутренняя ошибка контрольной суммы памяти контроллера

ШагОперацияЗначенияДаНет
1
Выполнить проверку системы бортовой диагностики.
Проверка завершена?
-
Перейти к Шагу 2
Перейти к пункту "Проверка системы бортовой диагностики"
2
  1. Подключить диагностический прибор.
  2. Включить зажигание при выключенном двигателе.
Появляется ли на дисплее Р0601?
-
Перейти к Шагу 3
Перейти к пункту "Диагностическая информация"
3
  1. Выключить зажигание.
  2. Заменить контроллер КПП.
Действие завершено?
-
Перейти к Шагу 4
-
4
  1. С помощью диагностического прибора очистить коды неисправностей.
  2. Провести дорожные испытания автомобиля с условиями для появления данного кода неисправности, как описано в тексте.
Появляется ли на дисплее диагностического прибора сообщение о том, что проверка была выполнена успешно?
-
Перейти к Шагу 5
Перейти к Шагу 2
5
  1. Проверить наличие кодов неисправности.
  2. Выявлены ли коды неисправностей, которые еще не диагностировались?
-
Перейти к таблице соответствующего кода
Система исправна

V6B15A03
Показать иллюстрациюПеревод текста в иллюстрациях


Код p0603

Внутренняя ошибка энергонезависимой памяти (kam) контроллера

Описание схемы

Стандартной операцией, выполняемой контроллером КПП, является внутренняя проверка энергонезависимой памяти (KAM).
Код Р0603 заносится в случае возникновения ошибки при инициализации оперативной памяти.
Область энергонезависимой памяти не проходит тест записи-чтения.

Условия занесения кода неисправности

Действия при занесении кода неисправности

Условия очистки кода неисправности/выключения индикатора неисправности

Диагностическая информация

Код p0603 - Внутренняя ошибка энергонезависимой памяти (kam) контроллера

ШагОперацияЗначенияДаНет
1
Выполнить проверку системы бортовой диагностики.
Проверка завершена?
-
Перейти к Шагу 2
Перейти к пункту "Проверка системы бортовой диагностики"
2
  1. Подключить диагностический прибор.
  2. Включить зажигание при выключенном двигателе.
Появляется ли на дисплее Р0603?
-
Перейти к Шагу 3
Перейти к пункту "Диагностическая информация"
3
  1. Выключить зажигание.
  2. Заменить контроллер КПП.
Замена завершена?
-
Перейти к Шагу 4
-
4
  1. С помощью диагностического прибора очистить коды неисправностей.
  2. Провести дорожные испытания автомобиля с условиями для появления данного кода неисправности, как описано в тексте.
Появляется ли на дисплее диагностического прибора сообщение о том, что проверка была выполнена успешно?
-
Перейти к Шагу 5
Перейти к Шагу 2
5
  1. Проверить наличие кодов неисправности.
  2. Выявлены ли коды неисправностей, которые еще не диагностировались?
-
Перейти к таблице соответствующего кода
Система исправна

V6B15A03
Показать иллюстрациюПеревод текста в иллюстрациях


Код p0604

Внутренняя ошибка оперативной памяти (ОЗУ) контроллера

Описание схемы

Стандартной операцией, выполняемой контроллером КПП, является внутренняя проверка ОЗУ.
Код Р0604 заносится в случае возникновения ошибки при инициализации оперативной памяти. Область памяти ОЗУ не проходит тест записи-чтения.

Условия занесения кода неисправности

Действия при занесении кода неисправности

Загорается сигнализатор неисправности.

Условия очистки кода неисправности/выключения индикатора неисправности

Диагностическая информация

Код p0604 - Внутренняя ошибка оперативной памяти (ОЗУ) контроллера

ШагОперацияЗначенияДаНет
1
Выполнить проверку системы бортовой диагностики.
Проверка завершена?
-
Перейти к Шагу 2
Перейти к пункту "Проверка системы бортовой диагностики"
2
  1. Подключить диагностический прибор.
  2. Включить зажигание при выключенном двигателе.
Появляется ли на дисплее Р0604?
-
Перейти к Шагу 3
Перейти к пункту "Диагностическая информация"
3
  1. Выключить зажигание.
  2. Заменить контроллер КПП.
Действие завершено?
-
Перейти к Шагу 4
-
4
  1. С помощью диагностического прибора очистить коды неисправностей.
  2. Провести дорожные испытания автомобиля с условиями для появления данного кода неисправности, как описано в тексте.
Появляется ли на дисплее диагностического прибора сообщение о том, что проверка была выполнена успешно?
-
Перейти к Шагу 5
Перейти к Шагу 2
5
  1. Проверить наличие кодов неисправности.
  2. Выявлены ли коды неисправностей, которые еще не диагностировались?
-
Перейти к таблице соответствующего кода
Система исправна

V6B15A03
Показать иллюстрациюПеревод текста в иллюстрациях


Код p0606

Неисправность процессора контроллера КПП

Описание схемы

В случае программной перезагрузки контролера КПП (мягкая перезагрузка), а не поворотом ключа зажигания в положение "Вкл." ("ON"), контроллер КПП увеличивает счетчик перезагрузки программного обеспечения на единицу. При превышении допустимого значения счетчика возникает код неисправности.

Условия занесения кода неисправности

Действия при занесении кода неисправности

Условия очистки кода неисправности/выключения индикатора неисправности

Код p0606 - Неисправность процессора контроллера коробки передач с главной передачей в сборе

ШагОперацияЗначенияДаНет
1
Выполнить проверку системы бортовой диагностики.
Проверка завершена?
-
Перейти к Шагу 2
Перейти к пункту "Проверка системы бортовой диагностики"
2
  1. Подключить диагностический прибор.
  2. Включить зажигание, записать, а затем удалить код(ы) неисправности (~ей) и выключить зажигание.
  3. Включить зажигание и запустить двигатель.
  4. Разогнать двигатель до 1200 мин-1.
  5. В диагностическом приборе выбрать напряжение бортовой сети.
  6. Проехать на автомобиле и пронаблюдать индикацию напряжения в бортовой сети с помощью диагностического прибора.
Напряжение находится в указанном диапазоне?
9-16 В
Перейти к Шагу 4
Перейти к Шагу 3
3
  1. Отсоединить провод от отрицательного вывода аккумуляторной батареи.
  2. На аккумуляторе измерить его напряжение.
Напряжение находится в указанном диапазоне?
9-16 В
Перейти к Шагу 4
Перейти к "Разделу 1Е, Электрооборудование двигателя"
4
  1. Включить фары.
  2. Включить кондиционер.
  3. Разогнать двигатель до 1200 мин-1.
  4. Проверить напряжение в бортовой сети с помощью диагностического прибора.
Напряжение находится в указанном диапазоне?
9-16 В
Перейти к Шагу 6
Перейти к Шагу 5
5
  1. Выключить зажигание.
  2. При необходимости после проверки системы зарядки автомобиля восстановить цепь генератора.
Действие завершено?
-
Система исправна
-
6
При перегоревших предохранителях f10 и ef30 пуск двигателя невозможен.
Неисправность обнаружена?
-
Перейти к Шагу 7
Перейти к Шагу 8
7
При необходимости заменить предохранители.
Замена завершена?
-
Система исправна
-
8
  1. Включить зажигание.
  2. Измерить напряжение на предохранителях f10 и ef30.
Напряжение находится в указанном диапазоне?
9-16 В
Перейти к Шагу 10
Перейти к Шагу 9
9
Устранить разрыв цепей питания, защищенных предохранителями.
Действие завершено?
-
Система исправна
-
10
  1. Выключить зажигание.
  2. Отсоединить электрический разъем контроллера КПП.
  3. Измерить сопротивление между предохранителем ef30 и контактом b3 электрического разъема контроллера КПП.
Измеренное сопротивление находится в указанном диапазоне?
≈ 0 Ом
Перейти к Шагу 12
Перейти к Шагу 11
11
Устранить замыкание на землю или разрыв цепи между ef30 и контактом В3.
Ремонт закончен?
-
Система исправна
-
12
  1. Разъединить разъем c103 и разъем контроллера КПП.
  2. Включить зажигание.
  3. Измерить напряжение на контакте b3 (электрического разъема жгута контроллера КПП).
Напряжение находится в указанном диапазоне?
9-16 В
Перейти к Шагу 13
Перейти к Шагу 14
13
Устранить замыкание на напряжение цепи между ef30 и контактом В3 разъема контроллера КПП.
Ремонт закончен?
-
Система исправна
-
14
  1. Выключить зажигание.
  2. Разъединить разъем c202.
  3. Измерить сопротивление между предохранителем f10 и контактом С15 или С16 электрического разъема контроллера КПП.
Измеренное сопротивление находится в указанном диапазоне?
≈ 0 Ом
Перейти к Шагу 16
Перейти к Шагу 15
15
Устранить замыкание на землю или разрыв цепи между f10 и контактом c15 или c16.
Ремонт закончен?
-
Система исправна
-
16
  1. Включить зажигание.
  2. Измерить напряжение на контакте c15 или c16 (электрического разъема жгута контроллера КПП).
Напряжение находится в указанном диапазоне?
9-16 В
Перейти к Шагу 17
Перейти к Шагу 18
17
Устранить замыкание на напряжение цепи между f10 и контактом С15 или С16.
Ремонт закончен?
-
Система исправна
-
18
  1. Проверить надежность соединения жгута КПП с электрическим разъемом КПП.
  2. Убедиться в отсутствии деформации или повреждения контактов.
  3. Убедиться в отсутствии слабого натяжения контактов.
Неисправность обнаружена?
-
Проверить исправность после ремонта и перейти к Шагу 1
Перейти к Шагу 19
19
Заменить контроллер КПП.
Замена завершена?
-
Перейти к Шагу 20
-
20
  1. После окончания ремонта выбрать команду "clear info" ("очистить данные") на диагностическом приборе и провести дорожное испытание автомобиля.
  2. Просмотреть информацию о кодах ("DTC info").
Последнее испытание прошло неудачно или отображается текущий код?
-
Начать диагностику заново
Неисправность устранена. Закончить проверку по таблице.

V6B15A04
Показать иллюстрациюПеревод текста в иллюстрациях


Код p0703

Неисправность цепи выключателя тормоза

Описание схемы

Выключатель тормоза используется для информирования контроллера КПП о состоянии педали тормоза. В нормальном состоянии переключатель разомкнут. При нажатии педали тормоза контакты выключателя замыкаются и на контроллер КПП подается электрический сигнал. При отпускании педали подача сигнала прерывается.
Данный код неисправности сохраняется при запуске. Если после пуска контроллер КПП получает сигнал от выключателя тормоза, в памяти сохраняется код неисправности.

Условия занесения кода неисправности

Действия при занесении кода неисправности

Условия очистки кода неисправности/выключения индикатора неисправности

Диагностическая информация

Код p0703 - Неисправность цепи выключателя тормоза

ШагОперацияЗначенияДаНет
1
Выполнить проверку системы бортовой диагностики.
Проверка завершена?
-
Перейти к Шагу 2
Перейти к пункту "Проверка системы бортовой диагностики"
2
  1. Подключить диагностический прибор.
  2. Включить зажигание.
  3. Записать, затем стереть коды неисправности.
  4. На экране диагностического прибора открыть окно данных КПП.
  5. Отсоединить электрический разъем выключателя тормоза.
  6. Поменялся ли статус выключателя тормоза с "вкл" на "выкл"?
-
Перейти к Шагу 3
Перейти к Шагу 4
3
  1. Заменить выключатель тормоза.
  2. См. инструкции по замене тормоза.
  3. Выключить и включить зажигание.
Заносится ли код неисправности повторно?
-
Перейти к Шагу 4
Перейти к Шагу 15
4
Осмотреть ef19.
Перегорел предохранитель?
-
Перейти к Шагу 5
Перейти к Шагу 6
5
Заменить предохранитель.
Действие завершено?
-
Система исправна
-
6
  1. Выключить зажигание.
  2. Разъединить электрический разъем c102 и разъем жгута выключателя тормоза.
  3. Измерить сопротивление между контактом d5 разъема С102 и контактом 2 электрического разъема выключателя тормоза.
Измеренное сопротивление находится в указанном диапазоне?
≈ 0 Ом
Перейти к Шагу 8
Перейти к Шагу 7
7
Устранить разрыв цепи между разъемом c102 и разъемом выключателя тормоза.
Действие завершено?
-
Система исправна
-
8
  1. Включить зажигание.
  2. Измерить напряжение на контакте d5 разъема С102.
Напряжение находится в указанном диапазоне?
11-14 В
Перейти к Шагу 9
Перейти к Шагу 10
9
Устранить замыкание на напряжение питания в цепи между разъемом c102 и разъемом выключателя тормоза.
Действие завершено?
-
Система исправна
-
10
  1. Выключить зажигание.
  2. Разъединить электрический разъем жгута выключателя тормоза и разъем контроллера КПП.
  3. Измерить сопротивление между контактом 4 разъема выключателя тормоза и контактом a5 разъема контроллера КПП.
Измеренное сопротивление находится в указанном диапазоне?
≈ 0 Ом
Система исправна
Перейти к Шагу 11
11
Устранить разрыв или замыкание на массу в цепи между разъемом выключателя тормоза и контроллером КПП.
Действие завершено?
-
Система исправна
-
12
  1. Включить зажигание.
  2. Измерить сопротивление на контакте 2 электрического разъема выключателя тормоза.
Напряжение находится в указанном диапазоне?
11-14 В
Перейти к Шагу 13
Перейти к Шагу 14
13
Устранить замыкание на напряжение питания в цепи между разъемом жгута выключателя тормоза и контроллером КПП.
Действие завершено?
-
Система исправна
-
14
Заменить контроллер КПП.
Действие завершено?
-
Перейти к Шагу 15
-
15
  1. После окончания ремонта выбрать команду "clear info" ("очистить данные") на диагностическом приборе и провести дорожное испытание автомобиля.
  2. Просмотреть информацию о кодах ("DTC info").
Последнее испытание прошло неудачно или отображается текущий код?
-
Начать диагностику заново
Неисправность устранена. Закончить проверку по таблице.

V6B15A05
Показать иллюстрациюПеревод текста в иллюстрациях


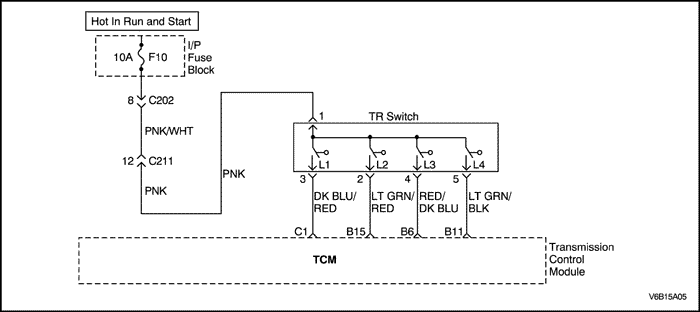
Код p0705

Датчик диапазона КПП, неисправность цепи (входной сигнал prndl)

Описание схемы

Датчик диапазона коробки передач расположен на валу рычага переключения передач и информирует контроллер КПП о текущем положении рычага переключения передач P-R-N-D-3-2-1.
Информация о положении рычага переключения передач передается на контроллер КПП в кодированной форме по четырем каналам. Использование кодированного сигнала позволяет определять наличие неисправности в цепи.
Датчик диапазона коробки передач расположен на валу рычага переключения передач, который соединен с рычагом переключения передач тросом. Датчик положения рычага также управляет приводом стартера, включением огней заднего хода и контрольной лампы положения рычага выбора передач на панели приборов.

Условия занесения кода неисправности

Действия при занесении кода неисправности

Условия очистки кода неисправности/выключения индикатора неисправности

Диагностическая информация

Схема передач и сигналов диапазона коробки передач.

.
l1
l2
l3
l4
p
0
0
12
0
r
0
0
0
12
n
0
12
0
0
d
12
12
12
0
3
12
12
0
12
2
12
0
12
12
1
0
12
12
12

Код p0705 - Датчик диапазона КПП, неисправность цепи (входной сигнал prndl)

ШагОперацияЗначенияДаНет
1
Выполнить проверку системы бортовой диагностики.
Проверка завершена?
-
Перейти к Шагу 2
Перейти к пункту "Проверка системы бортовой диагностики"
2
  1. Подключить диагностический прибор.
  2. Включить зажигание.
  3. Записать, затем стереть код(ы) неисправности, выключить и включить зажигание.
  4. Включить тормоз и поочередно выбрать каждый диапазон (p, r,n,d,3,2,1), наблюдая за показаниями диагностического прибора.
См. схему передач и сигналов диапазона коробки передач.
Соответствуют ли выбираемые диапазоны показаниям диагностического прибора и схеме сигналов диапазонов коробки передач?
-
Перейти к Шагу 3
Перейти к пункту "Диагностическая информация"
3
Проверить целостность предохранителя f10.
Неисправность обнаружена?
-
Перейти к Шагу 4
Перейти к Шагу 5
4
При необходимости заменить предохранитель.
Действие завершено?
-
Система исправна
-
5
Проверить датчик диапазона коробки передач. См. "Диагностическая информация".
Неисправность обнаружена?
-
Перейти к Шагу 6
Перейти к Шагу 7
6
Заменить датчик диапазона коробки передач.
Действие завершено?
-
Система исправна
-
7
  1. Разъединить электрический разъем датчика диапазонов КПП и разъем контроллера КПП.
  2. Измерить сопротивление между контактом 3 датчика диапазонов КПП и контактом c1 разъема контроллера КПП.
  3. Измерить сопротивление между контактом 2 датчика диапазонов КПП и контактом b15 разъема контроллера КПП.
  4. Измерить сопротивление между контактом 4 датчика диапазонов КПП и контактом b6 разъема контроллера КПП.
  5. Измерить сопротивление между контактом 5 датчика диапазонов КПП и контактом b11 разъема контроллера КПП.
Измеренное сопротивление находится в указанном диапазоне?
≈ 0 Ом
Перейти к Шагу 9
Перейти к Шагу 8
8
При необходимости отремонтировать неисправные контакты.
Действие завершено?
-
Система исправна
-
9
  1. Включить зажигание.
  2. Измерить напряжение на контакте 3.
  3. Измерить напряжение на контакте 2.
  4. Измерить напряжение на контакте 4.
  5. Измерить напряжение на контакте 5.
Напряжение находится в указанном диапазоне?
11-14В
Перейти к Шагу 10
Перейти к Шагу 11
10
При необходимости отремонтировать неисправные контакты.
Действие завершено?
-
Система исправна
-
11
Заменить контроллер КПП.
Действие завершено?
-
Перейти к Шагу 12
-
12
  1. После окончания ремонта выбрать команду "clear info" ("очистить данные") на диагностическом приборе и провести дорожное испытание автомобиля.
  2. Просмотреть информацию о кодах ("DTC info").
Последнее испытание прошло неудачно или отображается текущий код?
-
Начать диагностику заново
Неисправность устранена. Закончить проверку по таблице.

V3B15A27
Показать иллюстрациюПеревод текста в иллюстрациях


Код p0710

Датчик температуры рабочей жидкости КПП, неисправность цепи

Описание схемы

Датчик температуры рабочей жидкости является терморезистором с положительным температурным коэффициентом сопротивления (термочувствительный резистор). Он передает в контроллер КПП сведения о температуре рабочей жидкости. Датчик температуры расположен в клапанном механизме. Данные о температуре используются в качестве одного из параметров для расчета момента переключения и задержки переключения.
Внутреннее электрическое сопротивление датчика изменяется в зависимости от температуры рабочей жидкости.
Контроллер посылает на датчик опорный сигнал 5 В и измеряет повышение напряжения в цепи. Чем выше температура жидкости, тем выше сопротивление датчика и выше напряжение его сигнала.
Контроллер КПП использует сигнал датчика температуры в качестве дополнительного параметра для управления давлением в линиях гидропривода, расчета моментов переключения и включения блокировочной муфты. Когда температура рабочей жидкости достигает 120°С (248°Ф), контроллер переходит в "режим перегрева". При температуре выше указанной контроллер корректирует расчетное время переключения передач и включения блокировочной муфты для того, чтобы снизить температуру рабочей жидкости.

Условия занесения кода неисправности

Действия при занесении кода неисправности

Условия очистки кода неисправности/выключения индикатора неисправности

Диагностическая информация

Код p0710 - Неисправность цепи датчика температуры трансмиссионной жидкости

ШагОперацияЗначенияДаНет
1
Выполнить проверку системы бортовой диагностики.
Проверка завершена?
-
Перейти к Шагу 2
Перейти к пункту "Проверка системы бортовой диагностики"
2
  1. Подключить диагностический прибор.
  2. Включить зажигание при выключенном двигателе.
  3. Записать, затем стереть код(ы) неисправности, выключить и включить зажигание.
  4. В меню диагностического прибора выбрать tft (Температура рабочей жидкости КПП).
  5. Проехать на автомобиле и проверить по диагностическому прибору следующее:
  6. Температура рабочей жидкости КПП не меняется более чем на 1,5°С (34,7°Ф) в течение 80 секунд после начала езды.
  7. Температура рабочей жидкости КПП меняется более чем на 20°С (68°Ф) в течение 7 секунд (неправдоподобное изменение).
Имеет ли место какое-либо из описанных выше условий?
-
Перейти к Шагу 3
Перейти к пункту "Диагностическая информация"
3
  1. Выключить зажигание.
  2. Разъединить электрический разъем КПП.
  3. Измерить сопротивление между контактами 9 и 4 электрического разъема жгута КПП.
Измеренное сопротивление находится в указанном диапазоне?
Темп. 25°C
990 Ом
Перейти к Шагу 7
Перейти к Шагу 4
4
  1. Снять масляный поддон.
  2. Разъединить электрический разъем датчика температуры рабочей жидкости КПП.
  3. Проверить жгут проводов АКПП на наличие непостоянного замыкания или разрыва.
Неисправность обнаружена?
-
Перейти к Шагу 5
Перейти к Шагу 6
5
Заменить жгут проводов автоматической коробки передач.
Замена завершена?
-
Система исправна
-
6
Заменить датчик температуры рабочей жидкости КПП.
Действие завершено?
-
Система исправна
-
7
  1. Разъединить электрический разъем АКПП и разъем контроллера КПП.
  2. Измерить сопротивление между контактом 4 электрического разъема КПП и контактом b1 разъема контроллера КПП.
  3. Измерить сопротивление между контактом 9 электрического разъема КПП и контактом a4 разъема контроллера КПП.
Измеренное сопротивление находится в указанном диапазоне?
≈ 0 Ом
Перейти к Шагу 9
Перейти к Шагу 8
8
  1. Проверить жгут проводов АКПП на наличие непостоянного замыкания на массу или разрыва.
  2. Проверить жгут проводов АКПП на наличие непостоянного замыкания на массу или разрыва.
  3. При необходимости устранить неисправность электрической цепи.
Ремонт закончен?
-
Система исправна
-
9
  1. Включить зажигание.
  2. Измерить напряжение на контакте a4 электрического разъема жгута КПП.
  3. Измерить напряжение на контакте b1 электрического разъема жгута КПП.
Напряжение находится в указанном диапазоне?
9-16 В
Перейти к Шагу 10
Перейти к Шагу 11
10
  1. Проверить жгут проводов АКПП на наличие непостоянного замыкания на напряжение питания.
  2. Проверить жгут проводов АКПП на наличие непостоянного замыкания на напряжение питания.
  3. При необходимости устранить неисправность электрической цепи.
Ремонт закончен?
-
Система исправна
-
11
Заменить контроллер КПП.
Замена завершена?
-
Перейти к Шагу 12
-
12
  1. После окончания ремонта выбрать команду "clear info" ("очистить данные") на диагностическом приборе и провести дорожное испытание автомобиля.
  2. Просмотреть информацию о кодах ("DTC info").
Последнее испытание прошло неудачно или отображается текущий код?
-
Начать диагностику заново
Неисправность устранена. Закончить проверку по таблице.


На предыдущую страницуНа следующую страницу
https://vnx.su/ 🛠 Руководства по ремонту и эксплуатации для автомобилей

Поиск по сайту

Остались вопросы или пожелания? Пишите на почту: support@vnx.su

Карта Сайта