К началу документа
Evanda
На предыдущую страницуНа следующую страницу
Главная страница GMDEЗагрузить нединамическое оглавлениеЗагрузить динамическое оглавлениеПомощь

ТЕХНИЧЕСКОЕ ОБСЛУЖИВАНИЕ И РЕМОНТ

ОБСЛУЖИВАНИЕ АВТОМОБИЛЯ



V3B11C08
Показать иллюстрациюПеревод текста в иллюстрациях


Крышка головки цилиндров

Процедура снятия

  1. Отсоедините отрицательный кабель аккумулятора.
  2. Отсоединить сапун от крышки головки цилиндров.
  3. Отсоединить вентиляционную трубу коленчатого вала от крышки головки цилиндров.
  4. Отсоединить вакуумную трубу от крышки головки цилиндров.
  5. Снять винты декоративной крышки двигателя.
  6. Снять винт декоративной крышки двигателя.
  7. Отсоедините провода зажигания от свечей зажигания.
  8. Снимите винт хомута шланга рулевого управления с гидроусилителем и отведите этот хомут от места ремонта.


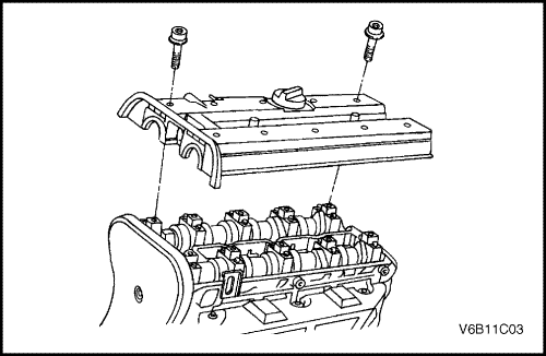
  9. V6B11C03
    Показать иллюстрациюПеревод текста в иллюстрациях


  10. Отсоедините разъем датчика положения распределительного вала (СМР).
  11. Снять винты крышки головки цилиндров.
  12. Снять шайбы крышки головки цилиндров.
  13. Снять крышку головки цилиндров.


  14. V3B11C10
    Показать иллюстрациюПеревод текста в иллюстрациях


  15. Снять прокладку крышки головки цилиндров с крышки головки цилиндров.


V3B11C10
Показать иллюстрациюПеревод текста в иллюстрациях


Процедура установки

  1. Нанести небольшое количество герметика на углы передней головки распределительного вала и в месте крепления верхней части задней крышки головки цилиндров к прокладке головки цилиндров.
  2. Установить новую прокладку крышки головки цилиндров на крышку головки цилиндров.


  3. V6B11C03
    Показать иллюстрациюПеревод текста в иллюстрациях


  4. Установить крышку головки цилиндров.
  5. Установить шайбы крышки головки цилиндров.
  6. Установить винты крышки головки цилиндров.
  7. Затянуть
    Затянуть винты крышки головки цилиндров до 8 Н•м (71 фунто-дюйм).



    V3B11C08
    Показать иллюстрациюПеревод текста в иллюстрациях


  8. Соедините провода зажигания со свечами зажигания.
  9. Установить декоративную крышку двигателя.
  10. Установить винты декоративной крышки двигателя.
  11. Затянуть
    Затянуть винты декоративной крышки двигателя до 3 Н•м (27 фунто-дюймов).

  12. Присоединить вакуумную трубу к крышке головки цилиндров
  13. Присоединить вентиляционную трубу коленчатого вала к крышке головки цилиндров.
  14. Присоединить сапун к крышке головки цилиндров.
  15. Присоедините разъем датчика положения распределительного вала (СМР).
  16. Установите напорный шланг рулевого управления с гидроусилителем на место и наверните винт.
  17. Затянуть
    Затяните винт хомута шланга рулевого управления с гидроусилителем до 8 Н•м (71 фунто-дюйм).

  18. Присоедините отрицательный кабель аккумулятора.


V3B11C11
Показать иллюстрациюПеревод текста в иллюстрациях


Головка цилиндров и прокладка

(показано левостороннее управление, правостороннее управление похожим образом)
Необходимое оборудование

KM-470-B Угловой индикатор крутящего момента
DW110-060 Подвесная опора узла двигателя

Процедура снятия

  1. Снимите предохранитель топливного насоса.
  2. Запустите двигатель. После остановки двигателя проверните коленвал двигателя в течение 10 секунд, чтобы стравить давление в топливной системе.
  3. Отсоедините отрицательный кабель аккумулятора.
  4. Отсоедините зажим заземления контроллера ЭСУД.
  5. Слейте охлаждающую жидкость двигателя. Следуйте разделу 1D, Охлаждение двигателя.


  6. V3B11C12
    Показать иллюстрациюПеревод текста в иллюстрациях


  7. Отсоедините разъем датчика температуры воздуха на впуске (iat).
  8. Отсоединить сапун от крышки головки цилиндров.
  9. Отсоединить вентиляционную трубу коленчатого вала от крышки головки цилиндров.
  10. Отсоединить вакуумную трубу от крышки головки цилиндров.
  11. Снимите стопорные винты резонатора и резонатор.
  12. Снимите трубку впуска воздуха.
  13. Снимите винт кронштейна электромагнитного реле продувки адсорбера и отведите это электромагнитного реле от места ремонта.


  14. V3B11C13
    Показать иллюстрациюПеревод текста в иллюстрациях


  15. Отсоедините разъем катушки системы прямого зажигания.
  16. Отсоедините разъем датчика кислорода, если он имеется.
  17. Отсоедините разъем клапана регулирования подачи воздуха на холостом ходу (iac).
  18. Отсоедините разъем датчика положения дроссельной заслонки (tps).
  19. Отсоедините разъем датчика температуры охлаждающей жидкости двигателя (ЕСТ).
  20. Отсоедините разъем датчика положения распределительного вала (СМР).


  21. V3B11C14
    Показать иллюстрациюПеревод текста в иллюстрациях


  22. Снимите винты с расширительным бачком. Следуйте разделу 1D, Охлаждение двигателя.
  23. Снимите правое переднее колесо. Следуйте разделу 2Е, Шины и колеса.
  24. Снимите брызговик ниши переднего правого колеса. Следуйте разделу 9R, Передняя часть кузова.
  25. Установить подвесную опору узла двигателя dw110-060.
  26. Снимите стопорный винт и гайки правого кронштейна подвески двигателя.


  27. V3B11C15
    Показать иллюстрациюПеревод текста в иллюстрациях


  28. Отсоедините верхний шланг радиатора от корпуса термостата.
  29. Снимите изгибающийся вспомогательный приводной ремень. Следуйте разделу 6В, Насос рулевого управления с усилителем.
  30. Снимите винты шкива коленчатого вала.
  31. Снимите шкив коленчатого вала.


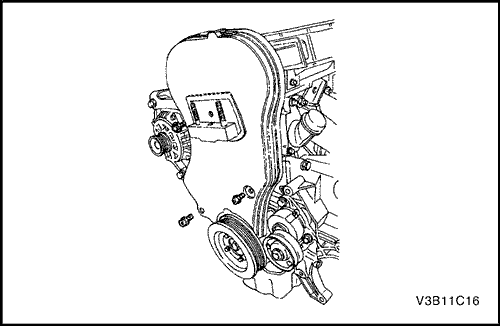
  32. V3B11C16
    Показать иллюстрациюПеревод текста в иллюстрациях


  33. Снимите винты передней крышки приводного ремня газораспределительного механизма
  34. Снимите переднюю крышку приводного ремня газораспределительного механизма


  35. V6B11C03
    Показать иллюстрациюПеревод текста в иллюстрациях


  36. Снимите приводной ремень газораспределительного механизма. Следуйте пункту "Приводной ремень газораспределительного механизма" в этом разделе.
  37. Снять винты декоративной крышки двигателя.
  38. Снять винт декоративной крышки двигателя.
  39. Отсоедините провода зажигания от свечей зажигания.
  40. Снять винты крышки головки цилиндров.
  41. Снять шайбы крышки головки цилиндров.
  42. Снять прокладку крышки головки цилиндров и прокладку крышки головки цилиндров.


  43. V3B11C17
    Показать иллюстрациюПеревод текста в иллюстрациях


    Примечание: Проявляйте особую аккуратность, не допуская появления царапин, вмятин или повреждений на распредвалах.

  44. Крепко удерживая впускной распределительный вал, снимите винт шестерни впускного распредвала.
  45. Снимите шестерню впускного распределительного вала.
  46. Крепко удерживая выпускной распределительный вал, снимите винт шестерни выпускного распредвала.
  47. Снимите шестерню выпускного распределительного вала.


  48. V3B11C18
    Показать иллюстрациюПеревод текста в иллюстрациях


  49. Снимите винты крышки приводного ремня газораспределительного механизма.
  50. Установите стопорный винт и гайки правого кронштейна подвески двигателя.
  51. Затянуть
    Затяните стопорный винт и гайки правого кронштейна подвески двигателя до 60 Н•м (44 фунто-фута).

  52. Снять подвесную опору узла двигателя dw110-060.


  53. V6B11C04
    Показать иллюстрациюПеревод текста в иллюстрациях


  54. Снимите гайки теплоизоляционного щитка выпускного коллектора и сам щиток.


  55. V3B11G02
    Показать иллюстрациюПеревод текста в иллюстрациях


  56. Снимите стопорные гайки выпускной гибкой трубы со штырей выпускного коллектора.


  57. V3B11C19
    Показать иллюстрациюПеревод текста в иллюстрациях


  58. Снимите гайки верхнего фланца вспомогательного каталитического нейтрализатора.
  59. При необходимости отсоедините вакуумные шланги.


  60. V3B11C20
    Показать иллюстрациюПеревод текста в иллюстрациях


  61. Отсоедините обратный топливопровод и регулятор давления топлива.
  62. Отсоедините подающий топливопровод от топливной рампы.
  63. Отсоедините шланг охлаждающей жидкости сзади головки цилиндров и кронштейна узла рециркуляции отработавших газов катушки зажигания.
  64. Отсоедините шланг охлаждающей жидкости расширительного бачка от корпуса дроссельной заслонки.
  65. Снимите узел топливной рампы. Следуйте разделу 1D, Управление двигателя.


  66. V3B11C21
    Показать иллюстрациюПеревод текста в иллюстрациях


  67. Снимите винты опорного кронштейна для крепления генератора к впускному коллектору с перепускного шланга охлаждающей жидкости и впускного коллектора.
  68. Снимите опорный кронштейн генератора.
  69. Снимите винт хомута для крепления впускного коллектора к генератору и отверните винт на генераторе.
  70. Освободите впускной коллектор от скобы.
  71. Снимите винт кронштейна электромагнитного реле продувки адсорбера и отведите кронштейн в сторону (если это предусмотрено).


  72. V3B11C22
    Показать иллюстрациюПеревод текста в иллюстрациях


  73. Отсоедините трос к дроссельной заслонке и к впускному коллектору.
  74. Постепенно и в указанной последовательности ослабить затяжку всеми винтами головки цилиндров.
  75. Снимите винты головки цилиндров.
  76. Снимите головку цилиндров с присоединенным впускным и выпускным коллектором.
  77. Примечание: Не допускайте попаданий моторного масла или охлаждающей жидкости в цилиндры при снятии головки цилиндров.

  78. Снимите прокладку головки цилиндров.


V3B11C23
Показать иллюстрациюПеревод текста в иллюстрациях


Процедура очистки

  1. Очистите поверхности прокладки головки цилиндров и блока цилиндров.
  2. Убедитесь, что поверхности прокладки головки цилиндров и блока цилиндров не имеют вмятин и глубоких царапин.
  3. Почистите винты головки цилиндров.
  4. Проверьте головку цилиндров на искривление. Следуйте пункту "Детали головки цилиндров и клапанного механизма" в этом разделе.

Процедура установки

  1. Установите прокладку головки цилиндров.
  2. Установите головку цилиндров с присоединенным впускным и выпускным коллектором.


  3. V3B11C24
    Показать иллюстрациюПеревод текста в иллюстрациях


  4. Установите винты головки цилиндров.
  5. Постепенно и в указанной последовательности затянуть винты головки цилиндров.
  6. Затянуть
    Затяните винты головки цилиндров до 25 Н•м (18 lb-ft) и поверните винты еще на 3 оборота по 90 градусов, используя угловой индикатор крутящего момента KM-470-B.



    V3B11C21
    Показать иллюстрациюПеревод текста в иллюстрациях


  7. Присоедините трос дроссельной заслонки к корпусу дроссельной заслонки и к впускному коллектору.
  8. Установите опорный кронштейн для крепления генератора к впускному коллектору.
  9. Установите винты опорного кронштейна для крепления генератора к коллектору.
  10. Затянуть
    Затяните винты опорного кронштейна для крепления генератора к впускному коллектору на впускном коллекторе до 35 Н•м (26 фунто-футов).

  11. Установите винты опорного кронштейна впускного коллектора на генераторе.
  12. Затянуть
    Затяните винты опорного кронштейна для крепления генератора к впускному коллектору до 20 Н•м (15 фунто-футов).



    V3B11C20
    Показать иллюстрациюПеревод текста в иллюстрациях


  13. Присоедините шланг охлаждающей жидкости расширительного бачка к корпусу дроссельной заслонки.
  14. Присоедините шланг охлаждающей жидкости к задней головке цилиндров и кронштейну катушки зажигания egr.
  15. Присоедините подающий топливопровод к топливной рампе.
  16. Присоедините подающий топливопровод к топливной рампе.
  17. Присоедините все необходимые вакуумные шланги.
  18. Установите узел топливной рампы. Следуйте разделу 1D, Управление двигателя.


  19. V3B11G02
    Показать иллюстрациюПеревод текста в иллюстрациях


  20. Установите стопорные гайки выпускной гибкой трубы на штыри выпускного коллектора.
  21. Затянуть
    Затяните стопорные гайки гибкой выпускной трубы до 22 Н•м (16 фунто-футов).



    V3B11C19
    Показать иллюстрациюПеревод текста в иллюстрациях


  22. Установите гайки вспомогательного каталитического нейтрализатора.
  23. Затянуть
    Подтяните вспомогательные гайки крепления каталитического нейтрализатора к выпускному коллектору до 40 Н•м (30 фунто-футов).



    V6B11C04
    Показать иллюстрациюПеревод текста в иллюстрациях


  24. Установите винты теплоизоляционного щитка выпускного коллектора.
  25. Затянуть
    Затяните винты теплоизоляционного щитка выпускного коллектора до 8 Н•м (71 lb-in).

  26. Установить подвесную опору узла двигателя dw110-060.
  27. Снимите правый кронштейн подвески двигателя, стопорный винт и гайки.


  28. V3B11C18
    Показать иллюстрациюПеревод текста в иллюстрациях


  29. Установите винты задней крышки приводного ремня газораспределительного механизма.
  30. Затянуть
    Затяните винты задней крышки приводного ремня газораспределительного механизма до 7 Н•м (62 lb-in).



    V3B11C24
    Показать иллюстрациюПеревод текста в иллюстрациях


  31. Установите шестерни распределительного вала с отметками газораспределения на передней части.
  32. Вставьте направляющий штырь впускного распределительного вала в отверстие "IN".
  33. Вставьте направляющий штырь выпускного распределительного вала в отверстие "ЕХ".


  34. V3B11C17
    Показать иллюстрациюПеревод текста в иллюстрациях


  35. Установите шестерни распределительного вала, удерживая шестигранную головку распределительного вала гаечным ключом с незамкнутым зевом.
  36. Установите впускную шестерню распределительного вала с новым винтом на распределительный вал.
  37. Затянуть
    Затяните винт шестерни впускного распределительного вала до 50 Н•м (37 lb-ft) и поверните винт еще на 60 градусов плюс 15 градусов, используя угловой индикатор крутящего момента.

  38. Крепко удерживая выпускной распределительный вал, установите винт шестерни выпускного распредвала.
  39. Затянуть
    Затяните винт шестерни впускного распределительного вала до 50 Н•м (37 lb-ft) и поверните винт еще на 60 градусов плюс 15 градусов, используя угловой индикатор крутящего момента.



    V3B11C10
    Показать иллюстрациюПеревод текста в иллюстрациях


  40. Нанести небольшое количество герметика на углы передней головки распределительного вала и в месте крепления верхней части задней крышки головки цилиндров к прокладке головки цилиндров.
  41. Установить прокладку крышки головки цилиндров и прокладку крышки головки цилиндров.
  42. Установить шайбы крышки головки цилиндров.
  43. Установить винты крышки головки цилиндров.
  44. Затянуть
    Затянуть винты крышки головки цилиндров до 8 Н•м (71 фунто-дюйм).



    V3B11C25
    Показать иллюстрациюПеревод текста в иллюстрациях


  45. Соедините провода зажигания со свечами зажигания.
  46. Установить декоративную крышку двигателя.
  47. Установить винты декоративной крышки двигателя.
  48. Затянуть
    Затянуть винты декоративной крышки двигателя до 3 Н•м (27 фунто-дюймов).

  49. Совместить метки газораспределения шестерней распределительного вала с насечками на головке цилиндров, используя метку впускной шестерни для впускной шестерни и метку выпускной шестерни для выпускной шестерни.


  50. V3B11C26
    Показать иллюстрациюПеревод текста в иллюстрациях


  51. Совместите отметку на шестерне коленчатого вала с насечкой в низу крышки приводного ремня газораспределительного механизма.


  52. V3B11C27
    Показать иллюстрациюПеревод текста в иллюстрациях


  53. Установите приводной ремень газораспределительного механизма. Следуйте пункту "Приводной ремень газораспределительного механизма" в этом разделе.
  54. Проверьте и отрегулируйте натяжение приводного ремня газораспределительного механизма. Следуйте пункту "Проверка и регулировка натяжения приводного ремня газораспределительного механизма" в этом разделе.


  55. V3B11C16
    Показать иллюстрациюПеревод текста в иллюстрациях


  56. Установите переднюю крышку приводного ремня газораспределительного механизма.
  57. Установите винты передней крышки приводного ремня газораспределительного механизма.
  58. Затянуть
    Затяните винты верхней и нижней крышки приводного ремня газораспределительного механизма до 6 Н•м (53 фунто-дюйма).

  59. Установите шкив коленчатого вала.
  60. Установите винты шкива коленчатого вала.
  61. Затянуть
    Затяните винты шкива коленчатого вала до 20 Н•м (15 lb-ft).



    V3B11C14
    Показать иллюстрациюПеревод текста в иллюстрациях


  62. Установите правый кронштейн подвески двигателя, стопорные винты и гайку.
  63. Затянуть
    Затяните стопорный винт и гайки правого кронштейна подвески двигателя до 60 Н•м (44 фунто-фута).

  64. Снять подвесную опору узла двигателя dw110-060.
  65. Установите изгибающийся вспомогательный приводной ремень. Следуйте разделу 6В, Насос рулевого управления с усилителем.
  66. Присоедините верхний шланг радиатора к корпусу термостата.
  67. Установите брызговик ниши переднего правого колеса. Следуйте разделу 9R, Передняя часть кузова.
  68. Установите правое переднее колесо. Следуйте разделу 2Е, Шины и колеса.


  69. V3B11C12
    Показать иллюстрациюПеревод текста в иллюстрациях


  70. Установите расширительный бачок. Следуйте разделу 1D, Охлаждение двигателя.
  71. Присоедините трубку впуска воздуха к корпусу дроссельной заслонки.
  72. Присоединить вакуумную трубу к крышке головки цилиндров.
  73. Присоединить вентиляционную трубу коленчатого вала к крышке головки цилиндров.
  74. Присоединить сапун к крышке головки цилиндров.
  75. Присоедините разъем датчика температуры воздуха на впуске (iat).
  76. Установите резонатор и стопорные винты.
  77. Затянуть
    Затяните стопорные винты резонатора до 3 Н•м (27 фунто-футов).



    V3B11C13
    Показать иллюстрациюПеревод текста в иллюстрациях


  78. Присоедините разъем датчика положения распределительного вала (СМР).
  79. Присоединить разъем датчика температуры охлаждающей жидкости двигателя (ЕСТ).
  80. Присоединить разъем клапана регулирования подачи воздуха на холостом ходу (iac).
  81. Присоединить разъем датчика положения дроссельной заслонки (tps).
  82. Установите винт кронштейна электромагнитного реле продувки адсорбера.
  83. Затянуть
    Затяните винт кронштейна электромагнитного реле продувки адсорбера до 5 Н•м (44 фунто-дюйма).



    V3B11C11
    Показать иллюстрациюПеревод текста в иллюстрациях


  84. Присоедините разъем катушки системы прямого зажигания.
  85. Присоедините разъем датчика кислорода, если он имеется.
  86. Присоедините зажим соединения на корпус ЕСМ.
  87. Установите предохранитель топливного насоса.
  88. Присоедините отрицательный кабель заземления корпуса аккумулятора.
  89. Заправьте систему охлаждения двигателя. Следуйте разделу 1D, Охлаждение двигателя.


V6B11C03
Показать иллюстрациюПеревод текста в иллюстрациях


Распределительные валы

Процедура снятия

  1. Снимите приводной ремень газораспределительного механизма. Следуйте пункту "Приводной ремень газораспределительного механизма" в этом разделе.
  2. Отсоединить сапун от крышки головки цилиндров.
  3. Отсоединить вентиляционную трубу картера от крышки головки цилиндров.
  4. Отсоединить вакуумную трубу от крышки головки цилиндров.
  5. Снять винты декоративной крышки двигателя.
  6. Снять винт декоративной крышки двигателя.
  7. Отсоедините провода зажигания от свечей зажигания.
  8. Отсоедините разъем датчика положения распределительного вала (СМР).
  9. Снять винты крышки головки цилиндров.
  10. Снять шайбы крышки головки цилиндров.
  11. Снять прокладку крышки головки цилиндров и прокладку крышки головки цилиндров.


  12. V3B11C17
    Показать иллюстрациюПеревод текста в иллюстрациях


    Примечание: Проявляйте особую аккуратность, не допуская появления царапин, вмятин или повреждений на распредвалах.

  13. Крепко удерживая впускной распределительный вал, снимите винт шестерни впускного распредвала.
  14. Снимите шестерню впускного распределительного вала.
  15. Крепко удерживая выпускной распределительный вал, снимите винт шестерни выпускного распредвала.
  16. Снимите шестерню выпускного распределительного вала.


  17. V3B11C28
    Показать иллюстрациюПеревод текста в иллюстрациях


  18. Поворотами на пол-оборота или оборот освободите винты крышек подшипников распределительного вала.
  19. Снимите винты крышек подшипников распределительного вала с головки цилиндров.
  20. Снимите распределительные валы.
  21. Снимите уплотнительное кольцо с распределительных валов.
  22. Важно: Распределительный вал должен равномерно сниматься с гнезд подшипника в передней направляющей.

  23. Проверьте гнезда распределительного вала и подшипника на износ и замените, если необходимо.


V3B11C28
Показать иллюстрациюПеревод текста в иллюстрациях


Процедура установки

    Примечание: Проявляйте особую аккуратность, не допуская появления царапин, вмятин или повреждений на распредвалах.

  1. Смажьте шейки и головки распределительного вала моторным маслом.
  2. Установите впускной распределительный вал.
  3. Установите головки впускного распределительного вала в их исходное положение.
  4. Установите винты головки впускного распределительного вала.
  5. Установите выпускной распределительный вал.
  6. Установите головки выпускного распределительного вала в их исходное положение.
  7. Установите винты головки выпускного распределительного вала.
  8. Затяните постепенно винты головки распределительного вала в указанной последовательности для каждой головки распределительного вала.
  9. Затянуть
    Затяните винты крышек подшипников распределительного вала до 8 Н•м (71 lb-in).



    V3B11C24
    Показать иллюстрациюПеревод текста в иллюстрациях


  10. Измерьте осевой люфт распределительного вала и осевой люфт коленчатого вала. Следуйте пункту "Технические характеристики двигателя" в этом разделе.
  11. Установите шестерню впускного распределительного вала.
  12. Крепко удерживая впускной распределительный вал, установите винт шестерни впускного распредвала.
  13. Затянуть
    Затяните винт шестерни впускного распределительного вала до 50 Н•м (37 lb-ft) и поверните винт еще на 60 градусов плюс 15 градусов, используя угловой индикатор крутящего момента.



    V3B11C17
    Показать иллюстрациюПеревод текста в иллюстрациях


  14. Установите шестерню выпускного распределительного вала.
  15. Крепко удерживая выпускной распределительный вал, установите винт шестерни выпускного распредвала.
  16. Затянуть
    Затяните винт шестерни выпускного распределительного вала до 50 Н•м (37 lb-ft) и поверните винт еще на 60 градусов плюс 15 градусов, используя угловой индикатор крутящего момента.



    V6B11C03
    Показать иллюстрациюПеревод текста в иллюстрациях


  17. Установить прокладку крышки головки цилиндров и прокладку крышки головки цилиндров.
  18. Установить шайбы крышки головки цилиндров.
  19. Установить винты крышки головки цилиндров.
  20. Затянуть
    Затянуть винты крышки головки цилиндров до 8 Н•м (71 фунто-дюйм).



    V3B11G05
    Показать иллюстрациюПеревод текста в иллюстрациях


  21. Соедините провода зажигания со свечами зажигания.
  22. Присоедините разъем датчика положения распределительного вала (СМР).
  23. Установить декоративную крышку двигателя.
  24. Установить винты декоративной крышки двигателя.
  25. Затянуть
    Затянуть винты декоративной крышки двигателя до 3 Н•м (27 фунто-дюймов).

  26. Присоединить вакуумную трубу к крышке головки цилиндров.
  27. Присоединить вентиляционную трубу картера к крышке головки цилиндров.
  28. Присоединить сапун к крышке головки цилиндров.
  29. Установите приводной ремень газораспределительного механизма. Следуйте пункту "Приводной ремень газораспределительного механизма" в этом разделе.


V3B11D05
Показать иллюстрациюПеревод текста в иллюстрациях


Проверка и регулировка натяжения приводного ремня газораспределительного механизма

(показано левостороннее управление, правостороннее управление похожим образом)

Процедура регулировки

  1. Отсоедините отрицательный кабель аккумулятора.
  2. Снять винт декоративной крышки двигателя.
  3. Снимите крепежные винты расширительного бачка.
  4. Снимите расширительный бачок.


  5. V3B11F71
    Показать иллюстрациюПеревод текста в иллюстрациях


  6. Снимите трубку впуска воздуха с корпуса дроссельной заслонки.
  7. Снять сапун с крышки головки цилиндров.
  8. Снимите правое переднее колесо. Следуйте разделу 2Е, Шины и колеса.
  9. Снимите брызговик ниши переднего правого колеса. Следуйте разделу 9R, Передняя часть кузова.


  10. V3B11C15
    Показать иллюстрациюПеревод текста в иллюстрациях


  11. Снимите изгибающийся вспомогательный приводной ремень. Следуйте разделу 6В, Насос рулевого управления с усилителем.
  12. Снимите винты шкива коленчатого вала.
  13. Снимите шкив коленчатого вала.
  14. Снимите кронштейн правой подвески двигателя. Следуйте пункту "Подвеска двигателя" в этом разделе.


  15. V3B11C16
    Показать иллюстрациюПеревод текста в иллюстрациях


  16. Снимите винты передней крышки приводного ремня газораспределительного механизма
  17. Снимите переднюю крышку приводного ремня газораспределительного механизма


  18. V3B11C26
    Показать иллюстрациюПеревод текста в иллюстрациях


  19. Проверните коленчатый вал не менее, чем на один полный оборот по часовой стрелке, используя винт шестерни коленчатого вала.
  20. Совместите отметку на шестерне коленчатого вала с насечкой в низу крышки приводного ремня газораспределительного механизма.


  21. V3B11C25
    Показать иллюстрациюПеревод текста в иллюстрациях


  22. Совместите отметки газораспределения шестерни распределительного вала. Используйте отметку выпускной шестерни для выпускной шестерни и отметку впускной шестерни для впускной шестерни, так как шестерни взаимозаменяемы.


  23. V3B11C29
    Показать иллюстрациюПеревод текста в иллюстрациях


  24. Освободите винт автоматического натяжителя. Чтобы усилить натяжение ремня, нужно повернуть шестиугольную головку против часовой стрелки.
  25. Проверните шестиугольную головку автоматического натяжителя по часовой стрелке до совмещения указателя приводного ремня газораспределительного механизма с насечкой на кронштейне автоматического натяжителя приводного ремня газораспределительного механизма.


  26. V3B11C26
    Показать иллюстрациюПеревод текста в иллюстрациях


  27. Затяните винт автоматического натяжителя.
  28. Проверните коленчатый вал на два полных оборота, используя шестерни коленчатого вала.
  29. Проверьте указатель автоматического натяжителя.


  30. V3B11C30
    Показать иллюстрациюПеревод текста в иллюстрациях


  31. Когда указатель автоматического натяжителя приводного ремня газораспределительного механизма совмещен с насечкой на кронштейне автоматического натяжителя приводного ремня газораспределительного механизма, ремень натянут правильно.
  32. Затянуть
    Затяните винт автоматического натяжителя до 25 Н•м (18 lb-ft)



    V3B11C16
    Показать иллюстрациюПеревод текста в иллюстрациях


  33. Установите переднюю крышку приводного ремня газораспределительного механизма.
  34. Установите винты передней крышки приводного ремня газораспределительного механизма.
  35. Затянуть
    Затяните винты передней крышки приводного ремня газораспределительного механизма до 6 Н•м (53 фунта на дюйм).



    V3B11C15
    Показать иллюстрациюПеревод текста в иллюстрациях


  36. Установите шкив коленчатого вала.
  37. Установите винты шкива коленчатого вала.
  38. Затянуть
    Затяните винты шкива коленчатого вала до 20 Н•м (15 lb-ft).

  39. Установите кронштейн правой подвески двигателя. Следуйте пункту "Подвеска двигателя" в этом разделе.
  40. Установите изгибающийся вспомогательный приводной ремень. Следуйте разделу 6В, Насос рулевого управления с усилителем.


  41. V3B11F71
    Показать иллюстрациюПеревод текста в иллюстрациях


  42. Установите брызговик ниши переднего правого колеса. Следуйте разделу 9R, Передняя часть кузова.
  43. Установите правое переднее колесо. Следуйте разделу 2Е, Шины и колеса.
  44. Присоедините трубку впуска воздуха к корпусу дроссельной заслонки.
  45. Присоединить сапун к крышке головки цилиндров.
  46. Присоедините отрицательный кабель аккумулятора.


V3B11F71
Показать иллюстрациюПеревод текста в иллюстрациях


Приводной ремень газораспределительного механизма

(показано левостороннее управление, правостороннее управление похожим образом)

Процедура снятия

  1. Отсоедините отрицательный кабель аккумулятора.
  2. Отсоедините трубку для впуска воздуха от корпуса дроссельной заслонки.
  3. Снимите стопорные винты резонатора и резонатор с корпуса дроссельной заслонки.
  4. Отсоединить сапун от крышки головки цилиндров.


  5. V3B11D05
    Показать иллюстрациюПеревод текста в иллюстрациях


  6. Снимите правое переднее колесо. Следуйте разделу 2Е, Шины и колеса.
  7. Снимите брызговик ниши переднего правого колеса. Следуйте разделу 9R, Передняя часть кузова.


  8. V3B11C15
    Показать иллюстрациюПеревод текста в иллюстрациях


  9. Снимите изгибающийся вспомогательный приводной ремень. Следуйте разделу 6В, Насос рулевого управления с усилителем.
  10. Снимите винты шкива коленчатого вала.
  11. Снимите шкив коленчатого вала.
  12. Снимите кронштейн правой подвески двигателя. Следуйте пункту "Подвеска двигателя" в этом разделе.


  13. V3B11C16
    Показать иллюстрациюПеревод текста в иллюстрациях


  14. Снимите винт хомута шланга рулевого управления с гидроусилителем и отведите этот шланг от места ремонта.
  15. Снимите винты передней крышки приводного ремня газораспределительного механизма
  16. Снимите переднюю крышку приводного ремня газораспределительного механизма


  17. V3B11C26
    Показать иллюстрациюПеревод текста в иллюстрациях


  18. Используя винт шестерни коленчатого вала, проверните коленчатый вал по часовой стрелке до совмещения отметки газораспределения шестерни коленчатого вала с насечкой в низу задней крышки приводного ремня газораспределительного механизма.


  19. V3B11C25
    Показать иллюстрациюПеревод текста в иллюстрациях


    Примечание: Шестерни распределительного вала должны совпадать с насечкой на крышке клапанного механизма, в противном случае возможно повреждение двигателя.

  20. Совместите шестерни распределительного вала с насечкой на крышке клапанного механизма.
  21. Важно: Используйте отметку впускной шестерни для впускной шестерни распределительного вала и отметку выпускной шестерни для выпускной шестерни распределительного вала, так как шестерни взаимозаменяемы.



    V3B11C27
    Показать иллюстрациюПеревод текста в иллюстрациях


  22. Освободите винт автоматического натяжителя. Поверните шестиугольную головку, чтобы ослабить натяжение ремня.
  23. Снимите приводной ремень газораспределительного механизма.


V3B11C26
Показать иллюстрациюПеревод текста в иллюстрациях


Процедура установки

  1. Совместите отметку на шестерне коленчатого вала с насечкой в низу задней крышки приводного ремня газораспределительного механизма.


  2. V3B11C25
    Показать иллюстрациюПеревод текста в иллюстрациях


  3. Совместите отметки газораспределения шестерней распределительного вала, используя отметку впускной шестерни для впускной шестерни и отметку выпускной шестерни для выпускной шестерни


  4. V3B11C27
    Показать иллюстрациюПеревод текста в иллюстрациях


  5. Установите приводной ремень газораспределительного механизма.


  6. V3B11C29
    Показать иллюстрациюПеревод текста в иллюстрациях


  7. Поверните шестиугольную головку против часовой стрелки, чтобы натянуть ремень. Вращайте до совмещения указателя с насечкой.
  8. Установите винт автоматического натяжителя.
  9. Затянуть
    Затяните винт автоматического натяжителя до 25 Н•м (18 lb-ft)

  10. Проверните коленчатый вал на два полных оборота, используя шестерни коленчатого вала.
  11. Еще раз проверьте указатель автоматического натяжителя.


  12. V3B11C16
    Показать иллюстрациюПеревод текста в иллюстрациях


  13. Установите переднюю крышку приводного ремня газораспределительного механизма.
  14. Установите винты передней крышки приводного ремня газораспределительного механизма.
  15. Затянуть
    Затяните винты передней крышки приводного ремня газораспределительного механизма до 6 Н•м (53 фунта на дюйм).

  16. Установите кронштейн правой подвески двигателя. Следуйте пункту "Подвески двигателя" в этом разделе.
  17. Установите шланг рулевого управления с гидроусилителем на место и установите винт хомута.
  18. Затянуть
    Затяните винт хомута шланга рулевого управления с гидроусилителем до 8 Н•м (71 фунто-дюйм).



    V3B11C15
    Показать иллюстрациюПеревод текста в иллюстрациях


  19. Установите шкив коленчатого вала.
  20. Установите винты шкива коленчатого вала.
  21. Затянуть
    Затяните винты шкива коленчатого вала до 20 Н•м (15 lb-ft).

  22. Установите изгибающийся вспомогательный приводной ремень. Следуйте разделу 6В, Насос рулевого управления с усилителем.
  23. Установите брызговик ниши переднего правого колеса. Следуйте разделу 9R, Передняя часть кузова.
  24. Установите правое переднее колесо. Следуйте разделу 2Е, Шины и колеса.
  25. Установите корпус воздушного фильтра.
  26. Установите винты корпуса воздушного фильтра.
  27. Затянуть
    Затяните винты корпуса воздушного фильтра до 6 Н•м (53 фунто-дюйма).



    V3B11C12
    Показать иллюстрациюПеревод текста в иллюстрациях


  28. Установите резонатор и стопорные винты.
  29. Затянуть
    Затяните стопорные винты резонатора до 3 Н•м (27 фунто-футов).

  30. Присоедините трубку впуска воздуха к корпусу дроссельной заслонки.
  31. Присоединить сапун к крышке головки цилиндров.
  32. Присоедините отрицательный кабель аккумулятора.


V3B11G02
Показать иллюстрациюПеревод текста в иллюстрациях


Масляный поддон

Процедура снятия

  1. Отсоедините отрицательный кабель аккумулятора.
  2. Снимите стопорные гайки выпускной трубы с каталитического нейтрализатора.
  3. Снимите переднюю выхлопную трубу.


  4. V3B11G04
    Показать иллюстрациюПеревод текста в иллюстрациях


  5. Снимите гайки, фиксирующие переднюю выпускную трубу к третьему глушителю.
  6. Снимите резиновые крюки, крепящие промежуточную трубу на автомобиле.


  7. V3B11G03
    Показать иллюстрациюПеревод текста в иллюстрациях


  8. Снимите гайки кронштейна для крепления промежуточной трубы и сам кронштейн.
  9. Снимите промежуточную трубу.


  10. V3B11C31
    Показать иллюстрациюПеревод текста в иллюстрациях


  11. Слейте моторное масло из картера двигателя.
  12. Снимите стопорные винты фланца масляного поддона к коробке передач с главной передачей в сборе.


  13. V3B11C32
    Показать иллюстрациюПеревод текста в иллюстрациях


  14. Снимите стопорные винты масляного поддона.
  15. Снимите масляный поддон с блока цилиндров.
  16. Снимите с масляного поддона сальник.


V3B11C33
Показать иллюстрациюПеревод текста в иллюстрациях


Процедура очистки

  1. Почистите уплотнительную поверхность масляного поддона.
  2. Почистите уплотнительную поверхность блока цилиндров.
  3. Почистите стопорные винты масляного поддона.
  4. Почистите отверстия для соединительных винтов в блоке цилиндров.
  5. Очистите брызговик масляного поддона.


V3B11C32
Показать иллюстрациюПеревод текста в иллюстрациях


Процедура установки

  1. Нанесите герметик на новую прокладку масляного поддона.
  2. Установите прокладку на масляный поддон.
  3. Установите масляный поддон на блок цилиндров.
  4. Установите стопорные винты масляного поддона.
  5. Затянуть
    Затяните стопорные винты масляного поддона до 20 Н•м (15 фунто-футов).



    V3B11C31
    Показать иллюстрациюПеревод текста в иллюстрациях


  6. Установите стопорные винты фланца масляного поддона к коробке передач с главной передачей в сборе.
  7. Затянуть
    Затяните стопорные винты крепления фланца масляного поддона к коробке передач с главной передачей в сборе до 40 Н•м (30 фунто-футов).



    V3B11G02
    Показать иллюстрациюПеревод текста в иллюстрациях


  8. Установите переднюю выхлопную трубу.
  9. Установите стопорные гайки передней выпускной трубы на каталитическом нейтрализаторе.
  10. Затянуть
    Затяните стопорные гайки, прикрепляющие переднюю выпускную трубу к каталитическому нейтрализатору, до 30 Н•м (22 фунто-фута).



    V3B11G04
    Показать иллюстрациюПеревод текста в иллюстрациях


  11. Вставьте винты третьего глушителя во фланец передней выпускной трубы.
  12. Снимите резиновые крюки, крепящие промежуточную трубу на автомобиле.
  13. Установите гайки, прикрепляющие переднюю выпускную трубу к третьему глушителю.
  14. Затянуть
    Затяните гайки крепления переднюю выпускную трубу к третьему глушителю до 30 Н•м (22 фунто-фута).



    V3B11G03
    Показать иллюстрациюПеревод текста в иллюстрациях


  15. Установите кронштейн для крепления промежуточной трубы и гайки.
  16. Затянуть
    Затяните гайки кронштейна для крепления промежуточной трубы до 40 Н•м (30 фунто-футов).

  17. Присоедините разъем заднего датчика подогрева кислорода.
  18. Присоедините отрицательный кабель аккумулятора.
  19. Заправьте картер моторным маслом.


На предыдущую страницуНа следующую страницу
https://vnx.su/ 🛠 Руководства по ремонту и эксплуатации для автомобилей

Поиск по сайту

Остались вопросы или пожелания? Пишите на почту: support@vnx.su

Карта Сайта