К началу документа
Evanda
На предыдущую страницуНа следующую страницу
Главная страница GMDEЗагрузить нединамическое оглавлениеЗагрузить динамическое оглавлениеПомощь

РАЗДЕЛ 5B2

КОРОБКА ПЕРЕДАЧ / КОРОБКА ПЕРЕДАЧ С ГЛАВНОЙ ПЕРЕДАЧЕЙ В СБОРЕ (ПЯТИСТУПЕНЧАТАЯ МЕХАНИЧЕСКАЯ: Y4M)

G125B01
Показать иллюстрациюПеревод текста в иллюстрациях


ПЯТИСТУПЕНЧАТАЯ МКПП (Y4M) - МЕХАНИЧЕСКАЯ КОРОБКА ПЕРЕДАЧ С ГЛАВНОЙ ПЕРЕДАЧЕЙ В СБОРЕ (571)

ОПИСАНИЕ ОПЕРАЦИИ
КОД ОПЕРАЦИИ
МОДЕЛЬ
s
n
l (сиреневый)
1
. КОРОБКА ПЕРЕДАЧ С ГЛАВНОЙ ПЕРЕДАЧЕЙ В СБОРЕ - ЗАМЕНА
5710100
3.4
-
-
ВКЛ.: при необходимости замена отжимного подшипника сцепления
.
.
.
.
. КОРОБКА ПЕРЕДАЧ С ГЛАВНОЙ ПЕРЕДАЧЕЙ В СБОРЕ - КАПИТАЛЬНЫЙ РЕМОНТ
5710200
6.4
-
-
ВКЛ.: при необходимости замена отжимного подшипника сцепления
.
.
.
.
. ТРАНСМИССИОННОЕ МАСЛО - ЗАМЕНА
5710300
0.4
-
-
2
. КАРТЕР, МКПП (ЛЕВАЯ СТОРОНА) - ЗАМЕНА
5710400
4.7
-
-
3
. КАРТЕР, МКПП (ПРАВАЯ СТОРОНА) - ЗАМЕНА
5710500
5.1
-
-
4
. КРЫШКА, ЗАДНЯЯ СТОРОНА КОРОБКИ ПЕРЕДАЧ - ЗАМЕНА
5710600
3.7
-
-
5
. ПЛАСТИНА, УПОРНАЯ - ЗАМЕНА
5710700
4.2
-
-
s : kalos/aveo, n : nubira/lacetti, l : evanda

G125B02
Показать иллюстрациюПеревод текста в иллюстрациях


ПЯТИСТУПЕНЧАТАЯ МКПП (Y4M) - ПЕРЕДАЧА КОРОБКИ ПЕРЕДАЧ С ГЛАВНОЙ ПЕРЕДАЧЕЙ В СБОРЕ (572)

ОПИСАНИЕ ОПЕРАЦИИ
КОД ОПЕРАЦИИ
МОДЕЛЬ
s
n
l (сиреневый)
1
. ШЕСТЕРНЯ, 5-Я СКОРОСТЬ - ЗАМЕНА
5720100
4.1
-
-
ВКЛ.: время подбора регулировочной прокладки
.
.
.
.
ВКЛ.: при необходимости снятие и установка коробки передач с главной передачей в сборе и замена отжимного подшипника сцепления
.
.
.
.
2
. ШЕСТЕРНЯ, 4-Я СКОРОСТЬ - ЗАМЕНА
5720200
4.8
-
-
ВКЛ.: время подбора регулировочной прокладки
.
.
.
.
ВКЛ.: при необходимости снятие и установка коробки передач с главной передачей в сборе и замена отжимного подшипника сцепления
.
.
.
.
3
. ШЕСТЕРНЯ, 3-Я СКОРОСТЬ - ЗАМЕНА
5720300
4.8
-
-
ВКЛ.: время подбора регулировочной прокладки
.
.
.
.
ВКЛ.: при необходимости снятие и установка коробки передач с главной передачей в сборе и замена отжимного подшипника сцепления
.
.
.
.
4
. ШЕСТЕРНЯ, 2-Я СКОРОСТЬ - ЗАМЕНА
5720400
4.8
-
-
ВКЛ.: время подбора регулировочной прокладки
.
.
.
.
ВКЛ.: при необходимости снятие и установка коробки передач с главной передачей в сборе и замена отжимного подшипника сцепления
.
.
.
.
5
. ШЕСТЕРНЯ, 1-Я СКОРОСТЬ - ЗАМЕНА
5720500
4.9
-
-
ВКЛ.: время подбора регулировочной прокладки
.
.
.
.
ВКЛ.: при необходимости снятие и установка коробки передач с главной передачей в сборе и замена отжимного подшипника сцепления
.
.
.
.
6
. ВАЛ, ПРОМЕЖУТОЧНЫЙ КОРОБКИ ПЕРЕДАЧ С ГЛАВНОЙ ПЕРЕДАЧЕЙ В СБОРЕ - ЗАМЕНА
5720600
5.0
-
-
ВКЛ.: время подбора регулировочной прокладки
.
.
.
.
ВКЛ.: при необходимости снятие и установка коробки передач с главной передачей в сборе и замена отжимного подшипника сцепления
.
.
.
.
7
. СИНХРОНИЗАТОРЫ (5-я) - ЗАМЕНА
5720700
3.8
-
-
ВКЛ.: время подбора регулировочной прокладки
.
.
.
.
ВКЛ.: при необходимости снятие и установка коробки передач с главной передачей в сборе и замена отжимного подшипника сцепления
.
.
.
.
8
. СИНХРОНИЗАТОРЫ (3- и 4-я) - ЗАМЕНА
5720800
4.9
-
-
ВКЛ.: время подбора регулировочной прокладки
.
.
.
.
ВКЛ.: при необходимости снятие и установка коробки передач с главной передачей в сборе и замена отжимного подшипника сцепления
.
.
.
.
9
. СИНХРОНИЗАТОРЫ (1- И 2-я) - ЗАМЕНА
5720900
4.9
-
-
ВКЛ.: время подбора регулировочной прокладки
.
.
.
.
ВКЛ.: при необходимости снятие и установка коробки передач с главной передачей в сборе и замена отжимного подшипника сцепления
.
.
.
.
10
. ШЕСТЕРНЯ, СКОЛЬЗЯЩАЯ - ЗАМЕНА
5721000
4.9
-
-
ВКЛ.: время подбора регулировочной прокладки
.
.
.
.
ВКЛ.: при необходимости снятие и установка коробки передач с главной передачей в сборе и замена отжимного подшипника сцепления
.
.
.
.
s : kalos/aveo, n : nubira/lacetti, l : evanda

G125B02
Показать иллюстрациюПеревод текста в иллюстрациях


ПЯТИСТУПЕНЧАТАЯ МКПП (Y4M) - ПЕРЕДАЧА КОРОБКИ ПЕРЕДАЧ С ГЛАВНОЙ ПЕРЕДАЧЕЙ В СБОРЕ (572)

ОПИСАНИЕ ОПЕРАЦИИ
КОД ОПЕРАЦИИ
МОДЕЛЬ
s
n
l (сиреневый)
11
. ВТУЛКА, ПЕРЕКЛЮЧАЮЩАЯ - ЗАМЕНА
5721100
4.9
-
-
ВКЛ.: время подбора регулировочной прокладки
.
.
.
.
ВКЛ.: при необходимости снятие и установка коробки передач с главной передачей в сборе и замена отжимного подшипника сцепления
.
.
.
.
12
. ВТУЛКА, ВКЛЮЧЕНИЕ 5-Й СКОРОСТИ - ЗАМЕНА
5721200
3.8
-
-
ВКЛ.: время подбора регулировочной прокладки
.
.
.
.
ВКЛ.: при необходимости снятие и установка коробки передач с главной передачей в сборе и замена отжимного подшипника сцепления
.
.
.
.
13
. ВХОДНОЙ ВАЛ, КОРОБКА ПЕРЕДАЧ С ГЛАВНОЙ ПЕРЕДАЧЕЙ В СБОРЕ - ЗАМЕНА
5721300
5.0
-
-
ВКЛ.: время подбора регулировочной прокладки
.
.
.
.
ВКЛ.: при необходимости снятие и установка коробки передач с главной передачей в сборе и замена отжимного подшипника сцепления
.
.
.
.
14
. ВХОДНОЙ ВАЛ В СБОРЕ, КОРОБКА ПЕРЕДАЧ С ГЛАВНОЙ ПЕРЕДАЧЕЙ В СБОРЕ - ЗАМЕНА
5721400
4.7
-
-
ВКЛ.: время подбора регулировочной прокладки
.
.
.
.
ВКЛ.: при необходимости снятие и установка коробки передач с главной передачей в сборе и замена отжимного подшипника сцепления
.
.
.
.
15
. ШЕСТЕРНЯ, ЗАДНЕГО ХОДА ПРОМЕЖУТОЧНАЯ - ЗАМЕНА
5721500
4.6
-
-
ВКЛ.: время подбора регулировочной прокладки
.
.
.
.
ВКЛ.: при необходимости снятие и установка коробки передач с главной передачей в сборе и замена отжимного подшипника сцепления
.
.
.
.
16
. ПРОМЕЖУТОЧНЫЙ ВАЛ В СБОРЕ, КОРОБКА ПЕРЕДАЧ С ГЛАВНОЙ ПЕРЕДАЧЕЙ В СБОРЕ - ЗАМЕНА
5721600
4.7
-
-
ВКЛ.: время подбора регулировочной прокладки
.
.
.
.
ВКЛ.: при необходимости снятие и установка коробки передач с главной передачей в сборе и замена отжимного подшипника сцепления
.
.
.
.
17
. ПОДШИПНИК, ВХОДНОЙ ВАЛ - ЗАМЕНА
5721700
4.7
-
-
ВКЛ.: время подбора регулировочной прокладки
.
.
.
.
ВКЛ.: при необходимости снятие и установка коробки передач с главной передачей в сборе и замена отжимного подшипника сцепления
.
.
.
.
18
. УПЛОТНЕНИЕ, МАСЛЯНОЕ ВХОДНОГО ВАЛА - ЗАМЕНА
5721800
4.7
-
-
ВКЛ.: время подбора регулировочной прокладки
.
.
.
.
ВКЛ.: при необходимости снятие и установка коробки передач с главной передачей в сборе и замена отжимного подшипника сцепления
.
.
.
.
19
. ШЕСТЕРНЯ, 5-Я СКОРОСТЬ (ВХОДНАЯ) - ЗАМЕНА
5721900
3.8
-
-
ВКЛ.: время подбора регулировочной прокладки
.
.
.
.
ВКЛ.: при необходимости снятие и установка коробки передач с главной передачей в сборе и замена отжимного подшипника сцепления
.
.
.
.
s : kalos/aveo, n : nubira/lacetti, l : evanda

G125B02
Показать иллюстрациюПеревод текста в иллюстрациях


ПЯТИСТУПЕНЧАТАЯ МКПП (Y4M) - ПЕРЕДАЧА КОРОБКИ ПЕРЕДАЧ С ГЛАВНОЙ ПЕРЕДАЧЕЙ В СБОРЕ (572)

ОПИСАНИЕ ОПЕРАЦИИ
КОД ОПЕРАЦИИ
МОДЕЛЬ
s
n
l (сиреневый)
20
. ШЕСТЕРНЯ И/ИЛИ ПОДШИПНИК 4 ПЕРЕДАЧИ, ВХОДНЫЕ - ЗАМЕНА
5722000
4.8
-
-
ВКЛ.: время подбора регулировочной прокладки
.
.
.
.
ВКЛ.: при необходимости снятие и установка коробки передач с главной передачей в сборе и замена отжимного подшипника сцепления
.
.
.
.
21
. ШЕСТЕРНЯ И/ИЛИ ПОДШИПНИК 3 ПЕРЕДАЧИ, ВХОДНЫЕ - ЗАМЕНА
5722100
4.9
-
-
ВКЛ.: время подбора регулировочной прокладки
.
.
.
.
ВКЛ.: при необходимости снятие и установка коробки передач с главной передачей в сборе и замена отжимного подшипника сцепления
.
.
.
.
s : kalos/aveo, n : nubira/lacetti, l : evanda

G125B03
Показать иллюстрациюПеревод текста в иллюстрациях


ПЯТИСТУПЕНЧАТАЯ МКПП (Y4M) - КОЖУХ И ВИЛКА ПЕРЕКЛЮЧЕНИЯ ПЕРЕДАЧ (573)

ОПИСАНИЕ ОПЕРАЦИИ
КОД ОПЕРАЦИИ
МОДЕЛЬ
s
n
l (сиреневый)
1
. ВАЛ И/ИЛИ РЫЧАГ, ПЕРЕКЛЮЧЕНИЯ И ВЫБОРА ПЕРЕДАЧИ - ЗАМЕНА
5730100
4.7
-
-
2
. БОЛТ, БЛОКИРОВКА - ЗАМЕНА
5730200
0.3
-
-
3
. РЫЧАГ, ПЕРЕКЛЮЧЕНИЯ ПЕРЕДАЧ - ЗАМЕНА
5730300
0.8
-
-
4
. ВИЛКА И/ИЛИ ВАЛ, ПЕРЕКЛЮЧЕНИЕ (1-2) - ЗАМЕНА
5730400
4.7
-
-
ВКЛ.: при необходимости снятие и установка коробки передач с главной передачей в сборе и замена отжимного подшипника сцепления
.
.
.
.
5
. ВИЛКА И/ИЛИ ВАЛ, ПЕРЕКЛЮЧЕНИЕ (3-4) - ЗАМЕНА
5730500
4.7
-
-
ВКЛ.: при необходимости снятие и установка коробки передач с главной передачей в сборе и замена отжимного подшипника сцепления
.
.
.
.
6
. ВИЛКА И/ИЛИ ВАЛ, ПЕРЕКЛЮЧЕНИЕ (ЗАДНИЙ ХОД) - ЗАМЕНА
5730600
4.6
-
-
ВКЛ.: при необходимости снятие и установка коробки передач с главной передачей в сборе и замена отжимного подшипника сцепления
.
.
.
.
7
. ВАЛ, ВИЛКА ПЕРЕКЛЮЧЕНИЯ (5) - ЗАМЕНА
5730700
4.8
-
-
8
. РЫЧАГ, ШЕСТЕРНЯ ЗАДНЕГО ХОДА - ЗАМЕНА
5730800
4.6
-
-
s : kalos/aveo, n : nubira/lacetti, l : evanda

MLT5B004
Показать иллюстрациюПеревод текста в иллюстрациях


ПЯТИСТУПЕНЧАТАЯ МКПП (Y4M) - ДИФФЕРЕНЦИАЛЬНАЯ ПЕРЕДАЧА (574)

ОПИСАНИЕ ОПЕРАЦИИ
КОД ОПЕРАЦИИ
МОДЕЛЬ
s
n
l (сиреневый)
1
. ДИФФЕРЕНЦИАЛ В СБОРЕ - ЗАМЕНА
5740100
4.7
-
-
ВКЛ.: замена внутреннего и наружного масляного уплотнения моста
.
.
.
.
ВКЛ.: при необходимости снятие и установка коробки передач с главной передачей в сборе и замена отжимного подшипника сцепления
.
.
.
.
2
. БОКОВЫЕ ПОДШИПНИКИ - ЗАМЕНА
5740200
4.8
-
-
ВКЛ.: замена внутреннего и наружного масляного уплотнения моста
.
.
.
.
ВКЛ.: при необходимости снятие и установка коробки передач с главной передачей в сборе и замена отжимного подшипника сцепления
.
.
.
.
3
. КОЛЬЦЕВАЯ ШЕСТЕРНЯ - ЗАМЕНА
5740300
4.8
-
-
ВКЛ.: замена внутреннего и наружного масляного уплотнения моста
.
.
.
.
ВКЛ.: при необходимости снятие и установка коробки передач с главной передачей в сборе и замена отжимного подшипника сцепления
.
.
.
.
4
. МАЛЫЕ ШЕСТЕРНИ И БОКОВЫЕ ШЕСТЕРНИ - ЗАМЕНА
5740400
4.9
-
-
ВКЛ.: замена внутреннего и наружного масляного уплотнения моста
.
.
.
.
ВКЛ.: при необходимости снятие и установка коробки передач с главной передачей в сборе и замена отжимного подшипника сцепления
.
.
.
.
5
. ШЕСТЕРНЯ СПИДОМЕТРА - ЗАМЕНА
5740500
4.8
-
-
ВКЛ.: замена внутреннего и наружного масляного уплотнения моста
.
.
.
.
ВКЛ.: при необходимости снятие и установка коробки передач с главной передачей в сборе и замена отжимного подшипника сцепления
.
.
.
.
6
. КОРПУС ДИФФЕРЕНЦИАЛА - ЗАМЕНА
5740600
5.1
-
-
ВКЛ.: замена внутреннего и наружного масляного уплотнения моста
.
.
.
.
ВКЛ.: при необходимости снятие и установка коробки передач с главной передачей в сборе и замена отжимного подшипника сцепления
.
.
.
.
7
. УПЛОТНЕНИЯ, МОСТ (КОРОБКА ПЕРЕДАЧ С ГЛАВНОЙ ПЕРЕДАЧЕЙ В СБОРЕ) - ЗАМЕНА
.
.
.
.
Правый
5740700
1.1
-
-
Левый
5740800
1.1
-
-
Оба
5740900
1.8
-
-
s : kalos/aveo, n : nubira/lacetti, l : evanda

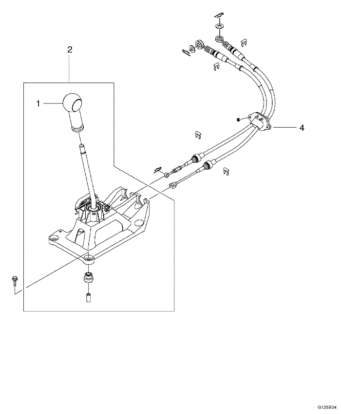
G125B04
Показать иллюстрациюПеревод текста в иллюстрациях


ПЯТИСТУПЕНЧАТАЯ МКПП (Y4M) - УПРАВЛЕНИЕ ПЕРЕКЛЮЧЕНИЕМ ПЕРЕДАЧ (575)

ОПИСАНИЕ ОПЕРАЦИИ
КОД ОПЕРАЦИИ
МОДЕЛЬ
s
n
l (сиреневый)
1
. РУЧКА, РЫЧАГ ПЕРЕКЛЮЧЕНИЯ ПЕРЕДАЧ - ЗАМЕНА
5750100
0.3
-
-
2
. БЛОК УПРАВЛЕНИЯ, НАПОЛЬНЫЙ МОНТАЖ ПЕРЕКЛЮЧАТЕЛЯ ПЕРЕДАЧ - ЗАМЕНА
5750200
0.5
-
-
3
. ЧЕХОЛ, ПЕРЕКЛЮЧЕНИЯ ПЕРЕДАЧ - ЗАМЕНА
5750300
0.3
-
-
4
. ТРОС, ВЫБОР И ПЕРЕКЛЮЧЕНИЕ ПЕРЕДАЧИ - ЗАМЕНА
5750400
1.0
-
-
s : kalos/aveo, n : nubira/lacetti, l : evanda
На предыдущую страницуНа следующую страницу


https://vnx.su/ 🛠 Руководства по ремонту и эксплуатации для автомобилей

Поиск по сайту

Остались вопросы или пожелания? Пишите на почту: support@vnx.su

Карта Сайта