К началу документа
Evanda
На предыдущую страницуНа следующую страницу
Главная страница GMDEЗагрузить нединамическое оглавлениеЗагрузить динамическое оглавлениеПомощь



4. КОНТРОЛЛЕР ЭЛЕКТРОННОЙ СИСТЕМЫ УПРАВЛЕНИЯ ДВИГАТЕЛЕМ : SIRIUS D6

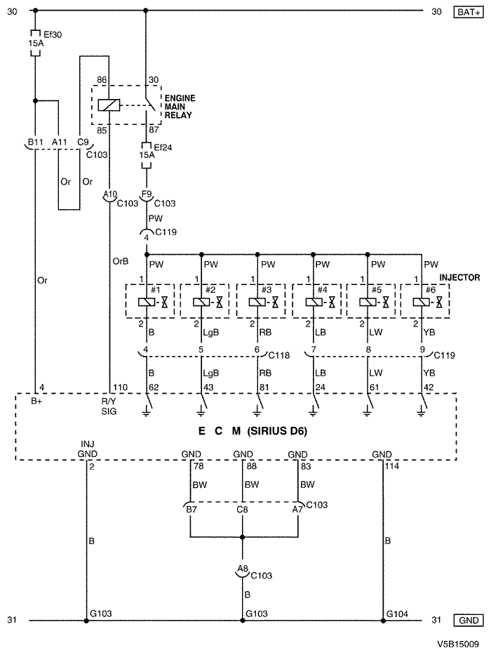
1) ЦЕПЬ КАТУШКИ ЗАЖИГАНИЯ И ТОПЛИВНОГО НАСОСА

V6B15014.png
Показать иллюстрациюПеревод текста в иллюстрациях


а. ИНФОРМАЦИЯ О РАЗЪЁМЕ

№ РАЗЪЁМА
(№ И ЦВЕТ КОНТАКТА)
СОЕДИНИТЕЛЬНЫЙ ЖГУТ ПРОВОДОВПОЛОЖЕНИЕ РАЗЪЁМА
C102 (контакт 68, коричневый) Блок предохранителей в моторном отсеке - кузов Блок предохранителей в моторном отсеке
С103 (контакт 68, черный) Блок предохранителей в моторном отсеке - двигатель Блок предохранителей в моторном отсеке
С118 (контакт 6, черный) Двигатель - впуск Под головкой цилиндров
С119 (контакт 12, черный) Двигатель - впуск Под головкой цилиндров
С201 (контакт 22, белый) Блок предохранителей на приборной панели - приборная панель БЛОК ПРЕДОХРАНИТЕЛЕЙ НА ПРИБОРНОЙ ПАНЕЛИ
С203 (контакт 3, серый) Блок предохранителей на приборной панели - приборная панель БЛОК ПРЕДОХРАНИТЕЛЕЙ НА ПРИБОРНОЙ ПАНЕЛИ
С207 (контакт 16, белый) Приборная панель - кузов Нижняя часть пространства для ног водителя
С901 (контакт 10, черный) Кузов - топливный насос Под задним сиденьем
G104 Контроллер ЭСУД Перед и низ блока цилиндров
G303 Кузов Под правой задней стойкой с левой стороны

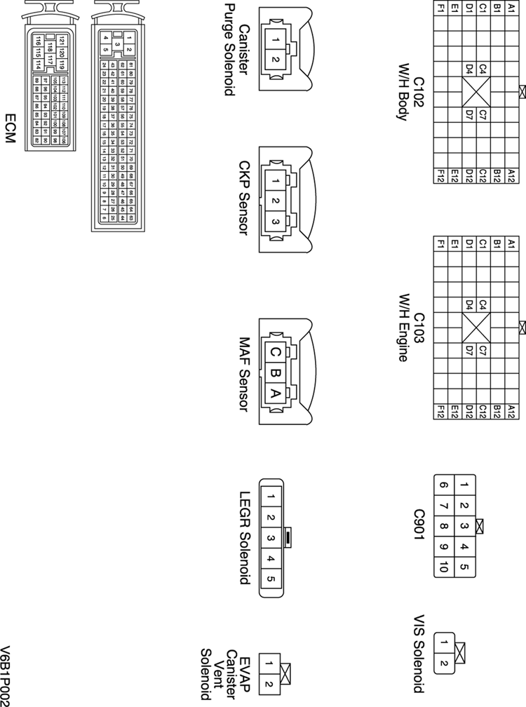
б. УСЛОВНОЕ ОБОЗНАЧЕНИЕ & И НАХОЖДЕНИЕ НОМЕРА КОНТАКТА

V5B1P016.png
Показать иллюстрациюПеревод текста в иллюстрациях


в. РАСПОЛОЖЕНИЕ РАЗЪЁМОВ И СОЕДИНЕНИЙ МАССЫ

V3B32018.png
Показать иллюстрациюПеревод текста в иллюстрациях


V3B32017.png
Показать иллюстрациюПеревод текста в иллюстрациях


V3B32002.png
Показать иллюстрациюПеревод текста в иллюстрациях


2) ЦЕПЬ ФОРСУНКИ

V5B15009.png
Показать иллюстрациюПеревод текста в иллюстрациях


а. ИНФОРМАЦИЯ О РАЗЪЁМЕ

№ РАЗЪЁМА
(№ И ЦВЕТ КОНТАКТА)
СОЕДИНИТЕЛЬНЫЙ ЖГУТ ПРОВОДОВПОЛОЖЕНИЕ РАЗЪЁМА
С103 (контакт 68, черный) Блок предохранителей в моторном отсеке - двигатель Блок предохранителей в моторном отсеке
С118 (контакт 6, черный) Двигатель - впуск Под головкой цилиндров
С119 (контакт 12, черный) Двигатель - впуск Под головкой цилиндров
G103 Двигатель Перед и низ блока цилиндров
G104 Контроллер ЭСУД Перед и низ блока цилиндров

б. УСЛОВНОЕ ОБОЗНАЧЕНИЕ & И НАХОЖДЕНИЕ НОМЕРА КОНТАКТА

V5B1P017.png
Показать иллюстрациюПеревод текста в иллюстрациях


в. РАСПОЛОЖЕНИЕ РАЗЪЁМОВ И СОЕДИНЕНИЙ МАССЫ

V3B32017.png
Показать иллюстрациюПеревод текста в иллюстрациях


V3B32018.png
Показать иллюстрациюПеревод текста в иллюстрациях


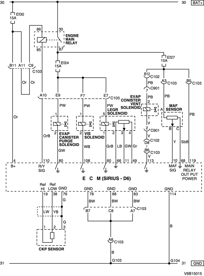
3) ЦЕПЬ КЛАПАНОВ (ПРОДУВКИ АДСОРБЕРА, ЭНЕРГОСБЕРЕГАЮЩЕГО ПРИВОДА, РЕГУЛИРУЕМОЙ СИСТЕМЫ ВПУСКА И РЕЦИРКУЛЯЦИИ ОТРАБОТАВШИХ ГАЗОВ) И ДАТЧИКА МАССОВОГО РАСХОДА ВОЗДУХА

V6B15015.png
Показать иллюстрациюПеревод текста в иллюстрациях


а. ИНФОРМАЦИЯ О РАЗЪЁМЕ

№ РАЗЪЁМА
(№ И ЦВЕТ КОНТАКТА)
СОЕДИНИТЕЛЬНЫЙ ЖГУТ ПРОВОДОВПОЛОЖЕНИЕ РАЗЪЁМА
C102 (контакт 68, коричневый) Блок предохранителей в моторном отсеке - кузов Блок предохранителей в моторном отсеке
С103 (контакт 68, черный) Блок предохранителей в моторном отсеке - двигатель Блок предохранителей в моторном отсеке
С901 (контакт 14, черный) Кузов - топливный насос Под задним сиденьем
G103 Двигатель Перед и низ блока цилиндров
G104 Контроллер ЭСУД Перед и низ блока цилиндров

б. УСЛОВНОЕ ОБОЗНАЧЕНИЕ & И НАХОЖДЕНИЕ НОМЕРА КОНТАКТА

V6B1P002.png
Показать иллюстрациюПеревод текста в иллюстрациях


в. РАСПОЛОЖЕНИЕ РАЗЪЁМОВ И СОЕДИНЕНИЙ МАССЫ

V3B32017.png
Показать иллюстрациюПеревод текста в иллюстрациях


V3B32019.png
Показать иллюстрациюПеревод текста в иллюстрациях


V3B32018.png
Показать иллюстрациюПеревод текста в иллюстрациях


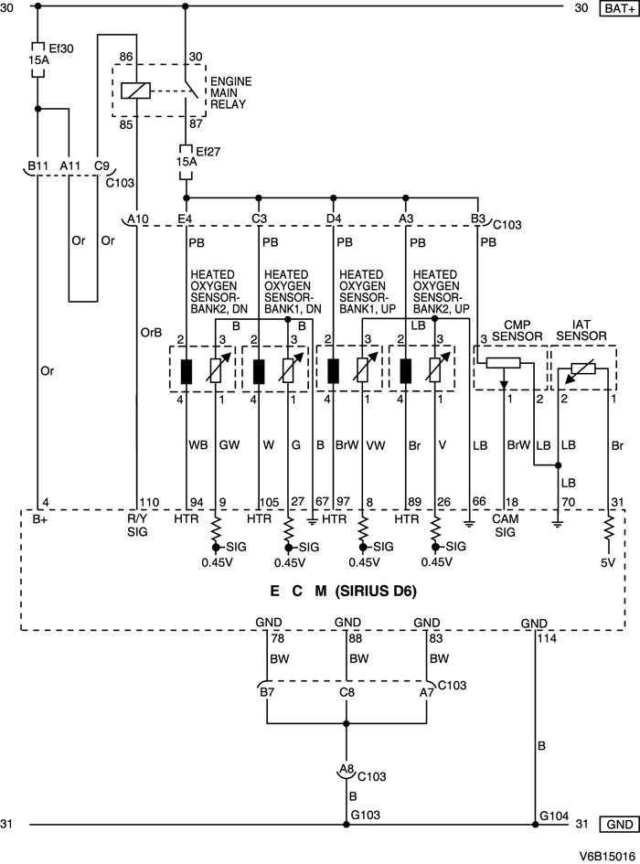
4) ЦЕПЬ ДАТЧИКОВ (КИСЛОРОДА С ЭЛЕКТРООБОГРЕВОМ, ПОЛОЖЕНИЯ РАСПРЕДЕЛИТЕЛЬНОГО ВАЛА И ТЕМПЕРАТУРЫ ВПУСКНОГО ВОЗДУХА)

V6B15016.png
Показать иллюстрациюПеревод текста в иллюстрациях


а. ИНФОРМАЦИЯ О РАЗЪЁМЕ

№ РАЗЪЁМА
(№ И ЦВЕТ КОНТАКТА)
СОЕДИНИТЕЛЬНЫЙ ЖГУТ ПРОВОДОВПОЛОЖЕНИЕ РАЗЪЁМА
С103 (контакт 68, черный) Блок предохранителей в моторном отсеке - двигатель Блок предохранителей в моторном отсеке
G103 Двигатель Перед и низ блока цилиндров
G104 Контроллер ЭСУД Перед и низ блока цилиндров

б. УСЛОВНОЕ ОБОЗНАЧЕНИЕ & И НАХОЖДЕНИЕ НОМЕРА КОНТАКТА

V5B1P019.png
Показать иллюстрациюПеревод текста в иллюстрациях


в. РАСПОЛОЖЕНИЕ РАЗЪЁМОВ И СОЕДИНЕНИЙ МАССЫ

V3B32017.png
Показать иллюстрациюПеревод текста в иллюстрациях


V3B32019.png
Показать иллюстрациюПеревод текста в иллюстрациях


V3B32018.png
Показать иллюстрациюПеревод текста в иллюстрациях


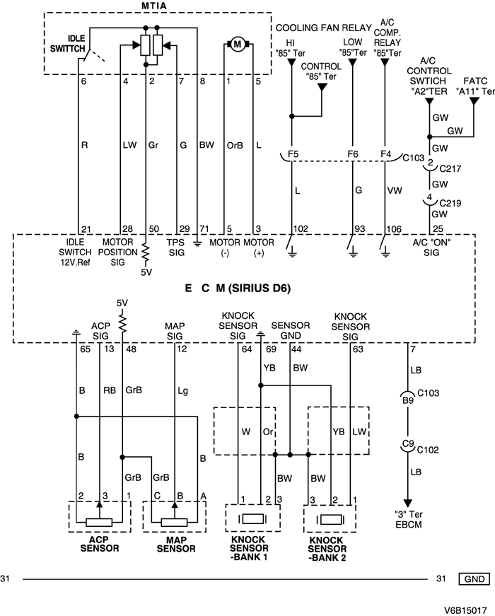
5) ЦЕПЬ ДАТЧИКОВ (ДАВЛЕНИЯ КОМПРЕССОРА, АБСОЛЮТНОГО ДАВЛЕНИЯ В КОЛЛЕКТОРЕ И ДЕТОНАЦИИ) И ПРИВОДА РЕГУЛЯТОРА ХОЛОСТОГО ХОДА ГЛАВНОЙ ДРОССЕЛЬНОЙ ЗАСЛОНКИ

V6B15017.png
Показать иллюстрациюПеревод текста в иллюстрациях


а. ИНФОРМАЦИЯ О РАЗЪЁМЕ

№ РАЗЪЁМА
(№ И ЦВЕТ КОНТАКТА)
СОЕДИНИТЕЛЬНЫЙ ЖГУТ ПРОВОДОВПОЛОЖЕНИЕ РАЗЪЁМА
C102 (контакт 68, коричневый) Блок предохранителей в моторном отсеке - кузов Блок предохранителей в моторном отсеке
С103 (контакт 68, черный) Блок предохранителей в моторном отсеке - двигатель Блок предохранителей в моторном отсеке
С207 (контакт 16, белый) Приборная панель - кузов Нижняя часть пространства для ног водителя
С210 (контакт 23, белый) Приборная панель - кузов Нижняя часть пространства для ног водителя
С217 (контакт 15, белый) Приборная панель - автоматическое регулирование температуры За вещевым ящиком
С219 (контакт 16, белый) Двигатель - приборная панель Нижняя часть пространства для ног пассажира

б. УСЛОВНОЕ ОБОЗНАЧЕНИЕ & И НАХОЖДЕНИЕ НОМЕРА КОНТАКТА

V5B1P020.png
Показать иллюстрациюПеревод текста в иллюстрациях


в. РАСПОЛОЖЕНИЕ РАЗЪЁМОВ И СОЕДИНЕНИЙ МАССЫ

V3B32017.png
Показать иллюстрациюПеревод текста в иллюстрациях


V3B32019.png
Показать иллюстрациюПеревод текста в иллюстрациях


V3B32018.png
Показать иллюстрациюПеревод текста в иллюстрациях


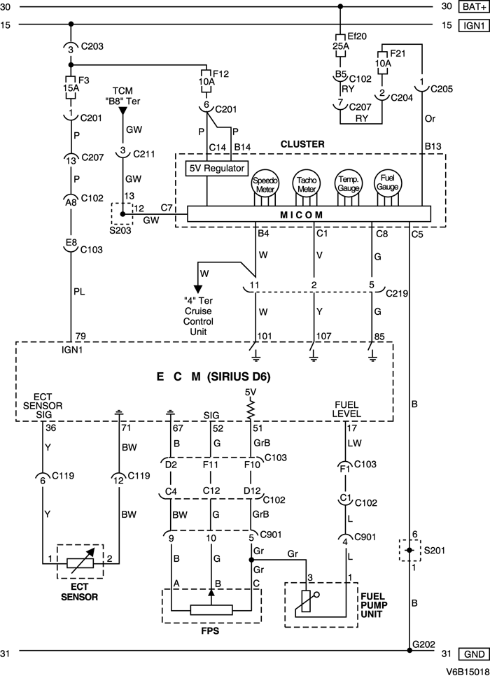
6) ЦЕПЬ КОМБИНАЦИИ ПРИБОРОВ, ДАТЧИКА ТЕМПЕРАТУРЫ ОХЛАЖДАЮЩЕЙ ЖИДКОСТИ, ГИБКОЙ ПРЕССОВОЙ СИСТЕМЫ И ТОПЛИВНОГО НАСОСА

V6B15018.png
Показать иллюстрациюПеревод текста в иллюстрациях


а. ИНФОРМАЦИЯ О РАЗЪЁМЕ

№ РАЗЪЁМА
(№ И ЦВЕТ КОНТАКТА)
СОЕДИНИТЕЛЬНЫЙ ЖГУТ ПРОВОДОВПОЛОЖЕНИЕ РАЗЪЁМА
C102 (контакт 68, коричневый) Блок предохранителей в моторном отсеке - кузов Блок предохранителей в моторном отсеке
С103 (контакт 68, черный) Блок предохранителей в моторном отсеке - двигатель Блок предохранителей в моторном отсеке
С119 (контакт 12, черный) Двигатель - впуск Под головкой цилиндров
С201 (контакт 22, белый) Блок предохранителей на приборной панели - приборная панель БЛОК ПРЕДОХРАНИТЕЛЕЙ НА ПРИБОРНОЙ ПАНЕЛИ
С203 (контакт 3, серый) Блок предохранителей на приборной панели - приборная панель БЛОК ПРЕДОХРАНИТЕЛЕЙ НА ПРИБОРНОЙ ПАНЕЛИ
С204 (контакт 4, белый) Блок предохранителей на приборной панели - приборная панель БЛОК ПРЕДОХРАНИТЕЛЕЙ НА ПРИБОРНОЙ ПАНЕЛИ
С205 (контакт 18, белый) Блок предохранителей на приборной панели - приборная панель БЛОК ПРЕДОХРАНИТЕЛЕЙ НА ПРИБОРНОЙ ПАНЕЛИ
С207 (контакт 16, белый) Приборная панель - кузов Нижняя часть пространства для ног водителя
С211 (контакт 22, белый) Приборная панель - контроллер КПП Нижняя часть пространства для ног водителя
С219 (контакт 16, белый) Двигатель - приборная панель Нижняя часть пространства для ног пассажира
С901 (контакт 14, черный) Кузов - топливный насос Под задним сиденьем
S201 (оранжев.) Приборная панель За коробкой реле приборной панели
S203 (оранжев.) Приборная панель За аудиосистемой с правой стороны
G202 Приборная панель За прикуривателем с левой стороны

б. УСЛОВНОЕ ОБОЗНАЧЕНИЕ & И НАХОЖДЕНИЕ НОМЕРА КОНТАКТА

V5B1P022.png
Показать иллюстрациюПеревод текста в иллюстрациях


в. РАСПОЛОЖЕНИЕ РАЗЪЁМОВ И СОЕДИНЕНИЙ МАССЫ

V3B32017.png
Показать иллюстрациюПеревод текста в иллюстрациях


V3B32019.png
Показать иллюстрациюПеревод текста в иллюстрациях


г. КОНТАКТНАЯ КОЛОДКА

s201 (ОРАНЖЕВ.) : 2.5L

V6B1S001.png
Показать иллюстрациюПеревод текста в иллюстрациях


s203 (ОРАНЖЕВ.) : 2.5L

V6B1S003.png
Показать иллюстрациюПеревод текста в иллюстрациях


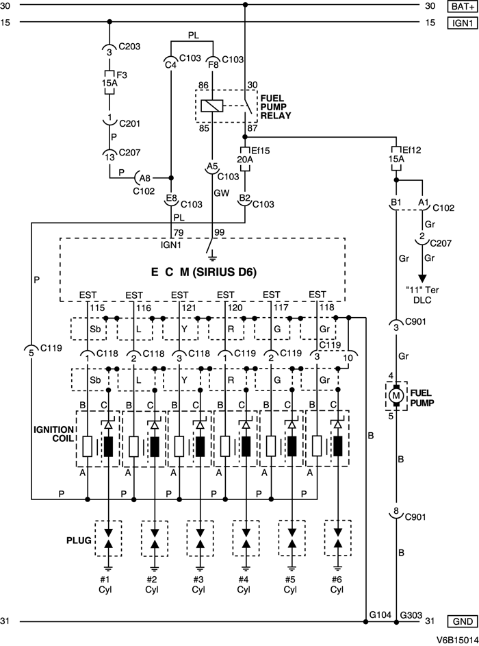
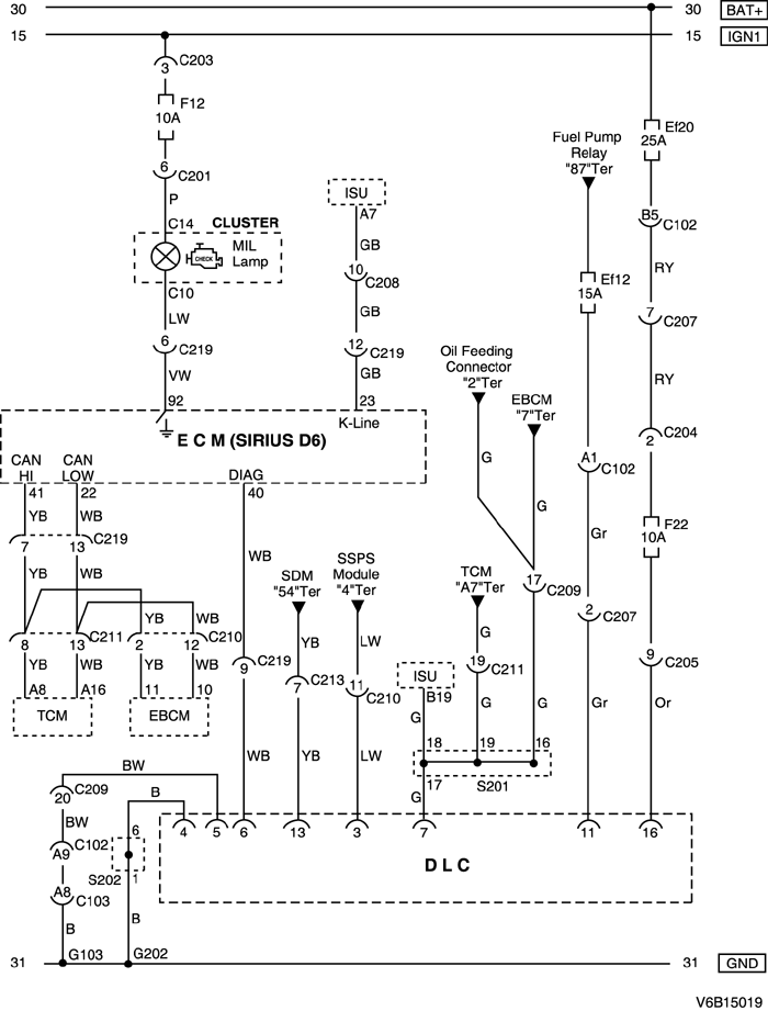
7) ЦЕПЬ КОНТРОЛЬНОЙ ЛАМПЫ ИНДИКАЦИИ НЕИСПРАВНОСТИ И КОЛОДКИ ДИАГНОСТИКИ

V6B15019.png
Показать иллюстрациюПеревод текста в иллюстрациях


а. ИНФОРМАЦИЯ О РАЗЪЁМЕ

№ РАЗЪЁМА
(№ И ЦВЕТ КОНТАКТА)
СОЕДИНИТЕЛЬНЫЙ ЖГУТ ПРОВОДОВПОЛОЖЕНИЕ РАЗЪЁМА
C102 (контакт 68, коричневый) Блок предохранителей в моторном отсеке - кузов Блок предохранителей в моторном отсеке
С103 (контакт 68, черный) Блок предохранителей в моторном отсеке - двигатель Блок предохранителей в моторном отсеке
С201 (контакт 22, белый) Блок предохранителей на приборной панели - приборная панель БЛОК ПРЕДОХРАНИТЕЛЕЙ НА ПРИБОРНОЙ ПАНЕЛИ
С203 (контакт 3, серый) Блок предохранителей на приборной панели - приборная панель БЛОК ПРЕДОХРАНИТЕЛЕЙ НА ПРИБОРНОЙ ПАНЕЛИ
С204 (контакт 4, белый) Блок предохранителей на приборной панели - приборная панель БЛОК ПРЕДОХРАНИТЕЛЕЙ НА ПРИБОРНОЙ ПАНЕЛИ
С205 (контакт 18, белый) Блок предохранителей на приборной панели - приборная панель БЛОК ПРЕДОХРАНИТЕЛЕЙ НА ПРИБОРНОЙ ПАНЕЛИ
С207 (контакт 16, белый) Приборная панель - кузов Нижняя часть пространства для ног водителя
С208 (контакт 16, желтый) Приборная панель - кузов Нижняя часть пространства для ног водителя
С209 (контакт 22, белый) Приборная панель - кузов Нижняя часть пространства для ног водителя
С210 (контакт 28, белый) Приборная панель - кузов Нижняя часть пространства для ног водителя
С211 (контакт 22, белый) Приборная панель - контроллер КПП Нижняя часть пространства для ног водителя
С213 (контакт 8, белый) Подушка безопасности - приборная панель За цифровыми часами
С219 (контакт 16, белый) Двигатель - приборная панель Нижняя часть пространства для ног пассажира
S201 (оранжев.) Приборная панель За коробкой реле приборной панели
S202 (оранжев.) Приборная панель Верхняя часть пространства для ног водителя с правой стороны
G103 Двигатель Перед и низ блока цилиндров
G202 Приборная панель За прикуривателем с левой стороны

б. УСЛОВНОЕ ОБОЗНАЧЕНИЕ & И НАХОЖДЕНИЕ НОМЕРА КОНТАКТА

V5B1P023.png
Показать иллюстрациюПеревод текста в иллюстрациях


в. РАСПОЛОЖЕНИЕ РАЗЪЁМОВ И СОЕДИНЕНИЙ МАССЫ

V3C32002.png
Показать иллюстрациюПеревод текста в иллюстрациях


г. КОНТАКТНАЯ КОЛОДКА

s201 (ОРАНЖЕВ.) : 2.5L

V6B1S001.png
Показать иллюстрациюПеревод текста в иллюстрациях


s202 (ОРАНЖЕВ.) : 2.5L

V6B1S002.png
Показать иллюстрациюПеревод текста в иллюстрациях


На предыдущую страницуНа следующую страницу


https://vnx.su/ 🛠 Руководства по ремонту и эксплуатации для автомобилей

Поиск по сайту

Остались вопросы или пожелания? Пишите на почту: support@vnx.su

Карта Сайта