К началу документа
Evanda
На предыдущую страницуНа следующую страницу
Главная страница GMDEЗагрузить нединамическое оглавлениеЗагрузить динамическое оглавлениеПомощь



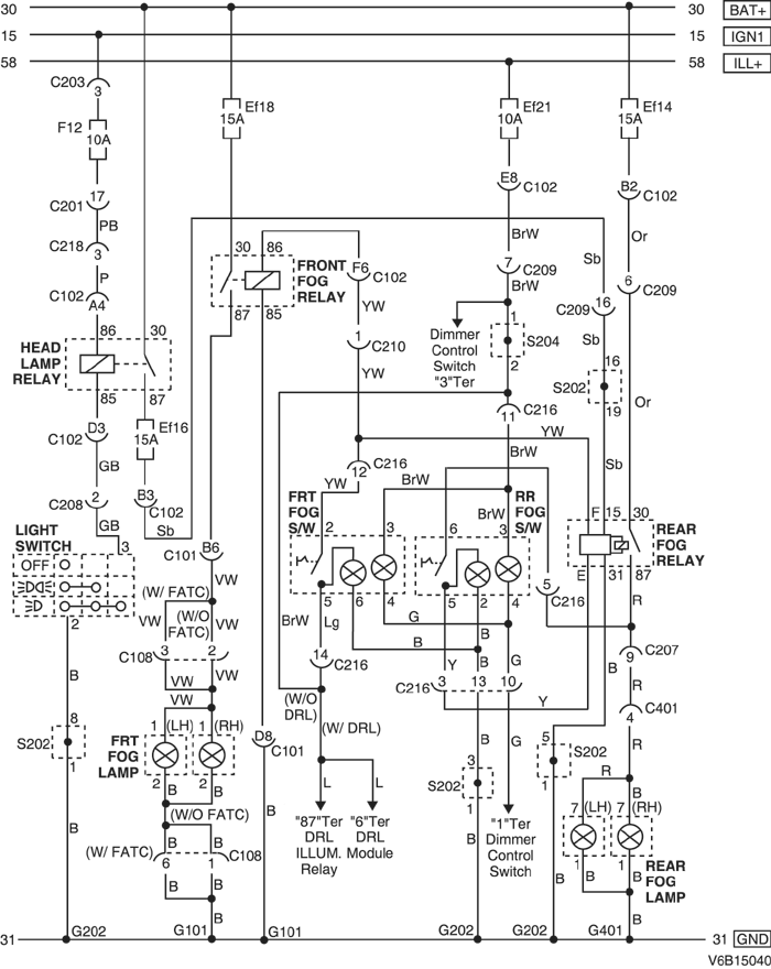
12. ЦЕПЬ ПЕРЕДНИХ И ЗАДНИХ ПРОТИВОТУМАННЫХ ФАР

1) 2.0L DOHC

V6B15040.png
Показать иллюстрациюПеревод текста в иллюстрациях


а. ИНФОРМАЦИЯ О РАЗЪЁМЕ

№ РАЗЪЁМА
(№ И ЦВЕТ КОНТАКТА)
СОЕДИНИТЕЛЬНЫЙ ЖГУТ ПРОВОДОВПОЛОЖЕНИЕ РАЗЪЁМА
С101 (контакт 68, серый) Блок предохранителей в моторном отсеке - передняя часть Блок предохранителей в моторном отсеке
C102 (контакт 68, коричневый) Блок предохранителей в моторном отсеке - кузов Блок предохранителей в моторном отсеке
С108 (контакт 6(2), черный) Передняя часть - передний бампер Под правой фарой
С201 (контакт 22, белый) Блок предохранителей на приборной панели - приборная панель БЛОК ПРЕДОХРАНИТЕЛЕЙ НА ПРИБОРНОЙ ПАНЕЛИ
С203 (контакт 3, серый) Блок предохранителей на приборной панели - приборная панель БЛОК ПРЕДОХРАНИТЕЛЕЙ НА ПРИБОРНОЙ ПАНЕЛИ
С207 (контакт 16, белый) Приборная панель - кузов Нижняя часть пространства для ног водителя
С208 (контакт 16, желтый) Приборная панель - кузов Нижняя часть пространства для ног водителя
С209 (контакт 22, белый) Приборная панель - кузов Нижняя часть пространства для ног водителя
С210 (контакт 23, белый) Приборная панель - кузов Нижняя часть пространства для ног водителя
С216 (контакт 15, белый) Приборная панель - блок переключателей За пепельницей
С218 (контакт 18, белый) Приборная панель - кузов Нижняя часть пространства для ног пассажира
С401 (контакт 8, белый) Кузов - багажный отсек За задним фонарем с левой стороны
S202 (оранжев.) Приборная панель Верхняя часть пространства для ног водителя с правой стороны
S204 (красн.) Приборная панель За прикуривателем с левой стороны
G101 ПЕРЕДНЯЯ ЧАСТЬ За левой фарой
G102 ПЕРЕДНЯЯ ЧАСТЬ За правой фарой
G401 Багажный отсек Панель с левой стороны в багажном отсеке

б. УСЛОВНОЕ ОБОЗНАЧЕНИЕ & И НАХОЖДЕНИЕ НОМЕРА КОНТАКТА

V5B1P044.png
Показать иллюстрациюПеревод текста в иллюстрациях


в. РАСПОЛОЖЕНИЕ РАЗЪЁМОВ И СОЕДИНЕНИЙ МАССЫ

V3B12001.png
Показать иллюстрациюПеревод текста в иллюстрациях


V3B12012.png
Показать иллюстрациюПеревод текста в иллюстрациях


г. КОНТАКТНАЯ КОЛОДКА

s202 (ОРАНЖЕВ.) : 2.0L

V5B1S003.png
Показать иллюстрациюПеревод текста в иллюстрациях


s204 (КРАСН.) : 2.0L

V5B1S007.png
Показать иллюстрациюПеревод текста в иллюстрациях


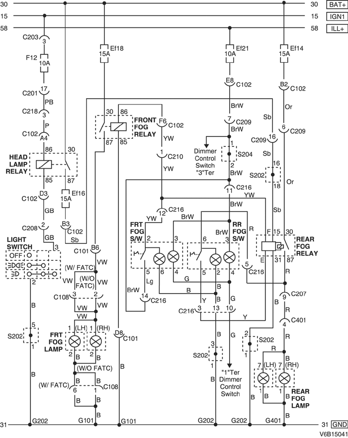
2) 2.5L DOHC

V6B15041.png
Показать иллюстрациюПеревод текста в иллюстрациях


а. ИНФОРМАЦИЯ О РАЗЪЁМЕ

№ РАЗЪЁМА
(№ И ЦВЕТ КОНТАКТА)
СОЕДИНИТЕЛЬНЫЙ ЖГУТ ПРОВОДОВПОЛОЖЕНИЕ РАЗЪЁМА
С101 (контакт 68, серый) Блок предохранителей в моторном отсеке - передняя часть Блок предохранителей в моторном отсеке
C102 (контакт 68, коричневый) Блок предохранителей в моторном отсеке - кузов Блок предохранителей в моторном отсеке
С108 (контакт 6(2), черный) Передняя часть - передний бампер Под правой фарой
С201 (контакт 22, белый) Блок предохранителей на приборной панели - приборная панель БЛОК ПРЕДОХРАНИТЕЛЕЙ НА ПРИБОРНОЙ ПАНЕЛИ
С203 (контакт 3, серый) Блок предохранителей на приборной панели - приборная панель БЛОК ПРЕДОХРАНИТЕЛЕЙ НА ПРИБОРНОЙ ПАНЕЛИ
С207 (контакт 16, белый) Приборная панель - кузов Нижняя часть пространства для ног водителя
С208 (контакт 16, желтый) Приборная панель - кузов Нижняя часть пространства для ног водителя
С209 (контакт 22, белый) Приборная панель - кузов Нижняя часть пространства для ног водителя
С210 (контакт 23, белый) Приборная панель - кузов Нижняя часть пространства для ног водителя
С216 (контакт 15, белый) Приборная панель - блок переключателей За пепельницей
С218 (контакт 18, белый) Приборная панель - кузов Нижняя часть пространства для ног пассажира
С401 (контакт 8, белый) Кузов - багажный отсек За задним фонарем с левой стороны
S202 (оранжев.) Приборная панель Верхняя часть пространства для ног водителя с правой стороны
S204 (красн.) Приборная панель За прикуривателем с левой стороны
G101 ПЕРЕДНЯЯ ЧАСТЬ За левой фарой
G102 ПЕРЕДНЯЯ ЧАСТЬ За правой фарой
G401 Багажный отсек Панель с левой стороны в багажном отсеке

б. УСЛОВНОЕ ОБОЗНАЧЕНИЕ & И НАХОЖДЕНИЕ НОМЕРА КОНТАКТА

V5B1P044.png
Показать иллюстрациюПеревод текста в иллюстрациях


в. РАСПОЛОЖЕНИЕ РАЗЪЁМОВ И СОЕДИНЕНИЙ МАССЫ

V3B12001.png
Показать иллюстрациюПеревод текста в иллюстрациях


V3B12012.png
Показать иллюстрациюПеревод текста в иллюстрациях


г. КОНТАКТНАЯ КОЛОДКА

s202 (ОРАНЖЕВ.) : 2.5L

V6B1S002.png
Показать иллюстрациюПеревод текста в иллюстрациях


s204 (КРАСН.) : 2.5L

V6B1S004.png
Показать иллюстрациюПеревод текста в иллюстрациях


На предыдущую страницуНа следующую страницу


https://vnx.su/ 🛠 Руководства по ремонту и эксплуатации для автомобилей

Поиск по сайту

Остались вопросы или пожелания? Пишите на почту: support@vnx.su

Карта Сайта