К началу документа
Tacuma
На предыдущую страницуНа следующую страницу
Главная страница GMDEЗагрузить нединамическое оглавлениеЗагрузить динамическое оглавлениеПомощь

РАЗДЕЛ 9A

СИСТЕМА ЭЛЕКТРОПРОВОДКИ КУЗОВА

Внимание! Отсоедините провод от отрицательного вывода аккумулятора, прежде чем снимать или устанавливать какие-либо электрические устройства, а также в ситуации, когда есть возможность касания оголенных электрических контактов каким-либо инструментом или приспособлением. Отсоединение этого провода позволяет избежать травм и повреждения оборудования автомобиля. Кроме того, если не указано иное, зажигание должно находиться в положении LOCK.

ТЕХНИЧЕСКИЕ ХАРАКТЕРИСТИКИ

ОБОЗНАЧЕНИЕ ЦВЕТА ПРОВОДОВ

Цвет провода
Сокращение на схеме
Зеленый
ТЕМ ЗЕЛ
Светло-зеленый
СВ ЗЕЛ
Синий
ТЕМ СИН
Коричневый
КОР
Оранжевый
ОРЖ
Желтый
ЖЕЛ
Серый
СЕР
Небесно-голубой
ГОЛ
Красный
КРС
Черный
ЧЕР
Розовый
РОЗ
Белый
БЕЛ
Пурпурный
ПУР

Провода с маркировочными нитями

Цвет провода
Сокращение на схеме
Красный с белой нитью
КРС/БЕЛ

ПРИНЦИПИАЛЬНЫЕ И МОНТАЖНЫЕ СХЕМЫ

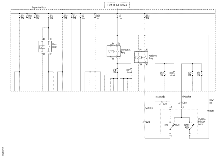
СХЕМА РАСПРЕДЕЛЕНИЯ ЭЛЕКТРОЭНЕРГИИ


U5D19A01
Показать иллюстрациюПеревод текста в иллюстрациях



U5D19A02
Показать иллюстрациюПеревод текста в иллюстрациях


РАСПОЛОЖЕНИЕ БЛОКА ПРЕДОХРАНИТЕЛЕЙ (ДВИГАТЕЛЬ)


U5D19A03
Показать иллюстрациюПеревод текста в иллюстрациях


РАСПОЛОЖЕНИЕ БЛОКА ПРЕДОХРАНИТЕЛЕЙ (ПАНЕЛЬ ПРИБОРОВ)


U5D19A04
Показать иллюстрациюПеревод текста в иллюстрациях


ТАБЛИЦА ПРЕДОХРАНИТЕЛЕЙ

Предохранители в блоке предохранителей моторного отсека

Подача питания
Классификация
№ предохранителя
Номинал
Назначение
30 bat (+)
sb (Плавкий предохранитель с задержкой срабатывания)
ef1
30a
Зажигание-1 (ключ)
ef2
30a
Зажигание-2 (ключ)
ef3
40a
Вентилятор охлаждения, высокая скорость
ef4
30a
Реле вентилятора
ef5
30a
Главное реле двигателя
ef6
40a
Блок предохранителей приборной панели (f1 - f10)
ef7
20a
Реле освещения
ef8
30a
Реле обогревателя заднего стекла
ef9
30a
Электрический стеклоподъемник
ef10
30a
Вентилятор охлаждения, низкая скорость
ef11
60a
Антиблокировочная система
ef12
20a
Реле фар
Ножевой предохранитель
ef13
10a
Устройство подачи звукового сигнала
ef14
15a
Противотуманные фары
ef15
10a
Сирена
Освещение (58)
ef16
10a
Освещение (левая сторона)
ef17
10a
Освещение (правая сторона)
30 bat (+) 30
ef18
10a
Ближний свет левой фары
ef19
10a
Ближний свет правой фары
ef20
10a
Дальний свет левой фары
ef21
10a
Дальний свет правой фары
ef22
10a
e.C.M
ef23
15a
Топливный насос
ef24
10a
Реле комп.
ign 1 (15)
ef25
10a
Инжектор (2.0 DOHC)
ef25
10a
ecm (1.8 SOHC)
ef26
15a
ei system (2.0 DOHC)
ef26
10a
Инжектор (1.8 SOHC)
ign 2 (15a)
ef27
10a
Подогрев зеркала
ef28
15a
Розетка питания
ef29
5a
Датчик cmp (mr-140)
ign 1 (15)
ef30
15a
Подогрев коврика
ЗАПАСНОЙ
ef31
-
Не используется
ef32
-
Не используется
ef33
-
Не используется

Предохранители в блоке предохранителей приборной панели

Подача питания
Классификация
№ предохранителя
Номинал
Назначение
30 bat (+)
Ножевой предохранитель
f1
20a
Окно крыши
f2
15a
Стоп-сигнал
f3
10a
Плафон освещения салона, часы, комбинация приборов, плафон индивидуального освещения, багажник
f4
10a
Вывод '6' разъема dlc
f5
-
Не используется
f6
-
Не используется
f7
15a
Замок двери
f8
15a
Выключатель аварийной сигнализации
f9
10a
tcm, иммобилайзер
f10
10a
Аудио, fatc
ign 2 (15a)
f11
10a
Электрическое зеркало
f12
25a
Стеклоочиститель
ign 1 (15)
f13
15a
Генератор, датчик cmp, соленоид опорожнения резервуара evap
f14
10a
Лампа заднего хода, выключатель pnp
f15
10a
tcm, комбинация приборов, выключатель pnp, ecm
f16
10a
Комбинация приборов, соленоид btsi, звуковая сигнализация, часы
ign 2 (15a)
f17
10a
Реле 2 зажигания, ebcm
f18
20a
Нагреватель
ign 1 (15)
f19
15a
Подушка безопасности
f20
10a
Указатель поворота
f21
10a
Иммобилайзер
acc (15c)
f22
15a
Аудио
f23
15a
Прикуриватель
f24
-
Не используется

ПРОКЛАДКА ЖГУТА КОМБИНАЦИИ ПРИБОРОВ ДЛЯ ЛЕВОСТОРОННЕГО УПРАВЛЕНИЯ


U4A19A04
Показать иллюстрациюПеревод текста в иллюстрациях


ПРОКЛАДКА ЖГУТА БЛОКА ПРЕДОХРАНИТЕЛЕЙ ПРИБОРНОЙ ПАНЕЛИ


UAA9A070
Показать иллюстрациюПеревод текста в иллюстрациях


ПРОКЛАДКА ЖГУТА ПЕРЕДНЕЙ ПРОВОДКИ


UAA9A080
Показать иллюстрациюПеревод текста в иллюстрациях


ПРОКЛАДКА ЖГУТА КРЫШИ


U4A19A05
Показать иллюстрациюПеревод текста в иллюстрациях


ПРОКЛАДКА ЖГУТА ЗАДНЕГО БОРТА


UAA9A100
Показать иллюстрациюПеревод текста в иллюстрациях


ПРОКЛАДКА ЖГУТА НАПОЛЬНОЙ ПРОВОДКИ


UAA9A110
Показать иллюстрациюПеревод текста в иллюстрациях


ПРОКЛАДКА ЖГУТА ПРОВОДОВ ДВЕРИ


UAA9A120
Показать иллюстрациюПеревод текста в иллюстрациях




На предыдущую страницуНа следующую страницу
https://vnx.su/ 🛠 Руководства по ремонту и эксплуатации для автомобилей

Поиск по сайту

Остались вопросы или пожелания? Пишите на почту: support@vnx.su

Карта Сайта