К началу документа
Matiz
На предыдущую страницуНа следующую страницу
Главная страница GMDEЗагрузить нединамическое оглавлениеЗагрузить динамическое оглавлениеПомощь

РАЗДЕЛ 9D

СИСТЕМЫ СТЕКЛООЧИСТИТЕЛЕЙ/ОМЫВАТЕЛЕЙ

Внимание! Отсоедините провод от отрицательного вывода аккумулятора, прежде чем снимать или устанавливать какие-либо электрические устройства, а также в ситуации, когда есть возможность касания оголенных электрических контактов каким-либо инструментом или приспособлением. Отсоединение этого провода позволяет избежать травм и повреждения оборудования автомобиля. Кроме того, если не указано иное, зажигание должно находиться в положении B.

ТЕХНИЧЕСКИЕ ХАРАКТЕРИСТИКИ

Моменты затяжки резьбовых соединений

ПРОГРАММА
Н•м
фунт-фут
фунт-дюйм
Винты брызговика передней колесной арки
1.5
-
13
Болты и гайки бачка омывателя
9
-
80
Гайка крепления рычага стеклоочистителя
8.5
-
75
Гайка рычага стеклоочистителя
11
8
-
Болты электродвигателя стеклоочистителей
9
-
80
Болты блока стеклоочистителей
9
-
80

ПРИНЦИПИАЛЬНЫЕ И МОНТАЖНЫЕ СХЕМЫ

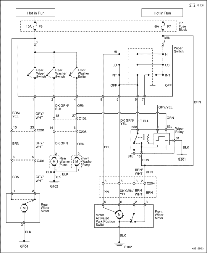
Система омывателя и очистителей ветрового/заднего стекла (с прерывающимся режимом)


K5B19D23
Показать иллюстрациюПеревод текста в иллюстрациях


ДИАГНОСТИКА

Очистители ветрового стекла в прерывающемся режиме

Стеклоочистители ветрового стекла не работают ни на одной скорости

ШагОперацияЗначенияДаНет
1
Проверить предохранитель f7.
Перегорел ли предохранитель f7?
-
Перейдите на Шаг 2
Перейдите на Шаг 3
2
  1. Проверьте на предмет короткого замыкания и при необходимости устраните его.
  2. Замените предохранитель.
Ремонт закончен?
-
Система в норме
-
3
Проверить подаваемое батареей напряжение на предохранитель f7.
Присутствует ли подаваемое батареей напряжение на предохранителе f7?
11~14 В
Перейдите на Шаг 5
Перейдите на Шаг 4
4
Устранить разрыв цепи электропитания для предохранителя f7.
Ремонт закончен?
-
Система в норме
-
5
  1. Установите зажигание в положение on.
  2. Перевести выключатель стеклоочистителей в положение hi.
Присутствует ли подаваемое батареей напряжение на выводе 5 разъема электродвигателя стеклоочистителей?
11~14 В
Перейдите на Шаг 6
Перейдите на Шаг 7
6
Заменить неисправный электродвигатель стеклоочистителей.
Ремонт закончен?
-
Система в норме
-
7
  1. Отсоединить разъем выключателя стеклоочистителей.
  2. Установите зажигание в положение on.
  3. С помощью вольтметра проверить подаваемое батареей напряжение на выводе 8 разъема.
Присутствует ли подаваемое батареей напряжение на выводе 8 разъема выключателя стеклоочистителей?
11~14 В
Перейдите на Шаг 9
Перейдите на Шаг 8
8
Устранить разрыв цепи между выводом 8 разъема выключателя стеклоочистителей и предохранителем f7.
Ремонт закончен?
-
Система в норме
-
9
  1. С помощью омметра проверить отсутствие обрывов цепи выключателя стеклоочистителей.
  2. Перевести выключатель стеклоочистителей в положение hi. Проверить отсутствие обрывов цепи между выключателя стеклоочистителей выводом 8 и 9.
Отсутствуют ли обрывы цепи между клеммами 8 и 9?
≈ 0 Ом
Перейдите на Шаг 11
Перейдите на Шаг 10
10
Заменить неисправный выключатель стеклоочистителей.
Ремонт закончен?
-
Система в норме
-
11
Устранить разрыв цепи между выключателем стеклоочистителей и электродвигателем стеклоочистителей.
Ремонт закончен?
-
Система в норме
-

Стеклоочистители не работают на скорости hi, работают на скорости lo

ШагОперацияЗначенияДаНет
1
  1. Установите зажигание в положение on.
  2. Перевести выключатель стеклоочистителей в положение hi.
Присутствует ли подаваемое батареей напряжение на выводе 5 разъема электродвигателя стеклоочистителей?
11~14 В
Перейдите на Шаг 2
Перейдите на Шаг 3
2
Заменить неисправный электродвигатель стеклоочистителей.
Ремонт закончен?
-
Система в норме
-
3
  1. С помощью омметра проверить отсутствие обрывов цепи выключателя стеклоочистителей.
  2. Перевести выключатель стеклоочистителей в положение hi. Проверить отсутствие обрывов цепи между выводами 8 и 9 выключателя стеклоочистителей.
Отсутствуют ли обрывы цепи между клеммами 8 и 9?
≈ 0 Ом
Перейдите на Шаг 5
Перейдите на Шаг 4
4
Заменить неисправный выключатель стеклоочистителей.
Ремонт закончен?
-
Система в норме
-
5
Устранить разрыв цепи между выводом 9 разъема выключателя стеклоочистителей и выводом 5 разъема электродвигателя стеклоочистителей.
Ремонт закончен?
-
Система в норме
-

Стеклоочистители не работают на скорости lo, работают на скорости hi

ШагОперацияЗначенияДаНет
1
  1. Установите зажигание в положение on.
  2. Перевести выключатель стеклоочистителей в положение lo.
Присутствует ли подаваемое батареей напряжение на выводе 5 разъема электродвигателя стеклоочистителей?
11~14 В
Перейдите на Шаг 2
Перейдите на Шаг 3
2
Заменить неисправный электродвигатель стеклоочистителей.
Ремонт закончен?
-
Система в норме
-
3
  1. С помощью омметра проверить отсутствие обрывов цепи выключателя стеклоочистителей.
  2. Перевести выключатель стеклоочистителей в положение lo. Проверить отсутствие обрывов цепи между выводами 8 и 5 выключателя стеклоочистителей.
Отсутствуют ли обрывы цепи между клеммами 8 и 5?
≈ 0 Ом
Перейдите на Шаг 5
Перейдите на Шаг 4
4
Заменить неисправный выключатель стеклоочистителей.
Ремонт закончен?
-
Система в норме
-
5
Устранить разрыв цепи между выводом 5 разъема выключателя стеклоочистителей и выводом 6 разъема электродвигателя стеклоочистителей.
Ремонт закончен?
-
Система в норме
-

Стеклоочистители не работают в прерывающемся режиме, работают на других скоростях

Рекомендации по диагностике

Реле стеклоочистителей расположено за панелью приборов, под переключателем регулирования освещения комбинации. Чтобы добраться к реле стеклоочистителей, снять переключатель регулирования освещения комбинации и боковую крышку панели приборов.
ШагОперацияЗначенияДаНет
1
  1. Установите зажигание в положение on.
  2. С помощью вольтметра проверить подаваемое батареей напряжение на выводе 15 разъема реле стеклоочистителей.
Присутствует ли подаваемое батареей напряжение на выводе 15 разъема?
11~14 В
Перейдите на Шаг 3
Перейдите на Шаг 2
2
Устранить разрыв цепи между выводом 15 разъема реле стеклоочистителей и предохранителем f7.
Ремонт закончен?
-
Система в норме
-
3
  1. Установите зажигание в положение on.
  2. Перевести выключатель стеклоочистителей в положение int.
С помощью вольтметра проверить, присутствует ли подаваемое батареей напряжение на выводе i разъема реле стеклоочистителей?
11~14 В
Перейдите на Шаг 7
Перейдите на Шаг 4
4
  1. Установите зажигание в положение on.
  2. Перевести выключатель стеклоочистителей в положение int.
С помощью вольтметра проверить, присутствует ли подаваемое батареей напряжение на выводе 7 разъема выключателя стеклоочистителей?
11~14 В
Перейдите на Шаг 6
Перейдите на Шаг 5
5
Заменить выключатель стеклоочистителей.
Ремонт закончен?
-
Система в норме
-
6
Устранить разрыв цепи между выводом 7 разъема выключателя стеклоочистителей и выводом 1 разъема реле стеклоочистителей.
Ремонт закончен?
-
Система в норме
-
7
  1. Установите зажигание в положение on.
  2. Перевести выключатель стеклоочистителей в положение int.
С помощью вольтметра проверить, присутствует ли подаваемое батареей пульсирующее напряжение на выводе 53e разъема реле стеклоочистителей?
11~14 В
Перейдите на Шаг 11
Перейдите на Шаг 8
8
С помощью омметра проверить цепь массы реле стеклоочистителей (вывод 31разъема).
Исправна ли цепь массы?
≈ 0 Ом
Перейдите на Шаг 10
Перейдите на Шаг 9
9
Устранить разрыв цепи массы.
Ремонт закончен?
-
Система в норме
-
10
Заменить реле стеклоочистителей.
Ремонт закончен?
-
Система в норме
-
11
  1. Отсоединить разъем выключателя стеклоочистителей.
  2. Перевести выключатель стеклоочистителей в положение int.
  3. С помощью омметра проверить выключатель стеклоочистителей.
Отсутствуют ли обрывы цепи между клеммами 5 и 6?
≈ 0 Ом
Перейдите на Шаг 13
Перейдите на Шаг 12
12
Заменить неисправный выключатель стеклоочистителей.
Ремонт закончен?
-
Система в норме
-
13
Устранить разрыв цепи между выключателем стеклоочистителей и реле стеклоочистителей.
Ремонт закончен?
-
Система в норме
-

Стеклоочистители ветрового стекла не возвращаются в исходное положение

ШагОперацияЗначенияДаНет
1
  1. Установите зажигание в положение on.
  2. С помощью вольтметра проверить подаваемое батареей напряжение на электродвигателе стеклоочистителей.
Присутствует ли подаваемое батареей напряжение на выводе 3 разъема электродвигателя стеклоочистителей?
11~14 В
Перейдите на Шаг 3
Перейдите на Шаг 2
2
Устранить разрыв цепи между электродвигателем стеклоочистителей и предохранителем f7.
-
Система в норме
-
3
  1. Установить зажигание в положение on
  2. Перевести выключатель стеклоочистителей в положение hi.
  3. С помощью вольтметра проверить импульс подаваемого батареей электропитания на электродвигателе стеклоочистителей при переводе выключателя стеклоочистителей в положение off.
Присутствует ли импульс подаваемого батареей напряжения на выводе 2 разъема электродвигателя стеклоочистителей при переключении выключателя стеклоочистителей в положение off?
11~14 В
Перейдите на Шаг 5
Перейдите на Шаг 4
4
Заменить неисправный электродвигатель стеклоочистителей.
Ремонт закончен?
-
Система в норме
-
5
  1. Установите зажигание в положение on.
  2. Перевести выключатель стеклоочистителей в положение hi.
  3. С помощью вольтметра проверить импульс подаваемого батареей электропитания на реле стеклоочистителей при переводе выключателя стеклоочистителей в положение off.
Присутствует ли импульс подаваемого батареей напряжения на выводе 31b разъема реле стеклоочистителей при переключении выключателя стеклоочистителей в положение off?
11~14 В
Перейдите на Шаг 7
Перейдите на Шаг 6
6
Устранить разрыв цепи между реле стеклоочистителей и электродвигателем стеклоочистителей.
Ремонт закончен?
-
Система в норме
-
7
  1. Отсоединить реле стеклоочистителей от разъема.
  2. С помощью омметра проверить отсутствие обрывов цепи реле.
Отсутствуют ли обрывы цепи между клеммами 31b и 53e разъема реле стеклоочистителей?
≈ 0 Ом
Перейдите на Шаг 9
Перейдите на Шаг 8
8
Заменить неисправное реле стеклоочистителей.
Ремонт закончен?
-
Система в норме
-
9
Заменить неисправный выключатель стеклоочистителей.
Ремонт закончен?
-
Система в норме
-

Система омывателей ветрового стекла

Омыватель ветрового стекла не работает, стеклоочистители исправны

ШагОперацияЗначенияДаНет
1
Проверить предохранитель f6.
Перегорел ли предохранитель f6?
-
Перейдите на Шаг 2
Перейдите на Шаг 3
2
  1. Проверьте на предмет короткого замыкания и при необходимости отремонтируйте.
  2. Заменить предохранитель f6.
Ремонт закончен?
-
Система в норме
-
3
Работают ли стеклоочистители ветрового стекла при активизации выключателя омывателя?
-
Перейдите на Шаг 6
Перейдите на Шаг 4
4
  1. Установите зажигание в положение on.
  2. Активируя выключатель стеклоомывателя, с помощью вольтметра проверить подаваемое батареей напряжение на выключателе очистителей ветрового стекла.
Присутствует ли подаваемое батареей напряжение на выводе 4 разъема выключателя очистителей ветрового стекла?
11~14 В
Перейдите на Шаг 10
Перейдите на Шаг 5
5
Заменить выключатель стеклоочистителей ветрового стекла.
Ремонт закончен?
-
Система в норме
-
6
Есть ли жидкость в бачке омывателя ветрового стекла?
-
Перейдите на Шаг 8
Перейдите на Шаг 7
7
Наполнить бачок омывателя ветрового стекла.
Ремонт закончен?
-
Система в норме
-
8
Шланги или жиклеры омывателя ветрового стекла забиты или повреждены?
-
Перейдите на Шаг 9
Перейдите на Шаг 10
9
Отремонтировать шланги и жиклеры омывателя.
Ремонт закончен?
-
Система в норме
-
10
  1. Установите зажигание в положение on.
  2. Активировав омыватель ветрового стекла, с помощью вольтметра проверить подаваемое батареей напряжение на насосе омывателя ветрового стекла.
Присутствует ли подаваемое батареей напряжение на насосе омывателя ветрового стекла?
11~14 В
Перейдите на Шаг 12
Перейдите на Шаг 11
11
Устранить разрыв цепи между насосом омывателя ветрового стекла и выключателем очистителей ветрового стекла.
Ремонт закончен?
-
Система в норме
-
12
С помощью омметра проверить цепь массы насоса омывателя ветрового стекла.
Исправна ли цепь массы?
≈ 0 Ом
Перейдите на Шаг 14
Перейдите на Шаг 13
13
Устранить обрыв цепи массы насоса омывателя ветрового стекла.
Ремонт закончен?
-
Система в норме
-
14
Заменить насос омывателя ветрового стекла.
Ремонт закончен?
-
Система в норме
-

Очиститель заднего стекла

Очиститель заднего стекла

ШагОперацияЗначенияДаНет
1
Проверить предохранитель f6.
Перегорел ли предохранитель f6?
-
Перейдите на Шаг 2
Перейдите на Шаг 3
2
  1. Проверьте на предмет короткого замыкания и при необходимости отремонтируйте.
  2. Заменить предохранитель f6.
Ремонт закончен?
-
Система в норме
-
3
  1. Установите зажигание в положение on.
  2. Проверить напряжение на предохранителе f6.
Соответствует ли напряжение указанному значению?
11~14 В
Перейдите на Шаг 5
Перейдите на Шаг 4
4
Устранить разрыв цепи электропитания для предохранителя f6.
Ремонт закончен?
-
Система в норме
-
5
  1. Отсоединить электрический разъем электродвигателя заднего стеклоочистителя.
  2. Установите зажигание в положение on.
  3. Проверить напряжение на КОР проводе электрического разъема электродвигателя заднего стеклоочистителя.
Соответствует ли напряжение указанному значению?
11~14 В
Перейдите на Шаг 7
Перейдите на Шаг 6
6
Устранить разрыв цепи КОР/ЖЕЛ провода между предохранителем f6 и разъемом электродвигателя заднего стеклоочистителя.
Ремонт закончен?
-
Система в норме
-
7
При отсоединенном электродвигателе заднего стеклоочистителя с помощью омметра проверить электропроводность между массой и ЧЕР проводом разъема электродвигателя заднего стеклоочистителя.
Показывает ли омметр указанное значение?
≈ 0 Ом
Перейдите на Шаг 9
Перейдите на Шаг 8
8
Устранить разрыв цепи массы для электродвигателя заднего стеклоочистителя.
Ремонт закончен?
-
Система в норме
-
9
  1. Установите зажигание в положение on.
  2. Перевести выключатель заднего стеклоочистителя в положение on.
  3. Проверить напряжение на СЕР/БЕЛ проводе разъема электродвигателя заднего стеклоочистителя.
Показывает ли вольтметр указанное значение?
11~14 В
Перейдите на Шаг 10
Перейдите на Шаг 11
10
Заменить электродвигатель заднего стеклоочистителя.
Ремонт закончен?
-
Система в норме
-
11
  1. Отсоединить электрический разъем выключателя стеклоочистителей.
  2. Установите зажигание в положение on.
  3. Проверить напряжение на выводе 3.
Равно ли напряжение указанному значению?
11~14 В
Перейдите на Шаг 13
Перейдите на Шаг 12
12
Устранить разрыв цепи между предохранителем f6 и выводом 3 разъема выключателя стеклоочистителей.
Ремонт закончен?
-
Система в норме
-
13
  1. Подключить омметр между выводами 1 и 3 выключателя стеклоочистителей.
  2. Заметить показания омметра при переводе выключателя заднего стеклоочистителя в положение wipe.
Показывает ли омметр указанное значение?
≈ 0 Ом
Перейдите на Шаг 14
Перейдите на Шаг 15
14
Устранить разрыв цепи между выводом 1 разъема стеклоочистителя (СЕР/БЕЛ провод) и электродвигателем заднего стеклоочистителя.
Ремонт закончен?
-
Система в норме
-
15
Заменить выключатель стеклоочистителей.
Ремонт закончен?
-
Система в норме
-

Система омывателя заднего стекла

ШагОперацияЗначенияДаНет
1
Проверить предохранитель f6.
Перегорел ли предохранитель f6?
-
Перейдите на Шаг 2
Перейдите на Шаг 3
2
  1. Проверьте на предмет короткого замыкания и при необходимости отремонтируйте.
  2. Заменить предохранитель f6.
Ремонт закончен?
-
Система в норме
-
3
Проверить уровень омывающей жидкости.
Если ли в бачке омывающая жидкость?
-
Перейдите на Шаг 5
Перейдите на Шаг 4
4
Наполнить бачок омывателя.
Ремонт закончен?
-
Система в норме
-
5
Убедиться в том, что шланги не засорены и не протекают, отсоединив шланг омывателя и продув его в направлении бачка и в направлении жиклера.
Засорены или протекают ли шланги?
-
Перейдите на Шаг 6
Перейдите на Шаг 7
6
Отремонтировать или заменить шланги.
Ремонт закончен?
-
Система в норме
-
7
Проверить работу заднего стеклоочистителя.
Правильно ли работает задний стеклоочиститель?
-
Перейдите на Шаг 9
Перейдите на Шаг 8
8
Отремонтировать задний стеклоочиститель.
Завершен ли ремонт заднего стеклоочистителя?
-
Перейдите на Шаг 9
-
9
  1. Отсоединить электрический разъем насоса заднего стеклоомывателя.
  2. С помощью омметра проверить отсутствие обрывов цепи между ЧЕР проводом разъема насоса заднего стеклоомывателя и массой.
Показывает ли омметр указанное значение?
≈ 0 Ом
Перейдите на Шаг 11
Перейдите на Шаг 10
10
Устранить обрыв или высокое сопротивление подключения массы.
Ремонт закончен?
-
Система в норме
-
11
Проверить напряжение на разъеме насоса заднего стеклоомывателя (ТЕМ ЗЕЛ провод) при переключении заднего стеклоомывателя в положение on.
Равно ли напряжение указанному значению?
11~14 В
Перейдите на Шаг 12
Перейдите на Шаг 13
12
Заменить насос заднего стеклоомывателя.
Ремонт закончен?
-
Система в норме
-
13
  1. Отсоединить выключатель стеклоочистителей.
  2. Подключить омметр между выводом 2 и выводом 3 выключателя стеклоочистителей.
  3. Заметить показания омметра при переводе выключателя заднего стеклоочистителя в положение wash.
Показывает ли омметр указанное значение?
≈ 0 Ом
Перейдите на Шаг 14
Перейдите на Шаг 15
14
Устранить разрыв цепи между выводом 2 разъема выключателя стеклоочистителей и насосом заднего стеклоомывателя.
Ремонт закончен?
-
Система в норме
-
15
Заменить выключатель стеклоочистителей.
Ремонт закончен?
-
Система в норме
-

ТЕХНИЧЕСКОЕ ОБСЛУЖИВАНИЕ И РЕМОНТ

РАБОТЫ НА АВТОМОБИЛЕ



K5B19D01
Показать иллюстрациюПеревод текста в иллюстрациях


Рычаг стеклоочистителя ветрового стекла

(показан левый привод, правый привод аналогичен)

Процедура снятия

  1. Снять гайки с рычага стеклоочистителя.
  2. Стянуть рычаг стеклоочистителя.


K5B19D24
Показать иллюстрациюПеревод текста в иллюстрациях


Процедура установки

  1. Установить рычаг стеклоочистителя с помощью гаек.
  2. Примечание: Непосредственный контакт разнородных металлов может привести к быстрой коррозии. Во избежание преждевременной коррозии используйте надлежащий крепеж.

    Затянуть
    Затянуть гайки рычага стеклоочистителя с усилием 11 Н•м (8 фунт-фут).



K5B19D02
Показать иллюстрациюПеревод текста в иллюстрациях


Рычаг очистителя заднего стекла

Процедура снятия

  1. Открыть колпачок доступа к рычагу стеклоочистителя.
  2. Снять гайку и рычаг заднего стеклоочистителя.


K5B19D25
Показать иллюстрациюПеревод текста в иллюстрациях


Процедура установки

    Примечание: Непосредственный контакт разнородных металлов может привести к быстрой коррозии. Во избежание преждевременной коррозии используйте надлежащий крепеж.

  1. Установить рычаг заднего стеклоочистителя с помощью гайки.
  2. Затянуть
    Затянуть гайку рычага стеклоочистителя с усилием 9 Н•м (80 фунт-фут).

  3. Закрыть колпачок доступа к рычагу стеклоочистителя.


K5B19D03
Показать иллюстрациюПеревод текста в иллюстрациях


Электродвигатель стеклоочистителей ветрового стекла

(показан левый привод, правый привод аналогичен)

Процедура снятия

  1. Отсоедините провод от отрицательного вывода аккумуляторной батареи.
  2. Снять рычаг очистителей ветрового стекла. См. "Рычаг очистителя ветрового стекла" в этом разделе.
  3. Снять вентиляционную решетку в облицовке рамы. См. раздел 9R, «Передняя часть кузова».
  4. Снять блок очистителей ветрового стекла. См. "Блок очистителей ветрового стекла" в этом разделе.
  5. Снять винты и электродвигатель стеклоочистителей.


  6. K5B19D26
    Показать иллюстрациюПеревод текста в иллюстрациях


    Внимание! Так как пластина звена электродвигателя стеклоочистителя неподвижна, поэтому не следует отделять электродвигатель стеклоочистителя от кронштейна.



K5B19D04
Показать иллюстрациюПеревод текста в иллюстрациях


Процедура установки

    Примечание: Непосредственный контакт разнородных металлов может привести к быстрой коррозии. Во избежание преждевременной коррозии используйте надлежащий крепеж.

  1. Установить электродвигатель стеклоочистителей с помощью болтов.
  2. Затянуть
    Затянуть болты электродвигателя стеклоочистителей с усилием 9 Н•м (80 фунт-дюймов).

  3. Подсоединить электрический разъем.
  4. Установить блок стеклоочистителей. См. "Электродвигатель очистителя ветрового стекла" в этом разделе.


  5. K5B19D05
    Показать иллюстрациюПеревод текста в иллюстрациях


  6. Установить вентиляционную решетку в облицовке рамы. См. раздел 9R, «Передняя часть кузова».
  7. Установить рычаг очистителя ветрового стекла. См. "Рычаг очистителя ветрового стекла" в этом разделе.
  8. Присоедините провод к отрицательному выводу аккумуляторной батареи.


K5B19D06
Показать иллюстрациюПеревод текста в иллюстрациях


Электродвигатель очистителя заднего стекла

Процедура снятия

  1. Отсоедините провод от отрицательного вывода аккумуляторной батареи.
  2. Снять рычаг стеклоочистителя с задней торцевой двери. См. «Рычаг стеклоочистителя заднего стекла» в этом разделе.
  3. Снять внутреннюю обивку задней торцевой двери. См. Раздел 9G, Облицовка салона.
  4. Снять болты и электродвигатель заднего стеклоочистителя.


  5. K5B19D08
    Показать иллюстрациюПеревод текста в иллюстрациях


    Внимание! Так как пластина звена электродвигателя стеклоочистителя неподвижна, поэтому не следует отделять электродвигатель стеклоочистителя от кронштейна.



K5B19D07
Показать иллюстрациюПеревод текста в иллюстрациях


Процедура установки

    Примечание: Непосредственный контакт разнородных металлов может привести к быстрой коррозии. Во избежание преждевременной коррозии используйте надлежащий крепеж.

  1. Установить узел электродвигателя стеклоочистителя на заднюю торцевую дверь с помощью болтов.
  2. Затянуть
    Затянуть болты электродвигателя очистителя заднего стекла с усилием 8 Н•м (70 фунт-дюймов).

  3. Подсоединить электрический разъем.
  4. Установить внутреннюю обивку задней торцевой двери. См. Раздел 9G, Облицовка салона.
  5. Установить рычаг стеклоочистителя. См. «Рычаг стеклоочистителя заднего стекла» в этом разделе.
  6. Присоедините провод к отрицательному выводу аккумуляторной батареи.


K5B19D14
Показать иллюстрациюПеревод текста в иллюстрациях


Блок очистителей ветрового стекла

(показан левый привод, правый привод аналогичен)

Процедура снятия

  1. Снять рычаг очистителей ветрового стекла. См. "Рычаг очистителя ветрового стекла" в этом разделе.
  2. Снять вентиляционную решетку в облицовке рамы. См. раздел 9R, «Передняя часть кузова».
  3. Снять болты и блок очистителей ветрового стекла.


K5B19D15
Показать иллюстрациюПеревод текста в иллюстрациях


Процедура установки

  1. Установить блок очистителей ветрового стекла с помощью болтов.
  2. Затянуть
    Затянуть болты блока очистителей ветрового стекла с усилием 9 Н•м (80 фунт-дюйм).

  3. Установить вентиляционную решетку в облицовке рамы. См. раздел 9R, «Передняя часть кузова».
  4. Установить рычаг очистителя ветрового стекла. См. "Рычаг очистителя ветрового стекла" в этом разделе.


K5B19D22
Показать иллюстрациюПеревод текста в иллюстрациях


Щетка стеклоочистителя ветрового стекла

Процедура снятия

  1. Вытащить щетку стеклоочистителя из рычага, толкая фиксатор щетки стеклоочистителя.


K5B19D09
Показать иллюстрациюПеревод текста в иллюстрациях


Процедура установки

  1. Установить щетку стеклоочистителя в рычаг.


K5B19B01
Показать иллюстрациюПеревод текста в иллюстрациях


Бачок стеклоомывателя

Процедура снятия

  1. Отсоедините провод от отрицательного вывода аккумуляторной батареи.
  2. Поднять и соответствующим образом подпереть автомобиль.
  3. Снять переднее колесо. См. раздел 2Е, Шины и диски.
  4. Снять винты и брызговик передней колесной арки.


  5. K5B19D10
    Показать иллюстрациюПеревод текста в иллюстрациях


  6. Отсоединить шланг(и) омывателя от бачка.
  7. Отсоединить электрический(ие) разъем(ы) насоса бачка.
  8. Снять болты, гайку и бачок.


K5B19D11
Показать иллюстрациюПеревод текста в иллюстрациях


Процедура установки

    Примечание: Непосредственный контакт разнородных металлов может привести к быстрой коррозии. Во избежание преждевременной коррозии используйте надлежащий крепеж.

  1. Установить бачок с помощью гаек и болтов.
  2. Затянуть
    Затянуть гайки бачка омывателя с усилием 4 Н•м (35 фунт-дюйм).
    Затянуть болты бачка омывателя с усилием 4 Н•м (35 фунт-дюйм).

  3. Присоединить электрический(ие) разъем(ы) насоса бачка.
  4. Подсоединить шланг(и) омывателя к бачку омывателя.
  5. Установить брызговик передней колесной арки с помощью винтов.
  6. Затянуть
    Затянуть винты брызговика передней колесной арки с усилием 1,5 Н•м (13 фунт-дюйм).

  7. Установить переднее левое колесо. См. раздел 2Е, «Шины и диски».
  8. Присоедините провод к отрицательному выводу аккумуляторной батареи.


K5B19D12
Показать иллюстрациюПеревод текста в иллюстрациях


Насос стеклоомывателя

Процедура снятия

  1. Отсоедините провод от отрицательного вывода аккумуляторной батареи.
  2. Снять переднее левое колесо. См. раздел 2Е, «Шины и диски».
  3. Снять винты и брызговик передней колесной арки.
  4. Отсоединить электрический разъем.
  5. Отсоединить шланг омывателя.
  6. Снять насос омывателя.


K5B19D11
Показать иллюстрациюПеревод текста в иллюстрациях


Процедура установки

  1. Установить насос омывателя.
  2. Подсоединить шланг омывателя.
  3. Подсоединить электрический разъем.
  4. Примечание: Непосредственный контакт разнородных металлов может привести к быстрой коррозии. Во избежание преждевременной коррозии используйте надлежащий крепеж.

  5. Установить брызговик передней колесной арки с помощью винтов.
  6. Затянуть
    Затянуть винты брызговика передней колесной арки с усилием 1,5 Н•м (13 фунт-дюйм).

  7. Установить переднее левое колесо. См. раздел 2Е, «Шины и диски».
  8. Присоедините провод к отрицательному выводу аккумуляторной батареи.


K5B19D16
Показать иллюстрациюПеревод текста в иллюстрациях


Жиклер омывателя ветрового стекла

Процедура снятия

  1. Открыть капот.
  2. Снять вентиляционную решетку в облицовке рамы. См. раздел 9R, «Передняя часть кузова».
  3. Снять шланг жиклера омывателя с вентиляционной решетки в облицовке рамы ветрового стекла.
  4. Снять жиклер омывателя с вентиляционной решетки в облицовке рамы ветрового стекла.


K5B19D17
Показать иллюстрациюПеревод текста в иллюстрациях


Процедура установки

  1. Установить жиклер омывателя на вентиляционную решетку в облицовке рамы ветрового стекла.
  2. Установить шланг жиклера омывателя на жиклер стеклоомывателя.
  3. Установить вентиляционную решетку в облицовке рамы. См. раздел 9R, «Передняя часть кузова».


K5B19D18
Показать иллюстрациюПеревод текста в иллюстрациях


Жиклер омывателя заднего стекла

Процедура снятия

  1. Снять задний спойлер с заднего откидного борта. См. раздел 9M, «Внешняя отделка».
  2. Снять дополнительный центральный стоп-сигнал с задней торцевой двери. Перейти к Раздела 9В, СИСТЕМЫ ОСВЕЩЕНИЯ.
  3. Снять шланг омывателя с жиклера.
  4. Снять жиклер омывателя.


K5B19D19
Показать иллюстрациюПеревод текста в иллюстрациях


Процедура установки

  1. Установить жиклер на заднюю торцевую дверь.
  2. Подсоединить шланг омывателя к жиклеру.
  3. Установить chmsl на заднюю торцевую дверь. Перейти к Раздела 9В, СИСТЕМЫ ОСВЕЩЕНИЯ.
  4. Установить задний спойлер. См. раздел 9M, «Внешняя отделка».


K5B19D20
Показать иллюстрациюПеревод текста в иллюстрациях


Шланг стеклоомывателя

Процедура снятия

  1. Открыть капот.
  2. Снять вентиляционную решетку в облицовке рамы. См. раздел 9R, «Передняя часть кузова».
  3. Отсоединить разъем шланга стеклоомывателя.


  4. K5B19B01
    Показать иллюстрациюПеревод текста в иллюстрациях


  5. Поднять и соответствующим образом подпереть автомобиль.
  6. Снять переднее колесо. См. раздел 2Е, «Шины и диски».
  7. Снять винты и брызговик передней колесной арки.


  8. K5B19D13
    Показать иллюстрациюПеревод текста в иллюстрациях


  9. Отсоединить шланг омывателя от насоса омывателя.


  10. K5B19D27
    Показать иллюстрациюПеревод текста в иллюстрациях


  11. Снять шланг омывателя.


K5B19D21
Показать иллюстрациюПеревод текста в иллюстрациях


Процедура установки

  1. Подсоединить шланг омывателя к насосу омывателя.
  2. Установить брызговик передней колесной арки с помощью винтов и фиксаторов.
  3. Установить переднее колесо. См. раздел 2Е, «Шины и диски».
  4. Опустить автомобиль.
  5. Подсоединить разъем шланга стеклоомывателя.
  6. Установить вентиляционную решетку в облицовке рамы. См. раздел 9R, «Передняя часть кузова».

ОБЩЕЕ ОПИСАНИЕ И РАБОТА СИСТЕМЫ

Система стеклоочистителей ветрового стекла

Система стеклоочистителей ветрового стекла состоит из электродвигателя стеклоочистителей, системы тяг, рычагов стеклоочистителей со щетками и выключателя стеклоочистителей/омывателей. Цепь очистителей ветрового стекла включает в себя устройство автоматического возврата в исходное положение, которое состоит из червячной передачи и кулачкового диска, чтобы временно замыкать цепь, когда переключатель переводится в положении OFF. Система стеклоочистителей приводится в движение электродвигателем с магнитом постоянного типа. Электродвигатель стеклоочистителей ветрового стекла монтируется на щиток передка и соединяется непосредственно с системой тяг стеклоочистителей ветрового стекла.
Электродвигатель очистителей ветрового стекла имеет две скорости: LOW (низкую) и HIGH (высокую), и способен работать в прерывающемся режиме. Выключатель стеклоочистителей является неотъемлемой частью выключателя стеклоочистителей/омывателей. Стеклоочистители ветрового стекла включаются рычагом, расположенным справа на рулевой колонке.

Система омывателей ветрового стекла

В систему омывателей ветрового стекла входят бачок с омывающей жидкостью, насос омывающей жидкости, шланги, жиклеры и выключатель стеклоочистителей/омывателей. Бачок омывателя ветрового стекла установлен внутри за брызговиком правой передней колесной арки. К бачку прикреплен насос омывателя, подающий омывающую жидкость через шланги в два жиклера, установленных на крышке капота. Выключатель омывателей является неотъемлемой частью выключателя стеклоочистителей/омывателей. Омыватели ветрового стекла включаются рычагом, расположенным справа на рулевой колонке.

Система заднего стеклоочистителя/омывателя

Системой заднего стеклоочистителя/омывателя оснащаются автомобили высшего класса. Задний стеклоочиститель и стеклоомыватель являются одной сборной конструкцией. Задний стеклоомыватель установлен на задний стеклоочиститель.
Выключатель заднего стеклоочистителя/стеклоомывателя такой же, как и для очистителей ветрового стекла. Если, надавив, переместить выключатель на одно положение вперед, то задний стеклоочиститель медленно заработает. А если переместить выключатель еще немного вперед, то заработает система заднего стеклоочистителя/омывателя.


На предыдущую страницуНа следующую страницу
https://vnx.su/ 🛠 Руководства по ремонту и эксплуатации для автомобилей

Поиск по сайту

Остались вопросы или пожелания? Пишите на почту: support@vnx.su

Карта Сайта