К началу документа
Matiz
На предыдущую страницуНа следующую страницу
Главная страница GMDEЗагрузить нединамическое оглавлениеЗагрузить динамическое оглавлениеПомощь

РАЗДЕЛ 1B2

1,0 Л МЕХАНИЧЕСКАЯ ЧАСТЬ ДВИГАТЕЛЯ С ОДНИМ РАСПРЕДЕЛИТЕЛЬНЫМ ВАЛОМ ВЕРХНЕГО РАСПОЛОЖЕНИЯ

Внимание! Отключить отрицательный кабель батареи перед снятием или установкой любых электрических узлов или при возможном контакте инструментов или оборудования с оголенными электрическими клеммами. Отключение кабеля поможет избежать травм и механических повреждений. Необходимо также, чтобы ключ зажигания находился в положении "B", если не указано иное.

ТЕХНИЧЕСКИЕ ХАРАКТЕРИСТИКИ

Технические характеристики двигателя

ПРОГРАММА
Описание (1,0 л один распределительный вал верхнего расположения)
Общие данные:
.
Тип двигателя
Рабочий объем
4 цилиндра (рядный)
995 см³
Ход цилиндра
68,5 х 67,5 мм (2,70 дюйма х 2,66 дюйма)
Степень сжатия
9.3 ± 0.2 :1
Последовательность воспламенения
1-3-4-2
Отверстие цилиндра:
.
Диаметр
68,5 мм (2,70 дюйма)
Допуск по цилиндричности (максимум)
0,005 мм (0,00020 дюйма)
Коничность (максимальная)
0,005 мм (0,00020 дюйма)
Поршень:
.
Диаметр
68,465 ~ 68,485 мм (2,695 ~ 2,696 дюйма)
Зазор к цилиндру
0,025 ~ 0,045 мм (0,0010 ~ 0,0018 дюйма)
Поршневые кольца:
.
Кольцо, торцевой зазор:
.
Верхняя компрессия
0,15 ~ 0,30 мм (0,006 ~ 0,012 дюйма)
Вторая компрессия
0,30 ~ 0,45 мм (0,012 ~ 0,018 дюйма)
Зазор канавки:
Верхняя полость
0,02 ~ 0,06 мм (0,008 ~ 0,002 дюйма)
2-ая полость
0,02 ~ 0,06 мм (0,008 ~ 0,002 дюйма)
Поршневой палец:
.
Диаметр
16,995 ~ 17,000 мм (0,6691 ~ 0,6693 дюйма)
Смещение пальца
0,4 ~ 0,6 мм (0,016 ~ 0,024 дюйма)
Распределительный вал
.
Впускной подъем
5,42 мм (0,213 дюйма)
Выпускной подъем
5,38 мм (0,212 дюйма)
Осевой люфт
.
Наружный диаметр шейки
.
№ 1
43,425 ~ 43,450 мм (1,710 ~ 1,711 дюйма)
№ 2
43,625 ~ 43,650 мм (1,718 ~ 1,719 дюйма)
№ 3
43,825 ~ 43,850 мм (1,725 ~ 1,726 дюйма)
№ 4
44,025 ~ 44,050 мм (1,733 ~ 1,734 дюйма)
№ 5
44,225 ~ 44,250 мм (1,741 ~ 1, 742 дюйма)
Наружный диаметр подшипника (вн. диам шейки головки)
.
№ 1
43,500 ~ 43,516 мм (1,713 ~ 1,7132 дюйма)
№ 2
43,700 ~ 43,716 мм (1,720 ~ 1,7211 дюйма)
№ 3
43,900 ~ 43,916 мм (1,728 ~ 1,7290 дюйма)
№ 4
44,100 ~ 44,116 мм (1,736 ~ 1,7369 дюйма)
№ 5
44,300 ~ 44,316 мм (1,744 ~ 1,745 дюйма)
Коленчатый вал:
.
Коренная шейка:
Диаметр (все)
43,982 ~ 44,000 мм (1,7316 ~ 1,7323 дюйма)
Коничность (максимальная)
0,005 мм (0,0002 дюйма)
Допуск по цилиндричности (максимум)
0,005 мм (0,0002 дюйма)
Зазор коренного подшипника (все)
0,020 ~ 0,040 мм (0,0008 ~ 0,0016 дюйма)
Осевой люфт коленчатого вала
0,11 ~ 0,31 мм (0,004 ~ 0,012 дюйма)
Шатунная шейка:
Диаметр (все)
37,982 ~ 38,000 мм (1,495 ~ 1,496 дюйма)
Коничность (максимальная)
0,005 мм (0,0002 дюйма)
Допуск по цилиндричности (максимум)
0,005 мм (0,0002 дюйма)
Зазор подшипника штока (все)
0,020 ~ 0,040 мм (0,0008 ~ 0,0016 дюйма)
Боковой зазор шатуна
0,10 ~ 0,25 мм (0,004 ~ 0,010 дюйма)
Клапанная система
Компенсаторы зазора в клапанах
Механические компоненты
Угол фаски (все)
45°
Угол седла (все)
45°
Выбег седла (максимальный, у всех)
0,05 мм (0,0019 дюйма)
Выбег фаски (максимальный, у всех)
0,045 мм (0,0018 дюйма)
Ширина седла:
Впуск
1,56 мм (0,061 дюйма)
Выпуск
1,56 мм (0,061 дюйма)
Внутренний диаметр направляющей клапана
5,500 ~ 5,512 (0,2165 ~ 0,2170 дюйма)
Диаметр штока клапана
Впуск
5,465 ~ 5,480 мм (0,215 ~ 0,216 дюйма)
Выпуск
5,440 ~ 5,455 мм (0,214 ~ 0,215 дюйма)
Диаметр клапана (все):
Впуск
35,5 ~ 35,7 мм (1,398 ~ 1,406 дюйма)
Выпуск
31,7 ~ 31,9 мм (1,248 ~ 1,256 дюйма)
Нагрузки на пружины клапана:
Клапан открыт
55,0 ± 3,3 кгс (121,25 ± 7,28 фунтов) @ 36,2 мм (1,425 дюйма)
Клапан закрыт
25,2 ± 1,8 кгс (55,56 ± 3,97 фунта) @ 44,2 мм (1,740 дюйма)
Масляный насос
.
Зазор между корпусом масляного насоса и наружным ротором
0,10 ~ 0,17 мм (0,0039 ~ 0,0067 дюйма)
Боковой зазор внешнего ротора
0,065 ~ 0,115 (0,0026 ~ 0,0045 дюйма)
Боковой зазор внутреннего ротора
0,065 ~ 0,115 (0,0026 ~ 0,0045 дюйма)
Свободная длина уравнительной пружины клапана
52,4 мм (2,06 дюйма)

Моменты затяжки резьбовых соединений

ПРОГРАММА
n•m
lb-ft
lb-in
Винты / гайки корпуса распределителя зажигания
9 - 12
-
80 - 106
Болты / гайки выпускного коллектора
17 - 27
13 - 20
-
Винты теплоизоляционного щитка выпускного коллектора
8 - 12
-
71 - 106
Контргайки для регулировки клапанов
10 - 14
-
89 - 124
Болты оси коромысел
9 - 12
-
80 - 106
Свечи зажигания
20 - 30
15 - 22
-
Болты с шестигранной головкой крышки головки цилиндров
9 - 12
-
80 - 106
Винты головки цилиндров
65 - 70
48 - 52
-
Винт погружной трубы воздушного фильтра
7 - 9
-
62 - 80
Гайки корпуса воздушного фильтра
7 - 9
-
62 - 80
Болты демпфирующего блока подвески двигателя
45 - 55
33 - 41
-
Гайки промежуточного кронштейна подвески двигателя
58 - 68
43 - 50
-
Болты / гайки крепления реактивной штанги подвески двигателя к подвеске двигателя
75 - 85
55 - 63
-
Болты крепления реактивной штанги подвески двигателя к кузову
50 - 60
36 - 44
-
Винт направляющей трубки щупа для измерения уровня масла
9 - 12
-
80 - 106
Датчик давления масла
12 - 15
-
106 - 133
Пробка сливного отверстия масляного поддона
30 - 40
22 - 30
-
Болты / гайки масляного поддона
9 - 12
-
80 - 106
Винт фильтра грубой очистки масляного насоса
9 - 12
-
80 - 106
Винты крышки масляного насоса
9 - 12
-
80 - 106
Масляный фильтр
12 - 16
-
106 - 140
Штифт масляного фильтра
21 - 25
165 - 18
-
Винт пластины распределительного вала
9 - 12
-
80 - 106
Винт шестерни распредвала
50 - 60
36 - 44
-
Гайки крышки шатунного подшипника
31 - 35
23 - 25
-
Болты / винты корпуса заднего сальника коленчатого вала
9 - 12
-
80 - 106
Болты крышки коренного подшипника коленчатого вала
55 - 60
41 - 44
-
Винт шкива коленчатого вала
80 - 90
59 - 66
-
Болты нижней пластины корпуса сцепления
4 - 7
-
35 - 62
Винты задней крышки приводного ремня газораспределительного механизма
9 - 12
-
80 - 106
Болт натяжителя приводного ремня газораспределительного механизма
15 - 23
11 -17
-
Винты передней верхней крышки приводного ремня газораспределительного механизма
9 - 12
-
80 - 106
Винты передней нижней крышки приводного ремня газораспределительного механизма
9 - 12
-
80 - 106
Винты маховика
40 - 45
30 - 33
-
Гайки впускного коллектора
15 - 19
11 - 14
-
Болты коренного кронштейна впускного коллектора (10М)
9 - 12
-
80 - 106
Гайки главного кронштейна впускного коллектора
9 - 12
-
80 - 106
Болт вспомогательного кронштейна впускного коллектора
18 - 22
13 - 16
-
Гайка вспомогательного кронштейна впускного коллектора
18 - 22
13 - 16
-
Болт / гайка резонатора
5 - 7
-
44 - 60
Гайки каталитического нейтрализатора
35 - 45
25 - 33
-
Гайки подвески коробки передач
50 - 60
36 - 44
-
Болты поперечины радиатора
30 - 50
22 - 36
-
Болт трубы кондиционера
3 - 5
-
27 - 44
Болт крепления трубы рулевого управления с гидроусилителем
21 - 35
15 - 26
-
Винты катушки зажигания
8 - 12
-
71 - 106
Болты топливной рампы
11 - 15
-
97 - 133

СПЕЦИАЛЬНЫЕ ИНСТРУМЕНТЫ

Таблица специальных инструментов


M3C11B4V
Показать иллюстрациюПеревод текста в иллюстрациях


09900-00410
Ключи-шестигранники
Комплект

M3C11B4W
Показать иллюстрациюПеревод текста в иллюстрациях


dw130-040
Ключ для масляного фильтра

M3C11B4X
Показать иллюстрациюПеревод текста в иллюстрациях


09915-64510
Компрессия
Манометр

M3C11B4Y
Показать иллюстрациюПеревод текста в иллюстрациях


09915-67310
Вакуумметр

M3C11B4Z
Показать иллюстрациюПеревод текста в иллюстрациях


09915-77310
Давление масла
Индикатор

M3C11B5A
Показать иллюстрациюПеревод текста в иллюстрациях


09916-14510
Пружина клапана
Приспособление для сжатия пружин
.
.
09916-48210
Пружина клапана
Приспособление для сжатия пружин
Приспособление

M3C11B5B
Показать иллюстрациюПеревод текста в иллюстрациях


09916-34541
Ручка развертки

M3C11B5C
Показать иллюстрациюПеревод текста в иллюстрациях


09916-37320
Вороток направляющей клапана
(5 мм или 0,1969 дюйма)

M3C11B5D
Показать иллюстрациюПеревод текста в иллюстрациях


09916-38210
Вороток направляющей клапана
(11 мм или 0,4331 дюйма)

M3C11B5E
Показать иллюстрациюПеревод текста в иллюстрациях


09916-44910
Съемник направляющей клапана

M3C11B5F
Показать иллюстрациюПеревод текста в иллюстрациях


09916-58210
Приспособление для установки направляющей клапана

M3C11B5G
Показать иллюстрациюПеревод текста в иллюстрациях


09916-77310
Приспособление для сжатия поршня

M3C11B5H
Показать иллюстрациюПеревод текста в иллюстрациях


09917-68220
Звездочка распределительного вала
Держатель

M3C11B5I
Показать иллюстрациюПеревод текста в иллюстрациях


09917-88220
Приспособление для установки направляющей клапана
Приспособление

M3C11B5J
Показать иллюстрациюПеревод текста в иллюстрациях


09918-08210
Соединение вакуумметра

M3C11B5K
Показать иллюстрациюПеревод текста в иллюстрациях


09924-17810
Крепление маховика

M3C11B5L
Показать иллюстрациюПеревод текста в иллюстрациях


09927-56020
Шкив коленчатого вала
Держатель

M3C11B5M
Показать иллюстрациюПеревод текста в иллюстрациях


dw 100-010
Манометр давления топлива

M3C11B5N
Показать иллюстрациюПеревод текста в иллюстрациях


dw 100-020
Пружинный хомут
Съемник

M3C11B5O
Показать иллюстрациюПеревод текста в иллюстрациях


dw 110-021
Зажимное приспособление для двигателя
Зажимное приспособление

M3C11B5R
Показать иллюстрациюПеревод текста в иллюстрациях


dw 150-020
Гайка корпуса распределителя зажигания
Съемник

M3C11B5S
Показать иллюстрациюПеревод текста в иллюстрациях


КМ - 412
Стенд для капремонта двигателя
Стенд

M3C11B5T
Показать иллюстрациюПеревод текста в иллюстрациях


dw 010 - 010
Двигатель и коробка передач с главной передачей в сборе
Монтажная опора
Съемник

K5B11BK2
Показать иллюстрациюПеревод текста в иллюстрациях


en - 47936
Приспособление для
Зажимное приспособление (1,0 л)

РАСПОЛОЖЕНИЕ КОМПОНЕНТОВ

Головка цилиндров


K5B11B74
Показать иллюстрациюПеревод текста в иллюстрациях


  1. Крышка маслоналивной горловины
  2. Крышка головки цилиндров
  3. Пружина клапана
  4. Корпус отверстия для выпуска воды
  5. Распределительный вал
  6. Коромысло
  7. Прокладка головки цилиндров
  8. Головка цилиндров
  9. Выпускной клапан
  10. Впускной клапан
  11. Ось коромысел на стороне выпуска
  12. Ось коромысел на стороне впуска

Блок цилиндров


K5B11B75
Показать иллюстрациюПеревод текста в иллюстрациях


  1. Щуп масломера
  2. Поршень
  3. Шатун
  4. Блок цилиндров
  5. Масляный фильтр
  6. Маховик
  7. Коленчатый вал
  8. Масляный поддон
  9. Фильтр грубой очистки масляного насоса
  10. Масляный насос в сборе

Коллектор и воздушная система


K5B11B76
Показать иллюстрациюПеревод текста в иллюстрациях


  1. Впускной коллектор
  2. Труба для рециркуляции отработавших газов (egr)
  3. Переходник системы рециркуляции отработавших газов (egr)
  4. Клапан рециркуляции отработавших газов (egr)
  5. Кронштейн впускного коллектора
  6. Прокладка корпуса дроссельной заслонки
  7. Прокладка впускного коллектора
  8. Выпускной коллектор
  9. Прокладка выпускного коллектора
  10. Теплоизоляционный щиток выпускного коллектора
  11. Датчик кислорода
  12. Верхняя оболочка воздухоочистителя
  13. Фильтр воздухоочистителя
  14. Нижний корпус воздухоочистителя
  15. Резонатор
  16. Погружная труба
  17. Впускной шланг
  18. Корпус дроссельной заслонки

Приводной ремень газораспределительного механизма и подвеска двигателя


K5B11B78
Показать иллюстрациюПеревод текста в иллюстрациях


  1. Демпфирующая втулка подвески двигателя
  2. Болт
  3. Гайка
  4. Стойка подвески двигателя
  5. Болт
  6. Кронштейн подвески двигателя
  7. Болт
  8. Болт
  9. Гайка
  10. Демпфирующая втулка подвески коробки передач
  11. Гайка
  12. Шайба
  13. Болт
  14. Кронштейн подвески коробки передач
  15. Реактивная штанга
  16. Болт
  17. Болт
  18. Задний крепежный кронштейн со стороны коробки передач
  19. Болт
  20. Болт
  21. Гайка
  22. Верхняя крышка приводного ремня газораспределительного механизма
  23. Нижняя крышка приводного ремня газораспределительного механизма
  24. Болт
  25. Шкив коленчатого вала
  26. Болт
  27. Шестерня коленчатого вала
  28. Прокладка
  29. Зубчатый ремень привода
  30. Болт
  31. Шайба
  32. Натяжитель приводного ремня газораспределительного механизма
  33. Пружина натяжного механизма
  34. Прокладка насоса охлаждающей жидкости
  35. Болт
  36. Установочный штифт
  37. Ременный шкив распределительного вала
  38. Внутренняя крышка приводного ремня газораспределительного механизма
  39. Резиновая втулка
  40. Распорная втулка
  41. Болт

ДИАГНОСТИКА

Проверка давления сжатия

Необходимое оборудование

09915-64510 Манометр давления сжатия
  1. Прогреть двигатель до нормальной рабочей температуры (температура охлаждения: 80-90°С (176-194°f)).
  2. Заглушить двигатель и затем снять кабель высокого напряжения и свечу зажигания.
  3. Отсоединить разъем оптического датчика распределителя зажигания.
  4. Установить манометр давления сжатия 09915-64510 (а) в отверстие свечи зажигания.

K5B11BK5
Показать иллюстрациюПеревод текста в иллюстрациях


  1. Отключить сцепление в положении нейтраль (чтобы облегчить пусковую нагрузку на двигатель при проворачивании коленчатого вала) и полностью выжать педаль газа, чтобы дроссельная заслонка полностью открылась.
  2. Провернуть коленвал двигателем и определить максимальное давление по показанию манометра давления сжатия.
Компрессия
Давление
-400 мин-1
Единица измерения
Стандартно
кПа
(фунтов/кв. дюйм)
1.274.87
(184.9)
  1. После проверки снять манометр и установить снятые детали.

Проверка давления масла

Необходимое оборудование

09915-77310 Манометр масла
Перед проверкой давления масла проверить следующее:
Проверить давление сжатия с выполнением следующих процедур:
  1. Снять датчик давления масла (b) с блока цилиндров.
  2. Установить манометр масла 09915-77310 (с) в месте установки датчика давления масла.

K5B11BK6
Показать иллюстрациюПеревод текста в иллюстрациях


  1. Запустить двигатель и прогреть его до нормальной рабочей температуры.
  2. Повысить обороты двигателя до 2000 и затем определить даление масла.
Пункт
Единица измерения
Стандартно
Давление масла - 2000 об./мин.
кПа
(фунтов/кв. дюйм)
2.942-343.2
(42.67-49.78)
  1. После проверки обернуть резьбу датчика давления масла изолентой и затянуть его до указанного момента затяжки 12-16 Н•м (106-144 фунто-дюйма).
  2. Запустить двигатель и проверить, нет ли утечки масла в датчике давления масла.

Регулировка зазора клапанов

Отрегулировать клапанный зазор с помощью следующих процедур:
  1. Удалить узел воздушного фильтра и резонатора и соответствующие детали, установленные на крышке головки цилиндров.
  2. Снимите болты с шестигранной головкой крышки головки цилиндров и снимите саму крышку.
  3. Повернуть коленчатый вал так, чтобы цилиндр № 1 совместился с верхней мертвой точкой компрессии. (При совмещении насечки (d) на звездочке распределительного вала с треугольным указателем (е) на задней крышке приводного ремня газораспределительного механизма и точки (f) на звездочке коленчатого вала с точкой (g) на корпусе масляного насоса верхняя точка компрессии располагается в последовательности зажигания для цилиндра № 1).

M3C11B07
Показать иллюстрациюПеревод текста в иллюстрациях


  1. Проверьте клапанный зазор для верхней мертвой точки компрессии цилиндра № 1.
СОСТОЯНИЕ
Цилиндр
1
2
3
4
Верхняя мертвая точка компрессии цилиндра № 1
Впуск
О
О
.
.
Выпуск
О
.
О
.
* Метки О указывает на место, в котором проверяется и регулируется клапанный зазор.
  1. После завершения проверки клапанного зазора в верхней мертвой точке компрессии цилиндра № 1 расположить цилиндр № 1 в верхней мертвой точке выпуска, повернув коленчатый вал по дуге на 360 градусов. (При совмещении точки (h) на звездочке распределительного вала с треугольным указателем (е) на задней крышке приводного ремня газораспределительного механизма мертвая точка выпуска располагается в последовательности зажигания для цилиндра № 1.)

M3C11B08
Показать иллюстрациюПеревод текста в иллюстрациях


  1. Проверьте клапанный зазор для верхней мертвой точки выпуска газа у цилиндра № 1.
СОСТОЯНИЕ
Цилиндр
1
2
3
4
Верхняя мертвая точка выпуска газа у цилиндра № 1
Впуск
.
.
О
О
Выпуск
.
О
.
О
* Метки О указывает на место, в котором проверяется и регулируется клапанный зазор.
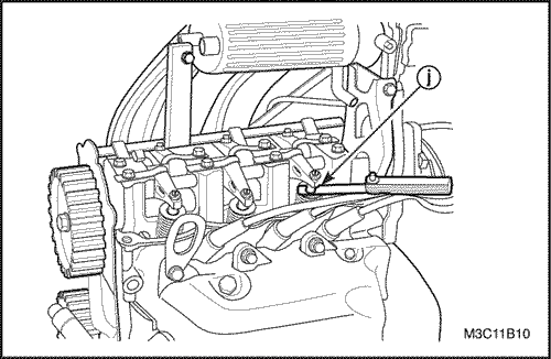
  1. Проверить и отрегулировать клапанный зазор (i) с помощью щупа (j).

M3C11B09
Показать иллюстрациюПеревод текста в иллюстрациях



M3C11B10
Показать иллюстрациюПеревод текста в иллюстрациях


Измеренное значение клапанного зазора должна соответствовать установленному значению. Если это не так, отрегулируйте клапанный зазор.

Важно: Если двигатель горячий, прогреть его настолько, чтобы включился электровентилятор системы охлаждения, затем заглушить двигатель для регулировки зазора через 20-30 минут.

Единица: мм (дюймы)
Пункт
Установленное значение
Клапан
Зазор
Холодный
Впуск
0.15±0.02
(0.0059±0.0008)
.
Выпуск
0.2±0.02
(0.00787±0.0008)
Горячий
Впуск
0.25±0.02
(0.0098±0.0008)
.
Выпуск
0.3±0.02
(0.0118±0.0008)
  1. При регулировке клапанного зазора открутить регулировочную гайку (k) и затем соответственно затянуть или открутите регулировочный шток (I).

M3C11B11
Показать иллюстрациюПеревод текста в иллюстрациях


Проверка и регулировка момента открытия/закрытия клапанов

Проверить момент открытия/закрытия клапанов следующим образом:
  1. После снятия фары дальнего света отвернуть винты (а) и снять переднюю верхнюю крышку приводного ремня газораспределительного механизма (b).

M3C11B12
Показать иллюстрациюПеревод текста в иллюстрациях


  1. Провернув два раза коленчатый вал по часовой стрелке, совместить насечку (d) на шкиве коленчатого вала (с) с меткой 0 (е) для контроля момента зажигания на передней нижней крышке приводного ремня газораспределительного механизма.

M3C11B13
Показать иллюстрациюПеревод текста в иллюстрациях


  1. Проверить совмещение насечки (f) на звездочке распределительного вала с треугольным указателем (g) на задней крышке приводного ремня газораспределительного механизма.

Важно: Для установки нормального газораспределения клапанов насечка (f) должна совмещаться с указательной меткой (g).


M3C11B14
Показать иллюстрациюПеревод текста в иллюстрациях


Отрегулировать момент открытия/закрытия клапанов следующим образом:
  1. Отвернуть винт и снять шкив приводного ремня газораспределительного механизма (с). Для откручивания винта использовать отвертку (h) согласно рисунку.

M3C11B15
Показать иллюстрациюПеревод текста в иллюстрациях


  1. Снять направляющую трубку (i) масляного щупа и переднюю нижнюю крышку (j) приводного ремня газораспределительного механизма.

M3C11B16
Показать иллюстрациюПеревод текста в иллюстрациях


  1. Снять натяжитель (k) приводного ремня газораспределительного механизма и приводной ремень газораспределительного механизма (i).

M3C11B17
Показать иллюстрациюПеревод текста в иллюстрациях


  1. Повернув с помощью болта коленчатый вал по часовой стрелке, совместить метку (m) на звездочке коленчатого вала с указательной меткой (n) на корпусе масляного насоса. Затем, повернув распределительный вал, совместив насечку (f) с указательной меткой (g).

M3C11B18
Показать иллюстрациюПеревод текста в иллюстрациях


  1. Установить приводной ремень газораспределительного механизма (l) и натяжитель (k). (Полностью болт натяжителя не затягивать.)
Повернув два раза по часовой стрелке коленчатый вал, совместить метку (m) с указательной меткой (n) и затянуть болт натяжителя до 15-23 Н•м (11-17 фунто-футов).

M3C11B19
Показать иллюстрациюПеревод текста в иллюстрациях


  1. Установить все снятые детали.


На предыдущую страницуНа следующую страницу
https://vnx.su/ 🛠 Руководства по ремонту и эксплуатации для автомобилей

Поиск по сайту

Остались вопросы или пожелания? Пишите на почту: support@vnx.su

Карта Сайта