К началу документа
Matiz
На предыдущую страницуНа следующую страницу
Главная страница GMDEЗагрузить нединамическое оглавлениеЗагрузить динамическое оглавлениеПомощь



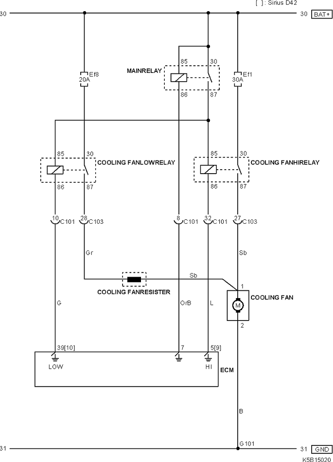
6. ЦЕПЬ ВЕНТИЛЯТОРА СИСТЕМЫ ОХЛАЖДЕНИЯ

K5B15020.png
Показать иллюстрациюПеревод текста в иллюстрациях


а. ИНФОРМАЦИЯ О РАЗЪЁМЕ

№ РАЗЪЁМА
(№ И ЦВЕТ КОНТАКТА)
СОЕДИНИТЕЛЬНЫЙ ЖГУТ ПРОВОДОВПОЛОЖЕНИЕ РАЗЪЁМА
С101 (контакт 32, черный)Двигатель - блок предохранителей в моторном отсекеБлок предохранителей в моторном отсеке
C103 (контакт 32, коричневый)Передняя часть кузова - блок предохранителей в моторном отсекеБлок предохранителей в моторном отсеке
G101ПЕРЕДНЯЯ ЧАСТЬЗа левой фарой

б. УСЛОВНОЕ ОБОЗНАЧЕНИЕ & И НАХОЖДЕНИЕ НОМЕРА КОНТАКТА

K5B1P020.png
Показать иллюстрациюПеревод текста в иллюстрациях


в. РАСПОЛОЖЕНИЕ РАЗЪЁМОВ И СОЕДИНЕНИЙ МАССЫ

K5B12005.png
Показать иллюстрациюПеревод текста в иллюстрациях


K5B12004.png
Показать иллюстрациюПеревод текста в иллюстрациях


На предыдущую страницуНа следующую страницу


https://vnx.su/ 🛠 Руководства по ремонту и эксплуатации для автомобилей

Поиск по сайту

Остались вопросы или пожелания? Пишите на почту: support@vnx.su

Карта Сайта