К началу документа
MATIZ
На предыдущую страницуНа следующую страницу
Главная страница GMDEЗагрузить нединамическое оглавлениеЗагрузить динамическое оглавлениеПомощь



24. ЦЕПЬ БЛОКА СИГНАЛИЗАТОРОВ

1) ЦЕПЬ КОНТРОЛЬНЫХ ЛАМП (ИНДИКАЦИИ НЕИСПРАВНОСТИ, ТОПЛИВА, ЗАРЯДКИ, СТОЯНОЧНОГО ТОРМОЗА, АБС, ДАВЛЕНИЯ МАСЛА И РЕМНЕЙ БЕЗОПАСНОСТИ)

K5B15043.png
Показать иллюстрациюПеревод текста в иллюстрациях


а. ИНФОРМАЦИЯ О РАЗЪЁМЕ

№ РАЗЪЁМА
(№ И ЦВЕТ КОНТАКТА)
СОЕДИНИТЕЛЬНЫЙ ЖГУТ ПРОВОДОВПОЛОЖЕНИЕ РАЗЪЁМА
С102 (контакт 32, серый) Приборная панель - блок предохранителей в моторном отсеке Блок предохранителей в моторном отсеке
C103 (контакт 32, коричневый) Передняя часть кузова - блок предохранителей в моторном отсеке Блок предохранителей в моторном отсеке
С201 (контакт 26, белый) Приборная панель - пол Левая часть пространства для ног водителя
С202 (контакт 23, белый) Двигатель - приборная панель Левая часть пространства для ног водителя
G201 Приборная панель Под левой передней стойкой
G401 Пол Под левой задней стойкой

б. УСЛОВНОЕ ОБОЗНАЧЕНИЕ & И НАХОЖДЕНИЕ НОМЕРА КОНТАКТА

K5B1P043.png
Показать иллюстрациюПеревод текста в иллюстрациях


в. РАСПОЛОЖЕНИЕ РАЗЪЁМОВ И СОЕДИНЕНИЙ МАССЫ

K5B12009.png
Показать иллюстрациюПеревод текста в иллюстрациях


K5B12004.png
Показать иллюстрациюПеревод текста в иллюстрациях


K5B12011.png
Показать иллюстрациюПеревод текста в иллюстрациях


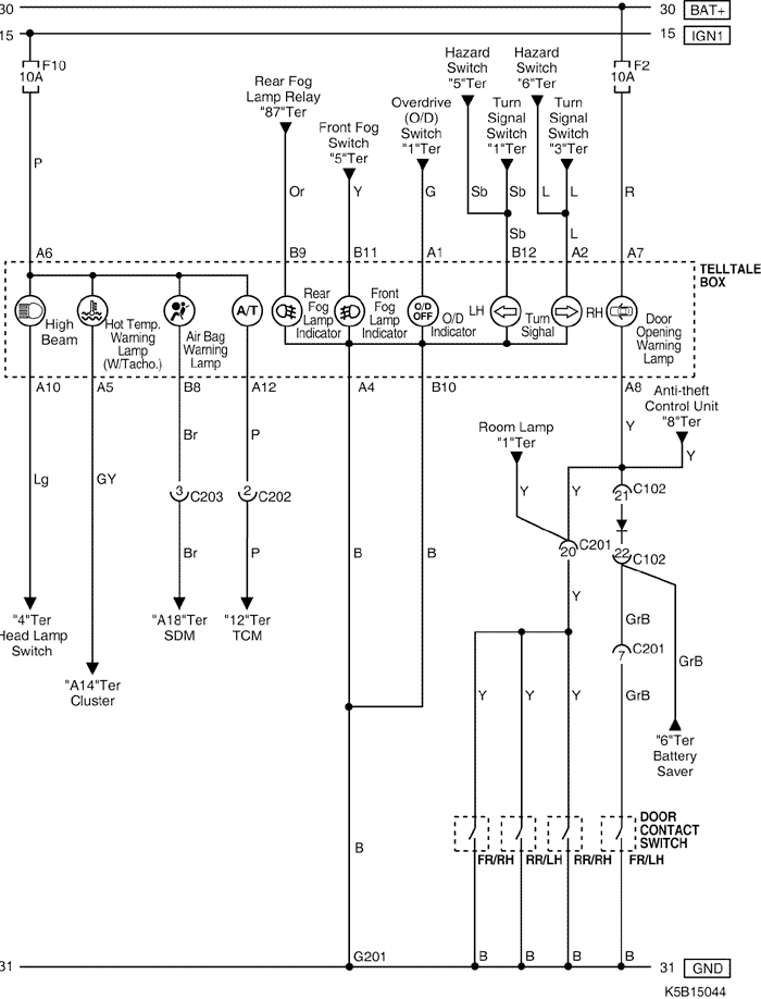
2)ЦЕПЬ КОНТРОЛЬНЫХ ЛАМП (ПЕРЕДНЕЙ И ЗАДНЕЙ ПРОТИВОТУМАННЫХ ФАР, ПОВЫШАЮЩЕЙ ПЕРЕДАЧИ, ДАЛЬНЕГО СВЕТА И УКАЗАТЕЛЯ ПОВОРОТА) И КОНТРОЛЬНЫХ ЛАМП (ПОДУШКИ БЕЗОПАСНОСТИ, ОТКРЫТИЯ ДВЕРИ И ВЫСОКОЙ ТЕМПЕР.)

K5B15044.png
Показать иллюстрациюПеревод текста в иллюстрациях


а. ИНФОРМАЦИЯ О РАЗЪЁМЕ

№ РАЗЪЁМА
(№ И ЦВЕТ КОНТАКТА)
СОЕДИНИТЕЛЬНЫЙ ЖГУТ ПРОВОДОВПОЛОЖЕНИЕ РАЗЪЁМА
С102 (контакт 32, серый) Приборная панель - блок предохранителей в моторном отсеке Блок предохранителей в моторном отсеке
С201 (контакт 26, белый) Приборная панель - пол Левая часть пространства для ног водителя
С202 (контакт 23, белый) Двигатель - приборная панель Левая часть пространства для ног водителя
С203 (контакт 3, белый) Модуль датчиков и диагностики - приборная панель За аудиосистемой
G201 Приборная панель Под левой передней стойкой

б. УСЛОВНОЕ ОБОЗНАЧЕНИЕ & И НАХОЖДЕНИЕ НОМЕРА КОНТАКТА

K5B1P044.png
Показать иллюстрациюПеревод текста в иллюстрациях


в. РАСПОЛОЖЕНИЕ РАЗЪЁМОВ И СОЕДИНЕНИЙ МАССЫ

K5B12009.png
Показать иллюстрациюПеревод текста в иллюстрациях


K5B12011.png
Показать иллюстрациюПеревод текста в иллюстрациях


K5B12014.png
Показать иллюстрациюПеревод текста в иллюстрациях


На предыдущую страницуНа следующую страницу


https://vnx.su/ 🛠 Руководства по ремонту и эксплуатации для автомобилей

Поиск по сайту

Остались вопросы или пожелания? Пишите на почту: support@vnx.su

Карта Сайта