| 415-00C Information and Entertainment System - General Information - Vehicles With: AM/FM/CD/SYNC/Touchscreen Display | 2014 Fiesta |
| Description and Operation | Procedure revision date: 08/1/2013 |
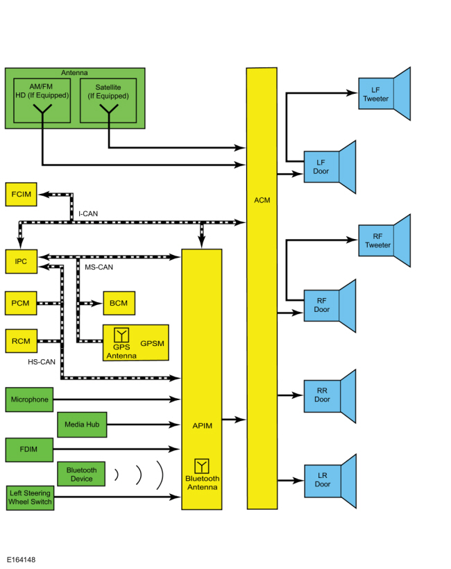
System Operation
System Diagram
Network Message Chart
A missing network message is indicated by a U-code
DTC
and can be the result of intermittent concerns such as damaged wiring or low battery voltage occurrences. Additionally, vehicle
repair procedures such as module reprogramming can set these Diagnostic Trouble Codes (DTCs). When a missing message
DTC
(U-code) sets, it is important to look for symptoms present in the audio system and throughout the vehicle, and to review
the complete message list to determine which other modules rely on the same message.
Refer to:
Communications Network
(418-00 Module Communications Network, Diagnosis and Testing).
See
CAN
Multiplex Messages.
When the other modules have been identified, run the self-test for those modules. If the same message is missing from those modules, the identical, or similar lost communication Diagnostic Trouble Codes (DTCs) may be set in those modules. Confirmation of missing messages common to multiple modules can indicate that the originating module is the source of the concern, or that the communication network may be at fault.
It is very important to understand the following:
Module Network Input Messages - ACM
| Broadcast Message | Originating Module | Message Purpose |
|---|---|---|
| Belt-Minder® audio mute | IPC | Used to mute speaker output so the Belt-Minder® tone can be more easily heard. This message only applies to vehicles with a MyKey® enabled and in use. The audio system is muted until the safety belt(s) are buckled. |
| Chime request | IPC | Used to mute the audio system so a chime from the IPC can be more easily heard. |
| Day/night status | IPC | Used to adjust the AM radio reception sensitivity. |
| FCIM set volume | FCIM | Used to set the ACM volume from the FCIM . |
| Gear lever position | IPC | Used to verify the gear selector position for bezel diagnostics. |
| Ignition key type | IPC | Used to determine if a MyKey® is enabled and in use. |
| Ignition status | IPC | Used to indicate the ignition state (OFF, ACCESSORY, RUN, and START) required for ACM operating modes and fault reporting. |
| MyKey® volume limit status | IPC | Used to limit the maximum audio system volume when a MyKey® restricted key is in use. |
| Radio preset requests | APIM | Used to select and store radio station presets from the FDIM . |
| SYNC® alerts | APIM | Used for text message, news, sports, weather, satellite radio artist/title favorites (if activated), and traffic alert notifications. |
| Transport mode | IPC | Used to disable the functionality of the ACM until taken out of transport mode. |
| Vehicle speed | PCM | Used for the speed compensated volume function. |
Module Network Input Messages - APIM
| Broadcast Message | Originating Module | Message Purpose |
|---|---|---|
| ACM configuration | ACM | Used to verify that the correct configuration and modules are installed. |
| Airbag deployment status | RCM | Used to monitor airbag deployment status for 911 Assist™. |
| Audio source status | ACM | Used to display the selected audio source on the FDIM . |
| Audio volume status | ACM | Used to display audio volume status on the FDIM . |
| Belt-Minder® audio mute | IPC | Used to mute speaker output so the Belt-Minder® tone can be more easily heard. This message only applies to vehicles with a MyKey® enabled and in use. The audio system is muted until the safety belt(s) are buckled. |
| CD load/eject | ACM | Used to display the loaded or ejected CD status on the FDIM . |
| Date and time settings | IPC | Used to display the current date and time on the FDIM . |
| eCall notification | RCM | Used to notify of a 911 Assist™ call being initiated due to an airbag deployment. |
| FCIM bezel diagnostic status | FCIM | Used to display the FCIM bezel diagnostics operations in the centerstack infotainment display. |
| FCIM button state | FCIM | Used to indicate when a button is pressed on the FCIM so the audio system can make the desired setting change. |
| Gear lever position | IPC | Used to verify the gear selector position for bezel diagnostics. |
| GPS compass direction | GPSM | Used to display the compass direction on the FDIM . |
| GPS data | GPSM | Used for vehicle positioning, heading, and direction for navigation and 911 Assist™. |
| Ignition key type | IPC | Used to determine if a MyKey® is enabled and in use. |
| Ignition status | IPC | Used to indicate the ignition state (OFF, ACCESSORY, RUN, and START) required for APIM operating modes and fault reporting. |
| Illumination dimming level | BCM | Used to control the backlight intensity of the FDIM based on the dimmer switch input. |
| Media center display units | IPC | Used to display trip, time, and temperature information in the preferred measurement units. |
| MyKey® 911 Assist™ override | IPC | Used to disable the 911 Assist™ feature from the FDIM . |
| MyKey® Do Not Disturb feature override | IPC | Used to disable the Do Not Disturb feature. |
| MyKey® volume limit status | IPC | Used to limit the maximum audio system volume when a MyKey® restricted key is in use. |
| Transport mode | IPC | Used to disable the functionality of the APIM until taken out of transport mode. |
| Vehicle speed | IPC | Used for navigation functionality. |
Module Network Input Messages - FCIM
| Broadcast Message | Originating Module | Message Purpose |
|---|---|---|
| Ignition status | IPC | Used to indicate the ignition state (OFF, ACCESSORY, RUN, and START) required for FCIM operating modes and fault reporting. |
| Illumination dimming level | BCM | Used to control the backlight intensity of the FCIM based on the dimmer switch input. |
| Transport mode | IPC | Used to disable the functionality of the FCIM until taken out of transport mode. |
Module Network Input Messages - GPSM
| Broadcast Message | Originating Module | Message Purpose |
|---|---|---|
| Wheel rotation count | BCM | Used to provide more accurate vehicle position tracking when the GPS signal is temporarily unavailable. |
Module Network Input Messages - IPC
| Broadcast Message | Originating Module | Message Purpose |
|---|---|---|
| eCall confirmation | APIM | Used to confirm the configuration of the 911 Assist™ feature, and to confirm the status of the 911 Assist™ phone call. |
Module Network Input Messages - RCM
| Broadcast Message | Originating Module | Message Purpose |
|---|---|---|
| eCall confirmation | APIM | Used to confirm the configuration of the 911 Assist™ feature, and to confirm the status of the 911 Assist™ phone call. |
Accessory Delay Feature
The accessory delay feature allows the audio system to be operated for a preset period of time after the ignition is turned off and a front door has not been opened.
AM / FM Radio
The AM / FM roof-mounted antenna receives analog radio waves and sends them through the AM / FM antenna coaxial cable to the ACM . The radio waves are converted into fluctuating AC voltage and sent as left and right analog audio signals to the speakers.
APIM Programming
The APIM requires specific programming procedures for correct operation. APIM programming is required when:
There are 3 types of APIM programming available:
There are 3 types of software installation methods:
NOTE: Vehicle Interface Processor (VIP) programming is not selectable because the Vehicle Interface Processor (VIP) is configured automatically during programming.
There are some general programming guidelines that are applicable to multiple types of programming:
To perform module replacement programming,
Refer to:
SYNC Module [APIM] Replacement Programming
(415-00C Information and Entertainment System - General Information - Vehicles With: AM/FM/CD/SYNC/Touchscreen Display, General Procedures).
To perform standard programming,
Refer to:
SYNC Module [APIM] Standard Programming
(415-00C Information and Entertainment System - General Information - Vehicles With: AM/FM/CD/SYNC/Touchscreen Display, General Procedures).
To perform custom programming,
Refer to:
SYNC Module [APIM] Custom Programming
(415-00C Information and Entertainment System - General Information - Vehicles With: AM/FM/CD/SYNC/Touchscreen Display, General Procedures).
Audio Extended Play
This feature allows the audio system to operate with the ignition OFF, regardless of door latch position. When the power button on the FCIM is pressed, audio system functionality is enabled and remains active for a period of 20-60 minutes, depending on configuration settings. To turn the audio system off, the power button on the FCIM is pressed. Audio extended play will not function if the battery load shed is active.
Audio Input Jack Mode
When a portable audio device, such as an iPod® with its available cable, is connected to the vehicle audio system through the audio input jack in the media hub, audio from the device can be played through the vehicle speakers. Only the volume can be controlled by the vehicle audio controls. All other functions such as seek, fast forward, pause, etc. must be carried out on the device itself.
No metadata (information such as artist, album title, song title, and genre) is transferred when a device is connected to the audio input jack.
Battery Load Shed - ST Only
The BCM uses the battery current sensor to monitor the battery state of charge. The battery current sensor is attached to the battery ground cable. With the ignition in RUN, ACC, or OFF, a load shed message is sent over the CAN when the BCM determines that the battery state of charge is below 40%, 45 minutes have elapsed, or 10% of the charge has been drained. This message turns off the audio system to save the remaining battery charge. Under this condition, SYS OFF TO SAVE BATT is displayed on the centerstack infotainment display to notify the driver that battery protection actions are active. To clear the load shed state, start the vehicle.
Bluetooth Mode
Bluetooth is a secure, short-range radio frequency that allows devices to communicate wirelessly through radio waves. The operating range of a Bluetooth signal is application specific, but will have a minimum range of 10 meters (33 feet).
The Bluetooth interface can accommodate both Bluetooth-enabled mobile phones and Bluetooth-enabled media devices. The SYNC® system allows interaction with several types of customer Bluetooth devices, including mobile phones and media devices. The APIM contains an on-board Bluetooth chipset, which enables certain wireless devices to interact with the system.
Any Bluetooth device used with the SYNC® system must first be paired with the APIM on-board Bluetooth chipset before it can become operational. Pairing a Bluetooth device is accomplished through the "Add Device" selection of the phone menu. When pairing a device, the SYNC® system generates a unique PIN that must be entered on the Bluetooth device in order for the pairing process to be successful. There are also some device-specific actions that must take place. For information on the pairing process, refer to the Owner's Literature.
Only one Bluetooth phone and one Bluetooth media device can be connected to the system at any one time. If an additional device of either type is paired and made active, the APIM disconnects any active connection and establishes a connection with the new device.
It is important to understand that while most Bluetooth devices can pair with the SYNC® system, not all Bluetooth devices have the same level of features available when interacting with the SYNC® system. To determine if a Bluetooth device or feature is supported, review the device compatibility list. Refer to www.syncmyride.com.
Compass
The GPS antenna integral to the GPSM is used to acquire the compass heading. The compass heading is sent over the CAN to be displayed on the centerstack infotainment display.
HD Radio® - If Equipped
HD Radio® is a subscription-free service.
HD Radio® technology allows an AM or FM radio station to duplicate their traditional analog channel with a matching digital channel. Some FM radio stations subdivide the digital output signal into multiple channels that are not duplicates of the analog channel. These extra multicast channels vary in availability and are called HD2, HD3 and HD4 channels.
The AM / FM antenna receives radio waves containing metadata (information such as station call letters, artist, album title, song title, and genre) and digital HD Radio® audio. The radio waves are sent through the AM / FM antenna coaxial cable to the HD Radio® receiver built into the ACM . The metadata is separated from the audio. The metadata is sent to be displayed on the centerstack infotainment display, and the audio is converted into fluctuating AC voltage and sent as left and right analog audio signals to the speakers.
MyKey® Audio Operation
Refer to the Owner's Literature for more information on MyKey®.
Navigation - If Equipped
The navigation system guides the user to a pre-entered destination. Map data is transmitted from the map data Secure Digital (SD) card inserted into the media hub to the APIM through the USB cable. The APIM calculates route information based on GPS data received by the GPSM . The APIM also uses vehicle speed and transmission gear selected signals received through the network to detect vehicle speed and direction, resulting in more accurate navigation tracking. The navigation display is shown on the FDIM .
The voice recognition system allows the user to interface with the system without using the FDIM . A microphone located in the headliner provides a direct input to the APIM .
Satellite Radio - If Equipped
Satellite radio is a subscription-based service.
The combination AM / FM /satellite radio roof-mounted antenna receives signals containing metadata (information such as station call letters, artist, album title, song title, and genre) and digital satellite radio audio. These signals are sent through the satellite radio antenna coaxial cable to the satellite radio receiver built into the ACM . The metadata is separated from the audio. The metadata is sent to be displayed on the centerstack infotainment display, and the audio is converted into fluctuating AC voltage and sent as left and right analog audio signals to the speakers.
Secure Digital (SD) Card Mode
When a non-navigation Secure Digital (SD) card is connected to the vehicle audio system through the Secure Digital (SD) card slot, audio from the card can be played through the vehicle speakers. Functions such as volume, seek, fast forward, pause, etc. can be controlled by the vehicle audio controls.
Image files can be saved to the APIM from a non-navigation Secure Digital (SD) card in order to be used as wallpaper backgrounds displayed on the FDIM .
SIRIUS Data Services - If Equipped
SIRIUS Data Services is a subscription-based service, and requires a separate subscription from the satellite radio. A map data Secure Digital (SD) card is also required.
When a SIRIUS Data Services subscription is activated, the Electronic Serial Number (ESN) of the satellite receiver built into the ACM is associated with the VIN .
The satellite radio antenna receives digital signals containing data. These signals are sent through the satellite radio antenna coaxial cable to the satellite radio receiver built into the ACM . The ACM sends the data to the APIM , and then to the FDIM touchscreen to be displayed.
SIRIUS Data Services allows the customer to receive information for:
Some services may be available separately while others are only available as packages.
Speed Compensated Volume
The ACM adjusts the audio system volume based on the VSS signal to compensate for wind and road noise.
When a MyKey® is in use and the MyKey® Volume Limiter is enabled, the speed compensated volume is disabled.
Steering Wheel Switch Functions
The LH steering wheel switches operate the volume +/-, seek +/-, voice, send/receive call, and end call button functions.
SYNC® Services - If Equipped
SYNC® Services is a subscription-based service, and requires a non-subscription-based SYNC® owner account in order to subscribe. The SYNC® Services subscription is associated with a Bluetooth-enabled mobile phone number, while the SYNC® owner account is associated with a VIN . For SYNC® owner account enrollment or SYNC® Services subscription information, refer to www.syncmyride.com.
The customer's registered mobile phone is used to access and download information from the SYNC® Services server. The information received by the customer's registered mobile phone is sent to the APIM .
The GPS antenna, integral to the GPSM , is used to detect the location and direction of the vehicle.
SYNC Services® allows the customer to connect to the following services:
Favorites allow the customer to get customized information for sports teams, weather forecasts, stocks, news reports, and horoscopes.
Live operator assistance is available for the following services: directions and business search.
For additional information, refer to www.syncmyride.com or “SYNC Services” in the owner’s literature.
SYNC® System
The SYNC® system is a hands-free communication and entertainment system that supports many features. All features are not available with every phone.
The SYNC® system provides the following abilities:
USB Mode
When a portable media device, such as an iPod® with its available cable or portable mass storage such as a USB thumb drive, is connected to the vehicle audio system through the USB ports, audio from the device can be played through the vehicle speakers. Functions such as volume, seek, fast forward, pause, etc. can be controlled by the vehicle audio controls.
When playing media files stored on a mass storage device such as a flash drive, the SYNC® system only plays files that do not have Digital Rights Management (DRM) protection.
In addition to audio information (track length, track number, etc.), metadata (information such as artist, album title, song title, and genre) may also be sent to the APIM from a device connected to the USB ports. The APIM uses the metadata to create indexes that can be used to sort for particular music based on the customer’s preferences. When a new media device is connected to the SYNC® system, the APIM automatically indexes the information. This may take several minutes depending on the amount of data on the device, and is considered normal operation. When a device that was previously connected to the SYNC® system is reconnected, the APIM updates the index rather than creating a new one. This reduces the time needed to index the device.
The USB ports can also be used to upload vehicle Application upgrades to the APIM from a mass storage device such as a flash drive.
Image files can be saved to the APIM from a USB device in order to be used as wallpaper backgrounds displayed on the FDIM .
Voice Recognition
Voice recognition allows the audio system and climate control system functions to be controlled with voice commands. This minimizes driver distraction by reducing or eliminating the need to interact with the centerstack infotainment display and/or device while driving.
When the voice steering wheel switch is pressed, an audible prompt originating at the APIM is heard from the speakers. Based on the customer’s setting, audible prompts will either be a voice or a simple tone. When interaction mode is set to standard, detailed voice guidance is provided. When interaction mode is set to advanced, most prompts are tones only, and minimal voice guidance is provided. The microphone receives the voice commands and sends them to the APIM . Refer to the Owner's Literature for more information on voice recognition.
Component Description
ACM
The ACM can be operated with the ignition in RUN, ACC, or OFF.
The ACM receives radio waves containing audio from the antenna coaxial cable(s) and converts them into fluctuating AC voltage. The ACM receives stereo and mono audio signals from the APIM in the form of fluctuating AC voltage. The ACM processes all inputs, and depending on the input received, sends stereo or mono analog audio signals to the speakers as fluctuating AC voltage.
The ACM receives radio waves containing satellite radio (if equipped) and HD Radio® (if equipped) data through the antenna coaxial cables. The data is sent to be displayed on the centerstack infotainment display.
The ACM requires PMI when it is replaced.
Antenna
The AM / FM radio uses the roof-mounted AM / FM antenna to receive radio waves containing audio. The radio waves are sent through the AM / FM antenna coaxial cable to the ACM , where they are amplified.
If equipped, HD Radio® uses the roof-mounted AM / FM antenna to receive radio waves containing digital audio and data. The radio waves are sent through the AM / FM antenna coaxial cable to the HD Radio® receiver built into the ACM . The radio waves containing digital audio are amplified to improve reception.
If equipped, satellite radio uses the roof-mounted combination AM / FM /satellite radio antenna to receive signals containing digital audio and data. These signals are sent through the satellite radio antenna coaxial cable to the satellite radio receiver built into the ACM .
APIM
The APIM can be operated with the ignition in RUN, ACC, or OFF.
The APIM receives stereo and mono inputs. Stereo inputs include audio from the USB ports, Secure Digital (SD) card slot, audio input jack, and connected Bluetooth media device. Mono inputs include audio from the outside device during a phone call and inputs from the SYNC® microphone.
The APIM sends stereo and mono audio signals to the ACM as fluctuating AC voltage. Stereo outputs include audio from the USB ports, Secure Digital (SD) card slot, audio input jack, connected Bluetooth media device, ringback tone, outside device during a phone call, and voice or tone prompts initiated from the steering wheel switches. Mono outputs include audio from the Text-To-Speech (TTS) feature, incoming call ringtone, voice or tone prompts initiated from the infotainment centerstack, route guidance voice or tone prompts (if equipped with Navigation or SYNC® Services), and SYNC® system instructions.
The Text-To-Speech (TTS) feature minimizes driver distraction by speaking certain text information so it does not have to be read from the centerstack infotainment display and/or device while driving.
The APIM consists of 2 internal modules: the Consumer Interface Processor (CIP) and the Vehicle Interface Processor (VIP). The modules are not replaceable individually, but can be flashed independently if required.
The Consumer Interface Processor (CIP) interfaces with all of the inputs to the APIM . It contains an analog-to-digital-to-analog converter, as well as the Bluetooth chipset. Any Application upgrades that are available to the consumer are loaded directly to the Consumer Interface Processor (CIP) through the USB port.
The Vehicle Interface Processor (VIP) provides an interface between the Consumer Interface Processor (CIP) and the vehicle. Its main functions are controlling the APIM power management and translating inbound and outbound CAN signals. In addition, the Vehicle Interface Processor (VIP) queries the modules on the network to retrieve any Diagnostic Trouble Codes (DTCs) when a vehicle health report is requested.
The Touchscreen Calibration must be performed every time the APIM is separated from the FDIM .
The APIM requires programming when it is replaced.
FCIM
The FCIM can be operated with the ignition in RUN, ACC, or OFF.
The FCIM audio system buttons provide one of the methods with which the customer interacts with the infotainment system.
The FCIM is separate from the ACM .
FDIM
The FDIM can be operated with the ignition in RUN, ACC, or OFF.
The FDIM touchscreen provides one of the methods with which the customer interacts with the infotainment system.
The FDIM plugs directly into the APIM , and therefore does not communicate directly on any network, and no external circuits are connected.
The Touchscreen Calibration must be performed every time the FDIM is separated from the APIM .
GPSM
The GPSM provides vehicle location for real-time traffic reports and re-routing, and for identifying vehicle location in the event of a collision.
For vehicles with navigation, the GPSM acts as the antenna for the navigation system.
The vehicle location information is broadcast through the CAN to the APIM .
The GPSM requires PMI when it is replaced.
Media Hub
The media hub allows for various audio and video devices to play content through the vehicle speakers and to be viewed on the FDIM . The media hub contains:
Steering Wheel Switches
The LH steering wheel switches contain series of resistors. Each steering wheel switch function corresponds with a specific resistance value within the switch.
The APIM sends a 5-volt reference voltage to the LH steering wheel switches on the input circuits. When a switch is pressed, the voltage is routed through the corresponding resistor(s), and then to ground through the APIM . The APIM monitors the resultant voltage drop to determine which switch was pressed. The voltage drop varies depending upon the resistance of the specific switch pressed.
The steering wheel switch inputs are sent as network messages from the APIM to the ACM to control audio functions.
SYNC® Microphone
The SYNC® microphone receives SYNC® system voice commands and outgoing audio during a phone call. The monitored sounds are converted into analog signals by the microphone and sent to the APIM .