Наверх документа
Volt
   
Начальная страница GMDE Загрузить статическое оглавление Загрузить динамическое оглавление Помощь?

Замена шланга насоса охлаждающей жидкости модуля управления приводным электродвигателем-генератором

Процедура демонтажа

Опасно: Всегда выполняйте процедуру сброса высокого напряжения перед обслуживанием или подключением любых компонентов системы высокого напряжения. Необходимо использовать персональное защитное снаряжение и строго придерживаться инструкций по работе.

Процедура сброса высокого напряжения выполняет следующие задачи:

   • Определяет, каким образом отключается высокое напряжение.
   • Определяет, каким образом определяется наличие высокого напряжения.
   • Определяет условие, при котором высокое напряжение всегда присутствует и необходимо использовать персональное защитное снаряжение, а также строго придерживаться инструкций по работе.
Отступление от буквального выполнения этих инструкций может привести к тяжелой травме или смерти.

  1. Отключение высоковольтной системы. См. Отключение высокого напряжения .
  2. Примечание: Замените поржавевшие шланговые хомуты и кронштейны.

  3. Снимите передний защитный подкрылок передней колесной арки со стороны водителя. См. Замена переднего защитного подкрылка передней колесной арки

  4. 2392403
  5. Подставьте снизу под насос поддон для сбора жидкости.
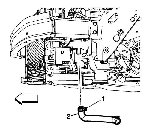
  6. Снимите хомут (1) шланга насоса охлаждающей жидкости модуля управления приводным электродвигателем-генератором с насоса охлаждающей жидкости модуля управления генератором.
  7. Снимите шланг (2) насоса охлаждающей жидкости модуля управления приводным электродвигателем-генератором с насоса охлаждающей жидкости модуля управления генератором.

  8. 2392402
  9. Снимите хомут (1) шланга насоса охлаждающей жидкости модуля управления приводным электродвигателем-генератором с воздушного сепаратора охлаждающей жидкости аккумуляторной батареи приводного электродвигателя.
  10. Снимите шланг (2) насоса охлаждающей жидкости модуля управления приводным электродвигателем-генератором с воздушного сепаратора охлаждающей жидкости аккумуляторной батареи приводного электродвигателя.
  11. Снимите шланг насоса охлаждающей жидкости модуля управления приводным электродвигателем-генератором с автомобиля.

Процедура установки


    2392402
  1. Установите шланг насоса охлаждающей жидкости модуля управления приводным электродвигателем-генератором на автомобиль.
  2. Подсоедините шланг (2) насоса охлаждающей жидкости модуля управления приводным электродвигателем-генератором к воздушному сепаратору охлаждающей жидкости аккумуляторной батареи приводного электродвигателя.
  3. Установите хомут (1) шланга насоса охлаждающей жидкости модуля управления приводным электродвигателем-генератором на воздушный сепаратор охлаждающей жидкости аккумуляторной батареи приводного электродвигателя.

  4. 2392403
  5. Подсоедините шланг (2) насоса охлаждающей жидкости модуля управления приводным электродвигателем-генератором к насосу охлаждающей жидкости модуля управления генератором.
  6. Установите хомут (1) шланга насоса охлаждающей жидкости модуля управления приводным электродвигателем-генератором на насос охлаждающей жидкости модуля управления генератором.
  7. Установите передний защитный подкрылок передней колесной арки со стороны водителя и со стороны переднего пассажира. См. Замена переднего защитного подкрылка передней колесной арки
  8. Уберите поддон для сбора жидкости.
  9. Залейте охлаждающую жидкость в систему охлаждения.
  10. Подключить высоковольтную систему. См. Подключение высокого напряжения .
   


https://vnx.su/ 🛠 Руководства по ремонту и эксплуатации для автомобилей

Поиск по сайту

Остались вопросы или пожелания? Пишите на почту: support@vnx.su

Карта Сайта