Наверх документа
Вольт
   
Начальная страница GMDE Загрузить статическое оглавление Загрузить динамическое оглавление Помощь?

Аккумуляторная батарея Замена

Специальный инструмент

ge-49379 Инструмент для демонтажа и монтажа аккумуляторной батареи

Эквивалентные местные инструменты см. Специальный инструмент .

Порядок отсоединения

    Предупреждение. См. Предупреждение об отключении аккумулятора во введении.

  1. Выключить все лампы и приспособления
  2. Выключить зажигание.
  3. Снять облицовку технического отсека в полу багажного отделения. См. Замена облицовки технического отсека в полу багажного отделения .
  4. Отсоединить минусовой провод аккумуляторной батареи. См. Отрицательный провод аккумуляторной батареи Отсоединение и подсоединение .
  5. Снять шланг вентиляции аккумуляторной батареи.

  6. 2595433
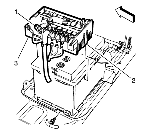
  7. Освободить фиксирующий выступ (2) на крышке коробки предохранителей аккумулятора.
  8. Откройте заслонку коробки предохранителей аккумулятора (1).
  9. Примечание: Вытянуть кожух коробки предохранителей аккумулятора. НЕ вытягивать заслонку.

  10. Освободить фиксирующий выступ (3) и открыть крышку коробки предохранителей аккумулятора.

  11. 2392649
  12. Отвернуть гайку крепления положительного провода аккумулятора к блоку предохранителей (1).
  13. Убрать положительный провод (2) с аккумулятора.

  14. 2392637
  15. Слегка отвернуть гайку (1) хомута положительного провода аккумулятора.
  16. Снять фиксаторы (2) блока предохранителей и переставить блок предохранителей (3).

  17. 2392640
  18. Выкрутить болт фиксатора аккумуляторной батареи (1).
  19. Демонтировать прижимную ленту (2) аккумуляторной батареи и прижимной фиксатор (3).

  20. 2392646
  21. Демонтировать аккумуляторную батарею (1) из багажного отделения с помощью инструмента для демонтажа ge-49379.

Порядок подключения

    Предупреждение. См. Предупреждение об отключении аккумулятора во введении.


    2392646

    Примечание: Очистить коррозию, имеющуюся на клемме аккумулятора и конце провода аккумулятора.

  1. Расположить аккумуляторную батарею (1) на полке полюсными штырями в направлении задней части автомобиля с помощью монтажного инструмента ge-49379.

  2. 2392640
  3. Установить прижимной фиксатор (3) и прижимную ленту (2).
  4. Осторожно: См. Предупреждение о крепежных деталях во введении.

  5. Затянуть фиксирующий болт  (1) аккумулятора моментом 9 Н·м (80 фунто дюйм).

  6. 2392637
  7. Установить блок предохранителей (3) в верхней части аккумуляторной батареи с выступами (2).
  8. Сдвинуть зажим (1) аккумуляторной батареи на клеммный штырь аккумуляторной батареи и затянуть гайку (1) с моментом затяжки 9 Н·м (80 фунт дюйм).

  9. 2392649
  10. Подключите положительную клемму аккумуляторной батареи (2) к блоку предохранителей и затяните гайку (1) моментом 9 Н·м (80 фунто-дюймов).

  11. 2595433
  12. Закройте крышку коробки предохранителей (1) и зафиксируйте фиксирующие выступы (2, 3).
  13. Присоединить минусовой провод аккумуляторной батареи. См. Отрицательный провод аккумуляторной батареи Отсоединение и подсоединение .
  14. Установить облицовку технического отсека в полу багажного отделения. См. Замена облицовки технического отсека в полу багажного отделения .
   


https://vnx.su/ 🛠 Руководства по ремонту и эксплуатации для автомобилей

Поиск по сайту

Остались вопросы или пожелания? Пишите на почту: support@vnx.su

Карта Сайта