К верхней части документа
Volt
   
Начальная страница GMDE Загрузить статическое содержание Загрузить динамическое содержание Справка?

Замена трубки терморасширительного клапана испарителя кондиционера воздуха

Процедура демонтажа

  1. Отсоединить минусовой провод аккумуляторной батареи. См. Отрицательный провод аккумуляторной батареи Отсоединение и подсоединение .
  2. Восстановить хладагент. См. Восстановление и замена хладагента : Высоковольтный электрический компрессор .
  3. Снимите узел очистителя воздуха. См. Воздушный фильтр в сборе Замена .
  4. Снимите запасной бачок охлаждающей жидкости. См. Замена бачка охлаждающей жидкости .
  5. Снять правую фару. См. Замена фары : Volt .
  6. Отключите электрические разъемы и крепления проводов с трубки терморегулирующие клапана испарителя кондиционера.

  7. 2402610
  8. Снимите гайку трубки терморегулирующие клапана испарителя кондиционера (1) с испарителя кондиционера.
  9. Снимите гайку трубки терморегулирующего клапана испарителя кондиционера (2) с охладителя охлаждающей жидкости с аккумуляторным приводным двигателем.
  10. Снимите гайку трубки терморегулирующего клапана испарителя кондиционера (3) с испарителя кондиционера и охладителя охлаждающей жидкости с аккумуляторным приводным двигателем.

  11. 2402604
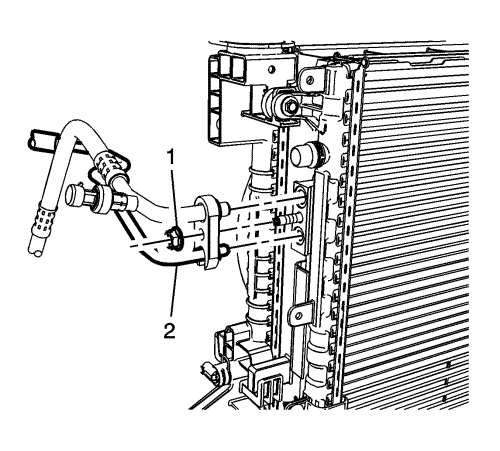
  12. Снять зажим (1) трубки терморасширительного клапана испарителя кондиционера со шпильки.
  13. Снять фиксатор трубки (2) терморасширительного клапана испарителя кондиционера с кузова.
  14. Снять трубку терморасширительного клапана испарителя кондиционера (3).

  15. 2402607
  16. Снимите гайку трубки терморегулирующего клапана испарителя кондиционера (1) с конденсатора кондиционера.
  17. Снимите трубку терморегулирующего клапана испарителя кондиционера (2) с конденсатора кондиционера.
  18. Снять трубку терморасширительного клапана испарителя кондиционера с автомобиля.

Процедура установки


    2402607
  1. Установить трубку терморасширительного клапана испарителя кондиционера на автомобиль.
  2. Установите трубку терморегулирующего клапана испарителя кондиционера (2) на конденсаторе кондиционера.
  3. Осторожно: См. Предупреждение о крепежных деталях во введении.

  4. Установите гайку трубки терморегулирующего клапана испарителя кондиционера (1) на конденсатор кондиционера и затяните с усилием 17 Н·м (13 фунто- футов).

  5. 2402604
  6. Установить трубку терморасширительного клапана испарителя кондиционера (3).
  7. Установить фиксатор трубки (2) терморасширительного клапана испарителя кондиционера с кузова.
  8. Установить зажим (1) трубки терморасширительного клапана испарителя кондиционера с конденсатора.

  9. 2402610
  10. Установите гайку трубки терморегулирующего клапана испарителя кондиционера (3) на испаритель кондиционера и охладитель охлаждающей жидкости с аккумуляторным приводным двигателем.
  11. Установить гайку терморасширительного клапана испарителя (2) на охладитель охлаждающей жидкости аккумуляторной батареи приводного электродвигателя и затянуть с моментом затяжки 17 Н·м (13 фунт фут)
  12. Установите гайку трубки терморегулирующего клапана испарителя кондиционера (1) на испаритель кондиционера и затяните с усилием 17 Н·м (13 фунто- футов).
  13. Подключите электрические разъемы и крепления проводов к трубке терморегулирующего клапана испарителя кондиционера.
  14. Установить правую фару. См. Замена фары : Volt .
  15. Установите запасной бачок охлаждающей жидкости. См. Замена бачка охлаждающей жидкости .
  16. Установите воздушный фильтр в сборе. См. Воздушный фильтр в сборе Замена .
  17. Слить и заправить в систему хладагент. См. Восстановление и замена хладагента : Высоковольтный электрический компрессор .
  18. Подсоедините минусовый провод аккумуляторной батареи. См. Отрицательный провод аккумуляторной батареи Отсоединение и подсоединение .
   


https://vnx.su/ 🛠 Руководства по ремонту и эксплуатации для автомобилей

Поиск по сайту

Остались вопросы или пожелания? Пишите на почту: support@vnx.su

Карта Сайта