К верхней части документа
Volt
   
Начальная страница GMDE Загрузить статическое содержание Загрузить динамическое содержание Справка?

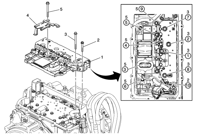
Установка блока управляющих электромагнитных клапанов с модулем управления коробкой передач


2372091

Выноска

Название компонента

1

Электромагнитный регулирующий клапан tehcm в сборе (с корпусом и модулем tcm)

2

Болт m6 x 42 мм корпуса регулирующего клапана (кол-во: 1 шт.)

Внимание См. Предупреждение о крепежных деталях в разделе "Введение".

Процедура

Затяните болты в указанном порядке.

Затянуть
9.5 Н·м (84 фунт дюйм)

3

Болт m6 x 75 мм корпуса регулирующего клапана (кол-во: 4 шт.)

Процедура

Затяните болты в указанном порядке.

Затянуть
9.5 Н·м (84 фунт дюйм)

4

Пружина электромагнитного регулирующего клапана

5

Болт m6 x 65 мм корпуса регулирующего клапана (кол-во: 5 шт.)

Процедура

Затяните болты в указанном порядке.

Затянуть
9.5 Н·м (84 фунт дюйм)

   


https://vnx.su/ 🛠 Руководства по ремонту и эксплуатации для автомобилей

Поиск по сайту

Остались вопросы или пожелания? Пишите на почту: support@vnx.su

Карта Сайта