К верхней части документа
Volt
   
Начальная страница GMDE Загрузить статическое содержание Загрузить динамическое содержание Справка?

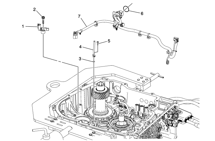
Установка жгута проводов автоматической коробки передач и датчика выходной частоты вращения


2372052

Выноска

Название компонента

1

Датчик выходной скорости вращения автоматической коробки передач

2

Болт m6 x 30 мм датчика выходной частоты вращения автоматической коробки передач (кол-во: 1 шт.)

Осторожно: Использовать для каждого места соответствующие крепежные детали. Крепежные детали на замену должны иметь номер детали, соответствующий конкретному применению. В процессе обслуживания выявляются крепежные элементы, требующие замены или применения резьбового герметика. Не наносить лакокрасочные материалы, смазочные материалы или ингибиторы коррозии на крепежные детали или скрепляемые поверхности, если это не указано отдельно. Такие покрытия влияют на момент затяжки и зажимное усилие соединения и могут привести к повреждению крепежных деталей. Соблюдать правильную последовательность и параметры затяжки при установке крепежных деталей во избежание повреждений деталей и узлов.

Затянуть
9 Н·м (80 фунт дюйм)

3

Уплотнитель смазочной трубки коробки переднего дифференциала

Подсказка
Установить НОВОЕ уплотнение. Пластинчатый фильтр не подлежит повторному использованию.

4

Смазочная трубка коробки переднего дифференциала

5

Болт m5 x 16 мм смазочной трубки коробки переднего дифференциала (кол-во: 1 шт.)

Подсказка
Установить НОВОЕ уплотнение. Пластинчатый фильтр не подлежит повторному использованию.

Затянуть
7,25 Н·м (64,2 фунт дюйм)

6

Уплотнение разъема жгута проводов

7

Жгут проводов в сборе автоматической коробки передач

   


https://vnx.su/ 🛠 Руководства по ремонту и эксплуатации для автомобилей

Поиск по сайту

Остались вопросы или пожелания? Пишите на почту: support@vnx.su

Карта Сайта