К верхней части документа
Volt
   
Начальная страница GMDE Загрузить статическое содержание Загрузить динамическое содержание Справка?

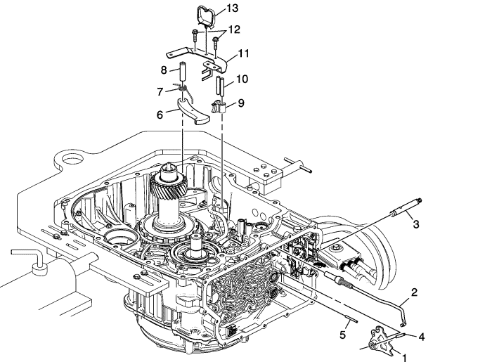
Установка стояночной собачки и вала механического переключения передач


2372048

Выноска

Название компонента

1

Рычаг стопора вала ручного переключения в сборе

2

Устройство для перемещения стояночной собачки в сборе

3

Вал механического переключения передач

4

Штифт ступицы рычага фиксатора вала механического переключения передач

5

Палец вала ручного переключения

6

Стояночная собачка

7

Пружина стояночной собачки

8

Ось стояночной собачки

9

Направляющая привода собачки стояночного тормоза

10

Направляющий штифт привода стояночной собачки (кол-во: 2 шт.)

11

Кронштейн привода стояночной собачки

12

Болт m6 x 20 мм привода стояночной собачки (кол-во: 2 шт.)

Внимание См. Предупреждение о крепежных деталях в разделе "Введение".

Затянуть
9 Н·м (80 фунт дюйм)

13

Кронштейн кабелепровода жгута проводов

   


https://vnx.su/ 🛠 Руководства по ремонту и эксплуатации для автомобилей

Поиск по сайту

Остались вопросы или пожелания? Пишите на почту: support@vnx.su

Карта Сайта