К верхней части документа
Volt
   
Начальная страница GMDE Загрузить статическое содержание Загрузить динамическое содержание Справка?

Измерение шайбы подшипника переднего дифференциала и упорной шайбы подшипника ведущей шестерни переднего дифференциала

Таблица 1: Установка корпуса переднего дифференциала и ведущей шестерни переднего дифференциала с раздаточной шестерней
Таблица 2: Установка калибра упорной шайбы дифференциала
Таблица 3: Порядок затяжки
Таблица 4: Подбор компенсационной шайбы дифференциала

Установка корпуса переднего дифференциала и ведущей шестерни переднего дифференциала с раздаточной шестерней


2372039

Установка корпуса переднего дифференциала и ведущей шестерни переднего дифференциала с раздаточной шестерней

Выноска

Название компонента

1

Распорное кольцо подшипника переднего дифференциала

2

Упорный подшипник вала передней ведущей шестерни в сборе (слева)

3

Ведущая шестерня переднего дифференциала в сборе (с раздаточной шестерней)

4

Упорный подшипник вала передней ведущей шестерни в сборе - Подбирается (справа)

5

Коробка переднего дифференциала в сборе (переднеприводный автомобиль)

6

Наружное уплотнение корпуса демпфера крутящего момента

Установка калибра упорной шайбы дифференциала


2372041

Установка калибра упорной шайбы дифференциала

Выноска

Название компонента

1

Роликовый подшипник ведущей шестерни переднего дифференциала в сборе

Подсказка
После установки наружного кольца подшипника на шестерню установите на наружное кольцо подшипника приспособление dt-47800-2, которое входит в состав комплекта dt-47800.

Специальный инструмент

    • dt-47800 Комплект калибров для подбора упорной шайбы
    • dt-47800-10 Болты, распорная втулка и компенсационные шайбы для подбора упорной шайбы

Эквивалентные местные инструменты см. Специальный инструмент .

2

Наружное кольцо подшипника ведущей шестерни переднего дифференциала

Подсказка
После установки наружного кольца подшипника на шестерню установите на наружное кольцо подшипника приспособление dt-47800-2, которое входит в состав комплекта dt-47800.

Специальный инструмент

dt-47800 Комплект калибров для подбора упорной шайбы

Эквивалентные местные инструменты см. Специальный инструмент .

3

Корпус демпфера крутящего момента и дифференциала (с жидкостным насосом)

Подсказка

    • Установите 2 болта, распорную втулку и компенсационные шайбы для подбора упорной шайбы приспособления dt-47800-10 в резьбовое отверстие картера с углом между ними примерно 180 градусов.
    • При опускании корпуса в картер, возможно, потребуется некоторое выравнивание приспособлений DT-47800-1 и 2, которые входят в состав комплекта dt-47800.
    • Установите приспособление DT-47800-3, которое входит в комплект dt-47800, и распорную втулку поверх приспособления dt-47800-6.

Специальный инструмент

    • dt-47800 Комплект калибров для подбора упорной шайбы
    • dt-47800-10 Болты, распорная втулка и компенсационные шайбы для подбора упорной шайбы

Эквивалентные местные инструменты см. Специальный инструмент .

Порядок затяжки


2372043

Порядок затяжки

Выноска

Название компонента

1

Болты распорной втулки m8 x 127 мм (кол-во: 8 шт.)

Внимание См. Предупреждение о крепежных деталях в разделе "Введение".

Процедура

  1. Установите остальные распорные втулки равномерно на каждом втором отверстии под болт.
  2. Снимите болты, распорные втулки и компенсационные шайбы подбора упорной шайбы приспособления dt-47800-10, а также направляющие штифты и заверните болты во все отверстия под болты в местах расположения распорных втулок.
  3. Затянуть болты в порядке, показанном на рисунке.

Затянуть
30 Н·м (22 фунто фут)

Специальный инструмент

    • dt-47800 Комплект калибров для подбора упорной шайбы
    • dt-47800-10 Болты, распорная втулка и компенсационные шайбы для подбора упорной шайбы

Эквивалентные местные инструменты см. Специальный инструмент .

2

Чашка переднего дифференциала в сборе

Осторожно: Если подшипники неверно посажены в наружные кольца подшипников, подбор шайбы будет неточным, и предварительный натяг подшипника будет отрегулирован слишком малым. Малый предварительный натяг подшипника вызывает преждевременный износ ведущей шестерни переднего дифференциала.

Подсказка
Для поворачивания дифференциала со стороны картера можно использовать инструмент для поворота dt-47793.

Специальный инструмент

dt-47793 Инструмент для вращения дифференциала

Эквивалентные местные инструменты см. Специальный инструмент .

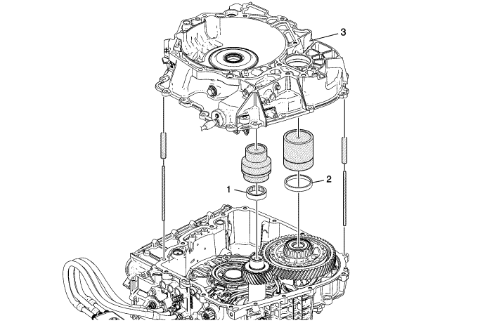
Подбор компенсационной шайбы дифференциала


2372044

Подбор компенсационной шайбы дифференциала

Выноска

Название компонента

1

Шайба подшипника переднего дифференциала

Процедура

  1. Установите приспособление DT-47800-7 в зазор приспособления DT-47800-2, оба из которых входят в комплект dt-47800, чтобы определить надлежащую упорную шайбу. Выберите надлежащую упорную шайбу. См. Технические требования к выбору предварительного натяга конического подшипника .
  2. Продолжайте пробовать разные размеры приспособления DT-47800-7, которое входит в комплект dt-47800, до тех пор, пока калибр не будет больше входить в зазор. Надлежащий размер упорной шайбы равен максимальному размеру плоского калибра, который входит в зазор.
  3. Подберите размер надлежащего плоского калибра DT-47800-7, который входит в комплект dt-47800, по цветовому коду в таблице технических требований к упорной шайбе. Цветовой код шайбы нанесен по наружной окружности шайбы.
  4. Зазор в приспособлении DT-47800-2, которое входит в комплект dt-47800, может быть неравномерным. Удерживайте верхнюю часть калибра и поворачивайте нижнюю часть калибра чтобы выровнять зазор. Выполните два измерения зазора с углом поворота на 180 градусов. Вычислите среднее значение из двух измерений и выберите упорную шайбу, размер которой наиболее близок к среднему значению зазора.
  5. Цветовой код шайбы нанесен по наружной окружности шайбы.

Специальный инструмент

dt-47800 Комплект калибров для подбора упорной шайбы

Эквивалентные местные инструменты см. Специальный инструмент .

2

Упорная шайба подшипника ведущей шестерни переднего дифференциала

Процедура

  1. Установите приспособление DT-47800-7 в зазор приспособления DT-47800-1, оба из которых входят в комплект dt-47800, чтобы определить надлежащую упорную шайбу. Выберите надлежащую упорную шайбу. См. Технические требования к выбору предварительного натяга конического подшипника .
  2. Продолжайте пробовать разные размеры приспособления DT-47800-7, которое входит в комплект dt-47800, до тех пор, пока калибр не будет больше входить в зазор. Надлежащий размер упорной шайбы равен максимальному размеру плоского калибра, который входит в зазор.
  3. Подберите размер надлежащего плоского калибра DT-47800-7, который входит в комплект dt-47800, по цветовому коду в таблице технических требований к упорной шайбе. Цветовой код шайбы нанесен по наружной окружности шайбы.
  4. Зазор в приспособлении DT-47800-1, которое входит в комплект dt-47800, может быть неравномерным. Удерживайте верхнюю часть калибра и поворачивайте нижнюю часть калибра чтобы выровнять зазор. Выполните два измерения зазора с углом поворота на 180 градусов. Вычислите среднее значение из двух измерений и выберите упорную шайбу, размер которой наиболее близок к среднему значению зазора.
  5. Цветовой код шайбы нанесен по наружной окружности шайбы.

Специальный инструмент

dt-47800 Комплект калибров для подбора упорной шайбы

Эквивалентные местные инструменты см. Специальный инструмент .

3

Корпус демпфера крутящего момента и дифференциала (с жидкостным насосом)

Процедура

  1. Снимите приспособление DT-47800-3, которое входит в комплект dt-47800, отверните болты и снимите распорные втулки.
  2. Снимите корпус демпфера крутящего момента.
  3. Снимите приспособления DT-47800-1 и DT-47800-2, оба из которых входят в комплект dt-47800.
  4. Снимите уплотнение корпуса демпфера крутящего момента.
  5. Снимите наружные кольца подшипников ведущей шестерни и дифференциала.
  6. Установите наружные кольца подшипников и упорные шайбы в корпус демпфера крутящего момента в соответствии с процедурами замены. См. Снятие наружного кольца подшипника ведущей шестерни переднего дифференциала - Со стороны демпфера крутящего момента и Замена роликового подшипника ведущей шестерни переднего дифференциала и пластмассовой смазочной втулки .

Подсказка
Приспособления dt-47800-1 и dt-47800-2, оба из которых входят в комплект dt-47800, могут застрять в корпусе демпфера крутящего момента. Следует соблюдать осторожность, чтобы не уронить калибры.

Специальный инструмент

dt-47800 Комплект калибров для подбора упорной шайбы

Эквивалентные местные инструменты см. Специальный инструмент .

   


https://vnx.su/ 🛠 Руководства по ремонту и эксплуатации для автомобилей

Поиск по сайту

Остались вопросы или пожелания? Пишите на почту: support@vnx.su

Карта Сайта