К верхней части документа
Volt
   
Начальная страница GMDE Загрузить статическое содержание Загрузить динамическое содержание Справка?

Установка крышки картера в сборе


2372029

Выноска

Название компонента

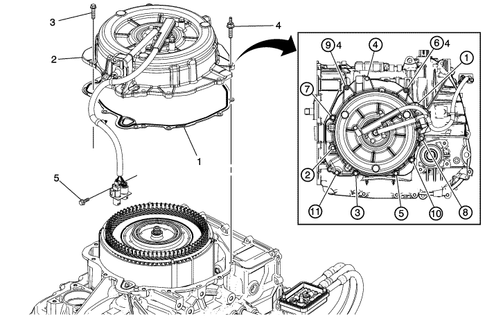
1

Прокладка крышки картера автоматической коробки передач

2

Крышка картера автоматической коробки передач в сборе

Подсказка
Возможно, потребуется выровнять отверстия под болты.

3

Болт m8 x 30 мм крышки картера автоматической коробки передач (кол-во: 9 шт.)

Внимание См. Предупреждение о крепежных деталях в разделе "Введение".

Процедура

Затянуть болты в порядке, показанном на рисунке.

Затянуть
22 Н·м (16 фунто-футов)

4

Шпилька m8 x 30 мм крышки картера (кол-во: 2 шт.)

Затянуть
22 Н·м (16 фунто-футов)

5

Болт m6 x 20 мм экрана жгута проводов автоматической коробки передач (кол-во: 1 шт.), наружный

Затянуть
9 Н·м (80 фунт дюйм)

   


https://vnx.su/ 🛠 Руководства по ремонту и эксплуатации для автомобилей

Поиск по сайту

Остались вопросы или пожелания? Пишите на почту: support@vnx.su

Карта Сайта