Orlando |
||||||||
|
|
|
|||||||
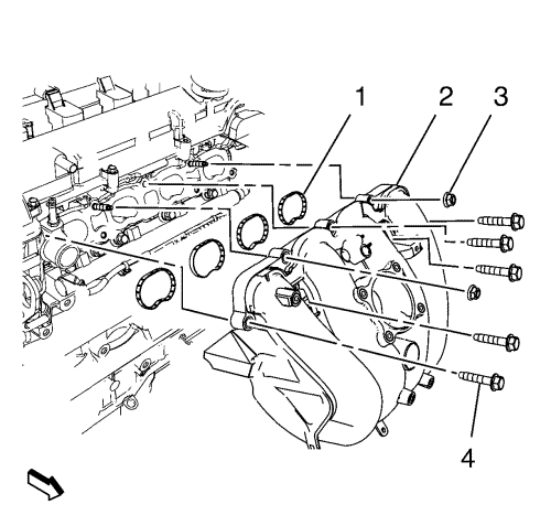
| 1. | Снять изолятор впускного коллектора. См. Замена изолятора впускного коллектора |
| 2. | Снять датчик абсолютного давления в коллекторе со впускного коллектора. См. Замена датчика абсолютного давления в коллекторе |

| 3. | Снять 2 гайки впускного коллектора (3) и 5 болтов впускного коллектора (4). |
| 4. | Снять впускной коллектор (2) и 4 уплотнительных кольца впускного коллектора (1). |

| 1. | Установить впускной коллектор (2) и 4 НОВЫХ уплотнительных кольца впускного коллектора (1). |
| 2. | Установить 2 гайки впускного коллектора (4) и 5 болтов впускного коллектора (4) на впускной коллектор (2). |
|
Осторожно:
См. Предупреждение о крепежных деталях |

| 3. | Затянуть гайки и болты впускного коллектора в указанном на рисунке порядке и затянуть их с моментом затяжки 10n·m (89 фунт-дюймов). |
| 4. | Установите датчик абсолютного давления в коллекторе. См. Замена датчика абсолютного давления в коллекторе |
| 5. | Установить изолятор впускного коллектора. См. Замена изолятора впускного коллектора |
| © copyright chevrolet. All rights reserved |