To the top of the document
Orlando
   
GMDE Start Page Load static TOC Load dynamic TOC Help?

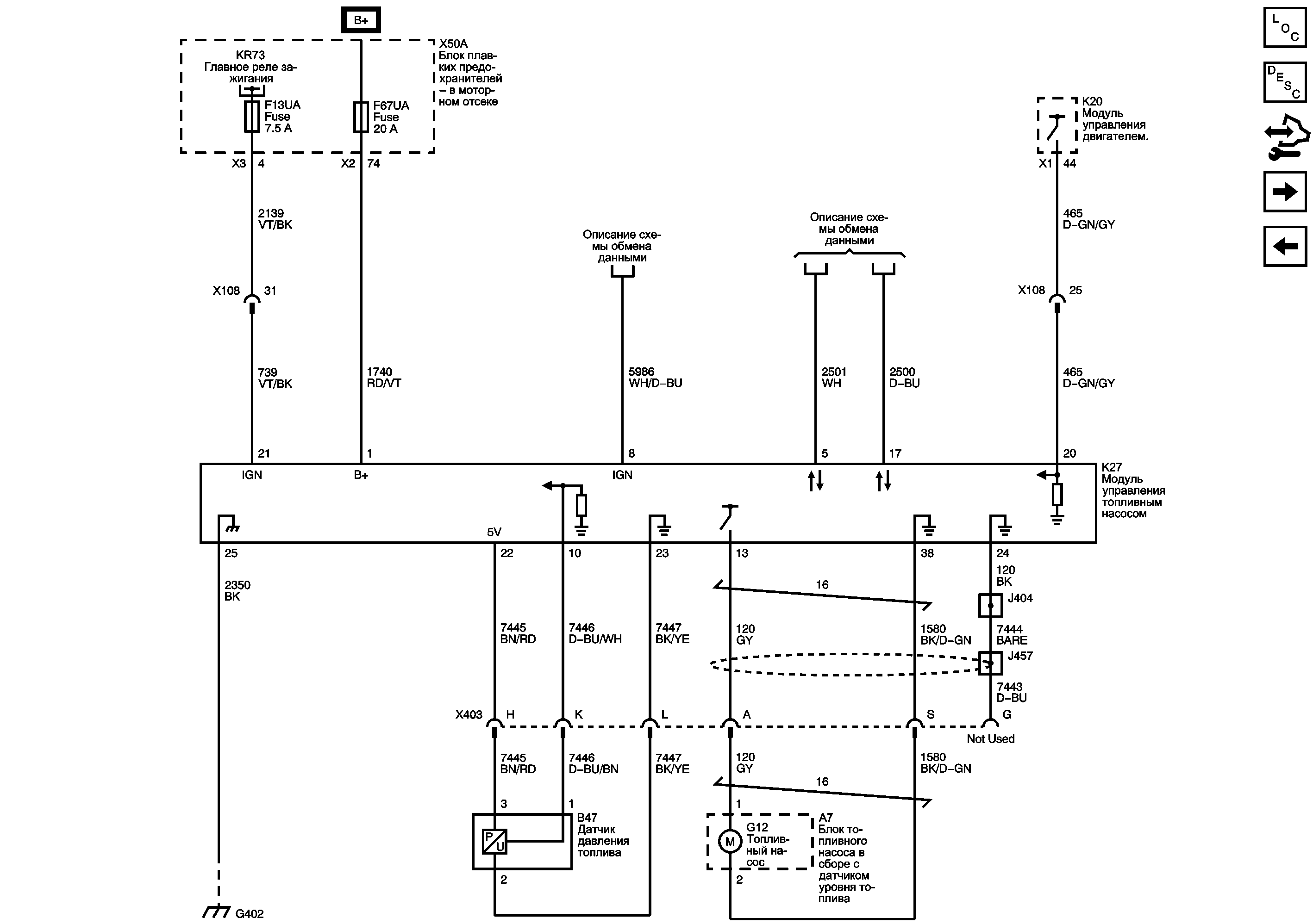
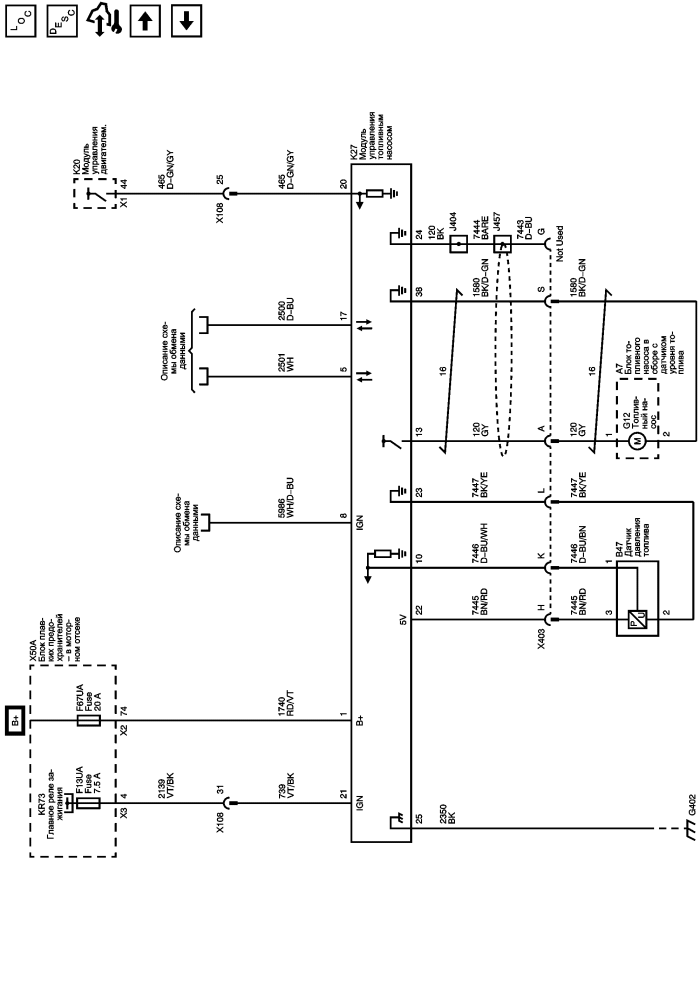
Управление топливоподачей- управление расходом топливного насоса


          
            |                         |            
2580108RU.png

Display graphic

   


© copyright chevrolet. All rights reserved