To the top of the document
Orlando
   
GMDE Start Page Load static TOC Load dynamic TOC Help?

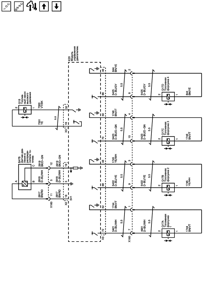
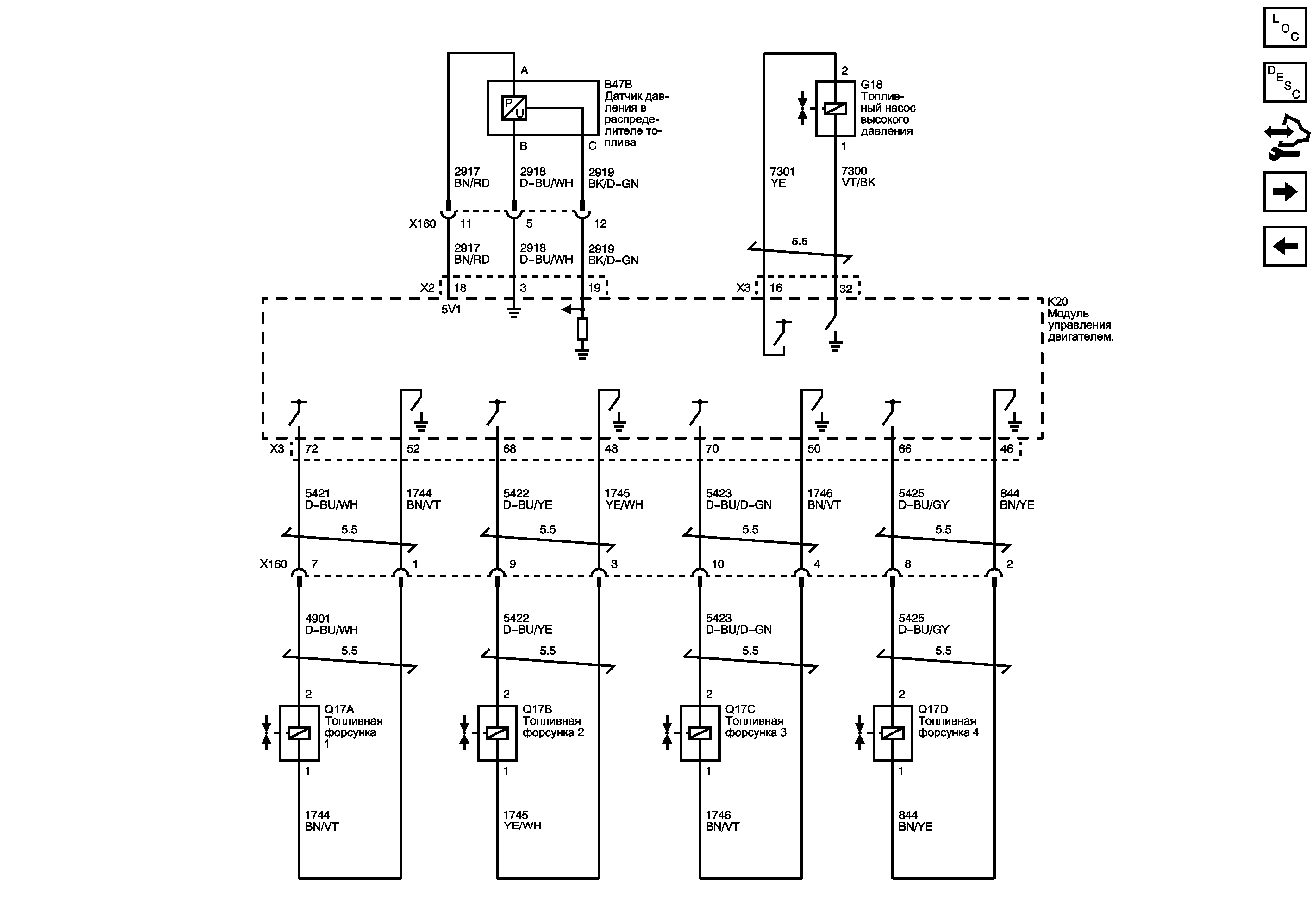
Органы управления топливом- топливные форсунки


          
            |                         |            
2580106RU.png

Display graphic

   


© copyright chevrolet. All rights reserved